Каталог запчастей
Запчасти Камаз
Запчасти Урал
Спецпредложения
О компании
Контакты
+7 (3513) 289-777
Отправить готовую заявку
Группа компаний A-GROUP
Каталог
Запчасти УРАЛ
Запчасти КАМАЗ
Двигатель
Система питания
Система выпуска газов
Система охлаждения
Механизмы управления
Рулевое управление
Тормозная система
Кабина и кузов
Кабина
Оперение кабины
Платформа и кузов
Трансмиссия
Коробка передач
Коробка раздаточная
Сцепление
Карданная передача
Мосты
Ходовая часть
Колеса и ступицы
Ось передняя
Подвеска
Рама
Электрооборудование
Приборы
Специальное оборудование
Устройство седельно-сцепное
Лебедка
Газовое оборудование
Прочие запчасти
Инструмент и принадлежности
Рукава и РТИ
Крепеж
Подшипники
Запчасти двигателя
Система выпуска газов
Система охлаждения
Система питания
Кабина и оперение
Передок кабины
Оперение кабины
Боковина кабины
Двери кабины
Задок кабины
Основание кабины
Крыша кабины
Сиденья кабины
Вентиляция и отопление кабины
Трансмиссия
Коробка передач
Раздаточная коробка
Карданный вал
Сцепление
Передний мост
Средний мост
Задний мост
Ходовая часть
Рама
Подвеска балансирная
Колеса и ступицы
Механизмы управления
Рулевое управление
Тормозная система
Платформа
Электрооборудование
Приборы
Оборудование и инструменты
Коробка отбора мощности
Лебедка
Устройство седельно-сцепное
Инструменты
Поиск
Графические каталоги
0
Группа компаний A-GROUP
Поиск
0
+7 (3513) 289-777
Обратный звонок
Отправить готовую заявку
Группа компаний A-GROUP
0
Меню
Поиск
Каталог запчастей
Запчасти Камаз
Запчасти Урал
Спецпредложения
О компании
Контакты
Главная
Графические каталоги
УралАЗ
УРАЛ-5557
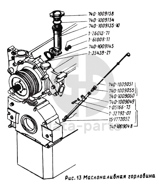
Маслоналивная горловина
Маслоналивная горловина УРАЛ-5557
15-1772052
740-1009135-10
740-1009050
740-1009055
740-1009048
1-32792-01
1-05166-73
740-1009049
740-1009051
1-35439-21
740-1009145
1-61008-11
1-26013-71
740-1009154
740-1009158
100
%
None
1-26013-71
Шайба 8 волнистая
Кол-во
0
?
Оставить заявку
None
740-1009135-10
Патрубок маслоналивной
Кол-во
0
?
Узнать цену
740.1009135-10
Патрубок КАМАЗ УРАЛ маслозаливной
ПАО КАМАЗ
под заказ
2 506 ₽
В корзину
None
740-1009050
Указатель уровня масла
Кол-во
0
?
Узнать цену
740.1009050
Указатель уровня масла КАМАЗ в сборе
ПАО КАМАЗ
под заказ
594 ₽
В корзину
None
740-1009055
Уплотнитель указателя уровня масла
Кол-во
0
?
Оставить заявку
None
1-05166-73
Шайба 8 пружинная
Кол-во
0
?
Оставить заявку
None
1-35439-21
Шпилька М8х45
Кол-во
0
?
Оставить заявку
None
1-61008-11
Гайка М8
Кол-во
0
?
Оставить заявку
None
740-1009048
Трубка указателя уровня масла с кольцом в сборе
Кол-во
0
?
Оставить заявку
None
740-1009049
Трубка в сборе
Кол-во
0
?
Узнать цену
740.1009049
Трубка указателя уровня масла
ПАО КАМАЗ
под заказ
314 ₽
В корзину
None
740-1009051
Указатель уровня масла в сборе
Кол-во
0
?
Узнать цену
740.1009051
Указатель уровня масла с уплотнителем в сборе
ПАО КАМАЗ
под заказ
297 ₽
В корзину
None
740-1009145
Прокладка заглушки
Кол-во
0
?
Оставить заявку
None
740-1009154
Прокладка
Кол-во
0
?
Оставить заявку
None
740-1009158
Крышка маслоналивного патрубка
Кол-во
0
?
Оставить заявку
None
1-32792-01
Винт М8-6gх16
Кол-во
0
?
Оставить заявку
None
15-1772052
Кольцо уплотнительное
Кол-во
0
?
Оставить заявку
Нужна помощь в подборе запчастей?
Напишите нам и оставьте ваши контактные данные. Мы перезвоним вам в течение 30 минут или раньше!
Кратвольд Елена
Менеджер по продажам
7 (3513) 289-777
koleso787@bk.ru
Вы должны включить JavaScript чтобы использовать эту форму.
Ваш вопрос
Email
Телефон
Отправляя форму вы подтверждаете согласие с
политикой обработки персональных данных
.
Отправить
Оставьте это поле пустым