Каталог запчастей
Запчасти Камаз
Запчасти Урал
Спецпредложения
О компании
Контакты
7 (3513) 289-777
Отправить готовую заявку
Группа компаний A-GROUP
Каталог
Запчасти УРАЛ
Запчасти КАМАЗ
Двигатель
Система питания
Система выпуска газов
Система охлаждения
Механизмы управления
Рулевое управление
Тормозная система
Кабина и кузов
Кабина
Оперение кабины
Платформа и кузов
Трансмиссия
Коробка передач
Коробка раздаточная
Сцепление
Карданная передача
Мосты
Ходовая часть
Колеса и ступицы
Ось передняя
Подвеска
Рама
Электрооборудование
Приборы
Специальное оборудование
Устройство седельно-сцепное
Лебедка
Газовое оборудование
Прочие запчасти
Инструмент и принадлежности
Рукава и РТИ
Крепеж
Подшипники
Запчасти двигателя
Система выпуска газов
Система охлаждения
Система питания
Кабина и оперение
Передок кабины
Оперение кабины
Боковина кабины
Двери кабины
Задок кабины
Основание кабины
Крыша кабины
Сиденья кабины
Вентиляция и отопление кабины
Трансмиссия
Коробка передач
Раздаточная коробка
Карданный вал
Сцепление
Передний мост
Средний мост
Задний мост
Ходовая часть
Рама
Подвеска балансирная
Колеса и ступицы
Механизмы управления
Рулевое управление
Тормозная система
Платформа
Электрооборудование
Приборы
Оборудование и инструменты
Коробка отбора мощности
Лебедка
Устройство седельно-сцепное
Инструменты
Поиск
Графические каталоги
0
Группа компаний A-GROUP
Поиск
0
+7 (3513) 289-777
Обратный звонок
Отправить готовую заявку
Группа компаний A-GROUP
0
Меню
Поиск
Каталог запчастей
Запчасти Камаз
Запчасти Урал
Спецпредложения
О компании
Контакты
Главная
Графические каталоги
КамАЗ
КамАЗ-6350 (8х8)
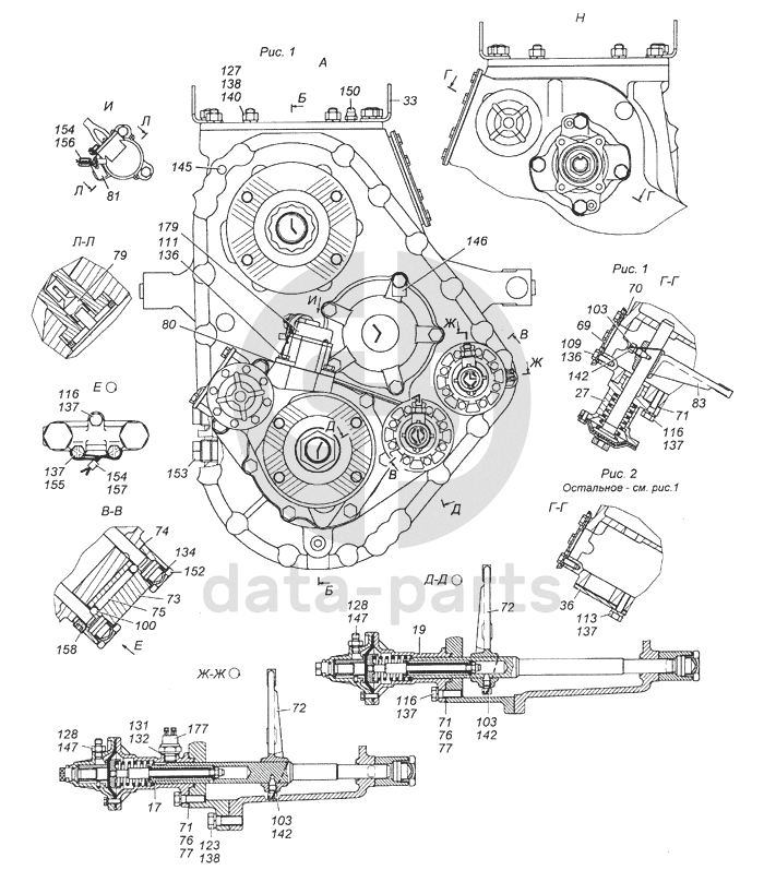
65111-1800020 Коробка раздаточная с коробкой отбора мощности в сборе
65111-1800020
65111-1800020-10
17
19
27
33
36
69
70
71
71
71
72
72
73
74
75
76
76
77
77
79
80
81
83
100
103
103
103
109
111
113
116
116
116
123
127
128
128
131
132
134
136
136
137
137
137
137
137
138
138
140
142
142
142
145
146
147
147
150
152
153
154
154
155
156
157
158
177
179
100
%
1
4310-1802015
Крышка верхнего люка раздаточной коробки в сборе
Кол-во
1
?
Узнать цену
4310-1802015
Крышка верхнего люка
ПАО КАМАЗ
под заказ
3 012.93 ₽
В корзину
3
65111-1802024
Вал первичный раздаточной коробки в сборе
Кол-во
1
?
Узнать цену
65111-1802024
Вал первичный
ПАО КАМАЗ
под заказ
42 970.66 ₽
В корзину
5
65111-1802027
Крышка переднего подшипника первичного вала в сборе
Кол-во
1
?
Оставить заявку
7
65111-1802084
Вал промежуточный раздаточной коробки в сборе
Кол-во
1
?
Оставить заявку
9
4310-1802104
Крышка заднего подшипника в сборе
Кол-во
1
?
Узнать цену
4310-1802104
Крышка КАМАЗ-4310 вала промежуточного раздаточной коробки
ПАО КАМАЗ
под заказ
1 937.21 ₽
В корзину
11
65111-1802150
Дифференциал раздаточной коробки в сборе
Кол-во
1
?
Оставить заявку
13
65111-1802212
Крышка заднего подшипника привода заднего моста вторая в сборе
Кол-во
1
?
Оставить заявку
14
65111-1802230
Картер привода переднего моста в сборе
Кол-во
1
?
Оставить заявку
17
65111-1803010
Механизм включения низшей передачи в сборе
Кол-во
1
?
Узнать цену
65111-1803010
Механизм КАМАЗ включения низшей передачи
ПАО КАМАЗ
под заказ
9 303.26 ₽
В корзину
19
65111-1803012
Механизм включения высшей передачи в сборе
Кол-во
1
?
Узнать цену
65111-1803012
Механизм КАМАЗ включения высшей передачи
ПАО КАМАЗ
под заказ
8 876.89 ₽
В корзину
21
2101-2401046
Пробка магнитная в сборе
Кол-во
1
?
Оставить заявку
22
6520-2502036
Фланец ведущий среднего моста
Кол-во
2
?
Узнать цену
6520-2502036
Фланец КАМАЗ-6520 6460 ведущий заднего и среднего моста
ПАО КАМАЗ
под заказ
5 603.07 ₽
В корзину
25
4310-4204010
Коробка отбора мощности односкоростная дополнительная в сборе
Кол-во
1
?
Оставить заявку
27
4310-4204360
Камера включения коробки отбора мощности в сборе
Кол-во
1
?
Узнать цену
4310-4204360
Камера КАМАЗ включения КОМ в сборе
ПАО КАМАЗ
под заказ
3 207.74 ₽
В корзину
30
65111-1802012
Картер раздаточной коробки
Кол-во
1
?
Оставить заявку
32
4310-1802017
Прокладка крышки люка
Кол-во
1
?
Оставить заявку
33
4310-1802018-10
Проушина
Кол-во
2
?
Узнать цену
4310-1802018-10
Проушина
ПАО КАМАЗ
под заказ
201.25 ₽
В корзину
34
65111-1802020
Крышка картера раздаточной коробки
Кол-во
1
?
Оставить заявку
35
4310-1802021
Прокладка крышки картера
Кол-во
1
?
Оставить заявку
36
4410-1802022
Заглушка картера раздаточной коробки
Кол-во
1
?
Узнать цену
4410-1802022
Заглушка
ПАО КАМАЗ
под заказ
134.83 ₽
В корзину
37
65111-1802029
Прокладка крышки переднего подшипника первичного вала
Кол-во
1
?
Оставить заявку
38
4410-1802031
Крышка картера раздаточной коробки задняя
Кол-во
1
?
Узнать цену
4410-1802031
Крышка картера
ПАО КАМАЗ
под заказ
1 102.48 ₽
В корзину
39
65111-1802035
Прокладка задней крышки картера раздаточной коробки
Кол-во
1
?
Оставить заявку
40
65111-1802041
Прокладка регулировочная крышки переднего подшипника первичного вала
Кол-во
2
?
Оставить заявку
41
65111-1802042
Прокладка регулировочная крышки переднего подшипника первичного вала
Кол-во
4
?
Оставить заявку
42
65111-1802043
Прокладка регулировочная крышки переднего подшипника первичного вала
Кол-во
4
?
Оставить заявку
43
65111-1802044
Прокладка регулировочная крышки переднего подшипника первичного вала
Кол-во
2
?
Оставить заявку
44
65111-1802045
Прокладка регулировочная крышки переднего подшипника первичного вала
Кол-во
3
?
Оставить заявку
45
43114-1802092-10
Прокладка регулировочная
Кол-во
2
?
Узнать цену
43114-1802092-10
Прокладка
ПАО КАМАЗ
под заказ
54.96 ₽
В корзину
46
43114-1802093-10
Прокладка регулировочная
Кол-во
4
?
Узнать цену
43114-1802093-10
Прокладка
ПАО КАМАЗ
под заказ
93.12 ₽
В корзину
47
43114-1802094-10
Прокладка регулировочная
Кол-во
4
?
Узнать цену
43114-1802094-10
Прокладка
ПАО КАМАЗ
под заказ
48.69 ₽
В корзину
48
43114-1802095-10
Прокладка регулировочная
Кол-во
2
?
Узнать цену
43114-1802095-10
Прокладка
ПАО КАМАЗ
под заказ
71.72 ₽
В корзину
49
43114-1802096-10
Прокладка регулировочная
Кол-во
3
?
Узнать цену
43114-1802096-10
Прокладка
ПАО КАМАЗ
под заказ
101.76 ₽
В корзину
50
65111-1802098
Крышка переднего подшипника промежуточного вала
Кол-во
1
?
Оставить заявку
51
65111-1802099
Прокладка крышки переднего подшипника промежуточного вала
Кол-во
1
?
Оставить заявку
52
4310-1802108
Прокладка
Кол-во
1
?
Оставить заявку
54
65111-1802195
Шайба маслоотгонная вала привода заднего моста
Кол-во
1
?
Узнать цену
65111-1802195
Шайба КАМАЗ маслоотражательная вала привода заднего моста
ПАО КАМАЗ
под заказ
924.69 ₽
В корзину
55
65111-1802196
Шайба опорная подшипника вала привода заднего моста
Кол-во
1
?
Узнать цену
65111-1802196
Шайба КАМАЗ опорная подшипника вала привода заднего моста
ПАО КАМАЗ
под заказ
740.87 ₽
В корзину
60
65111-1802214
Крышка заднего подшипника привода заднего моста
Кол-во
1
?
Оставить заявку
61
4310-1802215
Прокладка крышки
Кол-во
1
?
Оставить заявку
62
65111-1802216
Прокладка регулировочная крышки
Кол-во
2
?
Оставить заявку
63
65111-1802217
Прокладка регулировочная крышки
Кол-во
4
?
Оставить заявку
64
65111-1802218
Прокладка регулировочная крышки
Кол-во
4
?
Оставить заявку
65
65111-1802219
Прокладка регулировочная крышки
Кол-во
2
?
Оставить заявку
66
65111-1802220
Прокладка регулировочная крышки
Кол-во
3
?
Оставить заявку
68
4310-1802235
Прокладка картера
Кол-во
1
?
Оставить заявку
69
4310-1802355
Крышка бокового люка
Кол-во
1
?
Оставить заявку
70
4310-1802357
Прокладка крышки
Кол-во
2
?
Оставить заявку
71
4310-1803017
Прокладка
Кол-во
6
?
Оставить заявку
72
4310-1803020
Вилка включения передачи
Кол-во
2
?
Узнать цену
4310-1803020
Вилка КР КАМАЗ включения передач
ПАО КАМАЗ
под заказ
2 895.71 ₽
В корзину
73
4310-1803125
Корпус блокировки штоков управления
Кол-во
1
?
Узнать цену
4310-1803125
Корпус блокировки
ПАО КАМАЗ
под заказ
1 353.33 ₽
В корзину
74
4310-1803127
Прокладка корпуса
Кол-во
1
?
Оставить заявку
75
4310-1803129-10
Штифт блокировки штоков управления
Кол-во
1
?
Узнать цену
4310-1803129-10
Штифт
ПАО КАМАЗ
под заказ
68.33 ₽
В корзину
76
4310-1803246
Прокладка регулировочная
Кол-во
8
?
Узнать цену
4310-1803246
Прокладка
ПАО КАМАЗ
под заказ
33.89 ₽
В корзину
77
4310-1803247
Прокладка регулировочная
Кол-во
5
?
Узнать цену
4310-1803247
Прокладка
ПАО КАМАЗ
под заказ
52.74 ₽
В корзину
78
6520-2402269
Гайка подшипника
Кол-во
2
?
Оставить заявку
79
4310-3802035
Переходник
Кол-во
1
?
Узнать цену
4310-3802035
Переходник
ПАО КАМАЗ
под заказ
55.62 ₽
В корзину
80
4310-3802153
Прокладка датчика спидометра М8х20 (А)
Кол-во
1
?
Оставить заявку
81
4310-3802725
Скоба пломбировочная
Кол-во
1
?
Узнать цену
4310-3802725
Скоба пломбировочная
ПАО КАМАЗ
под заказ
39.57 ₽
В корзину
82
4310-4204047
Муфта включения
Кол-во
1
?
Узнать цену
4310-4204047
Муфта КАМАЗ коробки отбора мощности
ПАО КАМАЗ
под заказ
1 973.82 ₽
В корзину
83
4310-4204126
Вилка включения
Кол-во
1
?
Узнать цену
4310-4204126
Вилка КАМАЗ включения КОМ
ПАО КАМАЗ
В наличии 3 шт.
2 444.45 ₽
В корзину
90
4612144599
Подшипник шариковый радиальный однорядный 6-312А
Кол-во
1
?
Оставить заявку
92
4624140878
Подшипник 7218А роликовый конический однорядный
Кол-во
1
?
Оставить заявку
94
4624131424
Подшипник 7311А роликовый конический однорядный
Кол-во
2
?
Оставить заявку
96
4624141448
Подшипник 7312А роликовый конический однорядный
Кол-во
2
?
Оставить заявку
97
4624141551
Подшипник 7315А роликовый конический однорядный
Кол-во
1
?
Оставить заявку
100
4691167386
Шарик 11,112-60 ГОСТ3722-81
Кол-во
2
?
Оставить заявку
103
258254
Шплинт 1,2х200
Кол-во
3
?
Оставить заявку
109
1/60432/21
Болт М8-6gх16
Кол-во
6
?
Оставить заявку
111
1/60434/21
Болт М8-6gх20
Кол-во
3
?
Оставить заявку
113
1/59705/21
Болт М10х1,25-6gх20
Кол-во
2
?
Оставить заявку
116
1/59709/21
Болт М10х1,25-6gх35
Кол-во
30
?
Оставить заявку
118
1/13070/21
Болт М10х1,25-6gх40
Кол-во
6
?
Оставить заявку
120
1/13438/31
Болт М10х1,25-6gх50
Кол-во
4
?
Оставить заявку
123
1/55406/21
Болт М12х1,25-6gх40
Кол-во
18
?
Оставить заявку
126
1/21647/11
Гайка М10х1,25-6Н
Кол-во
6
?
Оставить заявку
127
1/61015/11
Гайка М12х1,25-6Н
Кол-во
10
?
Оставить заявку
128
1/02844/60
Прокладка уплотнительная 10х16х1,5
Кол-во
2
?
Оставить заявку
131
1/02785/50
Прокладка регулировочная 16х22х0,5
Кол-во
2
?
Оставить заявку
132
1/02813/80
Прокладка уплотнительная 16х22х1
Кол-во
2
?
Оставить заявку
134
1/02957/80
Прокладка
Кол-во
2
?
Оставить заявку
136
1/05166/77
Шайба 8 пружинная
Кол-во
9
?
Оставить заявку
137
1/05168/77
Шайба 10 пружинная
Кол-во
48
?
Оставить заявку
138
1/05170/77
Шайба 12 пружинная
Кол-во
28
?
Оставить заявку
139
1/35465/21
Шпилька М10х1,25х20х30
Кол-во
6
?
Оставить заявку
140
1/35301/21
Шпилька М12х1,25х18х30
Кол-во
10
?
Оставить заявку
142
853024
Болт стопорной вилки
Кол-во
3
?
Узнать цену
853024
Винт
ПАО КАМАЗ
под заказ
176.71 ₽
В корзину
145
853760
Штифт 12
Кол-во
2
?
Оставить заявку
146
853936
Штуцер проходной
Кол-во
1
?
Узнать цену
853936
Скоба КАМАЗ крепления проводов
ПАО КАМАЗ
под заказ
26.40 ₽
В корзину
147
853964
Штуцер 6 ввертный
Кол-во
2
?
Узнать цену
853964
Штуцер
ПАО КАМАЗ
В наличии 1 шт.
128.59 ₽
В корзину
148
853965
Угольник 6 ввертный
Кол-во
1
?
Узнать цену
853965
Угольник КАМАЗ М10х10
ПАО КАМАЗ
В наличии 14 шт.
262.60 ₽
В корзину
150
864000-10
Клапан предохранительный крышки в сборе
Кол-во
1
?
Узнать цену
864000-10
Клапан КАМАЗ-ЕВРО предохранительный (сапун)
ПАО КАМАЗ
В наличии 37 шт.
208.79 ₽
В корзину
152
864312
Пробка М30х1,5-6g
Кол-во
2
?
Узнать цену
864312
Пробка
ПАО КАМАЗ
под заказ
304.26 ₽
В корзину
153
864344
Пробка КГ1"
Кол-во
2
?
Узнать цену
864344
Пробка
ПАО КАМАЗ
под заказ
441.07 ₽
В корзину
154
864910
Пломба
Кол-во
2
?
Узнать цену
864910
Пломба
ПАО КАМАЗ
под заказ
15.52 ₽
В корзину
155
870024
Болт М10х1,25-6gх40
Кол-во
2
?
Оставить заявку
156
870701
Проволока пломбировочная
Кол-во
1
?
Оставить заявку
157
870702
Проволока пломбировочная
Кол-во
1
?
Оставить заявку
158
870882
Пробка коническая транспортная КГ 3/8"
Кол-во
1
?
Оставить заявку
177
ВК403Б-3716000
Выключатель света заднего хода
Кол-во
2
?
Оставить заявку
179
МЭ307-3730010
Датчик спидометра электрического
Кол-во
1
?
Оставить заявку
None
65111-1800020-10
Коробка раздаточная с коробкой отбора мощности в сборе
Кол-во
0
?
Узнать цену
65111-1800020-10
Коробка раздаточная КАМАЗ без КОМ в сборе
ПАО КАМАЗ
под заказ
548 888.31 ₽
В корзину
None
65111-1800020
Коробка раздаточная с коробкой отбора мощности в сборе
Кол-во
0
?
Узнать цену
65111-1800020
Коробка раздаточная КАМАЗ с КОМ в сборе
ПАО КАМАЗ
под заказ
641 407.23 ₽
В корзину
Нужна помощь в подборе запчастей?
Напишите нам и оставьте ваши контактные данные. Мы перезвоним вам в течение 30 минут или раньше!
Кратвольд Елена
Менеджер по продажам
7 (3513) 289-777
koleso787@bk.ru
Вы должны включить JavaScript чтобы использовать эту форму.
Ваш вопрос
Email
Телефон
Отправляя форму вы подтверждаете согласие с
политикой обработки персональных данных
.
Отправить
Оставьте это поле пустым