Каталог запчастей
Запчасти Камаз
Запчасти Урал
Спецпредложения
О компании
Контакты
+7 (3513) 289-777
Отправить готовую заявку
Группа компаний A-GROUP
Каталог
Запчасти УРАЛ
Запчасти КАМАЗ
Двигатель
Система питания
Система выпуска газов
Система охлаждения
Механизмы управления
Рулевое управление
Тормозная система
Кабина и кузов
Кабина
Оперение кабины
Платформа и кузов
Трансмиссия
Коробка передач
Коробка раздаточная
Сцепление
Карданная передача
Мосты
Ходовая часть
Колеса и ступицы
Ось передняя
Подвеска
Рама
Электрооборудование
Приборы
Специальное оборудование
Устройство седельно-сцепное
Лебедка
Газовое оборудование
Прочие запчасти
Инструмент и принадлежности
Рукава и РТИ
Крепеж
Подшипники
Запчасти двигателя
Система выпуска газов
Система охлаждения
Система питания
Кабина и оперение
Передок кабины
Оперение кабины
Боковина кабины
Двери кабины
Задок кабины
Основание кабины
Крыша кабины
Сиденья кабины
Вентиляция и отопление кабины
Трансмиссия
Коробка передач
Раздаточная коробка
Карданный вал
Сцепление
Передний мост
Средний мост
Задний мост
Ходовая часть
Рама
Подвеска балансирная
Колеса и ступицы
Механизмы управления
Рулевое управление
Тормозная система
Платформа
Электрооборудование
Приборы
Оборудование и инструменты
Коробка отбора мощности
Лебедка
Устройство седельно-сцепное
Инструменты
Поиск
Графические каталоги
0
Группа компаний A-GROUP
Поиск
0
+7 (3513) 289-777
Обратный звонок
Отправить готовую заявку
Группа компаний A-GROUP
0
Меню
Поиск
Каталог запчастей
Запчасти Камаз
Запчасти Урал
Спецпредложения
О компании
Контакты
Главная
Графические каталоги
КамАЗ
КамАЗ-5511
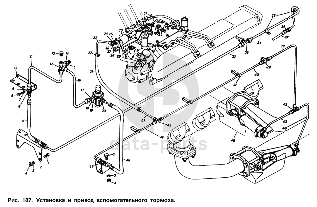
Установка и привод вспомогательного тормоза
Установка и привод вспомогательного тормоза КамАЗ-5511
1
1
2
3
3
4
4
5
6
7
8
9
10
11
12
13
14
15
16
17
18
19
20
21
22
23
24
25
26
27
28
29
30
31
32
33
34
35
36
37
38
39
40
41
42
42
43
44
45
46
47
48
49
100
%
1
1/60434/21
Болт М8-6gх20
Кол-во
5
?
Оставить заявку
2
5320-3506097
Кронштейн
Кол-во
1
?
Оставить заявку
3
1/05166/77
Шайба 8 пружинная
Кол-во
4
?
Оставить заявку
4
1/61008/11
Гайка М8х1,25-6Н
Кол-во
5
?
Оставить заявку
5
5320-3506368
Шланг гибкий соединительный
Кол-во
1
?
Узнать цену
5320-3506368
Шланг тормозной КАМАЗ подкабинный
ПАО КАМАЗ
под заказ
525 ₽
В корзину
6
864866
Штуцер фланцевый проходной
Кол-во
2
?
Оставить заявку
7
1/05164/77
Шайба 6 пружинная
Кол-во
3
?
Оставить заявку
8
1/09024/21
Болт М6-6gх20
Кол-во
2
?
Оставить заявку
9
1/16913/11
Гайка М10х1-6Н низкая
Кол-во
3
?
Оставить заявку
10
5320-3506083
Кронштейн
Кол-во
1
?
Оставить заявку
11
5320-3570182
Трубка
Кол-во
1
?
Оставить заявку
12
5320-3570171
Крестовина
Кол-во
1
?
Оставить заявку
13
262541
Пробка КГ1/8"
Кол-во
1
?
Оставить заявку
14
1/05201/01
Шайба плоская 14,8х26х3
Кол-во
1
?
Оставить заявку
15
1/07913/11
Гайка низкая М14х1,5-6Н
Кол-во
1
?
Оставить заявку
16
5320-3570198
Трубка
Кол-во
1
?
Оставить заявку
17
864892
Тройник ввертной симметричный
Кол-во
1
?
Узнать цену
864892
Тройник КАМАЗ ввертный М14х1.5 КГ1/8
ПАО КАМАЗ
под заказ
344 ₽
В корзину
18
853962
Переходник ввертный
Кол-во
1
?
Оставить заявку
19
1/02984/60
Прокладка 12,2х18х1,5
Кол-во
4
?
Оставить заявку
20
853979
Штуцер ввертный 8
Кол-во
3
?
Узнать цену
853979
Штуцер КАМАЗ ввертный клапана М10х12
ПАО КАМАЗ
под заказ
140 ₽
В корзину
21
5320-3506369
Шланг гибкий
Кол-во
1
?
Оставить заявку
22
1/01685/90
Хомут 12
Кол-во
2
?
Оставить заявку
23
5320-3570202
Трубка
Кол-во
1
?
Узнать цену
5320-3570202
Трубка
ПАО КАМАЗ
под заказ
555 ₽
В корзину
24
853964
Штуцер 6 ввертный
Кол-во
1
?
Узнать цену
853964
Штуцер
ПАО КАМАЗ
В наличии 1 шт.
129 ₽
В корзину
25
1/02844/60
Прокладка уплотнительная 10х16х1,5
Кол-во
1
?
Оставить заявку
26
1/05194/01
Шайба плоская 6х12х1,5
Кол-во
1
?
Оставить заявку
27
1/07957/01
Шплинт 1,8х10
Кол-во
1
?
Оставить заявку
28
5320-3570085
Втулка
Кол-во
1
?
Узнать цену
5320-3570085
Втулка
ПАО КАМАЗ
под заказ
90 ₽
В корзину
29
5320-3570094
Кронштейн крепления цилиндра подачи топлива в сборе
Кол-во
1
?
Узнать цену
5320-3570094
Кронштейн
ПАО КАМАЗ
под заказ
263 ₽
В корзину
30
5320-3570074
Цилиндр пневматический 30х25 включения подачи топлива с тягой в сборе
Кол-во
1
?
Узнать цену
5320-3570074
Цилиндр КАМАЗ пневматический с наконечником
ПАО КАМАЗ
под заказ
1 249 ₽
В корзину
31
1/05196/01
Шайба плоская 8х17
Кол-во
1
?
Узнать цену
1/05196/01
Шайба 8*17 1/05196
ПАО Автодизель (ЯМЗ)
под заказ
20 ₽
В корзину
32
5320-3570180
Трубка
Кол-во
1
?
Оставить заявку
33
864919
Тройник проходной
Кол-во
1
?
Узнать цену
864919
Тройник
ПАО КАМАЗ
под заказ
307 ₽
В корзину
34
5320-3570162
Трубка
Кол-во
1
?
Оставить заявку
35
853922
Скоба
Кол-во
2
?
Узнать цену
853922
Скоба КАМАЗ привода вспомогательного тормоза
ПАО КАМАЗ
под заказ
36 ₽
В корзину
36
853975
Штуцер 8 проходной
Кол-во
1
?
Оставить заявку
37
5320-3570160
Трубка
Кол-во
1
?
Оставить заявку
38
5320-3570192
Трубка
Кол-во
1
?
Оставить заявку
39
864808
Тройник проходной
Кол-во
1
?
Узнать цену
864808
Тройник проходной
ПАО КАМАЗ
под заказ
307 ₽
В корзину
40
5320-3570186
Трубка
Кол-во
1
?
Оставить заявку
41
864601
Скоба крепления трубопровода
Кол-во
3
?
Узнать цену
864601
Скоба
ПАО КАМАЗ
под заказ
25 ₽
В корзину
42
864920
Тройник 6 проходной
Кол-во
2
?
Узнать цену
864920
Тройник КАМАЗ М10х1.0
ПАО КАМАЗ
В наличии 11 шт.
164 ₽
В корзину
43
5320-3570204
Трубка
Кол-во
1
?
Оставить заявку
44
5320-3570200
Трубка
Кол-во
1
?
Оставить заявку
45
5320-3570143
Щиток цилиндра
Кол-во
2
?
Оставить заявку
46
5320-3570184
Трубка
Кол-во
1
?
Оставить заявку
47
5320-3570196
Трубка
Кол-во
1
?
Оставить заявку
48
5320-3570164
Шланг соединительный привода вспомогательного тормоза в сборе
Кол-во
1
?
Узнать цену
5320-3570164
Шланг КАМАЗ межосевого дифференциала
ПАО КАМАЗ
В наличии 125 шт.
751 ₽
В корзину
49
853963
Штуцер фланцевый проходной
Кол-во
0
?
Узнать цену
853963
Штуцер КАМАЗ проходной механизма блокировки МОД
ПАО КАМАЗ
под заказ
89 ₽
В корзину
Нужна помощь в подборе запчастей?
Напишите нам и оставьте ваши контактные данные. Мы перезвоним вам в течение 30 минут или раньше!
Кратвольд Елена
Менеджер по продажам
7 (3513) 289-777
koleso787@bk.ru
Вы должны включить JavaScript чтобы использовать эту форму.
Ваш вопрос
Email
Телефон
Отправляя форму вы подтверждаете согласие с
политикой обработки персональных данных
.
Отправить
Оставьте это поле пустым