Каталог запчастей
Запчасти Камаз
Запчасти Урал
Спецпредложения
О компании
Контакты
+7 (3513) 289-777
Отправить готовую заявку
Группа компаний A-GROUP
Каталог
Запчасти УРАЛ
Запчасти КАМАЗ
Двигатель
Система питания
Система выпуска газов
Система охлаждения
Механизмы управления
Рулевое управление
Тормозная система
Кабина и кузов
Кабина
Оперение кабины
Платформа и кузов
Трансмиссия
Коробка передач
Коробка раздаточная
Сцепление
Карданная передача
Мосты
Ходовая часть
Колеса и ступицы
Ось передняя
Подвеска
Рама
Электрооборудование
Приборы
Специальное оборудование
Устройство седельно-сцепное
Лебедка
Газовое оборудование
Прочие запчасти
Инструмент и принадлежности
Рукава и РТИ
Крепеж
Подшипники
Запчасти двигателя
Система выпуска газов
Система охлаждения
Система питания
Кабина и оперение
Передок кабины
Оперение кабины
Боковина кабины
Двери кабины
Задок кабины
Основание кабины
Крыша кабины
Сиденья кабины
Вентиляция и отопление кабины
Трансмиссия
Коробка передач
Раздаточная коробка
Карданный вал
Сцепление
Передний мост
Средний мост
Задний мост
Ходовая часть
Рама
Подвеска балансирная
Колеса и ступицы
Механизмы управления
Рулевое управление
Тормозная система
Платформа
Электрооборудование
Приборы
Оборудование и инструменты
Коробка отбора мощности
Лебедка
Устройство седельно-сцепное
Инструменты
Поиск
Графические каталоги
0
Группа компаний A-GROUP
Поиск
0
+7 (3513) 289-777
Обратный звонок
Отправить готовую заявку
Группа компаний A-GROUP
0
Меню
Поиск
Каталог запчастей
Запчасти Камаз
Запчасти Урал
Спецпредложения
О компании
Контакты
Главная
Графические каталоги
КамАЗ
КамАЗ-55102
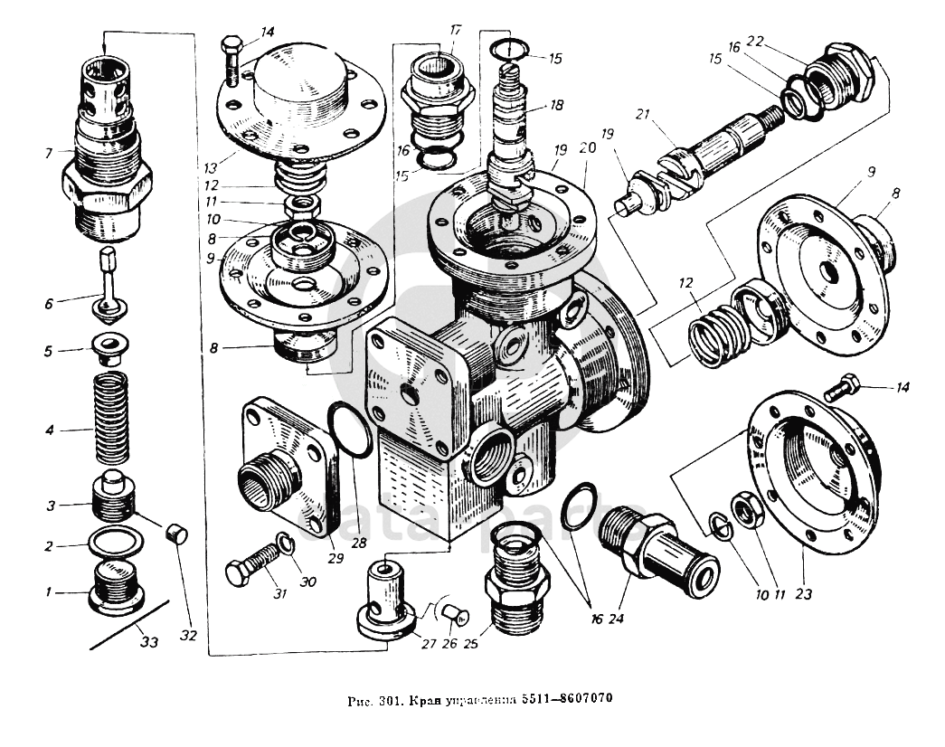
Кран управления 5511-8607070
Кран управления 5511-8607070 КамАЗ-55102
1
2
3
4
5
6
7
8
8
8
9
9
10
10
11
11
12
12
13
14
14
15
15
15
16
16
16
17
18
19
19
20
21
22
23
24
25
26
27
28
29
30
31
32
33
100
%
1
5511-8607081
Пробка
Кол-во
0
?
Оставить заявку
2
1/02795/60
Прокладка прямоугольного сечения 22х28х1
Кол-во
0
?
Оставить заявку
3
5511-8607022
Пробка
Кол-во
0
?
Оставить заявку
4
5511-8607023
Пружина
Кол-во
0
?
Оставить заявку
5
5511-8607079
Тарелка
Кол-во
0
?
Оставить заявку
6
5511-8607078
Клапан
Кол-во
0
?
Оставить заявку
7
5511-8607074
Стакан пружины
Кол-во
0
?
Оставить заявку
8
5511-8607038
Шайба
Кол-во
0
?
Оставить заявку
9
5511-8607040
Мембрана в сборе
Кол-во
0
?
Оставить заявку
10
1/05168/70
Шайба 10 пружинная
Кол-во
0
?
Оставить заявку
11
1/21647/11
Гайка М10х1,25-6Н
Кол-во
0
?
Оставить заявку
12
5511-8607054
Пружина
Кол-во
0
?
Оставить заявку
13
5511-8607020
Крышка в сборе
Кол-во
0
?
Оставить заявку
14
1/09020/21
Болт М6-6gх12
Кол-во
0
?
Оставить заявку
15
012-016-25-2-2
Кольцо
Кол-во
0
?
Узнать цену
012-016-25-2-2
Кольцо
АО АЗ Урал
под заказ
7 ₽
В корзину
16
024-029-30-2-2
Кольцо
Кол-во
0
?
Оставить заявку
17
5511-8607031
Штуцер
Кол-во
0
?
Оставить заявку
18
5511-8607028
Толкатель
Кол-во
0
?
Оставить заявку
19
5511-8607043
Клапан
Кол-во
0
?
Оставить заявку
20
5511-8607060
Корпус с седлами в сборе
Кол-во
0
?
Оставить заявку
21
5511-8607029
Толкатель
Кол-во
0
?
Оставить заявку
22
5511-8607032
Штуцер
Кол-во
0
?
Оставить заявку
23
5511-8607024
Крышка
Кол-во
0
?
Оставить заявку
24
5511-8607048
Штуцер
Кол-во
0
?
Оставить заявку
25
5511-8607033
Штуцер
Кол-во
0
?
Оставить заявку
26
5511-8607083
Штифт
Кол-во
0
?
Оставить заявку
27
5511-8607076
Втулка направляющая
Кол-во
0
?
Оставить заявку
28
034-038-25-2-2
Кольцо
Кол-во
0
?
Узнать цену
034-038-25-2-2
КОЛЬЦО
АО АЗ Урал
под заказ
16 ₽
В корзину
29
5511-8604088
Штуцер
Кол-во
0
?
Оставить заявку
30
1/05166/70
Шайба 8 пружинная
Кол-во
0
?
Оставить заявку
31
1/60436/21
Болт М8-6gх25
Кол-во
0
?
Оставить заявку
32
870764
Штифт 3,6х5
Кол-во
0
?
Оставить заявку
33
258224
Шпливт 0,8х175
Кол-во
0
?
Оставить заявку
Нужна помощь в подборе запчастей?
Напишите нам и оставьте ваши контактные данные. Мы перезвоним вам в течение 30 минут или раньше!
Кратвольд Елена
Менеджер по продажам
7 (3513) 289-777
koleso787@bk.ru
Вы должны включить JavaScript чтобы использовать эту форму.
Ваш вопрос
Email
Телефон
Отправляя форму вы подтверждаете согласие с
политикой обработки персональных данных
.
Отправить
Оставьте это поле пустым