Каталог запчастей
Запчасти Камаз
Запчасти Урал
Спецпредложения
О компании
Контакты
+7 (3513) 289-777
Отправить готовую заявку
Группа компаний A-GROUP
Каталог
Запчасти УРАЛ
Запчасти КАМАЗ
Двигатель
Система питания
Система выпуска газов
Система охлаждения
Механизмы управления
Рулевое управление
Тормозная система
Кабина и кузов
Кабина
Оперение кабины
Платформа и кузов
Трансмиссия
Коробка передач
Коробка раздаточная
Сцепление
Карданная передача
Мосты
Ходовая часть
Колеса и ступицы
Ось передняя
Подвеска
Рама
Электрооборудование
Приборы
Специальное оборудование
Устройство седельно-сцепное
Лебедка
Газовое оборудование
Прочие запчасти
Инструмент и принадлежности
Рукава и РТИ
Крепеж
Подшипники
Запчасти двигателя
Система выпуска газов
Система охлаждения
Система питания
Кабина и оперение
Передок кабины
Оперение кабины
Боковина кабины
Двери кабины
Задок кабины
Основание кабины
Крыша кабины
Сиденья кабины
Вентиляция и отопление кабины
Трансмиссия
Коробка передач
Раздаточная коробка
Карданный вал
Сцепление
Передний мост
Средний мост
Задний мост
Ходовая часть
Рама
Подвеска балансирная
Колеса и ступицы
Механизмы управления
Рулевое управление
Тормозная система
Платформа
Электрооборудование
Приборы
Оборудование и инструменты
Коробка отбора мощности
Лебедка
Устройство седельно-сцепное
Инструменты
Поиск
Графические каталоги
0
Группа компаний A-GROUP
Поиск
0
+7 (3513) 289-777
Обратный звонок
Отправить готовую заявку
Группа компаний A-GROUP
0
Меню
Поиск
Каталог запчастей
Запчасти Камаз
Запчасти Урал
Спецпредложения
О компании
Контакты
Главная
Графические каталоги
УралАЗ
УРАЛ-5557
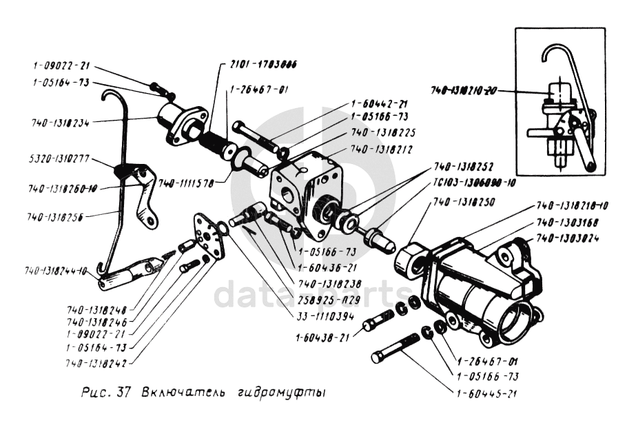
Включатель гидромуфты
Включатель гидромуфты УРАЛ-5557
740-1318210-20
ТС103-1305090-10
740-1111578
740-1318260-10
740-1303168
740-1303024
740-1318218-10
740-1318250
740-1318252
33-1110394
740-1318212
740-1318225
740-1318242
740-1318246
740-1318248
740-1318244-10
740-1318256
5320-1310277
740-1318234
1-60438-21
258925-П29
740-1318238
1-60436-21
1-05166-73
1-05166-73
1-05166-73
1-60442-21
1-26467-01
1-26467-01
1-09022-21
1-09022-21
1-05164-73
1-05164-73
1-60445-21
100
%
None
1-05164-73
Шайба 6 пружинная
Кол-во
0
?
Оставить заявку
None
740-1318260-10
Кронштейн тяги
Кол-во
0
?
Оставить заявку
None
ТС103-1305090-10
Датчик
Кол-во
0
?
Оставить заявку
None
740-1318210-20
Включатель гидромуфты
Кол-во
0
?
Узнать цену
740.1318210-20
Включатель гидромуфты КАМАЗ привода вентилятора
ПАО КАМАЗ
В наличии 15 шт.
3 335 ₽
В корзину
None
5320-1310277
Втулка оболочки троса
Кол-во
0
?
Оставить заявку
None
1-09022-21
Болт М6х16
Кол-во
0
?
Оставить заявку
None
740-1318252
Шайба регулировочная
Кол-во
0
?
Оставить заявку
None
740-1318218-10
Прокладка
Кол-во
0
?
Оставить заявку
None
740-1318250
Гайка крепления термосилового датчика
Кол-во
0
?
Оставить заявку
None
1-60442-21
Болт М8х50
Кол-во
0
?
Оставить заявку
None
1-60436-21
Болт М8х25
Кол-во
0
?
Оставить заявку
None
1-60438-21
Болт М8х30
Кол-во
0
?
Оставить заявку
None
258925-П29
Штифт 3х16
Кол-во
0
?
Оставить заявку
None
740-1303168
Патрубок подводящей трубы
Кол-во
0
?
Узнать цену
740.1303168
Патрубок КАМАЗ включения гидромуфты
ПАО КАМАЗ
под заказ
2 413 ₽
В корзину
None
1-60445-21
Болт М8х65
Кол-во
0
?
Оставить заявку
None
1-26467-01
Шайба 8
Кол-во
0
?
Оставить заявку
None
33-1110394
Кольцо уплотнительное
Кол-во
0
?
Оставить заявку
None
740-1111578
Кольцо уплотнительное
Кол-во
0
?
Оставить заявку
None
740-1318238
Пробка
Кол-во
0
?
Оставить заявку
None
740-1303024
Прокладка
Кол-во
0
?
Оставить заявку
None
740-1318225
Золотник
Кол-во
0
?
Оставить заявку
None
740-1318212
Корпус включателя в сборе
Кол-во
0
?
Оставить заявку
None
740-1318234
Крышка корпуса включателя гидромуфты
Кол-во
0
?
Оставить заявку
None
740-1318256
Тяга дистанционного управления включателем гидромуфты
Кол-во
0
?
Оставить заявку
None
740-1318244-10
Рычаг пробки
Кол-во
0
?
Оставить заявку
None
740-1318248
Пружина фиксатора
Кол-во
0
?
Оставить заявку
None
740-1318246
Фиксатор рычага пробки крана
Кол-во
0
?
Оставить заявку
None
740-1318242
Крышка пробки крана
Кол-во
0
?
Оставить заявку
None
1-05166-73
Шайба 8 пружинная
Кол-во
0
?
Оставить заявку
Нужна помощь в подборе запчастей?
Напишите нам и оставьте ваши контактные данные. Мы перезвоним вам в течение 30 минут или раньше!
Кратвольд Елена
Менеджер по продажам
7 (3513) 289-777
koleso787@bk.ru
Вы должны включить JavaScript чтобы использовать эту форму.
Ваш вопрос
Email
Телефон
Отправляя форму вы подтверждаете согласие с
политикой обработки персональных данных
.
Отправить
Оставьте это поле пустым