Каталог запчастей
Запчасти Камаз
Запчасти Урал
Спецпредложения
О компании
Контакты
+7 (3513) 289-777
Отправить готовую заявку
Группа компаний A-GROUP
Каталог
Запчасти УРАЛ
Запчасти КАМАЗ
Двигатель
Система питания
Система выпуска газов
Система охлаждения
Механизмы управления
Рулевое управление
Тормозная система
Кабина и кузов
Кабина
Оперение кабины
Платформа и кузов
Трансмиссия
Коробка передач
Коробка раздаточная
Сцепление
Карданная передача
Мосты
Ходовая часть
Колеса и ступицы
Ось передняя
Подвеска
Рама
Электрооборудование
Приборы
Специальное оборудование
Устройство седельно-сцепное
Лебедка
Газовое оборудование
Прочие запчасти
Инструмент и принадлежности
Рукава и РТИ
Крепеж
Подшипники
Запчасти двигателя
Система выпуска газов
Система охлаждения
Система питания
Кабина и оперение
Передок кабины
Оперение кабины
Боковина кабины
Двери кабины
Задок кабины
Основание кабины
Крыша кабины
Сиденья кабины
Вентиляция и отопление кабины
Трансмиссия
Коробка передач
Раздаточная коробка
Карданный вал
Сцепление
Передний мост
Средний мост
Задний мост
Ходовая часть
Рама
Подвеска балансирная
Колеса и ступицы
Механизмы управления
Рулевое управление
Тормозная система
Платформа
Электрооборудование
Приборы
Оборудование и инструменты
Коробка отбора мощности
Лебедка
Устройство седельно-сцепное
Инструменты
Поиск
Графические каталоги
0
Группа компаний A-GROUP
Поиск
0
+7 (3513) 289-777
Обратный звонок
Отправить готовую заявку
Группа компаний A-GROUP
0
Меню
Поиск
Каталог запчастей
Запчасти Камаз
Запчасти Урал
Спецпредложения
О компании
Контакты
Главная
Графические каталоги
КамАЗ
КамАЗ-6540
Установка ускорительного клапана
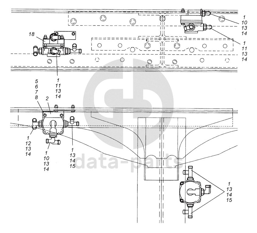
Установка ускорительного клапана КамАЗ-6540
1
1
1
1
1
1
1
2
5
6
7
8
10
10
11
11
12
13
13
13
13
13
13
13
14
14
14
14
14
14
14
15
15
18
100
%
1
740-1003439
Кольцо уплотнительное
Кол-во
0
?
Оставить заявку
2
5511-3518019
Кронштейн
Кол-во
0
?
Оставить заявку
5
1/60438/21
Болт М8-6gх30
Кол-во
0
?
Оставить заявку
6
1/61008/11
Гайка М8х1,25-6Н
Кол-во
0
?
Оставить заявку
7
1/05166/77
Шайба 8 пружинная
Кол-во
0
?
Оставить заявку
8
1/05196/77
Шайба плоская 8х17
Кол-во
0
?
Оставить заявку
10
861005
Угольник ввертный
Кол-во
0
?
Узнать цену
861005
Угольник КАМАЗ М14х22
ПАО КАМАЗ
В наличии 5 шт.
742 ₽
В корзину
11
861007
Угольник
Кол-во
0
?
Узнать цену
861007
Угольник КАМАЗ М22х18 ГТК Н/О
ПАО КАМАЗ
под заказ
742 ₽
В корзину
12
861013
Тройник ввертный
Кол-во
0
?
Узнать цену
861013
Тройник КАМАЗ М18х12х22 энергоаккумулятора
ПАО КАМАЗ
под заказ
776 ₽
В корзину
13
861021
Гайка М22х1,5-6Н
Кол-во
0
?
Узнать цену
861021
Гайка М22х1.5 клапана контрольного крана тормозного
ПАО КАМАЗ
В наличии 97 шт.
135 ₽
В корзину
14
861024
Шайба
Кол-во
0
?
Узнать цену
861024
Шайба
ПАО КАМАЗ
В наличии 100 шт.
15 ₽
В корзину
15
861032
Тройник
Кол-во
0
?
Узнать цену
861032
Тройник
ПАО КАМАЗ
под заказ
761 ₽
В корзину
18
8001-3518010
Клапан ускорительный в сборе
Кол-во
0
?
Оставить заявку
Нужна помощь в подборе запчастей?
Напишите нам и оставьте ваши контактные данные. Мы перезвоним вам в течение 30 минут или раньше!
Кратвольд Елена
Менеджер по продажам
7 (3513) 289-777
koleso787@bk.ru
Вы должны включить JavaScript чтобы использовать эту форму.
Ваш вопрос
Email
Телефон
Отправляя форму вы подтверждаете согласие с
политикой обработки персональных данных
.
Отправить
Оставьте это поле пустым