Каталог запчастей
Запчасти Камаз
Запчасти Урал
Спецпредложения
О компании
Контакты
+7 (3513) 289-777
Отправить готовую заявку
Группа компаний A-GROUP
Каталог
Запчасти УРАЛ
Запчасти КАМАЗ
Двигатель
Система питания
Система выпуска газов
Система охлаждения
Механизмы управления
Рулевое управление
Тормозная система
Кабина и кузов
Кабина
Оперение кабины
Платформа и кузов
Трансмиссия
Коробка передач
Коробка раздаточная
Сцепление
Карданная передача
Мосты
Ходовая часть
Колеса и ступицы
Ось передняя
Подвеска
Рама
Электрооборудование
Приборы
Специальное оборудование
Устройство седельно-сцепное
Лебедка
Газовое оборудование
Прочие запчасти
Инструмент и принадлежности
Рукава и РТИ
Крепеж
Подшипники
Запчасти двигателя
Система выпуска газов
Система охлаждения
Система питания
Кабина и оперение
Передок кабины
Оперение кабины
Боковина кабины
Двери кабины
Задок кабины
Основание кабины
Крыша кабины
Сиденья кабины
Вентиляция и отопление кабины
Трансмиссия
Коробка передач
Раздаточная коробка
Карданный вал
Сцепление
Передний мост
Средний мост
Задний мост
Ходовая часть
Рама
Подвеска балансирная
Колеса и ступицы
Механизмы управления
Рулевое управление
Тормозная система
Платформа
Электрооборудование
Приборы
Оборудование и инструменты
Коробка отбора мощности
Лебедка
Устройство седельно-сцепное
Инструменты
Поиск
Графические каталоги
0
Группа компаний A-GROUP
Поиск
0
+7 (3513) 289-777
Обратный звонок
Отправить готовую заявку
Группа компаний A-GROUP
0
Меню
Поиск
Каталог запчастей
Запчасти Камаз
Запчасти Урал
Спецпредложения
О компании
Контакты
Главная
Графические каталоги
КамАЗ
КамАЗ-6540
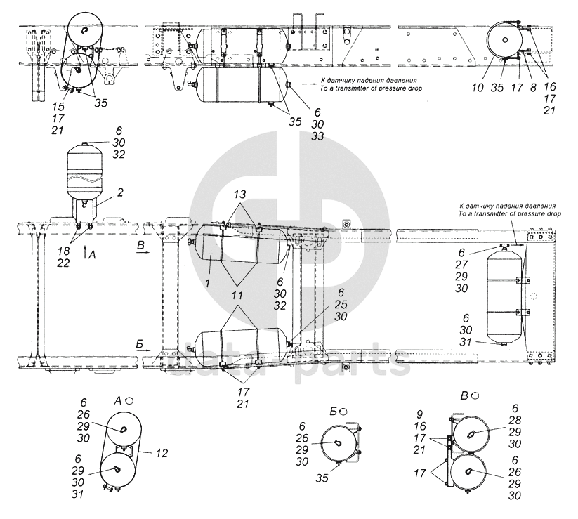
Установка воздушных ресиверов
Установка воздушных ресиверов КамАЗ-6540
1
2
6
6
6
6
6
6
6
6
6
6
6
8
9
10
11
12
13
15
16
16
17
17
17
17
17
17
18
21
21
21
21
22
25
26
26
26
27
28
29
29
29
29
29
29
30
30
30
30
30
30
30
30
30
30
30
31
31
32
32
33
35
35
35
35
100
%
1
5320-3513014
Ресивер в сборе
Кол-во
0
?
Оставить заявку
2
4Э6540-3513080
Кронштейн крепления ресиверов (сварка)
Кол-во
0
?
Оставить заявку
6
740-1003439
Кольцо уплотнительное
Кол-во
0
?
Оставить заявку
8
5410-3513081
Кронштейн
Кол-во
0
?
Оставить заявку
9
5511-3513081-16
Кронштейн
Кол-во
0
?
Узнать цену
5511-3513081-16
Кронштейн крепления
ПАО КАМАЗ
под заказ
3 279 ₽
В корзину
10
5410-3513085
Хомут
Кол-во
0
?
Узнать цену
5410-3513085
Хомут крепления
ПАО КАМАЗ
под заказ
263 ₽
В корзину
11
5320-3513085
Хомут
Кол-во
0
?
Узнать цену
5320-3513085
Хомут КАМАЗ ресивера
ПАО КАМАЗ
под заказ
363 ₽
В корзину
12
6540-3513085
Хомут
Кол-во
0
?
Узнать цену
6540-3513085
Хомут
ПАО КАМАЗ
под заказ
279 ₽
В корзину
13
5320-3513092-01
Подкладка ресивера
Кол-во
0
?
Оставить заявку
15
1/13438/31
Болт М10х1,25-6gх50
Кол-во
0
?
Оставить заявку
16
1/59707/21
Болт М10х1,25-6gх25
Кол-во
0
?
Оставить заявку
17
1/21647/11
Гайка М10х1,25-6Н
Кол-во
0
?
Оставить заявку
18
1/21641/21
Гайка М16х1,5-6Н
Кол-во
0
?
Оставить заявку
21
1/05168/77
Шайба 10 пружинная
Кол-во
0
?
Оставить заявку
22
1/05172/77
Шайба 16 пружинная
Кол-во
0
?
Оставить заявку
25
853977
Штуцер 12 ввертный
Кол-во
0
?
Узнать цену
853977
Штуцер КАМАЗ ввертный М22х18 (43118)
ПАО КАМАЗ
В наличии 52 шт.
346 ₽
В корзину
26
861007
Угольник
Кол-во
0
?
Узнать цену
861007
Угольник КАМАЗ М22х18 ГТК Н/О
ПАО КАМАЗ
под заказ
742 ₽
В корзину
27
861013
Тройник ввертный
Кол-во
0
?
Узнать цену
861013
Тройник КАМАЗ М18х12х22 энергоаккумулятора
ПАО КАМАЗ
под заказ
776 ₽
В корзину
28
861015
Тройник
Кол-во
0
?
Узнать цену
861015
Тройник
ПАО КАМАЗ
В наличии 7 шт.
776 ₽
В корзину
29
861021
Гайка М22х1,5-6Н
Кол-во
0
?
Узнать цену
861021
Гайка М22х1.5 клапана контрольного крана тормозного
ПАО КАМАЗ
В наличии 97 шт.
135 ₽
В корзину
30
861024
Шайба
Кол-во
0
?
Узнать цену
861024
Шайба
ПАО КАМАЗ
В наличии 100 шт.
15 ₽
В корзину
31
861032
Тройник
Кол-во
0
?
Узнать цену
861032
Тройник
ПАО КАМАЗ
под заказ
761 ₽
В корзину
32
864323
Пробка М22х1,5-6Н
Кол-во
0
?
Оставить заявку
33
864806
Переходник
Кол-во
0
?
Оставить заявку
35
16-3513110
Кран слива конденсата в сборе
Кол-во
0
?
Оставить заявку
Нужна помощь в подборе запчастей?
Напишите нам и оставьте ваши контактные данные. Мы перезвоним вам в течение 30 минут или раньше!
Кратвольд Елена
Менеджер по продажам
7 (3513) 289-777
koleso787@bk.ru
Вы должны включить JavaScript чтобы использовать эту форму.
Ваш вопрос
Email
Телефон
Отправляя форму вы подтверждаете согласие с
политикой обработки персональных данных
.
Отправить
Оставьте это поле пустым