Каталог запчастей
Запчасти Камаз
Запчасти Урал
Спецпредложения
О компании
Контакты
+7 (3513) 289-777
Отправить готовую заявку
Группа компаний A-GROUP
Каталог
Запчасти УРАЛ
Запчасти КАМАЗ
Двигатель
Система питания
Система выпуска газов
Система охлаждения
Механизмы управления
Рулевое управление
Тормозная система
Кабина и кузов
Кабина
Оперение кабины
Платформа и кузов
Трансмиссия
Коробка передач
Коробка раздаточная
Сцепление
Карданная передача
Мосты
Ходовая часть
Колеса и ступицы
Ось передняя
Подвеска
Рама
Электрооборудование
Приборы
Специальное оборудование
Устройство седельно-сцепное
Лебедка
Газовое оборудование
Прочие запчасти
Инструмент и принадлежности
Рукава и РТИ
Крепеж
Подшипники
Запчасти двигателя
Система выпуска газов
Система охлаждения
Система питания
Кабина и оперение
Передок кабины
Оперение кабины
Боковина кабины
Двери кабины
Задок кабины
Основание кабины
Крыша кабины
Сиденья кабины
Вентиляция и отопление кабины
Трансмиссия
Коробка передач
Раздаточная коробка
Карданный вал
Сцепление
Передний мост
Средний мост
Задний мост
Ходовая часть
Рама
Подвеска балансирная
Колеса и ступицы
Механизмы управления
Рулевое управление
Тормозная система
Платформа
Электрооборудование
Приборы
Оборудование и инструменты
Коробка отбора мощности
Лебедка
Устройство седельно-сцепное
Инструменты
Поиск
Графические каталоги
0
Группа компаний A-GROUP
Поиск
0
+7 (3513) 289-777
Обратный звонок
Отправить готовую заявку
Группа компаний A-GROUP
0
Меню
Поиск
Каталог запчастей
Запчасти Камаз
Запчасти Урал
Спецпредложения
О компании
Контакты
Главная
Графические каталоги
КамАЗ
КамАЗ-6540
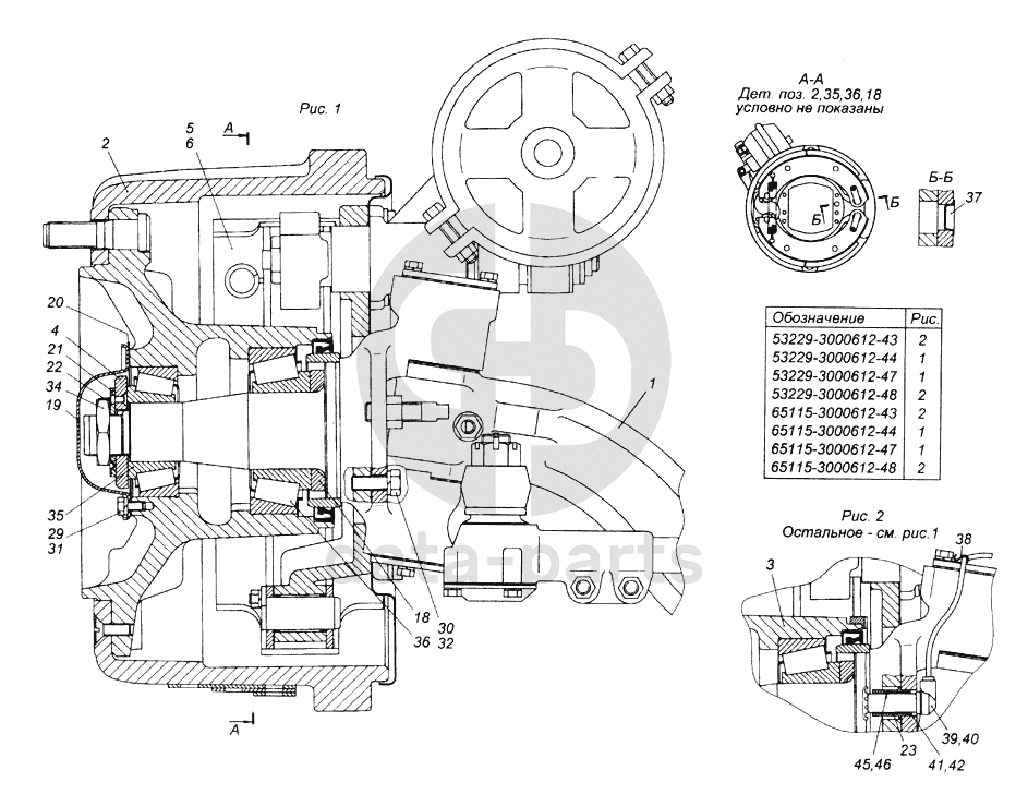
Ось передняя с тормозами в сборе
Ось передняя с тормозами в сборе КамАЗ-6540
1
2
4
5
6
18
19
20
21
22
29
30
31
32
34
35
36
37
100
%
1
53229-3000615
Ось передняя в сборе
Кол-во
0
?
Оставить заявку
2
65115-3103010
Ступица переднего колеса с барабаном тормоза в сборе
Кол-во
0
?
Оставить заявку
4
5320-3103076-10
Гайка подшипников в сборе
Кол-во
0
?
Узнать цену
5320-3103076-10
Гайка подшипников
ПАО КАМАЗ
В наличии 4 шт.
1 014 ₽
В корзину
5
53229-3501010-13
Тормоз передний правый в сборе
Кол-во
0
?
Оставить заявку
6
53229-3501011-13
Тормоз передний левый в сборе
Кол-во
0
?
Оставить заявку
18
5320-3103024
Кольцо упорное
Кол-во
0
?
Узнать цену
5320-3103024
Кольцо КАМАЗ упорное ступицы передней
ПАО КАМАЗ
под заказ
389 ₽
В корзину
19
5320-3103065-01
Крышка ступицы
Кол-во
0
?
Узнать цену
5320-3103065-01
Крышка
ПАО КАМАЗ
под заказ
250 ₽
В корзину
20
5320-3103067
Прокладка
Кол-во
0
?
Оставить заявку
21
5320-3103079
Шайба замковая
Кол-во
0
?
Узнать цену
5320-3103079
Шайба КАМАЗ замковая ступицы передней
ПАО КАМАЗ
В наличии 18 шт.
113 ₽
В корзину
22
5320-3103082
Шайба замковая контргайки
Кол-во
0
?
Узнать цену
5320-3103082
Шайба замковая контрольная
ПАО КАМАЗ
под заказ
63 ₽
В корзину
29
1/60432/21
Болт М8-6gх16
Кол-во
0
?
Оставить заявку
30
853063
Болт фланцевый М14х1,5-6gх40
Кол-во
0
?
Оставить заявку
31
1/05166/77
Шайба 8 пружинная
Кол-во
0
?
Оставить заявку
32
1/05171/77
Шайба 14 пружинная
Кол-во
0
?
Оставить заявку
34
853513
Контргайка М39х1,5
Кол-во
0
?
Узнать цену
853513
Гайка М39х1.5 ступицы КАМАЗ
ПАО КАМАЗ
под заказ
229 ₽
В корзину
35
6-7610А
Подшипник роликовый конический однорядный ГОСТ 520-89
Кол-во
0
?
Оставить заявку
36
7613А
Подшипник роликовый конический однорядный ГОСТ 520-90
Кол-во
0
?
Оставить заявку
37
864331
Пробка транспортная
Кол-во
0
?
Оставить заявку
Нужна помощь в подборе запчастей?
Напишите нам и оставьте ваши контактные данные. Мы перезвоним вам в течение 30 минут или раньше!
Кратвольд Елена
Менеджер по продажам
7 (3513) 289-777
koleso787@bk.ru
Вы должны включить JavaScript чтобы использовать эту форму.
Ваш вопрос
Email
Телефон
Отправляя форму вы подтверждаете согласие с
политикой обработки персональных данных
.
Отправить
Оставьте это поле пустым