Каталог запчастей
Запчасти Камаз
Запчасти Урал
Спецпредложения
О компании
Контакты
+7 (3513) 289-777
Отправить готовую заявку
Группа компаний A-GROUP
Каталог
Запчасти УРАЛ
Запчасти КАМАЗ
Двигатель
Система питания
Система выпуска газов
Система охлаждения
Механизмы управления
Рулевое управление
Тормозная система
Кабина и кузов
Кабина
Оперение кабины
Платформа и кузов
Трансмиссия
Коробка передач
Коробка раздаточная
Сцепление
Карданная передача
Мосты
Ходовая часть
Колеса и ступицы
Ось передняя
Подвеска
Рама
Электрооборудование
Приборы
Специальное оборудование
Устройство седельно-сцепное
Лебедка
Газовое оборудование
Прочие запчасти
Инструмент и принадлежности
Рукава и РТИ
Крепеж
Подшипники
Запчасти двигателя
Система выпуска газов
Система охлаждения
Система питания
Кабина и оперение
Передок кабины
Оперение кабины
Боковина кабины
Двери кабины
Задок кабины
Основание кабины
Крыша кабины
Сиденья кабины
Вентиляция и отопление кабины
Трансмиссия
Коробка передач
Раздаточная коробка
Карданный вал
Сцепление
Передний мост
Средний мост
Задний мост
Ходовая часть
Рама
Подвеска балансирная
Колеса и ступицы
Механизмы управления
Рулевое управление
Тормозная система
Платформа
Электрооборудование
Приборы
Оборудование и инструменты
Коробка отбора мощности
Лебедка
Устройство седельно-сцепное
Инструменты
Поиск
Графические каталоги
0
Группа компаний A-GROUP
Поиск
0
+7 (3513) 289-777
Обратный звонок
Отправить готовую заявку
Группа компаний A-GROUP
0
Меню
Поиск
Каталог запчастей
Запчасти Камаз
Запчасти Урал
Спецпредложения
О компании
Контакты
Главная
Графические каталоги
КамАЗ
КамАЗ-65226
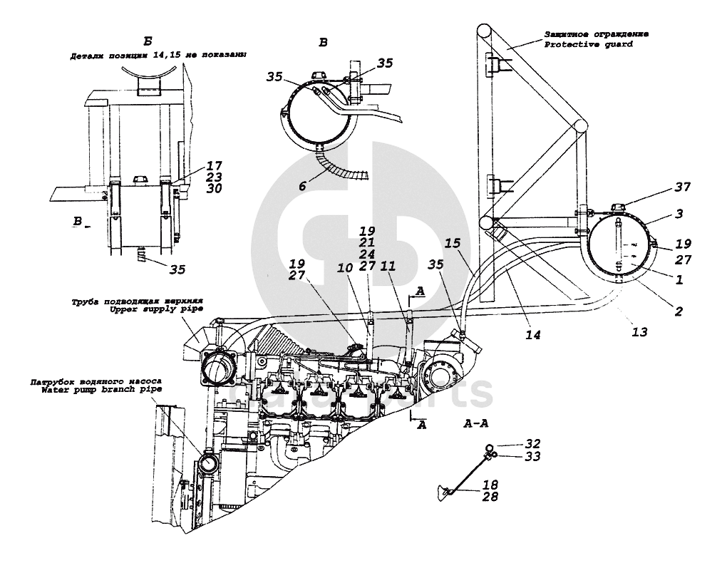
Установка расширительного бачка
Установка расширительного бачка КамАЗ-65226
1
2
3
6
10
11
13
14
15
17
18
19
19
19
21
23
24
27
27
27
28
30
32
33
35
35
35
35
37
100
%
1
6522-1311010-99
Бачок расширительный
Кол-во
1
?
Оставить заявку
2
6522-1311023-99
Установка ложементов
Кол-во
1
?
Оставить заявку
3
6522-1311086-99
Скоба
Кол-во
2
?
Оставить заявку
6
5320-8120149
Оболочка шланга
Кол-во
4
?
Узнать цену
5320-8120149
Оболочка
ПАО КАМАЗ
под заказ
445 ₽
В корзину
10
6522-1311499-99
Кронштейн передний
Кол-во
1
?
Оставить заявку
11
6522-1311599-99
Кронштейн задний
Кол-во
1
?
Оставить заявку
13
6522-1311799-99
Рукав
Кол-во
1
?
Оставить заявку
14
6522-1311899-99
Рукав
Кол-во
1
?
Оставить заявку
15
6522-1311999-99
Рукав
Кол-во
1
?
Оставить заявку
17
260022
Палец 6х45.01 ОСТ 37.001.163-97
Кол-во
2
?
Оставить заявку
18
356-70510
Болт М10-6gх25
Кол-во
1
?
Оставить заявку
19
1/60436/21
Болт М8-6gх25
Кол-во
5
?
Оставить заявку
21
1/61008-11
Гайка М8-6Н
Кол-во
2
?
Оставить заявку
23
1/26397/01
Шайба регулировочная 6х11х1
Кол-во
2
?
Оставить заявку
24
1/05169/01
Шайба плоская 8x17
Кол-во
2
?
Оставить заявку
27
1/05166/73
Шайба 8 пружинная
Кол-во
5
?
Оставить заявку
28
1/05168/7
Шайба пружинная 10
Кол-во
1
?
Оставить заявку
30
1/07951/01
Шплинт разводной 1,5х20
Кол-во
2
?
Оставить заявку
32
853890
Хомут специальный
Кол-во
2
?
Узнать цену
853890
Хомут
ПАО КАМАЗ
под заказ
55 ₽
В корзину
33
864411
Хомут 20 специальный
Кол-во
2
?
Узнать цену
864411
Хомут КАМАЗ рамный D=20мм
ПАО КАМАЗ
под заказ
101 ₽
В корзину
35
45104998010190
Хомут ТОRRО 16-27/12-С7W1
Кол-во
6
?
Оставить заявку
37
2108-1311065-01
Пробка расширительного бачка
Кол-во
1
?
Оставить заявку
Нужна помощь в подборе запчастей?
Напишите нам и оставьте ваши контактные данные. Мы перезвоним вам в течение 30 минут или раньше!
Кратвольд Елена
Менеджер по продажам
7 (3513) 289-777
koleso787@bk.ru
Вы должны включить JavaScript чтобы использовать эту форму.
Ваш вопрос
Email
Телефон
Отправляя форму вы подтверждаете согласие с
политикой обработки персональных данных
.
Отправить
Оставьте это поле пустым