Каталог запчастей
Запчасти Камаз
Запчасти Урал
Спецпредложения
О компании
Контакты
7 (3513) 289-777
Отправить готовую заявку
Группа компаний A-GROUP
Каталог
Запчасти УРАЛ
Запчасти КАМАЗ
Двигатель
Система питания
Система выпуска газов
Система охлаждения
Механизмы управления
Рулевое управление
Тормозная система
Кабина и кузов
Кабина
Оперение кабины
Платформа и кузов
Трансмиссия
Коробка передач
Коробка раздаточная
Сцепление
Карданная передача
Мосты
Ходовая часть
Колеса и ступицы
Ось передняя
Подвеска
Рама
Электрооборудование
Приборы
Специальное оборудование
Устройство седельно-сцепное
Лебедка
Газовое оборудование
Прочие запчасти
Инструмент и принадлежности
Рукава и РТИ
Крепеж
Подшипники
Запчасти двигателя
Система выпуска газов
Система охлаждения
Система питания
Кабина и оперение
Передок кабины
Оперение кабины
Боковина кабины
Двери кабины
Задок кабины
Основание кабины
Крыша кабины
Сиденья кабины
Вентиляция и отопление кабины
Трансмиссия
Коробка передач
Раздаточная коробка
Карданный вал
Сцепление
Передний мост
Средний мост
Задний мост
Ходовая часть
Рама
Подвеска балансирная
Колеса и ступицы
Механизмы управления
Рулевое управление
Тормозная система
Платформа
Электрооборудование
Приборы
Оборудование и инструменты
Коробка отбора мощности
Лебедка
Устройство седельно-сцепное
Инструменты
Поиск
Графические каталоги
0
Группа компаний A-GROUP
Поиск
0
+7 (3513) 289-777
Обратный звонок
Отправить готовую заявку
Группа компаний A-GROUP
0
Меню
Поиск
Каталог запчастей
Запчасти Камаз
Запчасти Урал
Спецпредложения
О компании
Контакты
Главная
Графические каталоги
КамАЗ
КамАЗ-6522
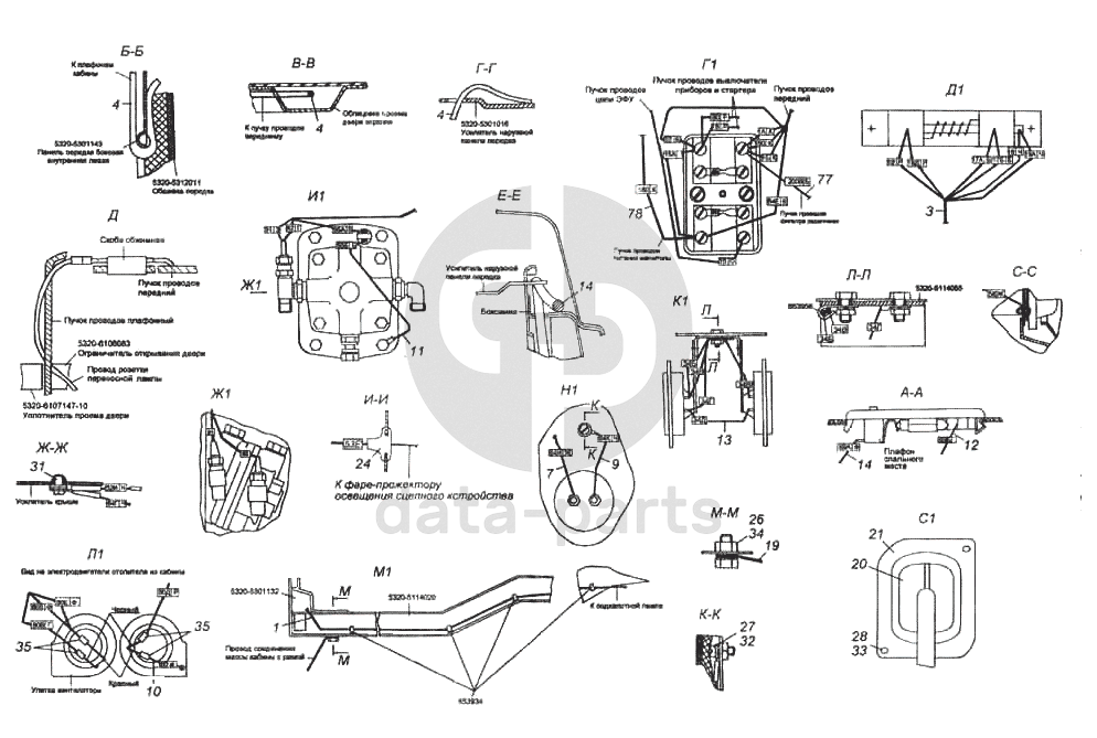
Установка проводов на кабине
1
3
4
4
4
7
9
10
11
19
20
21
26
27
28
31
32
33
34
35
35
100
%
1
6520-3724010
Пучок проводов передний
Кол-во
1
?
Узнать цену
6520-3724010
Жгут проводов передний
ПАО КАМАЗ
под заказ
30 106.23 ₽
В корзину
2
53205-3724023
Пучок проводов включения обогрева зеркал
Кол-во
1
?
Оставить заявку
3
6520-3724012-10
Пучок проводов цепи ЭФУ
Кол-во
1
?
Узнать цену
6520-3724012-10
Жгут проводов цепи электрофакельного устройства
ПАО КАМАЗ
под заказ
1 975.45 ₽
В корзину
4
55111-3724038-10
Пучок проводов плафонный в сборе
Кол-во
1
?
Оставить заявку
5
53205-3724040
Пучок проводов обогрева зеркал
Кол-во
2
?
Оставить заявку
6
53215-3724086-55
Пучок проводов бокового повторителя указателя поворотов в сборе
Кол-во
2
?
Узнать цену
53215-3724086-55
Пучок проводов
ПАО КАМАЗ
под заказ
1 033.65 ₽
В корзину
7
53205-3724087
Провод розетки переносной лампы в сборе
Кол-во
1
?
Оставить заявку
8
54112-3724124-01
Провод прожектора освещения сцепки
Кол-во
0
?
Узнать цену
54112-3724124-01
Провод прожектора
ПАО КАМАЗ
под заказ
808.79 ₽
В корзину
9
5320-3724200
Провод массы розетки переносной лампы
Кол-во
1
?
Узнать цену
5320-3724200
Провод массы розетки
ПАО КАМАЗ
под заказ
125.27 ₽
В корзину
10
5320-3724204
Провод «массы» электродвигателя отопителя
Кол-во
1
?
Узнать цену
5320-3724204
Провод массы плафона
ПАО КАМАЗ
под заказ
105.53 ₽
В корзину
11
53205-3724210
Провод массы в сборе
Кол-во
1
?
Узнать цену
53205-3724210
Провод массы
ПАО КАМАЗ
под заказ
123.87 ₽
В корзину
15
53215-3724027
Пучок проводов указателя уровня топлива
Кол-во
1
?
Оставить заявку
16
43101-3724040
Пучок проводов манометра
Кол-во
2
?
Оставить заявку
17
6520-3724013-10
Пучок проводов управления самосвалом
Кол-во
1
?
Узнать цену
6520-3724013-10
Жгут проводов управления
ПАО КАМАЗ
под заказ
6 156.80 ₽
В корзину
18
53215-3724019-10
Пучок проводов стеклоочистителя
Кол-во
1
?
Узнать цену
53215-3724019-10
Жгут проводов стеклоочистителя
ПАО КАМАЗ
под заказ
2 815.89 ₽
В корзину
19
5320-3724100-99
Провод "массы" кабина - рама
Кол-во
1
?
Узнать цену
5320-3724100-99
Провод соединения
ПАО КАМАЗ
под заказ
515.31 ₽
В корзину
20
5320-3724014
Втулка проходная переднего пучка проводов
Кол-во
2
?
Оставить заявку
21
5320-3724015
Рамка разрезной втулки
Кол-во
2
?
Узнать цену
5320-3724015
Рамка разрезной втулки
ПАО КАМАЗ
под заказ
48.08 ₽
В корзину
22
5320-3724119
Прокладка защитная пучка проводов
Кол-во
8
?
Узнать цену
5320-3724119
Прокладка КАМАЗ защитная проводов
ПАО КАМАЗ
под заказ
135.03 ₽
В корзину
23
Лента спиральная ЛС 12 Х 9 Х 11
Лента спиральная ЛС 12 Х 9 Х 11
Кол-во
2
?
Оставить заявку
26
1/60436/21
Болт М8-6gх25
Кол-во
1
?
Оставить заявку
27
1/03894/01
Винт М5-6gх12
Кол-во
1
?
Оставить заявку
28
1/03765/01
Винт М6-6gх12
Кол-во
4
?
Оставить заявку
29
1/03766/01
Винт М6-6gх14
Кол-во
2
?
Оставить заявку
30
1/32764/01
Винт М6-6gх20
Кол-во
2
?
Оставить заявку
31
1/76710/01
Винт самонарезающий типа АВ №10х9.5
Кол-во
2
?
Оставить заявку
32
1/11954/77
Шайба 5 пружинная
Кол-во
1
?
Оставить заявку
33
1/05164/77
Шайба 6 пружинная
Кол-во
4
?
Оставить заявку
34
1/06156/73
Шайба 8 зубчатая
Кол-во
2
?
Оставить заявку
35
1/02499/80
Трубка изоляционная
Кол-во
4
?
Оставить заявку
36
1/04204/01
Хомут
Кол-во
2
?
Узнать цену
1/04204/01
Заглушка
ПАО КАМАЗ
под заказ
39.21 ₽
В корзину
37
864619
Скоба закрытая
Кол-во
2
?
Узнать цену
864619
Скоба
ПАО КАМАЗ
под заказ
45.94 ₽
В корзину
38
853936
Штуцер проходной
Кол-во
10
?
Узнать цену
853936
Скоба КАМАЗ крепления проводов
ПАО КАМАЗ
под заказ
26.40 ₽
В корзину
39
1/60434/21
Болт М8-6gх20
Кол-во
2
?
Оставить заявку
40
1/61008/11
Гайка М8х1,25-6Н
Кол-во
2
?
Оставить заявку
41
1/05166/77
Шайба 8 пружинная
Кол-во
2
?
Оставить заявку
44
4573731325
Предохранитель плавкий ПР119-01 ТУ 37.003.731-76
Кол-во
1
?
Оставить заявку
45
4573746548
Прерыватель контрольной лампы ручного тормоза РС493
Кол-во
1
?
Оставить заявку
46
3403.3747
Диод с защитным корпусом
Кол-во
4
?
Оставить заявку
51
БЗС-2,321.3722
Блок защиты бортовой сети автомобиля БЗС-2,321.3722
Кол-во
2
?
Оставить заявку
61
53215-3724015-85
Пучок проводов корректора фар
Кол-во
1
?
Оставить заявку
62
65115-3724016-04
Пучок проводов управления остановом двигателя
Кол-во
1
?
Оставить заявку
63
43114-3724025
Пучок проводов управления КОМ
Кол-во
0
?
Узнать цену
43114-3724025
Жгут
ПАО КАМАЗ
под заказ
1 037.81 ₽
В корзину
64
6522-3724026
Жгут проводов управления МКД
Кол-во
1
?
Оставить заявку
68
65111-3724014-15
Пучок проводов выключателя приборов и стартера
Кол-во
1
?
Узнать цену
65111-3724014-15
Проводка КАМАЗ жгут проводов выключения стартера и приборов
ПАО КАМАЗ
под заказ
6 869.39 ₽
В корзину
70
6520-3724018
Пучок проводов тахографа
Кол-во
1
?
Оставить заявку
71
6520-3724088-13
Пучок проводов габаритных огней
Кол-во
0
?
Оставить заявку
71
6460-3724088-06
Пучок проводов габаритных огней
Кол-во
2
?
Оставить заявку
84
2108-3401228
Хомут
Кол-во
0
?
Оставить заявку
Нужна помощь в подборе запчастей?
Напишите нам и оставьте ваши контактные данные. Мы перезвоним вам в течение 30 минут или раньше!
Кратвольд Елена
Менеджер по продажам
7 (3513) 289-777
koleso787@bk.ru
Вы должны включить JavaScript чтобы использовать эту форму.
Ваш вопрос
Email
Телефон
Отправляя форму вы подтверждаете согласие с
политикой обработки персональных данных
.
Отправить
Оставьте это поле пустым