Каталог запчастей
Запчасти Камаз
Запчасти Урал
Спецпредложения
О компании
Контакты
+7 (3513) 289-777
Отправить готовую заявку
Группа компаний A-GROUP
Каталог
Запчасти УРАЛ
Запчасти КАМАЗ
Двигатель
Система питания
Система выпуска газов
Система охлаждения
Механизмы управления
Рулевое управление
Тормозная система
Кабина и кузов
Кабина
Оперение кабины
Платформа и кузов
Трансмиссия
Коробка передач
Коробка раздаточная
Сцепление
Карданная передача
Мосты
Ходовая часть
Колеса и ступицы
Ось передняя
Подвеска
Рама
Электрооборудование
Приборы
Специальное оборудование
Устройство седельно-сцепное
Лебедка
Газовое оборудование
Прочие запчасти
Инструмент и принадлежности
Рукава и РТИ
Крепеж
Подшипники
Запчасти двигателя
Система выпуска газов
Система охлаждения
Система питания
Кабина и оперение
Передок кабины
Оперение кабины
Боковина кабины
Двери кабины
Задок кабины
Основание кабины
Крыша кабины
Сиденья кабины
Вентиляция и отопление кабины
Трансмиссия
Коробка передач
Раздаточная коробка
Карданный вал
Сцепление
Передний мост
Средний мост
Задний мост
Ходовая часть
Рама
Подвеска балансирная
Колеса и ступицы
Механизмы управления
Рулевое управление
Тормозная система
Платформа
Электрооборудование
Приборы
Оборудование и инструменты
Коробка отбора мощности
Лебедка
Устройство седельно-сцепное
Инструменты
Поиск
Графические каталоги
0
Группа компаний A-GROUP
Поиск
0
+7 (3513) 289-777
Обратный звонок
Отправить готовую заявку
Группа компаний A-GROUP
0
Меню
Поиск
Каталог запчастей
Запчасти Камаз
Запчасти Урал
Спецпредложения
О компании
Контакты
Главная
Графические каталоги
КамАЗ
КамАЗ-6522
Установка подогревателя 14ТС-10
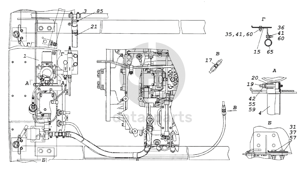
Установка подогревателя 14ТС-10 КамАЗ-6522
1
3
4
15
17
19
20
21
35
36
41
41
42
55
59
60
60
85
100
%
1
6460-8106005-10
Установка подогревателя, электродвигателя с насосом и топливного фильтра
Кол-во
1
?
Оставить заявку
3
53205-8106032
Тройник (сварка)
Кол-во
1
?
Узнать цену
53205-8106032
Тройник
ПАО КАМАЗ
В наличии 1 шт.
620 ₽
В корзину
4
65201-8106053
Труба выпускная
Кол-во
1
?
Узнать цену
65201-8106053
Труба выпускная
ПАО КАМАЗ
под заказ
2 748 ₽
В корзину
5
53215-3506360
Трубопровод
Кол-во
1
?
Оставить заявку
7
5320-1015262-10
Бачок топливный
Кол-во
1
?
Оставить заявку
11
65201-8106810
Трубка подводящая
Кол-во
1
?
Оставить заявку
15
6520-8106092
Кронштейн
Кол-во
1
?
Узнать цену
6520-8106092
Кронштейн
ПАО КАМАЗ
под заказ
213 ₽
В корзину
17
6520-1104018-14
Штуцер
Кол-во
1
?
Оставить заявку
19
53205-8106050
Хомут
Кол-во
1
?
Узнать цену
53205-8106050
Хомут КАМАЗ подогревателя
ПАО КАМАЗ
В наличии 1 шт.
152 ₽
В корзину
20
53205-8106051
Стремянка хомута
Кол-во
1
?
Узнать цену
53205-8106051
Стремянка КАМАЗ
ПАО КАМАЗ
В наличии 1 шт.
80 ₽
В корзину
21
5320-8120149
Оболочка шланга
Кол-во
3
?
Узнать цену
5320-8120149
Оболочка
ПАО КАМАЗ
под заказ
445 ₽
В корзину
23
65201-8106283
Кронштейн
Кол-во
2
?
Узнать цену
65201-8106283
Кронштейн
ПАО КАМАЗ
под заказ
827 ₽
В корзину
35
1/60436/21
Болт М8-6gх25
Кол-во
4
?
Оставить заявку
36
1/60439/21
Болт М8-6gх35
Кол-во
1
?
Оставить заявку
38
1/59707/21
Болт М10х1,25-6gх25
Кол-во
4
?
Оставить заявку
41
1/61008/11
Гайка М8х1,25-6Н
Кол-во
5
?
Оставить заявку
42
1/58962/21
Гайка М6-6Н
Кол-во
2
?
Оставить заявку
45
1/21647/11
Гайка М10х1,25-6Н
Кол-во
4
?
Оставить заявку
55
1/05194/01
Шайба плоская 6х12х1,5
Кол-во
2
?
Оставить заявку
59
1/05164/73
Шайба 6 пружинная
Кол-во
2
?
Оставить заявку
60
1/05166/73
Шайба 8 пружинная
Кол-во
5
?
Оставить заявку
61
1/05168/73
Шайба 10 пружинная
Кол-во
4
?
Оставить заявку
62
864273
Кольцо уплотнительное
Кол-во
2
?
Оставить заявку
63
853890
Хомут специальный
Кол-во
2
?
Узнать цену
853890
Хомут
ПАО КАМАЗ
под заказ
55 ₽
В корзину
65
864452
Хомут 38,5 специальный
Кол-во
1
?
Узнать цену
864452
Хомут
ПАО КАМАЗ
под заказ
73 ₽
В корзину
85
45104-9980108-90
Хомут ТОRRО 20-32/12-С7W1
Кол-во
4
?
Оставить заявку
Нужна помощь в подборе запчастей?
Напишите нам и оставьте ваши контактные данные. Мы перезвоним вам в течение 30 минут или раньше!
Кратвольд Елена
Менеджер по продажам
7 (3513) 289-777
koleso787@bk.ru
Вы должны включить JavaScript чтобы использовать эту форму.
Ваш вопрос
Email
Телефон
Отправляя форму вы подтверждаете согласие с
политикой обработки персональных данных
.
Отправить
Оставьте это поле пустым