Каталог запчастей
Запчасти Камаз
Запчасти Урал
Спецпредложения
О компании
Контакты
+7 (3513) 289-777
Отправить готовую заявку
Группа компаний A-GROUP
Каталог
Запчасти УРАЛ
Запчасти КАМАЗ
Двигатель
Система питания
Система выпуска газов
Система охлаждения
Механизмы управления
Рулевое управление
Тормозная система
Кабина и кузов
Кабина
Оперение кабины
Платформа и кузов
Трансмиссия
Коробка передач
Коробка раздаточная
Сцепление
Карданная передача
Мосты
Ходовая часть
Колеса и ступицы
Ось передняя
Подвеска
Рама
Электрооборудование
Приборы
Специальное оборудование
Устройство седельно-сцепное
Лебедка
Газовое оборудование
Прочие запчасти
Инструмент и принадлежности
Рукава и РТИ
Крепеж
Подшипники
Запчасти двигателя
Система выпуска газов
Система охлаждения
Система питания
Кабина и оперение
Передок кабины
Оперение кабины
Боковина кабины
Двери кабины
Задок кабины
Основание кабины
Крыша кабины
Сиденья кабины
Вентиляция и отопление кабины
Трансмиссия
Коробка передач
Раздаточная коробка
Карданный вал
Сцепление
Передний мост
Средний мост
Задний мост
Ходовая часть
Рама
Подвеска балансирная
Колеса и ступицы
Механизмы управления
Рулевое управление
Тормозная система
Платформа
Электрооборудование
Приборы
Оборудование и инструменты
Коробка отбора мощности
Лебедка
Устройство седельно-сцепное
Инструменты
Поиск
Графические каталоги
0
Группа компаний A-GROUP
Поиск
0
+7 (3513) 289-777
Обратный звонок
Отправить готовую заявку
Группа компаний A-GROUP
0
Меню
Поиск
Каталог запчастей
Запчасти Камаз
Запчасти Урал
Спецпредложения
О компании
Контакты
Главная
Графические каталоги
КамАЗ
КамАЗ-6520
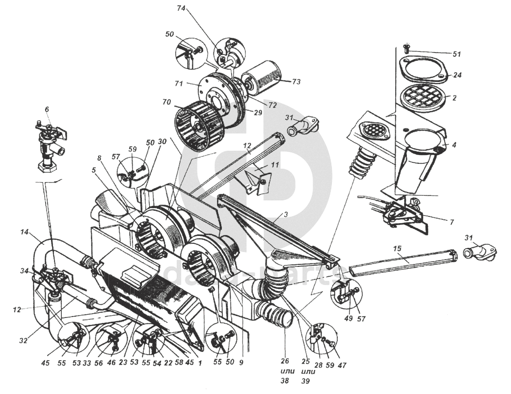
Элементы отопления и вентиляции кабины
Элементы отопления и вентиляции кабины КамАЗ-6520
1
2
3
4
5
6
7
8
9
11
12
12
14
15
22
23
24
25
26
28
29
29
30
31
31
32
33
34
38
39
46
45
45
47
49
50
50
50
51
53
53
54
55
55
55
56
57
57
58
59
70
71
72
73
74
100
%
1
5320-8101060
Радиатор отопителя в сборе
Кол-во
1
?
Оставить заявку
2
5320-8102026-01
Распределитель
Кол-во
2
?
Оставить заявку
3
5320-8102030
Сопло обдува в сборе
Кол-во
2
?
Оставить заявку
4
5320-8102050
Патрубок подводящий в сборе
Кол-во
2
?
Оставить заявку
5
5320-8118069
Колесо рабочее с электродвигателем в сборе
Кол-во
2
?
Узнать цену
5320-8118069
Вентилятор КАМАЗ отопителя с электродвигателем в сборе
ПАО КАМАЗ
В наличии 3 шт.
10 466 ₽
В корзину
6
5320-8105160
Кран отопления в сборе
Кол-во
1
?
Оставить заявку
7
5320-8109020-10
Привод управления отоплением
Кол-во
1
?
Оставить заявку
8
5320-8118026
Улитка с распределителем правая в сборе
Кол-во
1
?
Узнать цену
5320-8118026
Улитка КАМАЗ отопителя с распределителем правая
ПАО КАМАЗ
под заказ
1 560 ₽
В корзину
9
5320-8118027
Улитка с распределителем левая в сборе
Кол-во
1
?
Узнать цену
5320-8118027
Улитка КАМАЗ отопителя с распределителем левая
ПАО КАМАЗ
под заказ
1 560 ₽
В корзину
11
53205-8120030
Кронштейн поддерживающий
Кол-во
1
?
Оставить заявку
12
6460-8106057
Шланг отопителя подводящий в сборе
Кол-во
1
?
Оставить заявку
14
6520-8120111
Рукав 18х27
Кол-во
1
?
Оставить заявку
15
6520-8106066
Рукав
Кол-во
1
?
Оставить заявку
22
5320-8101023
Уплотнитель кожуха
Кол-во
2
?
Оставить заявку
23
5320-8101079
Уплотнитель радиатора
Кол-во
1
?
Оставить заявку
24
5320-8102047
Фланец крепления распределителя
Кол-во
2
?
Оставить заявку
25
5320-8102056-01
Шланг обдува ветрового стекла
Кол-во
2
?
Оставить заявку
26
5320-8102077
Шланг обдува бокового стекла
Кол-во
2
?
Оставить заявку
28
5320-8109365
Прижим троса
Кол-во
2
?
Узнать цену
5320-8109365
Прижим
ПАО КАМАЗ
под заказ
22 ₽
В корзину
29
5320-8118093
Кольцо фланца
Кол-во
2
?
Узнать цену
5320-8118093
Кольцо
ПАО КАМАЗ
под заказ
200 ₽
В корзину
30
5320-8118101-01
Кожух
Кол-во
1
?
Оставить заявку
31
53205-8120019
Патрубок
Кол-во
2
?
Оставить заявку
32
5320-8120143
Шланг отопителя передний
Кол-во
1
?
Оставить заявку
33
5320-8120165
Скоба
Кол-во
2
?
Узнать цену
5320-8120165
Скоба
ПАО КАМАЗ
под заказ
106 ₽
В корзину
34
5320-8120167
Скоба отводящего шланга
Кол-во
1
?
Узнать цену
5320-8120167
Скоба
ПАО КАМАЗ
под заказ
172 ₽
В корзину
38
5320-8102077-01
Шланг обдува бокового стекла
Кол-во
0
?
Оставить заявку
39
5320-8102056
Шланг обдува ветрового стекла
Кол-во
0
?
Оставить заявку
45
1/09022/21
Болт ТЕМ6-6gх16
Кол-во
6
?
Оставить заявку
46
1/60431/21
Болт М8-6gх14
Кол-во
1
?
Оставить заявку
47
853013
Болт М5-6gх10
Кол-во
3
?
Оставить заявку
49
1/03899/01
Винт М6-6gх25
Кол-во
4
?
Оставить заявку
50
1/32740/01
Винт М5-6gх12
Кол-во
16
?
Оставить заявку
51
1/76805/01
Винт самонарезающий типа АВ
Кол-во
4
?
Оставить заявку
53
1/58962/11
Гайка ЕМ6-6Н
Кол-во
6
?
Узнать цену
1/58962/11
Гайка М6Х1 Камаз
ПАО Автодизель (ЯМЗ)
под заказ
15 ₽
В корзину
54
1/04187/01
Закрытая скоба троса
Кол-во
1
?
Узнать цену
1/04187/01
Скоба
ПАО КАМАЗ
под заказ
41 ₽
В корзину
55
1/05164/77
Шайба 6 пружинная
Кол-во
12
?
Оставить заявку
56
1/05166/77
Шайба 8 пружинная
Кол-во
3
?
Оставить заявку
57
1/05193/01
Шайба плоская 5,45х10х1
Кол-во
8
?
Оставить заявку
58
1/05194/01
Шайба плоская 6х12х1,5
Кол-во
8
?
Оставить заявку
59
1/11954/73
Шайба 5 пружинная
Кол-во
6
?
Оставить заявку
70
5320-8118070
Колесо рабочее вентилятора-отопителя в сборе
Кол-во
2
?
Оставить заявку
71
5320-8118092
Фланец крепления электродвигателя в сборе
Кол-во
2
?
Оставить заявку
72
5320-8118085
Прокладка электродвигателя
Кол-во
2
?
Оставить заявку
73
МЭ250-3730000ГЧ
Электродвигатель
Кол-во
2
?
Оставить заявку
74
1/58964/11
Гайка М5-6Н
Кол-во
2
?
Оставить заявку
Нужна помощь в подборе запчастей?
Напишите нам и оставьте ваши контактные данные. Мы перезвоним вам в течение 30 минут или раньше!
Кратвольд Елена
Менеджер по продажам
7 (3513) 289-777
koleso787@bk.ru
Вы должны включить JavaScript чтобы использовать эту форму.
Ваш вопрос
Email
Телефон
Отправляя форму вы подтверждаете согласие с
политикой обработки персональных данных
.
Отправить
Оставьте это поле пустым