Каталог запчастей
Запчасти Камаз
Запчасти Урал
Спецпредложения
О компании
Контакты
7 (3513) 289-777
Отправить готовую заявку
Группа компаний A-GROUP
Каталог
Запчасти УРАЛ
Запчасти КАМАЗ
Двигатель
Система питания
Система выпуска газов
Система охлаждения
Механизмы управления
Рулевое управление
Тормозная система
Кабина и кузов
Кабина
Оперение кабины
Платформа и кузов
Трансмиссия
Коробка передач
Коробка раздаточная
Сцепление
Карданная передача
Мосты
Ходовая часть
Колеса и ступицы
Ось передняя
Подвеска
Рама
Электрооборудование
Приборы
Специальное оборудование
Устройство седельно-сцепное
Лебедка
Газовое оборудование
Прочие запчасти
Инструмент и принадлежности
Рукава и РТИ
Крепеж
Подшипники
Запчасти двигателя
Система выпуска газов
Система охлаждения
Система питания
Кабина и оперение
Передок кабины
Оперение кабины
Боковина кабины
Двери кабины
Задок кабины
Основание кабины
Крыша кабины
Сиденья кабины
Вентиляция и отопление кабины
Трансмиссия
Коробка передач
Раздаточная коробка
Карданный вал
Сцепление
Передний мост
Средний мост
Задний мост
Ходовая часть
Рама
Подвеска балансирная
Колеса и ступицы
Механизмы управления
Рулевое управление
Тормозная система
Платформа
Электрооборудование
Приборы
Оборудование и инструменты
Коробка отбора мощности
Лебедка
Устройство седельно-сцепное
Инструменты
Поиск
Графические каталоги
0
Группа компаний A-GROUP
Поиск
0
+7 (3513) 289-777
Обратный звонок
Отправить готовую заявку
Группа компаний A-GROUP
0
Меню
Поиск
Каталог запчастей
Запчасти Камаз
Запчасти Урал
Спецпредложения
О компании
Контакты
Главная
Графические каталоги
КамАЗ
КамАЗ-65115
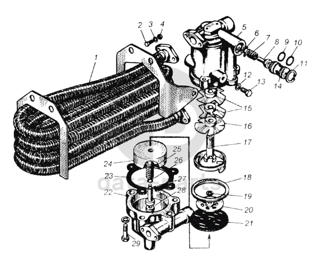
Водоотделитель пневмотормозов тормозной системы
Водоотделитель пневмотормозов тормозной системы КамАЗ-65115
1
2
3
4
5
6
7
8
9
10
11
12
13
14
15
16
17
18
19
20
21
22
23
24
25
26
27
28
29
100
%
1
11.3511050
Охладитель
Кол-во
0
?
Оставить заявку
2
1/59705/21
Болт М10х1,25-6gх20
Кол-во
0
?
Оставить заявку
3
1/05168/77
Шайба 10 пружинная
Кол-во
0
?
Оставить заявку
4
1/21647/11
Гайка М10х1,25-6Н
Кол-во
0
?
Оставить заявку
5
11.3511025
Корпус
Кол-во
0
?
Оставить заявку
6
11.3511086
Тарелка пружины
Кол-во
0
?
Оставить заявку
7
11.3511062
Пружина клапана
Кол-во
0
?
Оставить заявку
8
11.3511082
Клапан в сборе
Кол-во
0
?
Оставить заявку
9
11.3511065
Кольцо уплотнительное
Кол-во
0
?
Оставить заявку
10
11.3511066
Кольцо уплотнительное
Кол-во
0
?
Оставить заявку
11
11.3511089
Кольцо А-22
Кол-во
0
?
Оставить заявку
12
252135
Шайба
Кол-во
0
?
Оставить заявку
13
201241
Болт
Кол-во
0
?
Оставить заявку
14
11.3511088
Поршень
Кол-во
0
?
Оставить заявку
15
11.3511092
Диск направляющий
Кол-во
0
?
Оставить заявку
16
11.3511093
Диск направляющий нижний
Кол-во
0
?
Оставить заявку
17
11.3511091
Винт пустотелый
Кол-во
0
?
Оставить заявку
18
11-3511042
Кольцо упорное
Кол-во
0
?
Оставить заявку
19
11-3511095
Шайба
Кол-во
0
?
Оставить заявку
20
11-3511098
Диск мембранный
Кол-во
0
?
Оставить заявку
21
11.3511096
Мембрана
Кол-во
0
?
Оставить заявку
22
11.3511070
Крышка
Кол-во
0
?
Оставить заявку
23
11.3511075
Уплотнение
Кол-во
0
?
Оставить заявку
24
11.3511094
Поршень
Кол-во
0
?
Оставить заявку
25
11.3511064
Пружина золотника
Кол-во
0
?
Оставить заявку
26
11.3511078
Кольцо уплотнительное
Кол-во
0
?
Оставить заявку
27
11.3511034
Золотник клапана
Кол-во
0
?
Оставить заявку
28
11.3511036
Диск уплотняющий
Кол-во
0
?
Оставить заявку
29
201253
Болт
Кол-во
0
?
Оставить заявку
Нужна помощь в подборе запчастей?
Напишите нам и оставьте ваши контактные данные. Мы перезвоним вам в течение 30 минут или раньше!
Кратвольд Елена
Менеджер по продажам
7 (3513) 289-777
koleso787@bk.ru
Вы должны включить JavaScript чтобы использовать эту форму.
Ваш вопрос
Email
Телефон
Отправляя форму вы подтверждаете согласие с
политикой обработки персональных данных
.
Отправить
Оставьте это поле пустым