Каталог запчастей
Запчасти Камаз
Запчасти Урал
Спецпредложения
О компании
Контакты
+7 (3513) 289-777
Отправить готовую заявку
Группа компаний A-GROUP
Каталог
Запчасти УРАЛ
Запчасти КАМАЗ
Двигатель
Система питания
Система выпуска газов
Система охлаждения
Механизмы управления
Рулевое управление
Тормозная система
Кабина и кузов
Кабина
Оперение кабины
Платформа и кузов
Трансмиссия
Коробка передач
Коробка раздаточная
Сцепление
Карданная передача
Мосты
Ходовая часть
Колеса и ступицы
Ось передняя
Подвеска
Рама
Электрооборудование
Приборы
Специальное оборудование
Устройство седельно-сцепное
Лебедка
Газовое оборудование
Прочие запчасти
Инструмент и принадлежности
Рукава и РТИ
Крепеж
Подшипники
Запчасти двигателя
Система выпуска газов
Система охлаждения
Система питания
Кабина и оперение
Передок кабины
Оперение кабины
Боковина кабины
Двери кабины
Задок кабины
Основание кабины
Крыша кабины
Сиденья кабины
Вентиляция и отопление кабины
Трансмиссия
Коробка передач
Раздаточная коробка
Карданный вал
Сцепление
Передний мост
Средний мост
Задний мост
Ходовая часть
Рама
Подвеска балансирная
Колеса и ступицы
Механизмы управления
Рулевое управление
Тормозная система
Платформа
Электрооборудование
Приборы
Оборудование и инструменты
Коробка отбора мощности
Лебедка
Устройство седельно-сцепное
Инструменты
Поиск
Графические каталоги
0
Группа компаний A-GROUP
Поиск
0
+7 (3513) 289-777
Обратный звонок
Отправить готовую заявку
Группа компаний A-GROUP
0
Меню
Поиск
Каталог запчастей
Запчасти Камаз
Запчасти Урал
Спецпредложения
О компании
Контакты
Главная
Графические каталоги
КамАЗ
КамАЗ-6450 8х8
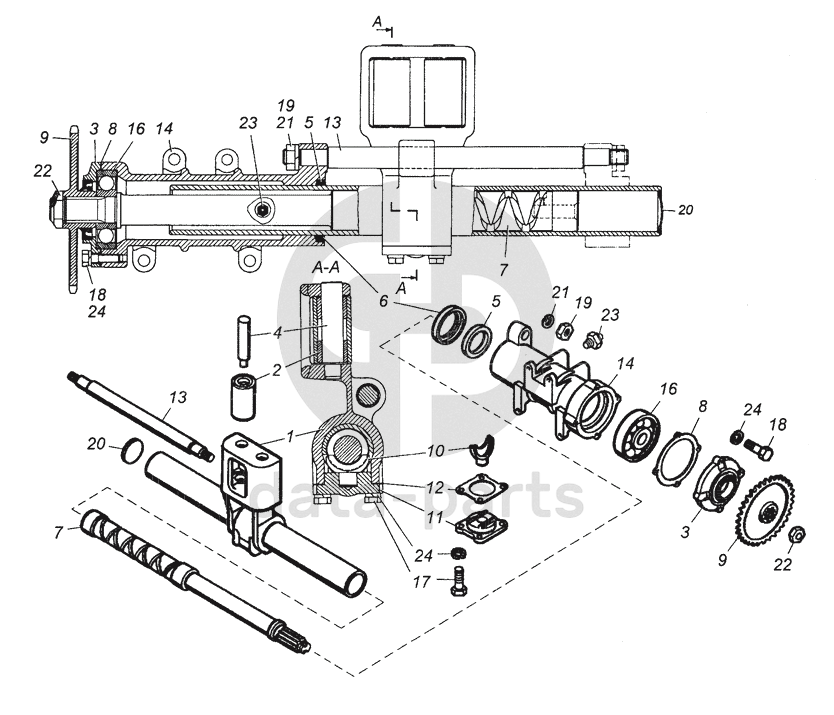
4310-4511010 Тросоукладчик лебедки в сборе
4310-4511010 Тросоукладчик лебедки в сборе КамАЗ-6450 8х8
1
2
3
3
4
5
5
6
7
7
8
8
9
9
10
11
12
13
13
14
14
16
16
17
18
18
19
19
20
20
21
21
22
22
23
23
24
24
24
100
%
1
4310-4511012
Корпус в сборе
Кол-во
1
?
Оставить заявку
2
4310-4511030
Ролик в сборе
Кол-во
1
?
Оставить заявку
3
4310-4511054
Крышка в сборе
Кол-во
1
?
Оставить заявку
4
4310-4511027
Ось ролика
Кол-во
2
?
Оставить заявку
5
4310-4511047
Кольцо
Кол-во
1
?
Оставить заявку
6
4310-4511049
Обойма
Кол-во
1
?
Оставить заявку
7
4310-4511051-10
Винт ходовой
Кол-во
1
?
Оставить заявку
8
4310-4511057
Прокладка
Кол-во
1
?
Оставить заявку
9
4310-4511095
Звездочка
Кол-во
1
?
Оставить заявку
10
4310-4511105-10
Сухарь тросоукладчика
Кол-во
1
?
Оставить заявку
11
4310-4511115
Крышка
Кол-во
1
?
Оставить заявку
12
4310-4511119
Прокладка
Кол-во
1
?
Оставить заявку
13
4310-4511121
Направляющая корпуса
Кол-во
1
?
Оставить заявку
14
4310-4511145
Корпус
Кол-во
1
?
Оставить заявку
16
406
Подшипник
Кол-во
1
?
Оставить заявку
17
1/59707/21
Болт М10х1,25-6gх25
Кол-во
4
?
Оставить заявку
18
1/59709/21
Болт М10х1,25-6gх35
Кол-во
4
?
Оставить заявку
19
2108-3414112
Контргайка тяги рулевой трапеции
Кол-во
1
?
Оставить заявку
20
1/01603/00
Заглушка
Кол-во
1
?
Оставить заявку
21
1/05173/77
Шайба пружинная
Кол-во
1
?
Оставить заявку
22
853507
Гайка
Кол-во
1
?
Оставить заявку
23
864006
Масленка 1.3.Ц6хр.ГОСТ 19853-74
Кол-во
1
?
Оставить заявку
24
1/05168/77
Шайба 10 пружинная
Кол-во
8
?
Оставить заявку
Нужна помощь в подборе запчастей?
Напишите нам и оставьте ваши контактные данные. Мы перезвоним вам в течение 30 минут или раньше!
Кратвольд Елена
Менеджер по продажам
7 (3513) 289-777
koleso787@bk.ru
Вы должны включить JavaScript чтобы использовать эту форму.
Ваш вопрос
Email
Телефон
Отправляя форму вы подтверждаете согласие с
политикой обработки персональных данных
.
Отправить
Оставьте это поле пустым