Каталог запчастей
Запчасти Камаз
Запчасти Урал
Спецпредложения
О компании
Контакты
+7 (3513) 289-777
Отправить готовую заявку
Группа компаний A-GROUP
Каталог
Запчасти УРАЛ
Запчасти КАМАЗ
Двигатель
Система питания
Система выпуска газов
Система охлаждения
Механизмы управления
Рулевое управление
Тормозная система
Кабина и кузов
Кабина
Оперение кабины
Платформа и кузов
Трансмиссия
Коробка передач
Коробка раздаточная
Сцепление
Карданная передача
Мосты
Ходовая часть
Колеса и ступицы
Ось передняя
Подвеска
Рама
Электрооборудование
Приборы
Специальное оборудование
Устройство седельно-сцепное
Лебедка
Газовое оборудование
Прочие запчасти
Инструмент и принадлежности
Рукава и РТИ
Крепеж
Подшипники
Запчасти двигателя
Система выпуска газов
Система охлаждения
Система питания
Кабина и оперение
Передок кабины
Оперение кабины
Боковина кабины
Двери кабины
Задок кабины
Основание кабины
Крыша кабины
Сиденья кабины
Вентиляция и отопление кабины
Трансмиссия
Коробка передач
Раздаточная коробка
Карданный вал
Сцепление
Передний мост
Средний мост
Задний мост
Ходовая часть
Рама
Подвеска балансирная
Колеса и ступицы
Механизмы управления
Рулевое управление
Тормозная система
Платформа
Электрооборудование
Приборы
Оборудование и инструменты
Коробка отбора мощности
Лебедка
Устройство седельно-сцепное
Инструменты
Поиск
Графические каталоги
0
Группа компаний A-GROUP
Поиск
0
+7 (3513) 289-777
Обратный звонок
Отправить готовую заявку
Группа компаний A-GROUP
0
Меню
Поиск
Каталог запчастей
Запчасти Камаз
Запчасти Урал
Спецпредложения
О компании
Контакты
Главная
Графические каталоги
КамАЗ
КамАЗ-6450 8х8
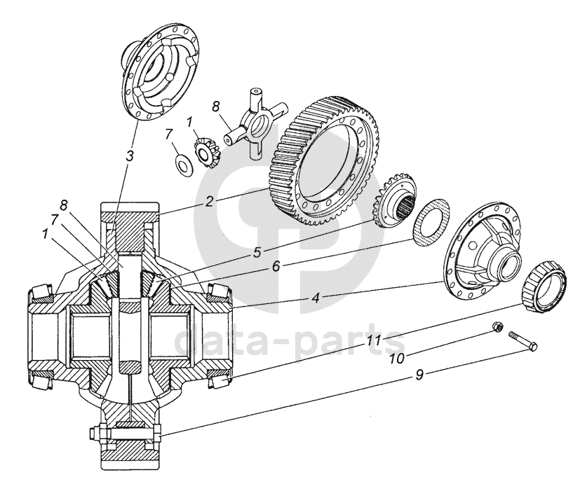
6350-2323010-10 Дифференциал переднего второго моста
6350-2323010-10 Дифференциал переднего второго моста КамАЗ-6450 8х8
6350-2323010-10
6350-2323010-20
6350-2323010-30
6350-2323010-40
1
1
2
2
2
2
3
4
5
6
7
7
8
8
9
10
11
100
%
1
53212-2403054
Сателлит дифференциала
Кол-во
4
?
Оставить заявку
2
5320-2402120-10
Шестерня ведомая цилиндрическая заднего моста
Кол-во
1
?
Узнать цену
5320-2402120-10
Шестерня КАМАЗ ведомая цилиндрическая 49 зубьев
ПАО КАМАЗ
под заказ
10 920 ₽
В корзину
2
5320-2402120-30
Шестерня ведомая цилиндрическая
Кол-во
1
?
Узнать цену
5320-2402120-30
Шестерня КАМАЗ ведомая цилиндрическая 48 зубьев
ПАО КАМАЗ
В наличии 5 шт.
8 728 ₽
В корзину
2
5320-2402120-40
Шестерня ведомая цилиндрическая
Кол-во
1
?
Узнать цену
5320-2402120-40
Шестерня КАМАЗ ведомая цилиндрическая 47 зубьев
ПАО КАМАЗ
В наличии 7 шт.
9 960 ₽
В корзину
2
5320-2402120-20
Шестерня ведомая цилиндрическая
Кол-во
1
?
Узнать цену
5320-2402120-20
Шестерня КАМАЗ ведомая цилиндрическая 50 зубьев
ПАО КАМАЗ
В наличии 3 шт.
9 443 ₽
В корзину
3
6350-2323018
Чашка дифференциала правая
Кол-во
1
?
Оставить заявку
4
4310-2303019
Чашка дифференциала левая
Кол-во
1
?
Оставить заявку
5
53205-2403050
Шестерня полуоси
Кол-во
2
?
Узнать цену
53205-2403050
Шестерня КАМАЗ-ЕВРО полуоси
ПАО КАМАЗ
В наличии 53 шт.
3 121 ₽
В корзину
6
5320-2403051
Шайба опорная
Кол-во
2
?
Узнать цену
5320-2403051
Шайба КАМАЗ ЗИЛ опорная шестерни полуоси
ПАО КАМАЗ
В наличии 62 шт.
227 ₽
В корзину
7
5320-2403058
Шайба опорная
Кол-во
4
?
Узнать цену
5320-2403058
Шайба КАМАЗ сателлита межколесного дифференциала
ПАО КАМАЗ
В наличии 138 шт.
70 ₽
В корзину
8
5320-2403060
Крестовина дифференциала заднего моста
Кол-во
1
?
Оставить заявку
9
1/59777/31
Болт М14х1,5-6gх75
Кол-во
16
?
Оставить заявку
10
251648
Гайка М14х1,5-6Н ОСТ 37.001.197-75
Кол-во
16
?
Оставить заявку
11
45104953080602
Кольцо внутреннее с сепаратором и роликами подшипника 7216 А
Кол-во
0
?
Оставить заявку
None
6350-2323010-40
Дифференциал переднего моста
Кол-во
0
?
Оставить заявку
None
6350-2323010-30
Дифференциал переднего моста
Кол-во
0
?
Оставить заявку
None
6350-2323010-20
Дифференциал переднего моста
Кол-во
0
?
Оставить заявку
None
6350-2323010-10
Дифференциал переднего моста
Кол-во
0
?
Оставить заявку
Нужна помощь в подборе запчастей?
Напишите нам и оставьте ваши контактные данные. Мы перезвоним вам в течение 30 минут или раньше!
Кратвольд Елена
Менеджер по продажам
7 (3513) 289-777
koleso787@bk.ru
Вы должны включить JavaScript чтобы использовать эту форму.
Ваш вопрос
Email
Телефон
Отправляя форму вы подтверждаете согласие с
политикой обработки персональных данных
.
Отправить
Оставьте это поле пустым