Каталог запчастей
Запчасти Камаз
Запчасти Урал
Спецпредложения
О компании
Контакты
+7 (3513) 289-777
Отправить готовую заявку
Группа компаний A-GROUP
Каталог
Запчасти УРАЛ
Запчасти КАМАЗ
Двигатель
Система питания
Система выпуска газов
Система охлаждения
Механизмы управления
Рулевое управление
Тормозная система
Кабина и кузов
Кабина
Оперение кабины
Платформа и кузов
Трансмиссия
Коробка передач
Коробка раздаточная
Сцепление
Карданная передача
Мосты
Ходовая часть
Колеса и ступицы
Ось передняя
Подвеска
Рама
Электрооборудование
Приборы
Специальное оборудование
Устройство седельно-сцепное
Лебедка
Газовое оборудование
Прочие запчасти
Инструмент и принадлежности
Рукава и РТИ
Крепеж
Подшипники
Запчасти двигателя
Система выпуска газов
Система охлаждения
Система питания
Кабина и оперение
Передок кабины
Оперение кабины
Боковина кабины
Двери кабины
Задок кабины
Основание кабины
Крыша кабины
Сиденья кабины
Вентиляция и отопление кабины
Трансмиссия
Коробка передач
Раздаточная коробка
Карданный вал
Сцепление
Передний мост
Средний мост
Задний мост
Ходовая часть
Рама
Подвеска балансирная
Колеса и ступицы
Механизмы управления
Рулевое управление
Тормозная система
Платформа
Электрооборудование
Приборы
Оборудование и инструменты
Коробка отбора мощности
Лебедка
Устройство седельно-сцепное
Инструменты
Поиск
Графические каталоги
0
Группа компаний A-GROUP
Поиск
0
+7 (3513) 289-777
Обратный звонок
Отправить готовую заявку
Группа компаний A-GROUP
0
Меню
Поиск
Каталог запчастей
Запчасти Камаз
Запчасти Урал
Спецпредложения
О компании
Контакты
Главная
Графические каталоги
КамАЗ
КамАЗ-6450 8х8
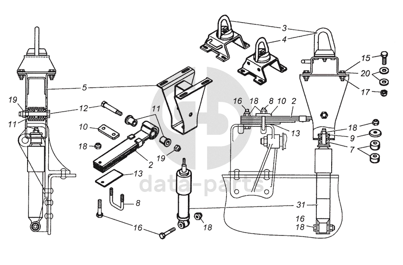
43114-5001006-20 Установка задней подвески кабины
43114-5001006-20 Установка задней подвески кабины КамАЗ-6450 8х8
2
2
3
4
5
7
8
8
9
10
10
11
11
12
13
13
15
16
16
16
17
18
18
18
18
18
19
19
20
31
100
%
2
5320-5001080
Рессора в сборе
Кол-во
2
?
Оставить заявку
3
5320-5018060
Кронштейн запора кабины правый в сборе
Кол-во
1
?
Узнать цену
5320-5018060
Кронштейн КАМАЗ запора кабины правый в сборе
ПАО КАМАЗ
В наличии 2 шт.
1 074 ₽
В корзину
4
5320-5018061
Кронштейн запора кабины левый в сборе
Кол-во
1
?
Узнать цену
5320-5018061
Кронштейн КАМАЗ запора кабины левый в сборе
ПАО КАМАЗ
В наличии 5 шт.
1 014 ₽
В корзину
5
43114-5001100
Обойма рессоры
Кол-во
2
?
Узнать цену
43114-5001100
Обойма КАМАЗ рессоры кабины в сборе
ПАО КАМАЗ
под заказ
2 483 ₽
В корзину
7
5320-1302037
Подушка крепления радиатора
Кол-во
4
?
Оставить заявку
8
5320-5001058
Стремянка
Кол-во
2
?
Узнать цену
5320-5001058
Стремянка КАМАЗ рессоры кабины
ПАО КАМАЗ
В наличии 19 шт.
128 ₽
В корзину
9
5320-5001079
Шайба опорная
Кол-во
2
?
Узнать цену
5320-5001079
Шайба
ПАО КАМАЗ
под заказ
46 ₽
В корзину
10
53205-5001097
Прокладка рессоры
Кол-во
2
?
Узнать цену
53205-5001097
Прокладка
ПАО КАМАЗ
под заказ
216 ₽
В корзину
11
5320-5001099
Втулка рессоры
Кол-во
4
?
Оставить заявку
12
5320-5001103
Ось ушка рессоры
Кол-во
2
?
Оставить заявку
13
4310-5001105
Прокладка листа рессоры №5
Кол-во
2
?
Узнать цену
4310-5001105
Прокладка
ПАО КАМАЗ
под заказ
149 ₽
В корзину
15
1/60436/21
Болт М8-6gх25
Кол-во
8
?
Оставить заявку
16
1/58887/21
Болт М10х1,25-6gх55
Кол-во
4
?
Оставить заявку
17
251645
Гайка М8-6Н ОСТ 37.001.197-75
Кол-во
8
?
Оставить заявку
18
251646
Гайка М10х1,25-6Н ОСТ 37.001.197-75
Кол-во
10
?
Оставить заявку
19
251647
Гайка М12х1,25-6Н ОСТ 37.001.197-97
Кол-во
2
?
Оставить заявку
20
1/26467/01
Шайба плоская 8х20
Кол-во
16
?
Оставить заявку
31
75.0.0.0.0.000
Амортизатор в сб.
Кол-во
2
?
Оставить заявку
Нужна помощь в подборе запчастей?
Напишите нам и оставьте ваши контактные данные. Мы перезвоним вам в течение 30 минут или раньше!
Кратвольд Елена
Менеджер по продажам
7 (3513) 289-777
koleso787@bk.ru
Вы должны включить JavaScript чтобы использовать эту форму.
Ваш вопрос
Email
Телефон
Отправляя форму вы подтверждаете согласие с
политикой обработки персональных данных
.
Отправить
Оставьте это поле пустым