Каталог запчастей
Запчасти Камаз
Запчасти Урал
Спецпредложения
О компании
Контакты
7 (3513) 289-777
Отправить готовую заявку
Группа компаний A-GROUP
Каталог
Запчасти УРАЛ
Запчасти КАМАЗ
Двигатель
Система питания
Система выпуска газов
Система охлаждения
Механизмы управления
Рулевое управление
Тормозная система
Кабина и кузов
Кабина
Оперение кабины
Платформа и кузов
Трансмиссия
Коробка передач
Коробка раздаточная
Сцепление
Карданная передача
Мосты
Ходовая часть
Колеса и ступицы
Ось передняя
Подвеска
Рама
Электрооборудование
Приборы
Специальное оборудование
Устройство седельно-сцепное
Лебедка
Газовое оборудование
Прочие запчасти
Инструмент и принадлежности
Рукава и РТИ
Крепеж
Подшипники
Запчасти двигателя
Система выпуска газов
Система охлаждения
Система питания
Кабина и оперение
Передок кабины
Оперение кабины
Боковина кабины
Двери кабины
Задок кабины
Основание кабины
Крыша кабины
Сиденья кабины
Вентиляция и отопление кабины
Трансмиссия
Коробка передач
Раздаточная коробка
Карданный вал
Сцепление
Передний мост
Средний мост
Задний мост
Ходовая часть
Рама
Подвеска балансирная
Колеса и ступицы
Механизмы управления
Рулевое управление
Тормозная система
Платформа
Электрооборудование
Приборы
Оборудование и инструменты
Коробка отбора мощности
Лебедка
Устройство седельно-сцепное
Инструменты
Поиск
Графические каталоги
0
Группа компаний A-GROUP
Поиск
0
+7 (3513) 289-777
Обратный звонок
Отправить готовую заявку
Группа компаний A-GROUP
0
Меню
Поиск
Каталог запчастей
Запчасти Камаз
Запчасти Урал
Спецпредложения
О компании
Контакты
Главная
Графические каталоги
КамАЗ
КамАЗ-6350 (8х8)
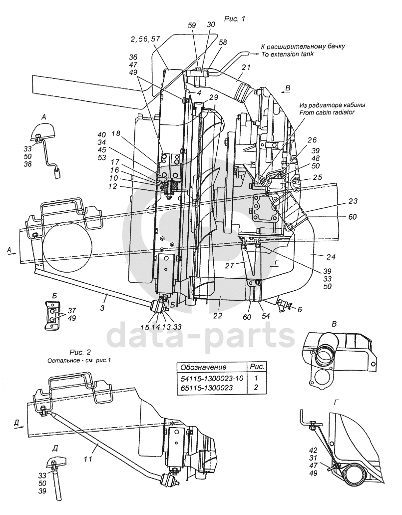
54115-1300023-10 Установка радиатора
54115-1300023-10
65115-1300023
2
3
4
6
10
11
12
13
14
15
16
17
18
21
22
23
24
25
26
27
29
30
31
33
33
33
33
34
36
37
38
39
39
39
40
42
45
47
47
48
49
49
49
50
50
50
50
53
54
56
57
58
59
60
60
100
%
1
54115-1300023-10
Установка радиатора
Кол-во
0
?
Оставить заявку
2
65115-1300023
Установка радиатора
Кол-во
0
?
Оставить заявку
2
54115-1301010-10
Радиатор в сборе
Кол-во
0
?
Оставить заявку
2
54115-1301010-10
Радиатор в сборе
Кол-во
1
?
Оставить заявку
3
54115-1302034
Тяга крепления радиатора
Кол-во
1
?
Узнать цену
54115-1302034
Тяга
ПАО КАМАЗ
под заказ
1 570.79 ₽
В корзину
3
54115-1302034
Тяга крепления радиатора
Кол-во
0
?
Узнать цену
54115-1302034
Тяга
ПАО КАМАЗ
под заказ
1 570.79 ₽
В корзину
4
54115-1309010-20
Кожух вентилятора
Кол-во
0
?
Оставить заявку
4
54115-1309010-20
Кожух вентилятора
Кол-во
1
?
Оставить заявку
6
5320-8105010-01
Кран сливной в сборе
Кол-во
0
?
Узнать цену
5320-8105010-01
Кран КАМАЗ радиатора сливной
ПАО КАМАЗ
В наличии 3 шт.
725.97 ₽
В корзину
6
5320-8105010-01
Кран сливной в сборе
Кол-во
1
?
Узнать цену
5320-8105010-01
Кран КАМАЗ радиатора сливной
ПАО КАМАЗ
В наличии 3 шт.
725.97 ₽
В корзину
10
5320-1302031
Втулка распорная
Кол-во
0
?
Узнать цену
5320-1302031
Втулка
ПАО КАМАЗ
под заказ
67.19 ₽
В корзину
10
5320-1302031
Втулка распорная
Кол-во
2
?
Узнать цену
5320-1302031
Втулка
ПАО КАМАЗ
под заказ
67.19 ₽
В корзину
11
65115-1302034
Тяга крепления радиатора
Кол-во
1
?
Узнать цену
65115-1302034
Тяга крепления радиатора
ПАО КАМАЗ
под заказ
3 507.36 ₽
В корзину
11
65115-1302034
Тяга крепления радиатора
Кол-во
0
?
Узнать цену
65115-1302034
Тяга крепления радиатора
ПАО КАМАЗ
под заказ
3 507.36 ₽
В корзину
12
5320-1302037
Подушка крепления радиатора
Кол-во
0
?
Оставить заявку
12
5320-1302037
Подушка крепления радиатора
Кол-во
2
?
Оставить заявку
13
5320-1302038
Чашка буфера тяги
Кол-во
2
?
Узнать цену
5320-1302038
Чашка КАМАЗ буфера тяги
ПАО КАМАЗ
под заказ
25.83 ₽
В корзину
13
5320-1302038
Чашка буфера тяги
Кол-во
0
?
Узнать цену
5320-1302038
Чашка КАМАЗ буфера тяги
ПАО КАМАЗ
под заказ
25.83 ₽
В корзину
14
5320-1302040
Буфер тяги крепления радиатора
Кол-во
2
?
Оставить заявку
14
5320-1302040
Буфер тяги крепления радиатора
Кол-во
0
?
Оставить заявку
15
54115-1302047
Кронштейн
Кол-во
1
?
Узнать цену
54115-1302047
Кронштейн КАМАЗ тяги радиатора
ПАО КАМАЗ
под заказ
230.78 ₽
В корзину
15
54115-1302047
Кронштейн
Кол-во
0
?
Узнать цену
54115-1302047
Кронштейн КАМАЗ тяги радиатора
ПАО КАМАЗ
под заказ
230.78 ₽
В корзину
16
5320-1302060
Подушка подвески радиатора
Кол-во
0
?
Оставить заявку
16
5320-1302060
Подушка подвески радиатора
Кол-во
2
?
Оставить заявку
17
5320-1302062
Чашка подвески радиатора
Кол-во
4
?
Узнать цену
5320-1302062
Чашка КАМАЗ подвески радиатора
ПАО КАМАЗ
под заказ
148.41 ₽
В корзину
17
5320-1302062
Чашка подвески радиатора
Кол-во
0
?
Узнать цену
5320-1302062
Чашка КАМАЗ подвески радиатора
ПАО КАМАЗ
под заказ
148.41 ₽
В корзину
18
54115-1302077-10
Кронштейн подвески радиатора
Кол-во
2
?
Узнать цену
54115-1302077-10
Кронштейн КАМАЗ-ЕВРО подвески радиатора Н/О
ПАО КАМАЗ
под заказ
1 274.20 ₽
В корзину
18
54115-1302077-10
Кронштейн подвески радиатора
Кол-во
0
?
Узнать цену
54115-1302077-10
Кронштейн КАМАЗ-ЕВРО подвески радиатора Н/О
ПАО КАМАЗ
под заказ
1 274.20 ₽
В корзину
21
5320-1303010
Рукав
Кол-во
0
?
Оставить заявку
21
5320-1303010
Рукав
Кол-во
1
?
Оставить заявку
22
54115-1303026
Рукав
Кол-во
0
?
Оставить заявку
22
54115-1303026
Рукав
Кол-во
1
?
Оставить заявку
23
5320-1303027
Рукав
Кол-во
0
?
Оставить заявку
23
5320-1303027
Рукав
Кол-во
1
?
Оставить заявку
24
5320-1303028
Колено подводящего патрубка водяного трубопровода
Кол-во
1
?
Узнать цену
5320-1303028
Колено КАМАЗ системы охлаждения
ПАО КАМАЗ
В наличии 2 шт.
6 586.30 ₽
В корзину
24
5320-1303028
Колено подводящего патрубка водяного трубопровода
Кол-во
0
?
Узнать цену
5320-1303028
Колено КАМАЗ системы охлаждения
ПАО КАМАЗ
В наличии 2 шт.
6 586.30 ₽
В корзину
25
54115-1303058-10
Патрубок подводящий водяного трубопровода
Кол-во
1
?
Узнать цену
54115-1303058-10
Патрубок КАМАЗ-ЕВРО отводящий системы охлаждения
ПАО КАМАЗ
В наличии 1 шт.
3 980.00 ₽
В корзину
25
54115-1303058-10
Патрубок подводящий водяного трубопровода
Кол-во
0
?
Узнать цену
54115-1303058-10
Патрубок КАМАЗ-ЕВРО отводящий системы охлаждения
ПАО КАМАЗ
В наличии 1 шт.
3 980.00 ₽
В корзину
26
5320-1303063
Прокладка подводящего патрубка
Кол-во
0
?
Оставить заявку
26
5320-1303063
Прокладка подводящего патрубка
Кол-во
1
?
Оставить заявку
27
54115-1303079-01
Кронштейн крепления колена подводящего трубопровода
Кол-во
1
?
Узнать цену
54115-1303079-01
Кронштейн
ПАО КАМАЗ
под заказ
150.12 ₽
В корзину
27
54115-1303079-01
Кронштейн крепления колена подводящего трубопровода
Кол-во
0
?
Узнать цену
54115-1303079-01
Кронштейн
ПАО КАМАЗ
под заказ
150.12 ₽
В корзину
29
54115-1309015-10
Уплотнитель кожуха вентилятора
Кол-во
0
?
Оставить заявку
29
54115-1309015-10
Уплотнитель кожуха вентилятора
Кол-во
1
?
Оставить заявку
30
5320-1311063-01
Рукав от радиатора к бачку
Кол-во
0
?
Оставить заявку
30
5320-1311063-01
Рукав от радиатора к бачку
Кол-во
1
?
Оставить заявку
31
1/61008/11
Гайка М8х1,25-6Н
Кол-во
0
?
Оставить заявку
31
1/61008/11
Гайка М8х1,25-6Н
Кол-во
1
?
Оставить заявку
33
1/21647/11
Гайка М10х1,25-6Н
Кол-во
0
?
Оставить заявку
33
1/21647/11
Гайка М10х1,25-6Н
Кол-во
4
?
Оставить заявку
34
250977
Гайка М12х1,25-6Н ОСТ 37.001.108-93
Кол-во
0
?
Оставить заявку
34
250977
Гайка М12х1,25-6Н ОСТ 37.001.108-93
Кол-во
2
?
Оставить заявку
36
1/60432/21
Болт М8-6gх16
Кол-во
0
?
Оставить заявку
36
1/60432/21
Болт М8-6gх16
Кол-во
14
?
Оставить заявку
37
1/60434/21
Болт М8-6gх20
Кол-во
0
?
Оставить заявку
37
1/60434/21
Болт М8-6gх20
Кол-во
2
?
Оставить заявку
38
1/59707/31
Болт М10х1,25-6gх25
Кол-во
0
?
Оставить заявку
38
1/59707/31
Болт М10х1,25-6gх25
Кол-во
1
?
Оставить заявку
39
1/13069/21
Болт М10х1,25-6gх30
Кол-во
0
?
Оставить заявку
39
1/13069/21
Болт М10х1,25-6gх30
Кол-во
4
?
Оставить заявку
40
853032
Болт М12х1,25-6gх65
Кол-во
0
?
Оставить заявку
40
853032
Болт М12х1,25-6gх65
Кол-во
2
?
Оставить заявку
42
853062
Болт М8-6gх45
Кол-во
1
?
Оставить заявку
42
853062
Болт М8-6gх45
Кол-во
0
?
Оставить заявку
45
252045
Шайба плоская 12х34 ОСТ 37.001.144-96
Кол-во
4
?
Оставить заявку
45
252045
Шайба плоская 12х34 ОСТ 37.001.144-96
Кол-во
0
?
Оставить заявку
47
1/05196/01
Шайба плоская 8х17
Кол-во
14
?
Узнать цену
1/05196/01
Шайба 8*17 1/05196
ПАО Автодизель (ЯМЗ)
под заказ
19.91 ₽
В корзину
47
1/05196/01
Шайба плоская 8х17
Кол-во
0
?
Узнать цену
1/05196/01
Шайба 8*17 1/05196
ПАО Автодизель (ЯМЗ)
под заказ
19.91 ₽
В корзину
48
1/26386/01
Шайба плоская 10,6х18х2
Кол-во
0
?
Оставить заявку
48
1/26386/01
Шайба плоская 10,6х18х2
Кол-во
2
?
Оставить заявку
49
1/05166/77
Шайба 8 пружинная
Кол-во
18
?
Оставить заявку
49
1/05166/77
Шайба 8 пружинная
Кол-во
0
?
Оставить заявку
50
1/05168/77
Шайба 10 пружинная
Кол-во
0
?
Оставить заявку
50
1/05168/77
Шайба 10 пружинная
Кол-во
5
?
Оставить заявку
53
1/07336/01
Шплинт 3х25
Кол-во
2
?
Оставить заявку
53
1/07336/01
Шплинт 3х25
Кол-во
0
?
Оставить заявку
54
853897
Хомут 75
Кол-во
0
?
Узнать цену
853897
Хомут
ПАО КАМАЗ
под заказ
117.96 ₽
В корзину
54
853897
Хомут 75
Кол-во
1
?
Узнать цену
853897
Хомут
ПАО КАМАЗ
под заказ
117.96 ₽
В корзину
56
146.1301010-10
Радиатор ТУ 4591-042-002321 82-1997
Кол-во
1
?
Оставить заявку
56
146.1301010-10
Радиатор ТУ 4591-042-002321 82-1997
Кол-во
0
?
Оставить заявку
57
146.1301010-11
Радиатор ТУ 4591-042-00232182-1997
Кол-во
1
?
Оставить заявку
57
146.1301010-11
Радиатор ТУ 4591-042-00232182-1997
Кол-во
0
?
Оставить заявку
58
45104998010190
Хомут ТОRRО 16-27/12-С7W1
Кол-во
2
?
Оставить заявку
58
45104998010190
Хомут ТОRRО 16-27/12-С7W1
Кол-во
0
?
Оставить заявку
59
45104998010590
Хомут ТОRRО 60-80/12-С7W1
Кол-во
2
?
Оставить заявку
59
45104998010590
Хомут ТОRRО 60-80/12-С7W1
Кол-во
0
?
Оставить заявку
60
45101998010690
Хомут TORRO 70-90/12-C7W1
Кол-во
4
?
Оставить заявку
60
45101998010690
Хомут TORRO 70-90/12-C7W1
Кол-во
0
?
Оставить заявку
Нужна помощь в подборе запчастей?
Напишите нам и оставьте ваши контактные данные. Мы перезвоним вам в течение 30 минут или раньше!
Кратвольд Елена
Менеджер по продажам
7 (3513) 289-777
koleso787@bk.ru
Вы должны включить JavaScript чтобы использовать эту форму.
Ваш вопрос
Email
Телефон
Отправляя форму вы подтверждаете согласие с
политикой обработки персональных данных
.
Отправить
Оставьте это поле пустым