Каталог запчастей
Запчасти Камаз
Запчасти Урал
Спецпредложения
О компании
Контакты
7 (3513) 289-777
Отправить готовую заявку
Группа компаний A-GROUP
Каталог
Запчасти УРАЛ
Запчасти КАМАЗ
Двигатель
Система питания
Система выпуска газов
Система охлаждения
Механизмы управления
Рулевое управление
Тормозная система
Кабина и кузов
Кабина
Оперение кабины
Платформа и кузов
Трансмиссия
Коробка передач
Коробка раздаточная
Сцепление
Карданная передача
Мосты
Ходовая часть
Колеса и ступицы
Ось передняя
Подвеска
Рама
Электрооборудование
Приборы
Специальное оборудование
Устройство седельно-сцепное
Лебедка
Газовое оборудование
Прочие запчасти
Инструмент и принадлежности
Рукава и РТИ
Крепеж
Подшипники
Запчасти двигателя
Система выпуска газов
Система охлаждения
Система питания
Кабина и оперение
Передок кабины
Оперение кабины
Боковина кабины
Двери кабины
Задок кабины
Основание кабины
Крыша кабины
Сиденья кабины
Вентиляция и отопление кабины
Трансмиссия
Коробка передач
Раздаточная коробка
Карданный вал
Сцепление
Передний мост
Средний мост
Задний мост
Ходовая часть
Рама
Подвеска балансирная
Колеса и ступицы
Механизмы управления
Рулевое управление
Тормозная система
Платформа
Электрооборудование
Приборы
Оборудование и инструменты
Коробка отбора мощности
Лебедка
Устройство седельно-сцепное
Инструменты
Поиск
Графические каталоги
0
Группа компаний A-GROUP
Поиск
0
+7 (3513) 289-777
Обратный звонок
Отправить готовую заявку
Группа компаний A-GROUP
0
Меню
Поиск
Каталог запчастей
Запчасти Камаз
Запчасти Урал
Спецпредложения
О компании
Контакты
Главная
Графические каталоги
КамАЗ
КамАЗ-5511
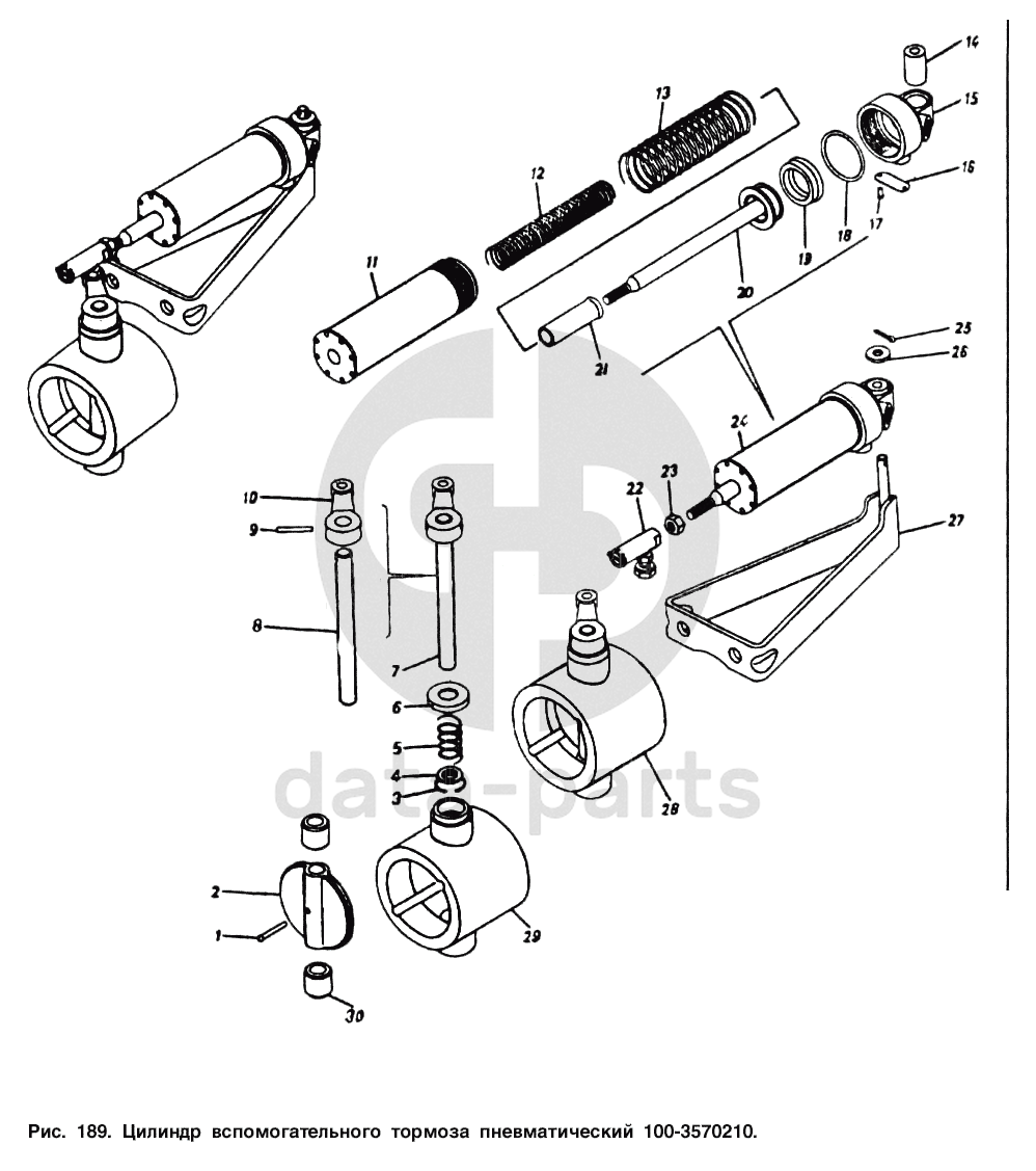
Цилиндр вспомогательного тормоза пневматический
Цилиндр вспомогательного тормоза пневматический КамАЗ-5511
1
2
3
4
5
6
7
8
9
10
11
12
13
14
15
16
17
18
19
20
21
22
23
24
25
26
27
28
29
30
100
%
1
1/05334/00
Заклепка 4х25
Кол-во
2
?
Оставить заявку
2
5320-3570017
Заслонка вспомогательного тормоза
Кол-во
2
?
Оставить заявку
3
862822
Кольцо упорное 21,8х2х1
Кол-во
2
?
Оставить заявку
4
5320-3570032
Шайба
Кол-во
2
?
Узнать цену
5320-3570032
Шайба
ПАО КАМАЗ
под заказ
5 ₽
В корзину
5
5320-3570033
Пружина
Кол-во
2
?
Оставить заявку
6
5320.3570039
Крышка
Кол-во
2
?
Узнать цену
5320-3570039
Крышка
ПАО КАМАЗ
под заказ
9 ₽
В корзину
7
5320-3570030
Вал заслонки в сборе
Кол-во
2
?
Оставить заявку
8
5320-3570031
Вал заслонки
Кол-во
2
?
Оставить заявку
9
1/03339/16
Штифт 4х25
Кол-во
2
?
Оставить заявку
10
5320-3570037
Рычаг привода вспомогательного тормоза
Кол-во
2
?
Узнать цену
5320-3570037
Рычаг
ПАО КАМАЗ
под заказ
238 ₽
В корзину
11
100-3570220
Цилиндр в сборе
Кол-во
1
?
Оставить заявку
12
100-3570229
Пружина
Кол-во
1
?
Оставить заявку
13
100-3570223
Пружина
Кол-во
1
?
Оставить заявку
14
100-3570233
Втулка
Кол-во
1
?
Оставить заявку
15
100-3570230
Крышка цилиндра
Кол-во
1
?
Оставить заявку
16
100-3512099
Табличка
Кол-во
1
?
Оставить заявку
17
304183
Заклепка пустотелая
Кол-во
2
?
Оставить заявку
18
100-3570232
Кольцо
Кол-во
1
?
Оставить заявку
19
100-3570228
Кольцо уплотнительное
Кол-во
1
?
Оставить заявку
20
100-3570224
Поршень в сборе
Кол-во
1
?
Оставить заявку
21
100-3570227
Упор
Кол-во
1
?
Оставить заявку
22
740.1108054
Наконечник тяги рычага управления регулятором
Кол-во
2
?
Узнать цену
740.1108054
Наконечник КАМАЗ тяги акселератора в сборе
ПАО КАМАЗ
под заказ
776 ₽
В корзину
23
1/61023/11
Гайка М8-6Н низкая
Кол-во
2
?
Оставить заявку
24
100-3570210
Цилиндр управления заслонкой в сборе
Кол-во
2
?
Оставить заявку
25
1/07963/01
Шплинт разводной 3х15
Кол-во
2
?
Оставить заявку
26
1/05196/0
Шайба плоская 8,45х17х2
Кол-во
4
?
Оставить заявку
27
5320-3570100
Кронштейн крепления вспомогательного тормоза в сборе
Кол-во
2
?
Узнать цену
5320-3570100
Кронштейн
ПАО КАМАЗ
под заказ
709 ₽
В корзину
28
5320-3570014
Корпус вспомогательного тормоза с заслонкой в сборе
Кол-во
2
?
Узнать цену
5320-3570014
Корпус КАМАЗ вспомогательного тормоза с заслонкой в сборе
ПАО КАМАЗ
В наличии 3 шт.
5 036 ₽
В корзину
29
5320-3570022
Корпус вспомогательного тормоза
Кол-во
2
?
Оставить заявку
30
5320-3570034
Втулка
Кол-во
4
?
Узнать цену
5320-3570034
Втулка
ПАО КАМАЗ
под заказ
373 ₽
В корзину
Нужна помощь в подборе запчастей?
Напишите нам и оставьте ваши контактные данные. Мы перезвоним вам в течение 30 минут или раньше!
Кратвольд Елена
Менеджер по продажам
7 (3513) 289-777
koleso787@bk.ru
Вы должны включить JavaScript чтобы использовать эту форму.
Ваш вопрос
Email
Телефон
Отправляя форму вы подтверждаете согласие с
политикой обработки персональных данных
.
Отправить
Оставьте это поле пустым