Каталог запчастей
Запчасти Камаз
Запчасти Урал
Спецпредложения
О компании
Контакты
+7 (3513) 289-777
Отправить готовую заявку
Группа компаний A-GROUP
Каталог
Запчасти УРАЛ
Запчасти КАМАЗ
Двигатель
Система питания
Система выпуска газов
Система охлаждения
Механизмы управления
Рулевое управление
Тормозная система
Кабина и кузов
Кабина
Оперение кабины
Платформа и кузов
Трансмиссия
Коробка передач
Коробка раздаточная
Сцепление
Карданная передача
Мосты
Ходовая часть
Колеса и ступицы
Ось передняя
Подвеска
Рама
Электрооборудование
Приборы
Специальное оборудование
Устройство седельно-сцепное
Лебедка
Газовое оборудование
Прочие запчасти
Инструмент и принадлежности
Рукава и РТИ
Крепеж
Подшипники
Запчасти двигателя
Система выпуска газов
Система охлаждения
Система питания
Кабина и оперение
Передок кабины
Оперение кабины
Боковина кабины
Двери кабины
Задок кабины
Основание кабины
Крыша кабины
Сиденья кабины
Вентиляция и отопление кабины
Трансмиссия
Коробка передач
Раздаточная коробка
Карданный вал
Сцепление
Передний мост
Средний мост
Задний мост
Ходовая часть
Рама
Подвеска балансирная
Колеса и ступицы
Механизмы управления
Рулевое управление
Тормозная система
Платформа
Электрооборудование
Приборы
Оборудование и инструменты
Коробка отбора мощности
Лебедка
Устройство седельно-сцепное
Инструменты
Поиск
Графические каталоги
0
Группа компаний A-GROUP
Поиск
0
+7 (3513) 289-777
Обратный звонок
Отправить готовую заявку
Группа компаний A-GROUP
0
Меню
Поиск
Каталог запчастей
Запчасти Камаз
Запчасти Урал
Спецпредложения
О компании
Контакты
Главная
Графические каталоги
КамАЗ
КамАЗ-5511
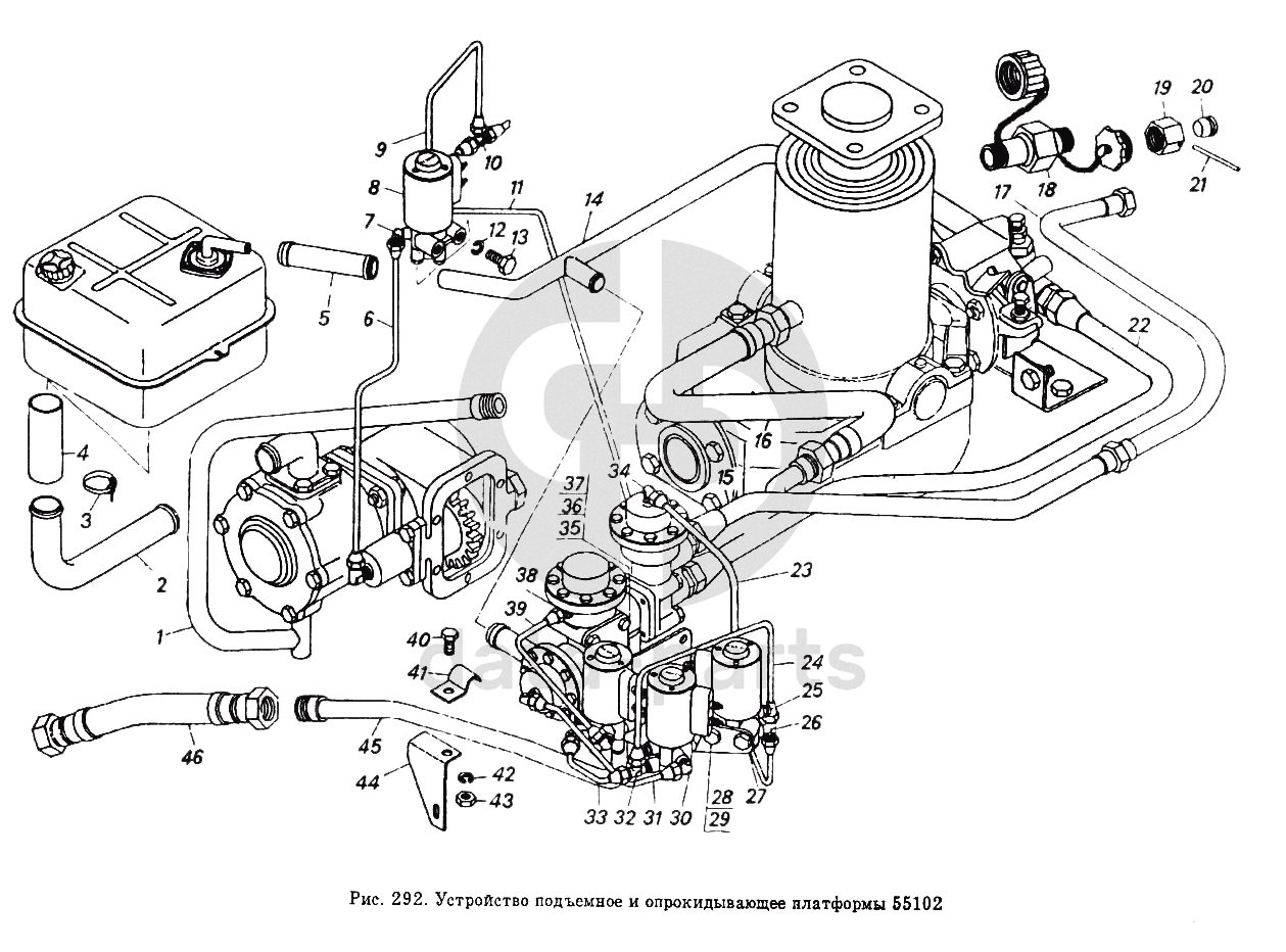
Устройство подъемное и опрокидывающее платформы 55102
Устройство подъемное и опрокидывающее платформы 55102 КамАЗ-5511
1
2
3
4
5
6
7
8
9
10
11
12
13
14
15
16
17
18
19
20
21
22
23
24
25
26
27
28
29
30
31
32
33
34
35
36
37
38
39
40
41
42
43
44
45
46
100
%
1
5511-8609135
Труба высокого давления от насоса в сборе
Кол-во
0
?
Оставить заявку
2
551107-8609130-10
Труба низкого давления
Кол-во
0
?
Оставить заявку
3
5511-8609118-20
Рукав
Кол-во
0
?
Оставить заявку
4
1/02912/90
Хомут L=61
Кол-во
0
?
Узнать цену
1/02912/90
Хомут
ПАО КАМАЗ
под заказ
97 ₽
В корзину
5
5511-8609117
Рукав
Кол-во
0
?
Оставить заявку
6
55102-8606025
Трубка подвода воздуха в сборе
Кол-во
0
?
Оставить заявку
7
853965
Угольник 6 ввертный
Кол-во
0
?
Узнать цену
853965
Угольник КАМАЗ М10х10
ПАО КАМАЗ
В наличии 14 шт.
263 ₽
В корзину
8
5320-3721500
Клапан пневмосигнала с электромагнитом в сборе
Кол-во
0
?
Оставить заявку
9
55102-8606015
Трубка подвода воздуха в сборе
Кол-во
0
?
Оставить заявку
10
864919
Тройник проходной
Кол-во
0
?
Узнать цену
864919
Тройник
ПАО КАМАЗ
под заказ
307 ₽
В корзину
11
55102-8606020
Трубка подвода воздуха в сборе
Кол-во
0
?
Оставить заявку
12
1/05168/70
Шайба 10 пружинная
Кол-во
0
?
Оставить заявку
13
1/59705/21
Болт М10х1,25-6gх20
Кол-во
0
?
Оставить заявку
14
55102-8609152
Трубка низкого давления
Кол-во
0
?
Оставить заявку
15
55102-8609141
Трубка высокого давления в сборе
Кол-во
0
?
Оставить заявку
16
55102-8609090
Рукав высокого давления в сборе
Кол-во
0
?
Оставить заявку
17
55102-8609143
Трубка высокого давления в сборе
Кол-во
0
?
Оставить заявку
18
Н.036.57.000
Устройство запорное
Кол-во
0
?
Оставить заявку
19
555-8609104-10
Гайка накидная
Кол-во
0
?
Оставить заявку
20
18.8609267
Заглушка
Кол-во
0
?
Оставить заявку
21
5511-8609106
Штифт
Кол-во
0
?
Оставить заявку
22
55102-8609170
Труба высокого давления в сборе
Кол-во
0
?
Оставить заявку
23
55102-8606030
Трубка подвода воздуха в сборе
Кол-во
0
?
Оставить заявку
24
5511-8606125
Трубка подвода воздуха в сборе
Кол-во
0
?
Оставить заявку
25
5511-8606200
Клапан предохранительный в сборе
Кол-во
0
?
Оставить заявку
26
864892
Тройник ввертной симметричный
Кол-во
0
?
Узнать цену
864892
Тройник КАМАЗ ввертный М14х1.5 КГ1/8
ПАО КАМАЗ
под заказ
344 ₽
В корзину
27
5511-8607114
Кронштейн блока управления
Кол-во
0
?
Оставить заявку
28
1/59705/21
Болт М10х1,25-6gх20
Кол-во
0
?
Оставить заявку
29
1/05168/70
Шайба 10 пружинная
Кол-во
0
?
Оставить заявку
30
864822
Угольник ввертной
Кол-во
0
?
Узнать цену
864822
Угольник КАМАЗ М10х14 крана стояночного тормоза
ПАО КАМАЗ
В наличии 24 шт.
307 ₽
В корзину
31
5511-8606140
Трубка подвода воздуха в сборе
Кол-во
0
?
Оставить заявку
32
55102-8607115
Тройник ввертный угловой
Кол-во
0
?
Узнать цену
55102-8607115
Тройник
ПАО КАМАЗ
под заказ
217 ₽
В корзину
33
5511-8606120
Трубка подвода воздуха в сборе
Кол-во
0
?
Оставить заявку
34
182.8607005
Блок гидрораспределительный в сборе
Кол-во
0
?
Оставить заявку
35
1/60446/21
Болт М8-6gх70
Кол-во
0
?
Оставить заявку
36
1/61008/11
Гайка М8х1,25-6Н
Кол-во
0
?
Оставить заявку
37
1/05166/70
Шайба 8 пружинная
Кол-во
0
?
Оставить заявку
38
853973
Штуцер ввертной задних колес
Кол-во
0
?
Оставить заявку
39
5511-8606145
Трубка подвода воздуха в сборе
Кол-во
0
?
Оставить заявку
40
1/59705/21
Болт М10х1,25-6gх20
Кол-во
0
?
Оставить заявку
41
18.8609228
Скоба
Кол-во
0
?
Оставить заявку
42
1/05168/70
Шайба 10 пружинная
Кол-во
0
?
Оставить заявку
43
1/21647/11
Гайка М10х1,25-6Н
Кол-во
0
?
Оставить заявку
44
55102-8609369
Кронштейн
Кол-во
0
?
Оставить заявку
45
55102-8609135-10
Труба высокого давления в сборе
Кол-во
0
?
Оставить заявку
46
5511-8609090-01
Рукав высокого давления в сборе
Кол-во
0
?
Оставить заявку
Нужна помощь в подборе запчастей?
Напишите нам и оставьте ваши контактные данные. Мы перезвоним вам в течение 30 минут или раньше!
Кратвольд Елена
Менеджер по продажам
7 (3513) 289-777
koleso787@bk.ru
Вы должны включить JavaScript чтобы использовать эту форму.
Ваш вопрос
Email
Телефон
Отправляя форму вы подтверждаете согласие с
политикой обработки персональных данных
.
Отправить
Оставьте это поле пустым