Каталог запчастей
Запчасти Камаз
Запчасти Урал
Спецпредложения
О компании
Контакты
+7 (3513) 289-777
Отправить готовую заявку
Группа компаний A-GROUP
Каталог
Запчасти УРАЛ
Запчасти КАМАЗ
Двигатель
Система питания
Система выпуска газов
Система охлаждения
Механизмы управления
Рулевое управление
Тормозная система
Кабина и кузов
Кабина
Оперение кабины
Платформа и кузов
Трансмиссия
Коробка передач
Коробка раздаточная
Сцепление
Карданная передача
Мосты
Ходовая часть
Колеса и ступицы
Ось передняя
Подвеска
Рама
Электрооборудование
Приборы
Специальное оборудование
Устройство седельно-сцепное
Лебедка
Газовое оборудование
Прочие запчасти
Инструмент и принадлежности
Рукава и РТИ
Крепеж
Подшипники
Запчасти двигателя
Система выпуска газов
Система охлаждения
Система питания
Кабина и оперение
Передок кабины
Оперение кабины
Боковина кабины
Двери кабины
Задок кабины
Основание кабины
Крыша кабины
Сиденья кабины
Вентиляция и отопление кабины
Трансмиссия
Коробка передач
Раздаточная коробка
Карданный вал
Сцепление
Передний мост
Средний мост
Задний мост
Ходовая часть
Рама
Подвеска балансирная
Колеса и ступицы
Механизмы управления
Рулевое управление
Тормозная система
Платформа
Электрооборудование
Приборы
Оборудование и инструменты
Коробка отбора мощности
Лебедка
Устройство седельно-сцепное
Инструменты
Поиск
Графические каталоги
0
Группа компаний A-GROUP
Поиск
0
+7 (3513) 289-777
Обратный звонок
Отправить готовую заявку
Группа компаний A-GROUP
0
Меню
Поиск
Каталог запчастей
Запчасти Камаз
Запчасти Урал
Спецпредложения
О компании
Контакты
Главная
Графические каталоги
КамАЗ
КамАЗ-55102
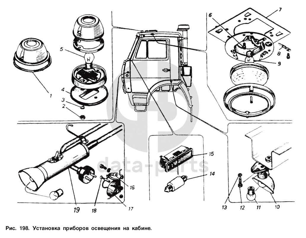
Установка приборов освещения на кабине
Установка приборов освещения на кабине КамАЗ-55102
1
1
2
3
4
5
6
7
8
9
10
10
11
12
13
14
15
15
16
17
17
18
19
19
100
%
1
УП101-В
Фонарь сигнальный в сборе
Кол-во
3
?
Оставить заявку
1
5320-3726010
Фонарь сигнальный в сборе
Кол-во
3
?
Оставить заявку
2
1/58964/11
Гайка М5-6Н
Кол-во
6
?
Оставить заявку
3
1/26052/70
Шайба 5 зубчатая
Кол-во
6
?
Оставить заявку
4
5320-3726041
Прокладка фонаря сигнального
Кол-во
3
?
Оставить заявку
5
А24-5
Лампа
Кол-во
3
?
Оставить заявку
6
1/76700/01
Винт самонарезающий типа АВ № 8х9,5
Кол-во
6
?
Оставить заявку
7
5320-3714061
Пластина крепления плафона кабины
Кол-во
2
?
Оставить заявку
8
5320-3724204
Провод «массы» электродвигателя отопителя
Кол-во
3
?
Узнать цену
5320-3724204
Провод массы плафона
ПАО КАМАЗ
под заказ
106 ₽
В корзину
9
А24-5
Лампа
Кол-во
0
?
Оставить заявку
10
ПД308-Б
Лампа подкапотная
Кол-во
1
?
Оставить заявку
10
5320-3715300
Лампа подкапотная
Кол-во
1
?
Оставить заявку
11
А24-21-3
Лампа
Кол-во
0
?
Оставить заявку
12
1/32764/01
Винт М6-6gх20
Кол-во
2
?
Оставить заявку
13
1/05164/77
Шайба 6 пружинная
Кол-во
2
?
Оставить заявку
14
АС24-5
Лампа
Кол-во
1
?
Оставить заявку
15
ПК142-Б
Плафон вещевого ящика и спального места
Кол-во
1
?
Оставить заявку
15
5410-3714110
Плафон вещевого ящика и спального места в сборе
Кол-во
1
?
Оставить заявку
16
5320-3724200
Провод массы розетки переносной лампы
Кол-во
1
?
Узнать цену
5320-3724200
Провод массы розетки
ПАО КАМАЗ
под заказ
126 ₽
В корзину
17
47К
Розетка штепсельная переносной лампы в кабине в сборе
Кол-во
1
?
Узнать цену
47К
Розетка 2-ух контактная, внутрисалонная
АО АЗ Урал
под заказ
199 ₽
В корзину
17
5320-3723200
Розетка штепсельная переносной лампы в кабине в сборе
Кол-во
1
?
Оставить заявку
18
231513
Винт М3-6gх30
Кол-во
2
?
Оставить заявку
19
ПЛТ67-А
Лампа переносная
Кол-во
1
?
Оставить заявку
19
5320-3715010
Лампа переносная
Кол-во
1
?
Оставить заявку
Нужна помощь в подборе запчастей?
Напишите нам и оставьте ваши контактные данные. Мы перезвоним вам в течение 30 минут или раньше!
Кратвольд Елена
Менеджер по продажам
7 (3513) 289-777
koleso787@bk.ru
Вы должны включить JavaScript чтобы использовать эту форму.
Ваш вопрос
Email
Телефон
Отправляя форму вы подтверждаете согласие с
политикой обработки персональных данных
.
Отправить
Оставьте это поле пустым