Каталог запчастей
Запчасти Камаз
Запчасти Урал
Спецпредложения
О компании
Контакты
+7 (3513) 289-777
Отправить готовую заявку
Группа компаний A-GROUP
Каталог
Запчасти УРАЛ
Запчасти КАМАЗ
Двигатель
Система питания
Система выпуска газов
Система охлаждения
Механизмы управления
Рулевое управление
Тормозная система
Кабина и кузов
Кабина
Оперение кабины
Платформа и кузов
Трансмиссия
Коробка передач
Коробка раздаточная
Сцепление
Карданная передача
Мосты
Ходовая часть
Колеса и ступицы
Ось передняя
Подвеска
Рама
Электрооборудование
Приборы
Специальное оборудование
Устройство седельно-сцепное
Лебедка
Газовое оборудование
Прочие запчасти
Инструмент и принадлежности
Рукава и РТИ
Крепеж
Подшипники
Запчасти двигателя
Система выпуска газов
Система охлаждения
Система питания
Кабина и оперение
Передок кабины
Оперение кабины
Боковина кабины
Двери кабины
Задок кабины
Основание кабины
Крыша кабины
Сиденья кабины
Вентиляция и отопление кабины
Трансмиссия
Коробка передач
Раздаточная коробка
Карданный вал
Сцепление
Передний мост
Средний мост
Задний мост
Ходовая часть
Рама
Подвеска балансирная
Колеса и ступицы
Механизмы управления
Рулевое управление
Тормозная система
Платформа
Электрооборудование
Приборы
Оборудование и инструменты
Коробка отбора мощности
Лебедка
Устройство седельно-сцепное
Инструменты
Поиск
Графические каталоги
0
Группа компаний A-GROUP
Поиск
0
+7 (3513) 289-777
Обратный звонок
Отправить готовую заявку
Группа компаний A-GROUP
0
Меню
Поиск
Каталог запчастей
Запчасти Камаз
Запчасти Урал
Спецпредложения
О компании
Контакты
Главная
Графические каталоги
КамАЗ
КамАЗ-55102
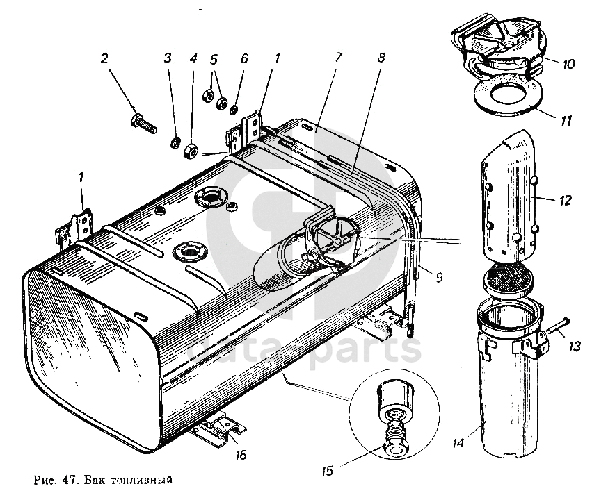
Бак топливный
Бак топливный КамАЗ-55102
1
2
3
4
5
6
7
8
9
10
11
12
13
14
15
16
100
%
1
5320-1101102-10
Кронштейн крепления бака топливного в сборе
Кол-во
3
?
Оставить заявку
2
1/55406/21
Болт М12х1,25-6gх40
Кол-во
10
?
Оставить заявку
3
1/05170/77
Шайба 12 пружинная
Кол-во
10
?
Оставить заявку
4
1/61015/11
Гайка М12х1,25-6Н
Кол-во
10
?
Оставить заявку
5
1/21647/11
Гайка М10х1,25-6Н
Кол-во
6
?
Оставить заявку
6
1/26386/01
Шайба плоская 10,6х18х2
Кол-во
3
?
Оставить заявку
7
5320-1101010
Бак топливный в сборе
Кол-во
1
?
Оставить заявку
8
5320-1101110-10
Хомут крепления в сборе
Кол-во
3
?
Оставить заявку
9
5320-1101115
Прокладка хомута
Кол-во
3
?
Оставить заявку
10
5320-1103070
Облицовка пробки в сборе
Кол-во
1
?
Оставить заявку
11
5320-1103076
Прокладка пробки
Кол-во
1
?
Оставить заявку
12
5320-1101090
Трубка выдвижная в сборе
Кол-во
1
?
Оставить заявку
13
255141
Заклепка 5х40.01.016 ОСТ 37.001.157-75
Кол-во
1
?
Оставить заявку
14
5320-1101060
Трубка наливная в сборе
Кол-во
1
?
Оставить заявку
15
5320-1101018
Пробка спускного клапана
Кол-во
1
?
Оставить заявку
16
55102-1101109
Прокладка кронштейна крепления топливного бака
Кол-во
6
?
Оставить заявку
Нужна помощь в подборе запчастей?
Напишите нам и оставьте ваши контактные данные. Мы перезвоним вам в течение 30 минут или раньше!
Кратвольд Елена
Менеджер по продажам
7 (3513) 289-777
koleso787@bk.ru
Вы должны включить JavaScript чтобы использовать эту форму.
Ваш вопрос
Email
Телефон
Отправляя форму вы подтверждаете согласие с
политикой обработки персональных данных
.
Отправить
Оставьте это поле пустым