Каталог запчастей
Запчасти Камаз
Запчасти Урал
Спецпредложения
О компании
Контакты
+7 (3513) 289-777
Отправить готовую заявку
Группа компаний A-GROUP
Каталог
Запчасти УРАЛ
Запчасти КАМАЗ
Двигатель
Система питания
Система выпуска газов
Система охлаждения
Механизмы управления
Рулевое управление
Тормозная система
Кабина и кузов
Кабина
Оперение кабины
Платформа и кузов
Трансмиссия
Коробка передач
Коробка раздаточная
Сцепление
Карданная передача
Мосты
Ходовая часть
Колеса и ступицы
Ось передняя
Подвеска
Рама
Электрооборудование
Приборы
Специальное оборудование
Устройство седельно-сцепное
Лебедка
Газовое оборудование
Прочие запчасти
Инструмент и принадлежности
Рукава и РТИ
Крепеж
Подшипники
Запчасти двигателя
Система выпуска газов
Система охлаждения
Система питания
Кабина и оперение
Передок кабины
Оперение кабины
Боковина кабины
Двери кабины
Задок кабины
Основание кабины
Крыша кабины
Сиденья кабины
Вентиляция и отопление кабины
Трансмиссия
Коробка передач
Раздаточная коробка
Карданный вал
Сцепление
Передний мост
Средний мост
Задний мост
Ходовая часть
Рама
Подвеска балансирная
Колеса и ступицы
Механизмы управления
Рулевое управление
Тормозная система
Платформа
Электрооборудование
Приборы
Оборудование и инструменты
Коробка отбора мощности
Лебедка
Устройство седельно-сцепное
Инструменты
Поиск
Графические каталоги
0
Группа компаний A-GROUP
Поиск
0
+7 (3513) 289-777
Обратный звонок
Отправить готовую заявку
Группа компаний A-GROUP
0
Меню
Поиск
Каталог запчастей
Запчасти Камаз
Запчасти Урал
Спецпредложения
О компании
Контакты
Главная
Графические каталоги
КамАЗ
КамАЗ-5460
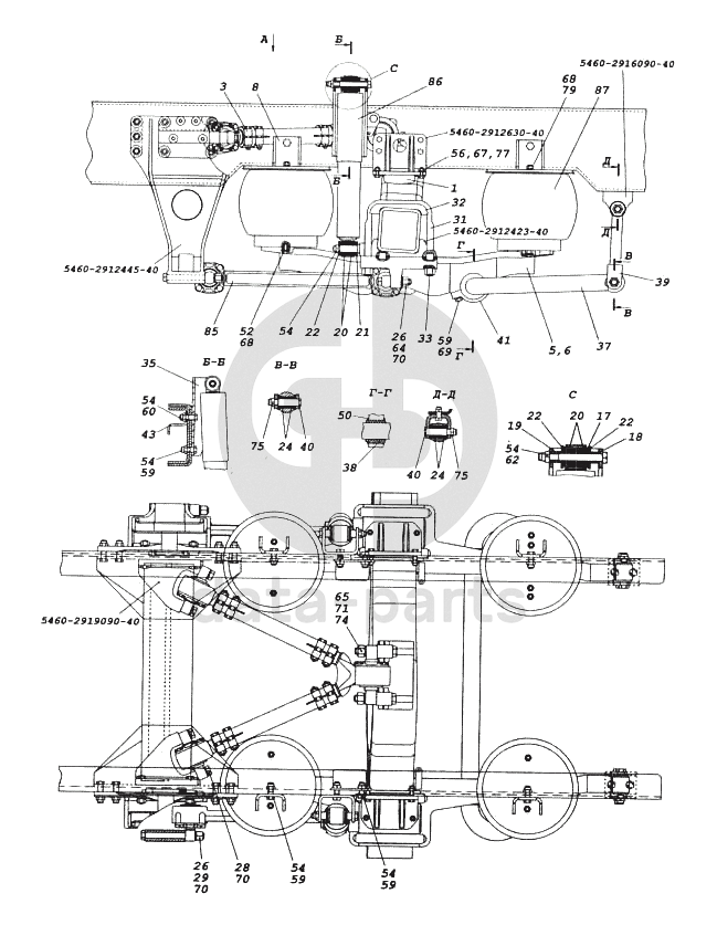
Установка задней подвески (Усовершенствованная конструкция)
Установка задней подвески (Усовершенствованная конструкция) КамАЗ-5460
1
3
5
6
8
17
18
19
20
20
21
22
22
22
24
24
26
26
28
29
31
32
33
35
37
38
39
40
40
41
43
50
52
54
54
54
54
54
54
56
59
59
59
59
62
64
65
67
68
68
69
70
70
70
71
74
75
75
77
79
85
86
87
5460-2919090-40
5460-2912445-40
5460-2912630-40
100
%
1
5320-2912624
Буфер задней рессоры в сборе
Кол-во
2
?
Оставить заявку
3
5460-2919019-40
Штанга верхняя
Кол-во
1
?
Оставить заявку
5
5460-2919500-40
Опора пневмобаллонов
Кол-во
1
?
Оставить заявку
6
5460-2919501-40
Опора пневмобаллонов
Кол-во
1
?
Оставить заявку
8
5460-2924052-40
Опора пневмобаллона верхняя
Кол-во
4
?
Узнать цену
5460-2924052-40
Упор пневмоэлемента
ПАО КАМАЗ
под заказ
3 177 ₽
В корзину
17
65201-2905421
Втулка
Кол-во
2
?
Узнать цену
65201-2905421
Втулка амортизатора КАМАЗ переднего
ПАО КАМАЗ
В наличии 11 шт.
325 ₽
В корзину
18
65201-2905426
Втулка
Кол-во
2
?
Узнать цену
65201-2905426
Втулка амортизатора КАМАЗ переднего
ПАО КАМАЗ
под заказ
236 ₽
В корзину
19
65201-2905427
Втулка
Кол-во
2
?
Узнать цену
65201-2905427
Втулка амортизатора КАМАЗ переднего
ПАО КАМАЗ
В наличии 24 шт.
297 ₽
В корзину
20
53212-2905486
Втулка крепления амортизатора
Кол-во
8
?
Оставить заявку
21
53212-2905574
Шайба упорная
Кол-во
2
?
Узнать цену
53212-2905574
Шайба КАМАЗ упорная пальца амортизатора
ПАО КАМАЗ
под заказ
85 ₽
В корзину
22
53212-2905576
Шайба упорная
Кол-во
6
?
Узнать цену
53212-2905576
Шайба КАМАЗ упорная втулки амортизатора
ПАО КАМАЗ
под заказ
166 ₽
В корзину
24
65115-2906079
Втулка стабилизатора
Кол-во
8
?
Оставить заявку
26
5297-2909066
Гайка М18х1,5-6Н
Кол-во
8
?
Узнать цену
5297-2909066
Гайка
ПАО КАМАЗ
В наличии 6 шт.
211 ₽
В корзину
28
5460-2912030-40
Болт М18х1.5-6gх70
Кол-во
4
?
Узнать цену
5460-2912030-40
Болт
ПАО КАМАЗ
под заказ
568 ₽
В корзину
29
5460-2912032-40
Болт М18х1.5-6gх190
Кол-во
4
?
Узнать цену
5460-2912032-40
Болт
ПАО КАМАЗ
под заказ
1 508 ₽
В корзину
31
5460-2912408-40
Стремянка
Кол-во
4
?
Узнать цену
5460-2912408-40
Стремянка
ПАО КАМАЗ
под заказ
2 529 ₽
В корзину
32
5460-2912412-40
Накладка
Кол-во
2
?
Оставить заявку
33
4310-2912416-20
Гайка стремянки рессоры
Кол-во
8
?
Узнать цену
4310-2912416-20
Гайка М24х2.00х27-6Н КАМАЗ стремянки рессоры
ПАО КАМАЗ
В наличии 72 шт.
290 ₽
В корзину
35
5460-2915540-40
Кронштейн амортизатора
Кол-во
2
?
Оставить заявку
37
5460-2916016-40
Штанга стабилизатора
Кол-во
1
?
Узнать цену
5460-2916016-40
Штанга стабилизатора
ПАО КАМАЗ
под заказ
81 179 ₽
В корзину
38
5460-2916040-40
Подушка стабилизатора
Кол-во
2
?
Узнать цену
5460-2916040-40
Подушка стабилизатора
ПАО КАМАЗ
под заказ
3 127 ₽
В корзину
39
5460-2916060-40
Стойка стабилизатора
Кол-во
2
?
Узнать цену
5460-2916060-40
Стойка стабилизатора
ПАО КАМАЗ
под заказ
5 702 ₽
В корзину
40
6460-2916075
Ось стабилизатора
Кол-во
4
?
Оставить заявку
41
5460-2916092-40
Кронштейн стабилизатора
Кол-во
2
?
Узнать цену
5460-2916092-40
Кронштейн стабилизатора
ПАО КАМАЗ
под заказ
3 139 ₽
В корзину
43
5460-2925365-40
Кронштейн регулятора
Кол-во
2
?
Оставить заявку
50
Кольцо В75
Кольцо В75
Кол-во
2
?
Оставить заявку
52
201538
Болт М12-6gх25
Кол-во
8
?
Оставить заявку
54
251649
Гайка М16х1,5-6Н ОСТ 37.001.197-97
Кол-во
12
?
Оставить заявку
56
1/21647/11
Гайка М10х1,25-6Н
Кол-во
4
?
Оставить заявку
59
1/13915/21
Болт М16х1,5-6gх45
Кол-во
12
?
Оставить заявку
62
1/59821/21
Болт М16х1,5-6gх140
Кол-во
2
?
Оставить заявку
64
1/59852/31
Болт М18х1,5-6qх100
Кол-во
4
?
Оставить заявку
65
1/59895/31
Болт М20х1,5-6gх120
Кол-во
2
?
Оставить заявку
67
1/05168/77
Шайба 10 пружинная
Кол-во
4
?
Оставить заявку
68
1/05170/73
Шайба 12 пружинная
Кол-во
16
?
Оставить заявку
69
1/05172/77
Шайба 16 пружинная
Кол-во
4
?
Оставить заявку
70
1/05173/77
Шайба пружинная
Кол-во
12
?
Оставить заявку
71
1/05174/77
Шайба 20 пружинная
Кол-во
2
?
Оставить заявку
74
853525
Гайка М20х1,5-6Н
Кол-во
2
?
Оставить заявку
75
853528
Гайка М20х1,5-6Н
Кол-во
4
?
Узнать цену
853528
ГАЙКА М20Х1,5-6Н
АО АЗ Урал
под заказ
44 ₽
В корзину
77
870014
Болт М10х1,25-6gх28
Кол-во
4
?
Оставить заявку
79
356-70502
Гайка М12-6Н
Кол-во
8
?
Оставить заявку
85
631-2919012
Штанга реактивная
Кол-во
2
?
Оставить заявку
86
А1-230/450.2905006
Амортизатор
Кол-во
2
?
Оставить заявку
87
1 Е26а-11
Пневмоэлемент "РНОЕNIХ"
Кол-во
4
?
Оставить заявку
None
5460-2912630-40
Опора буфера
Кол-во
0
?
Узнать цену
5460-2912630-40
Опора буфера
ПАО КАМАЗ
под заказ
4 830 ₽
В корзину
None
5460-2912445-40
Кронштейн задней подвески передний
Кол-во
0
?
Оставить заявку
None
5460-2919090-40
Кронштейн реактивной штанги верхний
Кол-во
0
?
Оставить заявку
Нужна помощь в подборе запчастей?
Напишите нам и оставьте ваши контактные данные. Мы перезвоним вам в течение 30 минут или раньше!
Кратвольд Елена
Менеджер по продажам
7 (3513) 289-777
koleso787@bk.ru
Вы должны включить JavaScript чтобы использовать эту форму.
Ваш вопрос
Email
Телефон
Отправляя форму вы подтверждаете согласие с
политикой обработки персональных данных
.
Отправить
Оставьте это поле пустым