Каталог запчастей
Запчасти Камаз
Запчасти Урал
Спецпредложения
О компании
Контакты
+7 (3513) 289-777
Отправить готовую заявку
Группа компаний A-GROUP
Каталог
Запчасти УРАЛ
Запчасти КАМАЗ
Двигатель
Система питания
Система выпуска газов
Система охлаждения
Механизмы управления
Рулевое управление
Тормозная система
Кабина и кузов
Кабина
Оперение кабины
Платформа и кузов
Трансмиссия
Коробка передач
Коробка раздаточная
Сцепление
Карданная передача
Мосты
Ходовая часть
Колеса и ступицы
Ось передняя
Подвеска
Рама
Электрооборудование
Приборы
Специальное оборудование
Устройство седельно-сцепное
Лебедка
Газовое оборудование
Прочие запчасти
Инструмент и принадлежности
Рукава и РТИ
Крепеж
Подшипники
Запчасти двигателя
Система выпуска газов
Система охлаждения
Система питания
Кабина и оперение
Передок кабины
Оперение кабины
Боковина кабины
Двери кабины
Задок кабины
Основание кабины
Крыша кабины
Сиденья кабины
Вентиляция и отопление кабины
Трансмиссия
Коробка передач
Раздаточная коробка
Карданный вал
Сцепление
Передний мост
Средний мост
Задний мост
Ходовая часть
Рама
Подвеска балансирная
Колеса и ступицы
Механизмы управления
Рулевое управление
Тормозная система
Платформа
Электрооборудование
Приборы
Оборудование и инструменты
Коробка отбора мощности
Лебедка
Устройство седельно-сцепное
Инструменты
Поиск
Графические каталоги
0
Группа компаний A-GROUP
Поиск
0
+7 (3513) 289-777
Обратный звонок
Отправить готовую заявку
Группа компаний A-GROUP
0
Меню
Поиск
Каталог запчастей
Запчасти Камаз
Запчасти Урал
Спецпредложения
О компании
Контакты
Главная
Графические каталоги
КамАЗ
КамАЗ-54112
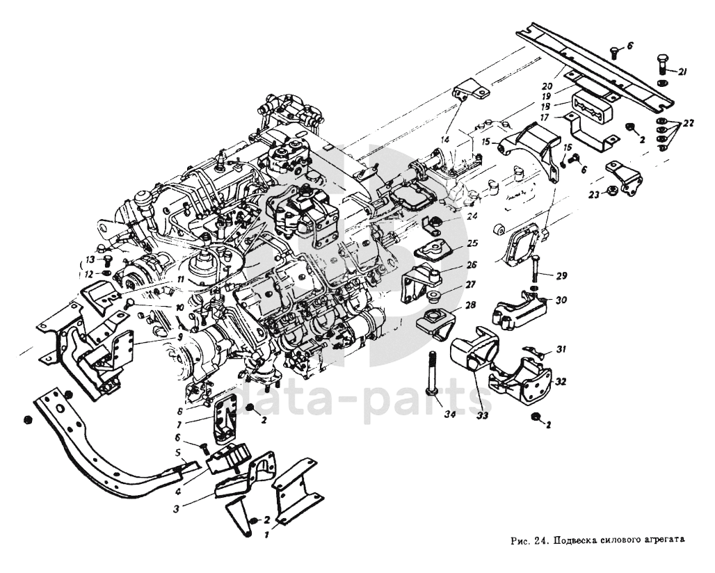
Подвеска силового агрегата
Подвеска силового агрегата КамАЗ-54112
1
2
2
2
2
3
4
5
6
6
6
7
8
9
10
11
12
13
14
15
16
17
18
19
20
21
22
23
24
26
26
27
28
29
30
31
32
33
34
100
%
1
5320-1001016
Стойка кронштейна передней опоры левая
Кол-во
1
?
Оставить заявку
2
251647
Гайка М12х1,25-6Н ОСТ 37.001.197-97
Кол-во
28
?
Оставить заявку
3
5320-1001013
Кронштейн передней опоры силового агрегата
Кол-во
2
?
Оставить заявку
4
5320-1001020
Подушка передней опоры в сборе
Кол-во
2
?
Оставить заявку
5
5320-1001032
Стяжка кронштейнов передней опоры
Кол-во
1
?
Узнать цену
5320-1001032
Стяжка КАМАЗ кронштейнов передней опоры
ПАО КАМАЗ
под заказ
1 798 ₽
В корзину
6
1/55404/21
Болт М12х1,25-6gх30
Кол-во
11
?
Оставить заявку
7
5320-1001015
Кронштейн крепления силового агрегата передний левый
Кол-во
1
?
Оставить заявку
8
1/04826/10
Штифт 12х22
Кол-во
4
?
Оставить заявку
9
5320-1001014
Кронштейн крепления силового агрегата передний правый
Кол-во
1
?
Оставить заявку
10
1/55405/21
Болт М12х1,25-6gх35
Кол-во
2
?
Оставить заявку
11
5320-1001205
Колпак защитный подушки передней опоры правый
Кол-во
1
?
Оставить заявку
12
1/05200/01
Шайба плоская 12х22х3
Кол-во
10
?
Оставить заявку
13
1/42747/21
Болт самоконтрящийся М12х1,25х-6gх40
Кол-во
4
?
Оставить заявку
14
5320-1001173
Кронштейн балки поддерживающей опоры силового агрегата
Кол-во
2
?
Узнать цену
5320-1001173
Кронштейн КАМАЗ балки поддерживающей опоры
ПАО КАМАЗ
под заказ
2 233 ₽
В корзину
15
5320.1001133
Кронштейн поддерживающей опоры
Кол-во
1
?
Оставить заявку
16
1/05170/70
Шайба 12 пружинная
Кол-во
4
?
Оставить заявку
17
54112-1001185
Обойма подушки поддерживающей опоры силового агрегата
Кол-во
1
?
Узнать цену
54112-1001185
Обойма КАМАЗ подушки поддерживающей
ПАО КАМАЗ
под заказ
281 ₽
В корзину
18
5320-1001179
Подушка поддерживающей опоры силового агрегата
Кол-во
1
?
Оставить заявку
19
5320-1001187
Накладка подушки поддерживающей опоры силового агрегата
Кол-во
1
?
Узнать цену
5320-1001187
Накладка КАМАЗ подушки поддерживающей
ПАО КАМАЗ
В наличии 17 шт.
144 ₽
В корзину
20
5320-1001171
Балка поддерживающей опоры силового агрегата
Кол-во
1
?
Узнать цену
5320-1001171
Балка КАМАЗ поддерживающей опоры силового агрегата
ПАО КАМАЗ
В наличии 2 шт.
2 568 ₽
В корзину
21
1/59775/21
Болт М14х1,5-6gх60
Кол-во
2
?
Оставить заявку
22
1/05201/01
Шайба плоская 14,8х26х3
Кол-во
8
?
Оставить заявку
23
251648
Гайка М14х1,5-6Н ОСТ 37.001.197-75
Кол-во
2
?
Оставить заявку
24
853528
Гайка М20х1,5-6Н
Кол-во
2
?
Узнать цену
853528
ГАЙКА М20Х1,5-6Н
АО АЗ Урал
под заказ
44 ₽
В корзину
26
5320-1001075
Колпак защитный подушки задней опоры
Кол-во
2
?
Узнать цену
5320-1001075
Колпак КАМАЗ защитный подушки опоры двигателя задней
ПАО КАМАЗ
под заказ
239 ₽
В корзину
26
5320-1001125
Кронштейн силового агрегата
Кол-во
2
?
Оставить заявку
27
5320-1001128
Втулка опорная башмака задней опоры
Кол-во
2
?
Оставить заявку
28
5320-1001063
Башмак задней опоры силового агрегата
Кол-во
2
?
Узнать цену
5320-1001063
Башмак КАМАЗ опоры двигателя задней
ПАО КАМАЗ
В наличии 6 шт.
1 596 ₽
В корзину
29
1/55416/21
Болт М12х1,25-6gх100
Кол-во
8
?
Оставить заявку
30
5320-1001109
Крышка задней опоры силового агрегата
Кол-во
2
?
Узнать цену
5320-1001109
Крышка КАМАЗ опоры задней двигателя
ПАО КАМАЗ
под заказ
2 248 ₽
В корзину
31
5320-1001085
Прокладка регулировочная задней опоры
Кол-во
4
?
Узнать цену
5320-1001085
Прокладка КАМАЗ регулировочная задней опоры
ПАО КАМАЗ
под заказ
101 ₽
В корзину
32
5320-1001048
Кронштейн задней опоры силового агрегата
Кол-во
2
?
Узнать цену
5320-1001048
Кронштейн КАМАЗ опоры двигателя задней
ПАО КАМАЗ
под заказ
3 206 ₽
В корзину
33
5320-1001051
Подушка задней опоры силового агрегата
Кол-во
2
?
Узнать цену
5320-1001051
Подушка КАМАЗ ЗИЛ-4331 УРАЛ-4320 двигателя задней опоры
АО АЗ Урал
под заказ
734 ₽
В корзину
34
1/59903/21
Болт М20х1,5-6gх160
Кол-во
2
?
Оставить заявку
Нужна помощь в подборе запчастей?
Напишите нам и оставьте ваши контактные данные. Мы перезвоним вам в течение 30 минут или раньше!
Кратвольд Елена
Менеджер по продажам
7 (3513) 289-777
koleso787@bk.ru
Вы должны включить JavaScript чтобы использовать эту форму.
Ваш вопрос
Email
Телефон
Отправляя форму вы подтверждаете согласие с
политикой обработки персональных данных
.
Отправить
Оставьте это поле пустым