Каталог запчастей
Запчасти Камаз
Запчасти Урал
Спецпредложения
О компании
Контакты
+7 (3513) 289-777
Отправить готовую заявку
Группа компаний A-GROUP
Каталог
Запчасти УРАЛ
Запчасти КАМАЗ
Двигатель
Система питания
Система выпуска газов
Система охлаждения
Механизмы управления
Рулевое управление
Тормозная система
Кабина и кузов
Кабина
Оперение кабины
Платформа и кузов
Трансмиссия
Коробка передач
Коробка раздаточная
Сцепление
Карданная передача
Мосты
Ходовая часть
Колеса и ступицы
Ось передняя
Подвеска
Рама
Электрооборудование
Приборы
Специальное оборудование
Устройство седельно-сцепное
Лебедка
Газовое оборудование
Прочие запчасти
Инструмент и принадлежности
Рукава и РТИ
Крепеж
Подшипники
Запчасти двигателя
Система выпуска газов
Система охлаждения
Система питания
Кабина и оперение
Передок кабины
Оперение кабины
Боковина кабины
Двери кабины
Задок кабины
Основание кабины
Крыша кабины
Сиденья кабины
Вентиляция и отопление кабины
Трансмиссия
Коробка передач
Раздаточная коробка
Карданный вал
Сцепление
Передний мост
Средний мост
Задний мост
Ходовая часть
Рама
Подвеска балансирная
Колеса и ступицы
Механизмы управления
Рулевое управление
Тормозная система
Платформа
Электрооборудование
Приборы
Оборудование и инструменты
Коробка отбора мощности
Лебедка
Устройство седельно-сцепное
Инструменты
Поиск
Графические каталоги
0
Группа компаний A-GROUP
Поиск
0
+7 (3513) 289-777
Обратный звонок
Отправить готовую заявку
Группа компаний A-GROUP
0
Меню
Поиск
Каталог запчастей
Запчасти Камаз
Запчасти Урал
Спецпредложения
О компании
Контакты
Главная
Графические каталоги
КамАЗ
КамАЗ-5410
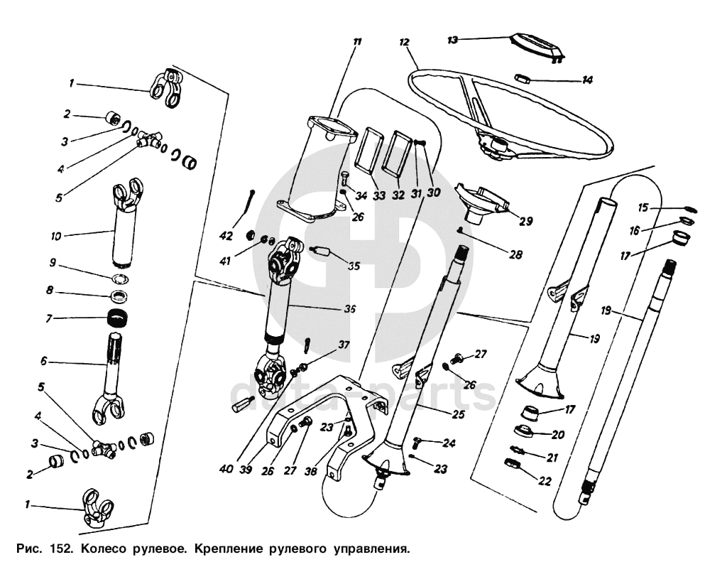
Колесо рулевое. Крепление рулевого управления
Колесо рулевое. Крепление рулевого управления КамАЗ-5410
1
1
2
2
2
3
3
4
4
5
5
6
7
8
9
10
11
12
13
14
15
16
17
17
17
18
19
20
21
22
23
23
24
25
26
26
26
27
27
28
29
30
31
32
33
34
35
36
37
38
39
40
41
42
100
%
1
5320-3422027
Вилка
Кол-во
2
?
Оставить заявку
2
704902К6УС10
Подшипник роликовый игольчатый с одним наружным кольцом ТУ 37-006-065-74
Кол-во
8
?
Оставить заявку
2
864710
Подшипник игольчатый
Кол-во
8
?
Оставить заявку
3
862806
Кольцо Б 62 ГОСТ 13943-68
Кол-во
8
?
Оставить заявку
4
864202
Кольцо уплотнительное крестовины руля
Кол-во
8
?
Оставить заявку
5
5320-3422039
Крестовина карданного вала
Кол-во
2
?
Узнать цену
5320-3422039
Крестовина КАМАЗ вала карданного руля в сборе
ПАО КАМАЗ
В наличии 3 шт.
931 ₽
В корзину
6
5320-3422038
Вилка со шлицевым стержнем
Кол-во
1
?
Оставить заявку
7
5320-3422051
Обойма уплотнительного кольца
Кол-во
1
?
Узнать цену
5320-3422051
Обойма уплотнительного кольца
ПАО КАМАЗ
под заказ
89 ₽
В корзину
8
5320-3422047
Кольцо уплотнительное
Кол-во
1
?
Оставить заявку
9
5320-3422049
Кольцо упорное
Кол-во
1
?
Узнать цену
5320-3422049
Кольцо упорное сальника
ПАО КАМАЗ
под заказ
17 ₽
В корзину
10
5320-3422034
Вилка со шлицевой втулкой в сборе
Кол-во
1
?
Оставить заявку
11
5320-3403066
Фланец крепления колонки
Кол-во
1
?
Узнать цену
5320-3403066
Фланец КАМАЗ крепления колонки рулевой
ПАО КАМАЗ
под заказ
2 237 ₽
В корзину
12
5320-3402015-01
Колесо рулевое в сборе
Кол-во
1
?
Оставить заявку
13
5320-3402060-10
Крышка рулевого колеса верхняя
Кол-во
1
?
Оставить заявку
14
1/07268/11
Гайка М22х1,5-6Н
Кол-во
1
?
Оставить заявку
15
862805
Кольцо упорное
Кол-во
1
?
Оставить заявку
16
5320-3444049
Кольцо разжимное подшипника шарикового
Кол-во
1
?
Оставить заявку
17
636906С17
Подшипник
Кол-во
2
?
Оставить заявку
17
864731
Подшипник шариковый колонки руля в сборе
Кол-во
2
?
Оставить заявку
18
5320-3444032
Вал колонки в сборе
Кол-во
1
?
Узнать цену
5320-3444032
Вал колонки рулевого управления
ПАО КАМАЗ
В наличии 1 шт.
3 186 ₽
В корзину
19
5320-3444022
Труба колонки в сборе
Кол-во
1
?
Узнать цену
5320-3444022
Труба колонки
ПАО КАМАЗ
под заказ
1 668 ₽
В корзину
20
5320-3444044
Обойма уплотнительного кольца колонки руля в сборе
Кол-во
1
?
Узнать цену
5320-3444044
Обойма кольца в сборе
ПАО КАМАЗ
под заказ
122 ₽
В корзину
21
853649
Шайба стопорная 27,5
Кол-во
1
?
Оставить заявку
22
853520
Гайка М27х1,5-6Н
Кол-во
1
?
Оставить заявку
23
1/05166/73
Шайба 8 пружинная
Кол-во
6
?
Оставить заявку
24
1/60434/21
Болт М8-6gх20
Кол-во
4
?
Оставить заявку
25
5320-3444010
Колонка рулевого управления в сборе
Кол-во
1
?
Узнать цену
5320-3444010
Колонка рулевая КАМАЗ в сборе
ПАО КАМАЗ
В наличии 1 шт.
3 984 ₽
В корзину
26
1/05168/73
Шайба 10 пружинная
Кол-во
8
?
Оставить заявку
27
1/59705/21
Болт М10х1,25-6gх20
Кол-во
4
?
Оставить заявку
28
1/03892/01
Винт М5-6gх8
Кол-во
3
?
Оставить заявку
29
5320-3402064
Крышка рулевого колеса нижняя
Кол-во
1
?
Оставить заявку
30
1/32718/01
Винт М4-6gх8
Кол-во
4
?
Оставить заявку
31
1/11953/73
Шайба 4 пружинная
Кол-во
4
?
Оставить заявку
32
5320-3403068
Крышка фланца
Кол-во
1
?
Узнать цену
5320-3403068
Крышка
ПАО КАМАЗ
под заказ
122 ₽
В корзину
33
5320-3403071
Прокладка крышки фланца
Кол-во
1
?
Оставить заявку
34
1/59707/31
Болт М10х1,25-6gх25
Кол-во
4
?
Оставить заявку
35
5320-3422023
Клин
Кол-во
2
?
Узнать цену
5320-3422023
Клин КАМАЗ рулевого кардана
ПАО КАМАЗ
В наличии 12 шт.
160 ₽
В корзину
36
5320-3422010
Вал карданный в сборе
Кол-во
1
?
Узнать цену
5320-3422010
Вал карданный КАМАЗ рулевой
ПАО КАМАЗ
В наличии 1 шт.
6 536 ₽
В корзину
37
1/61008/11
Гайка М8х1,25-6Н
Кол-во
2
?
Оставить заявку
38
1/60432/21
Болт М8-6gх16
Кол-во
2
?
Оставить заявку
39
5320-3403009
Кронштейн крепления колонки в сборе
Кол-во
1
?
Узнать цену
5320-3403009
Кронштейн
ПАО КАМАЗ
В наличии 1 шт.
1 009 ₽
В корзину
40
1/05196/01
Шайба плоская 8х17
Кол-во
2
?
Узнать цену
1/05196/01
Шайба 8*17 1/05196
ПАО Автодизель (ЯМЗ)
под заказ
20 ₽
В корзину
41
1/05166/77
Шайба 8 пружинная
Кол-во
2
?
Оставить заявку
42
1/07342/01
Шплинт разводной 2х15
Кол-во
2
?
Оставить заявку
Нужна помощь в подборе запчастей?
Напишите нам и оставьте ваши контактные данные. Мы перезвоним вам в течение 30 минут или раньше!
Кратвольд Елена
Менеджер по продажам
7 (3513) 289-777
koleso787@bk.ru
Вы должны включить JavaScript чтобы использовать эту форму.
Ваш вопрос
Email
Телефон
Отправляя форму вы подтверждаете согласие с
политикой обработки персональных данных
.
Отправить
Оставьте это поле пустым