Каталог запчастей
Запчасти Камаз
Запчасти Урал
Спецпредложения
О компании
Контакты
+7 (3513) 289-777
Отправить готовую заявку
Группа компаний A-GROUP
Каталог
Запчасти УРАЛ
Запчасти КАМАЗ
Двигатель
Система питания
Система выпуска газов
Система охлаждения
Механизмы управления
Рулевое управление
Тормозная система
Кабина и кузов
Кабина
Оперение кабины
Платформа и кузов
Трансмиссия
Коробка передач
Коробка раздаточная
Сцепление
Карданная передача
Мосты
Ходовая часть
Колеса и ступицы
Ось передняя
Подвеска
Рама
Электрооборудование
Приборы
Специальное оборудование
Устройство седельно-сцепное
Лебедка
Газовое оборудование
Прочие запчасти
Инструмент и принадлежности
Рукава и РТИ
Крепеж
Подшипники
Запчасти двигателя
Система выпуска газов
Система охлаждения
Система питания
Кабина и оперение
Передок кабины
Оперение кабины
Боковина кабины
Двери кабины
Задок кабины
Основание кабины
Крыша кабины
Сиденья кабины
Вентиляция и отопление кабины
Трансмиссия
Коробка передач
Раздаточная коробка
Карданный вал
Сцепление
Передний мост
Средний мост
Задний мост
Ходовая часть
Рама
Подвеска балансирная
Колеса и ступицы
Механизмы управления
Рулевое управление
Тормозная система
Платформа
Электрооборудование
Приборы
Оборудование и инструменты
Коробка отбора мощности
Лебедка
Устройство седельно-сцепное
Инструменты
Поиск
Графические каталоги
0
Группа компаний A-GROUP
Поиск
0
+7 (3513) 289-777
Обратный звонок
Отправить готовую заявку
Группа компаний A-GROUP
0
Меню
Поиск
Каталог запчастей
Запчасти Камаз
Запчасти Урал
Спецпредложения
О компании
Контакты
Главная
Графические каталоги
КамАЗ
КамАЗ-5410
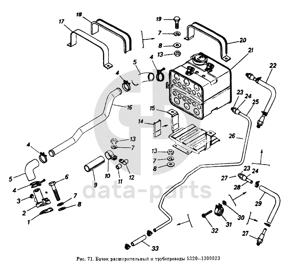
Бачок расширительный и трубопроводы
Бачок расширительный и трубопроводы КамАЗ-5410
1
2
3
4
4
4
4
5
5
6
7
7
7
7
8
8
8
9
10
11
12
13
13
13
14
15
16
17
18
19
20
21
22
23
23
24
24
25
26
27
27
28
29
30
31
32
33
100
%
1
5320-1311058
Прокладка патрубка расширительного бачка
Кол-во
1
?
Оставить заявку
2
5320-1311055
Патрубок
Кол-во
1
?
Узнать цену
5320-1311055
Патрубок КАМАЗ бачка расширительного
ПАО КАМАЗ
В наличии 2 шт.
949 ₽
В корзину
3
870882
Пробка коническая транспортная КГ 3/8"
Кол-во
1
?
Оставить заявку
4
5320-1303032
Хомут 43 в сборе
Кол-во
4
?
Узнать цену
5320-1303032
Хомут КАМАЗ радиатора
ПАО КАМАЗ
под заказ
221 ₽
В корзину
5
5320-1311049
Рукав
Кол-во
2
?
Оставить заявку
6
1/60440/21
Болт М8-6gх40
Кол-во
3
?
Оставить заявку
7
1/05166/77
Шайба 8 пружинная
Кол-во
10
?
Оставить заявку
8
1/05196/01
Шайба плоская 8х17
Кол-во
9
?
Узнать цену
1/05196/01
Шайба 8*17 1/05196
ПАО Автодизель (ЯМЗ)
под заказ
20 ₽
В корзину
9
5320-1311117
Прокладка хомута
Кол-во
1
?
Оставить заявку
10
864408
Хомут 37
Кол-во
1
?
Узнать цену
864408
Хомут КАМАЗ бачка расширительного
ПАО КАМАЗ
под заказ
246 ₽
В корзину
11
5320-1311089
Прокладка хомута
Кол-во
1
?
Оставить заявку
12
864411
Хомут 20 специальный
Кол-во
1
?
Узнать цену
864411
Хомут КАМАЗ рамный D=20мм
ПАО КАМАЗ
под заказ
101 ₽
В корзину
13
1/61008/11
Гайка М8х1,25-6Н
Кол-во
7
?
Оставить заявку
14
5320-1311069
Прокладка
Кол-во
2
?
Оставить заявку
15
5320-1311025
Кронштейн в сборе
Кол-во
1
?
Оставить заявку
16
5320-1311091
Труба перепускная
Кол-во
1
?
Узнать цену
5320-1311091
Трубка
ПАО КАМАЗ
под заказ
1 619 ₽
В корзину
17
5320-1311087
Скоба
Кол-во
1
?
Оставить заявку
18
5320-1311068
Прокладка хомута
Кол-во
1
?
Оставить заявку
19
1/60436/21
Болт М8-6gх25
Кол-во
2
?
Оставить заявку
20
5320-1311086
Скоба верхняя в сборе
Кол-во
1
?
Оставить заявку
21
5320-1311010
Бачок в сборе
Кол-во
1
?
Оставить заявку
22
5320-1311064-01
Трубка от компрессора в сборе
Кол-во
1
?
Оставить заявку
23
864817
Муфта конусная 12
Кол-во
1
?
Узнать цену
864817
Муфта
ПАО КАМАЗ
под заказ
99 ₽
В корзину
24
864813
Гайка накидная М18х1,5-6Н
Кол-во
1
?
Оставить заявку
25
5320-1311061-10
Трубка 12х1
Кол-во
1
?
Оставить заявку
26
5320-1311054-10
Трубка воздухоотводящая в сборе
Кол-во
1
?
Оставить заявку
27
5320-1311067
Трубка в сборе
Кол-во
1
?
Узнать цену
5320-1311067
Труба КАМАЗ от бачка расширительного к водяному насосу
ПАО КАМАЗ
под заказ
270 ₽
В корзину
28
5320-1311078
Трубка 12х1
Кол-во
1
?
Оставить заявку
29
5320-1311066
Рукав
Кол-во
1
?
Оставить заявку
30
1/01969/01
Гайка М4-6Н
Кол-во
2
?
Оставить заявку
31
1/01728/01
Хомут 19
Кол-во
2
?
Узнать цену
1/01728/01
Хомутик
ПАО КАМАЗ
под заказ
106 ₽
В корзину
32
1/32696/01
Винт М4-6gх25
Кол-во
2
?
Оставить заявку
33
5320-1311063-01
Рукав от радиатора к бачку
Кол-во
1
?
Оставить заявку
Нужна помощь в подборе запчастей?
Напишите нам и оставьте ваши контактные данные. Мы перезвоним вам в течение 30 минут или раньше!
Кратвольд Елена
Менеджер по продажам
7 (3513) 289-777
koleso787@bk.ru
Вы должны включить JavaScript чтобы использовать эту форму.
Ваш вопрос
Email
Телефон
Отправляя форму вы подтверждаете согласие с
политикой обработки персональных данных
.
Отправить
Оставьте это поле пустым