Каталог запчастей
Запчасти Камаз
Запчасти Урал
Спецпредложения
О компании
Контакты
7 (3513) 289-777
Отправить готовую заявку
Группа компаний A-GROUP
Каталог
Запчасти УРАЛ
Запчасти КАМАЗ
Двигатель
Система питания
Система выпуска газов
Система охлаждения
Механизмы управления
Рулевое управление
Тормозная система
Кабина и кузов
Кабина
Оперение кабины
Платформа и кузов
Трансмиссия
Коробка передач
Коробка раздаточная
Сцепление
Карданная передача
Мосты
Ходовая часть
Колеса и ступицы
Ось передняя
Подвеска
Рама
Электрооборудование
Приборы
Специальное оборудование
Устройство седельно-сцепное
Лебедка
Газовое оборудование
Прочие запчасти
Инструмент и принадлежности
Рукава и РТИ
Крепеж
Подшипники
Запчасти двигателя
Система выпуска газов
Система охлаждения
Система питания
Кабина и оперение
Передок кабины
Оперение кабины
Боковина кабины
Двери кабины
Задок кабины
Основание кабины
Крыша кабины
Сиденья кабины
Вентиляция и отопление кабины
Трансмиссия
Коробка передач
Раздаточная коробка
Карданный вал
Сцепление
Передний мост
Средний мост
Задний мост
Ходовая часть
Рама
Подвеска балансирная
Колеса и ступицы
Механизмы управления
Рулевое управление
Тормозная система
Платформа
Электрооборудование
Приборы
Оборудование и инструменты
Коробка отбора мощности
Лебедка
Устройство седельно-сцепное
Инструменты
Поиск
Графические каталоги
0
Группа компаний A-GROUP
Поиск
0
+7 (3513) 289-777
Обратный звонок
Отправить готовую заявку
Группа компаний A-GROUP
0
Меню
Поиск
Каталог запчастей
Запчасти Камаз
Запчасти Урал
Спецпредложения
О компании
Контакты
Главная
Графические каталоги
КамАЗ
КамАЗ-5410
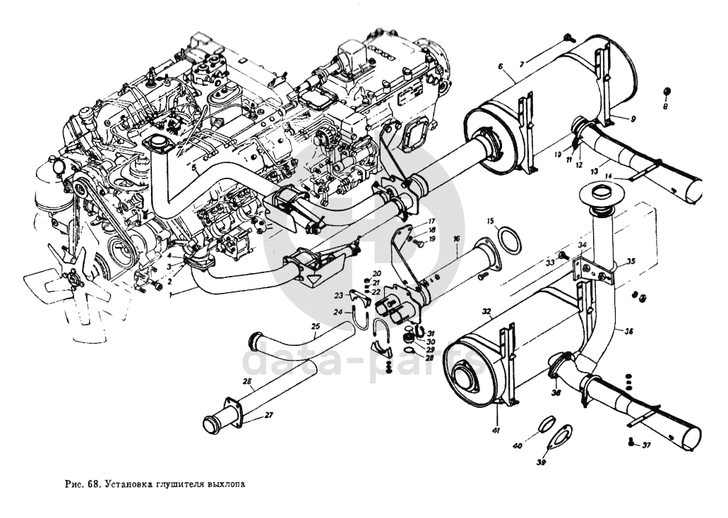
Установка глушителя выхлопа
1
2
3
4
5
6
7
8
9
10
11
12
13
14
15
16
17
18
19
20
21
21
22
23
24
25
26
27
28
29
30
31
32
33
34
35
36
37
38
39
40
41
100
%
1
5320-1203011
Труба приемная левая в сборе
Кол-во
1
?
Узнать цену
5320-1203011
Труба приемная глушителя КАМАЗ левая
ПАО КАМАЗ
В наличии 2 шт.
2 529.70 ₽
В корзину
2
1/21647/40
Гайка М10х1,25-6Н
Кол-во
8
?
Оставить заявку
3
1/05168/77
Шайба 10 пружинная
Кол-во
35
?
Оставить заявку
4
863420
Прокладка
Кол-во
12
?
Оставить заявку
5
5320-1203010
Труба приемная правая в сборе
Кол-во
1
?
Узнать цену
5320-1203010
Труба приемная глушителя КАМАЗ правая
ПАО КАМАЗ
В наличии 3 шт.
2 529.70 ₽
В корзину
6
5320-1201010
Глушитель в сборе
Кол-во
1
?
Узнать цену
5320-1201010
Глушитель КАМАЗ-5320 алюминий сплав
ПАО КАМАЗ
В наличии 2 шт.
12 836.51 ₽
В корзину
7
1/59707/21
Болт М10х1,25-6gх25
Кол-во
8
?
Оставить заявку
8
1/21647/11
Гайка М10х1,25-6Н
Кол-во
23
?
Оставить заявку
9
5320-1203041
Кронштейн крепления глушителя к раме
Кол-во
2
?
Узнать цену
5320-1203041
Кронштейн КАМАЗ крепления глушителя
ПАО КАМАЗ
под заказ
439.34 ₽
В корзину
10
1/26386/01
Шайба плоская 10,6х18х2
Кол-во
4
?
Оставить заявку
11
5320-1203065
Стремянка
Кол-во
1
?
Узнать цену
5320-1203065
Стремянка КАМАЗ глушителя
ПАО КАМАЗ
В наличии 5 шт.
199.75 ₽
В корзину
12
5320-1203060
Хомут
Кол-во
1
?
Узнать цену
5320-1203060
Хомут КАМАЗ трубы выпускной
ПАО КАМАЗ
В наличии 4 шт.
248.64 ₽
В корзину
13
5320-1203016
Патрубок выпускной
Кол-во
1
?
Узнать цену
5320-1203016
Патрубок КАМАЗ выпускной
ПАО КАМАЗ
под заказ
1 059.50 ₽
В корзину
14
5320-1203021
Кронштейн
Кол-во
1
?
Узнать цену
5320-1203021
Кронштейн КАМАЗ крепления патрубка выпускного
ПАО КАМАЗ
под заказ
213.22 ₽
В корзину
15
5320-1203020
Прокладка фланца
Кол-во
1
?
Оставить заявку
16
5320-1203012
Рукав с тройником в сборе
Кол-во
1
?
Оставить заявку
17
5320-1203183
Кронштейн
Кол-во
1
?
Узнать цену
5320-1203183
Кронштейн КАМАЗ металлорукава
ПАО КАМАЗ
под заказ
491.39 ₽
В корзину
18
1/05170/77
Шайба 12 пружинная
Кол-во
2
?
Оставить заявку
19
1/55404/21
Болт М12х1,25-6gх30
Кол-во
2
?
Оставить заявку
20
1/61008/11
Гайка М8х1,25-6Н
Кол-во
6
?
Оставить заявку
21
1/05166/77
Шайба 8 пружинная
Кол-во
6
?
Оставить заявку
22
1/05196/01
Шайба плоская 8х17
Кол-во
6
?
Узнать цену
1/05196/01
Шайба 8*17 1/05196
ПАО Автодизель (ЯМЗ)
под заказ
19.91 ₽
В корзину
23
5320-1203063
Хомут
Кол-во
2
?
Узнать цену
5320-1203063
Хомут КАМАЗ трубы выпускной малый
ПАО КАМАЗ
под заказ
189.84 ₽
В корзину
24
5320-1203057
Стремянка хомута
Кол-во
2
?
Узнать цену
5320-1203057
Хомут КАМАЗ глушителя d=68.5
ПАО КАМАЗ
В наличии 20 шт.
136.05 ₽
В корзину
25
5320-1203214
Труба приемная задняя правая в сборе
Кол-во
1
?
Узнать цену
5320-1203214
Труба приемная глушителя КАМАЗ правая задняя
ПАО КАМАЗ
В наличии 7 шт.
1 715.35 ₽
В корзину
26
5320-1203051
Труба приемная задняя левая в сборе
Кол-во
1
?
Узнать цену
5320-1203051
Труба приемная глушителя КАМАЗ левая задняя
ПАО КАМАЗ
В наличии 2 шт.
1 937.87 ₽
В корзину
27
5320-1203018
Фланец натяжной
Кол-во
2
?
Узнать цену
5320-1203018
Фланец КАМАЗ натяжной трубы глушителя
ПАО КАМАЗ
под заказ
389.58 ₽
В корзину
28
5320-1203623
Петля заглушки
Кол-во
1
?
Оставить заявку
29
5320-1203619
Заглушка газоотборника
Кол-во
1
?
Оставить заявку
30
5320-1203621
Прокладка
Кол-во
1
?
Оставить заявку
31
5320-1015160
Цепь с кольцами в сборе
Кол-во
1
?
Узнать цену
5320-1015160
Цепочка с кольцами
ПАО КАМАЗ
под заказ
188.71 ₽
В корзину
32
4310-1201010
Глушитель в сборе
Кол-во
0
?
Оставить заявку
33
1/13069/21
Болт М10х1,25-6gх30
Кол-во
0
?
Оставить заявку
34
43105-1203069
Кронштейн крепления выпускной трубы
Кол-во
0
?
Оставить заявку
35
5511-1203065
Стремянка хомута
Кол-во
0
?
Узнать цену
5511-1203065
Стремянка
ПАО КАМАЗ
под заказ
208.56 ₽
В корзину
36
5511-1203048
Труба выпускная в сборе
Кол-во
0
?
Узнать цену
5511-1203048
Труба выхлопная глушителя КАМАЗ-5511 (под кузов)
ПАО КАМАЗ
под заказ
9 462.63 ₽
В корзину
37
1/60436/21
Болт М8-6gх25
Кол-во
2
?
Оставить заявку
38
1/13070/21
Болт М10х1,25-6gх40
Кол-во
0
?
Оставить заявку
39
5511-1203023
Прокладка
Кол-во
0
?
Оставить заявку
40
5511-1203079
Втулка глушителя
Кол-во
0
?
Оставить заявку
41
5320-1203047
Хомут в сборе
Кол-во
2
?
Узнать цену
5320-1203047
Хомут КАМАЗ глушителя в сборе
ПАО КАМАЗ
под заказ
632.26 ₽
В корзину
Нужна помощь в подборе запчастей?
Напишите нам и оставьте ваши контактные данные. Мы перезвоним вам в течение 30 минут или раньше!
Кратвольд Елена
Менеджер по продажам
7 (3513) 289-777
koleso787@bk.ru
Вы должны включить JavaScript чтобы использовать эту форму.
Ваш вопрос
Email
Телефон
Отправляя форму вы подтверждаете согласие с
политикой обработки персональных данных
.
Отправить
Оставьте это поле пустым