Каталог запчастей
Запчасти Камаз
Запчасти Урал
Спецпредложения
О компании
Контакты
+7 (3513) 289-777
Отправить готовую заявку
Группа компаний A-GROUP
Каталог
Запчасти УРАЛ
Запчасти КАМАЗ
Двигатель
Система питания
Система выпуска газов
Система охлаждения
Механизмы управления
Рулевое управление
Тормозная система
Кабина и кузов
Кабина
Оперение кабины
Платформа и кузов
Трансмиссия
Коробка передач
Коробка раздаточная
Сцепление
Карданная передача
Мосты
Ходовая часть
Колеса и ступицы
Ось передняя
Подвеска
Рама
Электрооборудование
Приборы
Специальное оборудование
Устройство седельно-сцепное
Лебедка
Газовое оборудование
Прочие запчасти
Инструмент и принадлежности
Рукава и РТИ
Крепеж
Подшипники
Запчасти двигателя
Система выпуска газов
Система охлаждения
Система питания
Кабина и оперение
Передок кабины
Оперение кабины
Боковина кабины
Двери кабины
Задок кабины
Основание кабины
Крыша кабины
Сиденья кабины
Вентиляция и отопление кабины
Трансмиссия
Коробка передач
Раздаточная коробка
Карданный вал
Сцепление
Передний мост
Средний мост
Задний мост
Ходовая часть
Рама
Подвеска балансирная
Колеса и ступицы
Механизмы управления
Рулевое управление
Тормозная система
Платформа
Электрооборудование
Приборы
Оборудование и инструменты
Коробка отбора мощности
Лебедка
Устройство седельно-сцепное
Инструменты
Поиск
Графические каталоги
0
Группа компаний A-GROUP
Поиск
0
+7 (3513) 289-777
Обратный звонок
Отправить готовую заявку
Группа компаний A-GROUP
0
Меню
Поиск
Каталог запчастей
Запчасти Камаз
Запчасти Урал
Спецпредложения
О компании
Контакты
Главная
Графические каталоги
КамАЗ
КамАЗ-5410
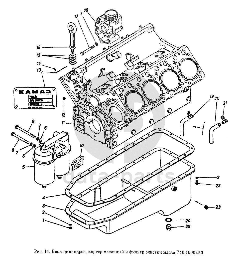
Блок цилиндров, картер масляный и фильтр очистки масла
Блок цилиндров, картер масляный и фильтр очистки масла КамАЗ-5410
1
2
2
3
4
5
6
6
7
7
7
8
9
10
11
12
13
14
15
16
17
18
19
20
21
22
23
24
25
100
%
1
1/61008/11
Гайка М8х1,25-6Н
Кол-во
6
?
Оставить заявку
2
1/05166/73
Шайба 8 пружинная
Кол-во
28
?
Оставить заявку
3
740.1009010
Картер масляный в сборе (сварка)
Кол-во
1
?
Узнать цену
740.1009010
Картер КАМАЗ масляный
ПАО КАМАЗ
под заказ
10 003 ₽
В корзину
4
740.1009040
Прокладка картера масляного
Кол-во
1
?
Оставить заявку
5
740.1012010-01
Фильтр очистки масла в сборе
Кол-во
1
?
Узнать цену
740.1012010-01
ФИЛЬТР В СБ
АО АЗ Урал
под заказ
1 047 ₽
В корзину
6
1/05200/01
Шайба плоская 12х22х3
Кол-во
3
?
Оставить заявку
7
1/05170/73
Шайба 12 пружинная
Кол-во
7
?
Оставить заявку
8
1/55419/21
Болт М12х1,25х130
Кол-во
1
?
Оставить заявку
9
1/55421/21
Болт М12х1,25х150
Кол-во
2
?
Оставить заявку
10
740.1012100-20
Прокладка корпуса масляного фильтра
Кол-во
1
?
Оставить заявку
11
740.1002010
Блок цилиндров в сборе
Кол-во
1
?
Оставить заявку
12
870884
Пробка КГ 1/8" масляного канала
Кол-во
1
?
Оставить заявку
13
740.3904012
Табличка заводская двигателя
Кол-во
1
?
Оставить заявку
14
33.1111910
Гвоздь нарезной
Кол-во
4
?
Оставить заявку
15
870623
Шайба 17 регулировочная
Кол-во
4
?
Оставить заявку
16
740.1002053
Рым-болт
Кол-во
1
?
Узнать цену
740.1002053
Рым-болт
ПАО КАМАЗ
под заказ
869 ₽
В корзину
17
1/55416/21
Болт М12х1,25-6gх100
Кол-во
4
?
Оставить заявку
18
14.1703242
Кронштейн рычага
Кол-во
1
?
Оставить заявку
19
740.1002500
Трубка сливная в сборе
Кол-во
1
?
Оставить заявку
20
740.1002502
Трубка
Кол-во
1
?
Оставить заявку
21
740.1002501
Трубка сливная
Кол-во
1
?
Оставить заявку
22
1/60434/21
Болт М8-6gх20
Кол-во
22
?
Оставить заявку
23
870882
Пробка коническая транспортная КГ 3/8"
Кол-во
1
?
Оставить заявку
24
870625
Прокладка уплотнительная 28х34х2
Кол-во
1
?
Оставить заявку
25
870886
Пробка М28х1,5 сливная
Кол-во
1
?
Узнать цену
870886
Пробка сливная КАМАЗ картера масляного М28х1.5
ПАО КАМАЗ
под заказ
390 ₽
В корзину
Нужна помощь в подборе запчастей?
Напишите нам и оставьте ваши контактные данные. Мы перезвоним вам в течение 30 минут или раньше!
Кратвольд Елена
Менеджер по продажам
7 (3513) 289-777
koleso787@bk.ru
Вы должны включить JavaScript чтобы использовать эту форму.
Ваш вопрос
Email
Телефон
Отправляя форму вы подтверждаете согласие с
политикой обработки персональных данных
.
Отправить
Оставьте это поле пустым