Каталог запчастей
Запчасти Камаз
Запчасти Урал
Спецпредложения
О компании
Контакты
+7 (3513) 289-777
Отправить готовую заявку
Группа компаний A-GROUP
Каталог
Запчасти УРАЛ
Запчасти КАМАЗ
Двигатель
Система питания
Система выпуска газов
Система охлаждения
Механизмы управления
Рулевое управление
Тормозная система
Кабина и кузов
Кабина
Оперение кабины
Платформа и кузов
Трансмиссия
Коробка передач
Коробка раздаточная
Сцепление
Карданная передача
Мосты
Ходовая часть
Колеса и ступицы
Ось передняя
Подвеска
Рама
Электрооборудование
Приборы
Специальное оборудование
Устройство седельно-сцепное
Лебедка
Газовое оборудование
Прочие запчасти
Инструмент и принадлежности
Рукава и РТИ
Крепеж
Подшипники
Запчасти двигателя
Система выпуска газов
Система охлаждения
Система питания
Кабина и оперение
Передок кабины
Оперение кабины
Боковина кабины
Двери кабины
Задок кабины
Основание кабины
Крыша кабины
Сиденья кабины
Вентиляция и отопление кабины
Трансмиссия
Коробка передач
Раздаточная коробка
Карданный вал
Сцепление
Передний мост
Средний мост
Задний мост
Ходовая часть
Рама
Подвеска балансирная
Колеса и ступицы
Механизмы управления
Рулевое управление
Тормозная система
Платформа
Электрооборудование
Приборы
Оборудование и инструменты
Коробка отбора мощности
Лебедка
Устройство седельно-сцепное
Инструменты
Поиск
Графические каталоги
0
Группа компаний A-GROUP
Поиск
0
+7 (3513) 289-777
Обратный звонок
Отправить готовую заявку
Группа компаний A-GROUP
0
Меню
Поиск
Каталог запчастей
Запчасти Камаз
Запчасти Урал
Спецпредложения
О компании
Контакты
Главная
Графические каталоги
КамАЗ
КамАЗ-5360
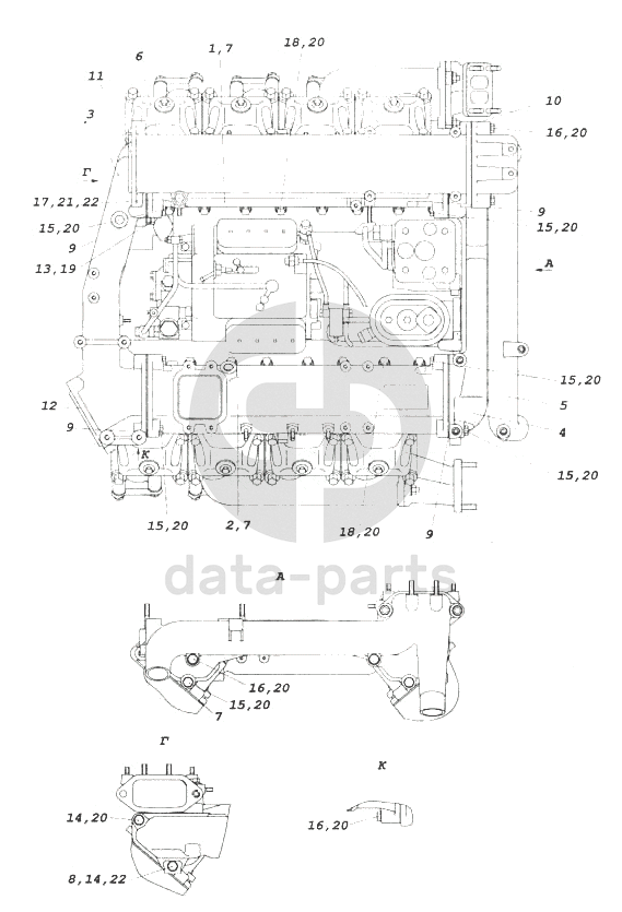
Установка системы впуска
Установка системы впуска КамАЗ-5360
1
2
3
4
5
6
7
7
8
9
9
9
9
10
11
12
13
14
14
15
15
15
15
15
15
16
16
16
17
18
18
19
20
20
20
20
20
20
20
20
20
20
20
20
21
22
22
100
%
1
7406.1115012-40
Коллектор впускной правый
Кол-во
1
?
Узнать цену
7406.1115012-40
Коллектор КАМАЗ-ЕВРО впускной правый в сборе
ПАО КАМАЗ
под заказ
19 363 ₽
В корзину
2
7406.1115014-40
Коллектор впускной левый
Кол-во
1
?
Узнать цену
7406.1115014-40
Коллектор КАМАЗ-ЕВРО впускной левый в сборе
ПАО КАМАЗ
под заказ
18 959 ₽
В корзину
3
7406.1115030-20
Патрубок соединительный
Кол-во
1
?
Узнать цену
7406.1115030-20
Патрубок КАМАЗ-ЕВРО-3 соединительный впускных коллекторов в сборе
ПАО КАМАЗ
под заказ
13 373 ₽
В корзину
4
7406.1115045-40
Патрубок объединительный
Кол-во
1
?
Узнать цену
7406.1115045-40
Патрубок КАМАЗ соединительный
ПАО КАМАЗ
под заказ
14 609 ₽
В корзину
5
7406.1115110-20
Тройник
Кол-во
1
?
Узнать цену
7406.1115110-20
Тройник КАМАЗ-ЕВРО-3 коллектора выпускного правый
ПАО КАМАЗ
под заказ
18 284 ₽
В корзину
6
7406.1115122-10
Труба подводящая
Кол-во
1
?
Узнать цену
7406.1115122-10
Труба КАМАЗ-ЕВРО-2 3 ТКР подводящая
ПАО КАМАЗ
под заказ
12 113 ₽
В корзину
7
740.1115026-01
Прокладка впускного коллектора
Кол-во
8
?
Узнать цену
740.1115026-01
Прокладка КАМАЗ коллектора впускного УРАЛАТИ
АО АЗ Урал
под заказ
28 ₽
В корзину
8
740.1115038
Шайба опорная
Кол-во
1
?
Узнать цену
740.1115038
Шайба опорная
ПАО КАМАЗ
под заказ
18 ₽
В корзину
9
7406.1115050-10
Прокладка патрубка объединительного
Кол-во
4
?
Оставить заявку
10
7406.1115115
Прокладка трубы подводящей
Кол-во
1
?
Оставить заявку
11
740.21-1115117
Заглушка трубы подводящей
Кол-во
1
?
Оставить заявку
12
740.21-1115119
Заглушка патрубка соединительного
Кол-во
1
?
Оставить заявку
13
1/59703/21
Болт М10х1,25-6gх16
Кол-во
1
?
Оставить заявку
14
1/59709/21
Болт М10х1,25-6gх35
Кол-во
2
?
Оставить заявку
15
1/13438/21
Болт М10х1,25-6gх50
Кол-во
9
?
Оставить заявку
16
1/12880/21
Болт М10х1,25-6gх60
Кол-во
5
?
Оставить заявку
17
1/13437/21
Болт М10х1,25-6gх65
Кол-во
1
?
Оставить заявку
18
1/59718/21
Болт М10х1,25-6gх100
Кол-во
16
?
Оставить заявку
19
1/02844/60
Прокладка уплотнительная 10х16х1,5
Кол-во
1
?
Оставить заявку
20
1/26014/73
Шайба 10 волнистая
Кол-во
31
?
Оставить заявку
21
1/26468/01
Шайба плоская 10,2х25х2
Кол-во
1
?
Оставить заявку
22
1/05168/73
Шайба 10 пружинная
Кол-во
2
?
Оставить заявку
Нужна помощь в подборе запчастей?
Напишите нам и оставьте ваши контактные данные. Мы перезвоним вам в течение 30 минут или раньше!
Кратвольд Елена
Менеджер по продажам
7 (3513) 289-777
koleso787@bk.ru
Вы должны включить JavaScript чтобы использовать эту форму.
Ваш вопрос
Email
Телефон
Отправляя форму вы подтверждаете согласие с
политикой обработки персональных данных
.
Отправить
Оставьте это поле пустым