Каталог запчастей
Запчасти Камаз
Запчасти Урал
Спецпредложения
О компании
Контакты
+7 (3513) 289-777
Отправить готовую заявку
Группа компаний A-GROUP
Каталог
Запчасти УРАЛ
Запчасти КАМАЗ
Двигатель
Система питания
Система выпуска газов
Система охлаждения
Механизмы управления
Рулевое управление
Тормозная система
Кабина и кузов
Кабина
Оперение кабины
Платформа и кузов
Трансмиссия
Коробка передач
Коробка раздаточная
Сцепление
Карданная передача
Мосты
Ходовая часть
Колеса и ступицы
Ось передняя
Подвеска
Рама
Электрооборудование
Приборы
Специальное оборудование
Устройство седельно-сцепное
Лебедка
Газовое оборудование
Прочие запчасти
Инструмент и принадлежности
Рукава и РТИ
Крепеж
Подшипники
Запчасти двигателя
Система выпуска газов
Система охлаждения
Система питания
Кабина и оперение
Передок кабины
Оперение кабины
Боковина кабины
Двери кабины
Задок кабины
Основание кабины
Крыша кабины
Сиденья кабины
Вентиляция и отопление кабины
Трансмиссия
Коробка передач
Раздаточная коробка
Карданный вал
Сцепление
Передний мост
Средний мост
Задний мост
Ходовая часть
Рама
Подвеска балансирная
Колеса и ступицы
Механизмы управления
Рулевое управление
Тормозная система
Платформа
Электрооборудование
Приборы
Оборудование и инструменты
Коробка отбора мощности
Лебедка
Устройство седельно-сцепное
Инструменты
Поиск
Графические каталоги
0
Группа компаний A-GROUP
Поиск
0
+7 (3513) 289-777
Обратный звонок
Отправить готовую заявку
Группа компаний A-GROUP
0
Меню
Поиск
Каталог запчастей
Запчасти Камаз
Запчасти Урал
Спецпредложения
О компании
Контакты
Главная
Графические каталоги
КамАЗ
КамАЗ-53504 (6х6)
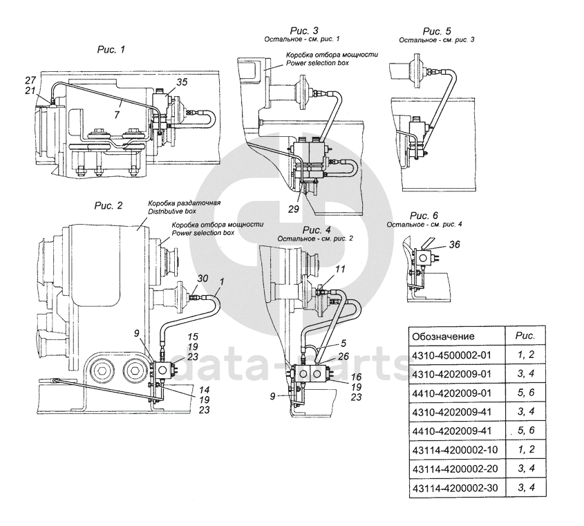
4310-4500002-01 Установка управления коробкой отбора мощности
4310-4500002-01 Установка управления коробкой отбора мощности КамАЗ-53504 (6х6)
4310-4500002-01
4310-4202009-01
4410-4202009-01
4310-4202009-41
4410-4202009-41
43114-4200002-10
43114-4200002-20
43114-4200002-30
1
5
7
7
9
9
11
14
15
16
19
19
19
21
23
23
23
26
27
29
30
35
100
%
1
5320-3506368
Шланг гибкий соединительный
Кол-во
1
?
Узнать цену
5320-3506368
Шланг тормозной КАМАЗ подкабинный
ПАО КАМАЗ
под заказ
525 ₽
В корзину
5
4310-4202196-01
Трубка к клапану управления
Кол-во
1
?
Оставить заявку
7
43114-4204280-10
Трубка
Кол-во
1
?
Оставить заявку
7
4310-4202280-01
Трубка к клапану управления
Кол-во
1
?
Оставить заявку
9
4310-4204131-01
Пластина клапана
Кол-во
1
?
Узнать цену
4310-4204131-01
Пластина
ПАО КАМАЗ
под заказ
201 ₽
В корзину
11
4310-4202315
Переходник
Кол-во
1
?
Узнать цену
4310-4202315
Переходник
ПАО КАМАЗ
под заказ
194 ₽
В корзину
14
1/60436/21
Болт М8-6gх25
Кол-во
3
?
Оставить заявку
15
1/60443/21
Болт М8-6gх55
Кол-во
2
?
Оставить заявку
16
1/60461/21
Болт М8-6gх100 табл. ВАЗ
Кол-во
2
?
Оставить заявку
19
1/61008/11
Гайка М8х1,25-6Н
Кол-во
5
?
Оставить заявку
21
1/02984/60
Прокладка 12,2х18х1,5
Кол-во
1
?
Оставить заявку
23
1/05166/77
Шайба 8 пружинная
Кол-во
5
?
Оставить заявку
26
853965
Угольник 6 ввертный
Кол-во
1
?
Узнать цену
853965
Угольник КАМАЗ М10х10
ПАО КАМАЗ
В наличии 14 шт.
263 ₽
В корзину
27
853979
Штуцер ввертный 8
Кол-во
1
?
Узнать цену
853979
Штуцер КАМАЗ ввертный клапана М10х12
ПАО КАМАЗ
под заказ
140 ₽
В корзину
29
864869
Тройник 6 ввертный
Кол-во
1
?
Узнать цену
864869
Тройник КАМАЗ М10х1.0-К1/8
ПАО КАМАЗ
В наличии 6 шт.
226 ₽
В корзину
30
864870
Штуцер ввертный
Кол-во
2
?
Оставить заявку
35
КЭБ-420
Клапан электромагнитный
Кол-во
1
?
Оставить заявку
None
4310-4202009-01
Установка управления коробкой отбора мощности
Кол-во
0
?
Оставить заявку
None
4410-4202009-01
Установка управления коробкой отбора мощности
Кол-во
0
?
Оставить заявку
None
4310-4202009-41
Установка управления коробкой отбора мощности
Кол-во
0
?
Оставить заявку
None
4410-4202009-41
Установка управления коробкой отбора мощности
Кол-во
0
?
Оставить заявку
None
43114-4200002-10
Установка управления коробкой отбора мощности
Кол-во
0
?
Оставить заявку
None
43114-4200002-20
Установка управления коробкой отбора мощности
Кол-во
0
?
Оставить заявку
None
43114-4200002-30
Установка управления коробкой отбора мощности
Кол-во
0
?
Оставить заявку
None
4310-4500002-01
Установка управления коробкой отбора мощности
Кол-во
0
?
Оставить заявку
Нужна помощь в подборе запчастей?
Напишите нам и оставьте ваши контактные данные. Мы перезвоним вам в течение 30 минут или раньше!
Кратвольд Елена
Менеджер по продажам
7 (3513) 289-777
koleso787@bk.ru
Вы должны включить JavaScript чтобы использовать эту форму.
Ваш вопрос
Email
Телефон
Отправляя форму вы подтверждаете согласие с
политикой обработки персональных данных
.
Отправить
Оставьте это поле пустым