Каталог запчастей
Запчасти Камаз
Запчасти Урал
Спецпредложения
О компании
Контакты
+7 (3513) 289-777
Отправить готовую заявку
Группа компаний A-GROUP
Каталог
Запчасти УРАЛ
Запчасти КАМАЗ
Двигатель
Система питания
Система выпуска газов
Система охлаждения
Механизмы управления
Рулевое управление
Тормозная система
Кабина и кузов
Кабина
Оперение кабины
Платформа и кузов
Трансмиссия
Коробка передач
Коробка раздаточная
Сцепление
Карданная передача
Мосты
Ходовая часть
Колеса и ступицы
Ось передняя
Подвеска
Рама
Электрооборудование
Приборы
Специальное оборудование
Устройство седельно-сцепное
Лебедка
Газовое оборудование
Прочие запчасти
Инструмент и принадлежности
Рукава и РТИ
Крепеж
Подшипники
Запчасти двигателя
Система выпуска газов
Система охлаждения
Система питания
Кабина и оперение
Передок кабины
Оперение кабины
Боковина кабины
Двери кабины
Задок кабины
Основание кабины
Крыша кабины
Сиденья кабины
Вентиляция и отопление кабины
Трансмиссия
Коробка передач
Раздаточная коробка
Карданный вал
Сцепление
Передний мост
Средний мост
Задний мост
Ходовая часть
Рама
Подвеска балансирная
Колеса и ступицы
Механизмы управления
Рулевое управление
Тормозная система
Платформа
Электрооборудование
Приборы
Оборудование и инструменты
Коробка отбора мощности
Лебедка
Устройство седельно-сцепное
Инструменты
Поиск
Графические каталоги
0
Группа компаний A-GROUP
Поиск
0
+7 (3513) 289-777
Обратный звонок
Отправить готовую заявку
Группа компаний A-GROUP
0
Меню
Поиск
Каталог запчастей
Запчасти Камаз
Запчасти Урал
Спецпредложения
О компании
Контакты
Главная
Графические каталоги
КамАЗ
КамАЗ-53501 (6х6)
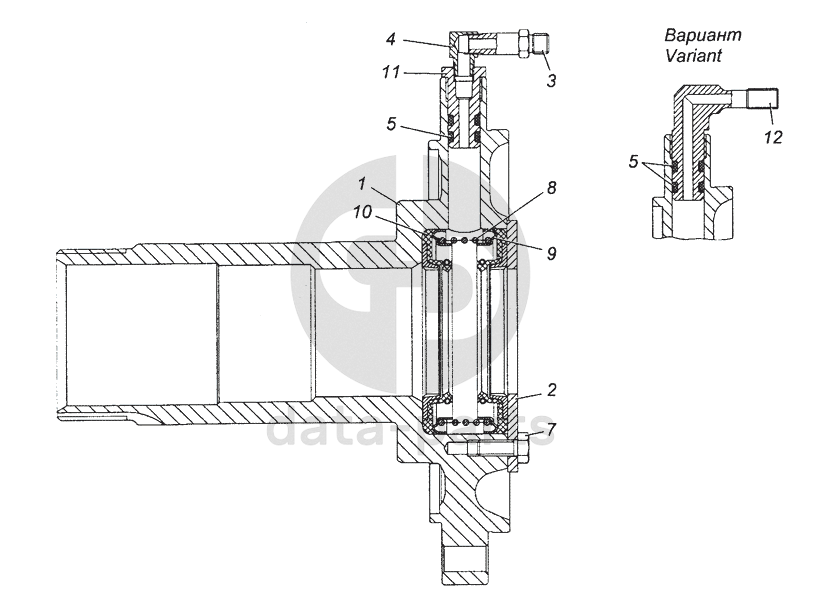
43114-2401081 Цапфа заднего моста левая
43114-2401081 Цапфа заднего моста левая КамАЗ-53501 (6х6)
43114-2401081
43114-2401080
1
1
2
3
4
5
5
7
8
9
10
11
12
100
%
1
43114-2304085
Цапфа поворотного кулака левая
Кол-во
1
?
Оставить заявку
1
43114-2304084
Цапфа поворотного кулака правая
Кол-во
1
?
Оставить заявку
2
4310-2401129
Кольцо цапфы
Кол-во
1
?
Узнать цену
4310-2401129
Кольцо КАМАЗ-4310 цапфы заднего моста
ПАО КАМАЗ
под заказ
416 ₽
В корзину
3
4310-3124065
Штуцер ввертный передних колес
Кол-во
1
?
Узнать цену
4310-3124065
Штуцер КАМАЗ подкачки колеса переднего
ПАО КАМАЗ
под заказ
56 ₽
В корзину
4
4310-3124069
Переходник системы накачки шин задних колес
Кол-во
1
?
Узнать цену
4310-3124069
Переходник
ПАО КАМАЗ
под заказ
192 ₽
В корзину
5
4310-3124079
Кольцо уплотнительное
Кол-во
2
?
Оставить заявку
7
1/42381/21
Болт самоконтрящийся
Кол-во
4
?
Оставить заявку
8
620-3124027
Пружина распорная
Кол-во
1
?
Оставить заявку
9
620-3124044
Кольцо опорное
Кол-во
2
?
Оставить заявку
10
620-3124050
Манжета в сборе
Кол-во
2
?
Оставить заявку
11
620-3124063
Штуцер
Кол-во
1
?
Оставить заявку
12
620-3124064
Угольник
Кол-во
1
?
Оставить заявку
None
43114-2401080
Цапфа заднего моста правая
Кол-во
0
?
Узнать цену
43114-2401080
Цапфа КАМАЗ правая в сборе
ПАО КАМАЗ
В наличии 11 шт.
18 524 ₽
В корзину
None
43114-2401081
Цапфа заднего моста левая
Кол-во
0
?
Узнать цену
43114-2401081
Цапфа КАМАЗ левая в сборе
ПАО КАМАЗ
В наличии 21 шт.
18 524 ₽
В корзину
Нужна помощь в подборе запчастей?
Напишите нам и оставьте ваши контактные данные. Мы перезвоним вам в течение 30 минут или раньше!
Кратвольд Елена
Менеджер по продажам
7 (3513) 289-777
koleso787@bk.ru
Вы должны включить JavaScript чтобы использовать эту форму.
Ваш вопрос
Email
Телефон
Отправляя форму вы подтверждаете согласие с
политикой обработки персональных данных
.
Отправить
Оставьте это поле пустым