Каталог запчастей
Запчасти Камаз
Запчасти Урал
Спецпредложения
О компании
Контакты
+7 (3513) 289-777
Отправить готовую заявку
Группа компаний A-GROUP
Каталог
Запчасти УРАЛ
Запчасти КАМАЗ
Двигатель
Система питания
Система выпуска газов
Система охлаждения
Механизмы управления
Рулевое управление
Тормозная система
Кабина и кузов
Кабина
Оперение кабины
Платформа и кузов
Трансмиссия
Коробка передач
Коробка раздаточная
Сцепление
Карданная передача
Мосты
Ходовая часть
Колеса и ступицы
Ось передняя
Подвеска
Рама
Электрооборудование
Приборы
Специальное оборудование
Устройство седельно-сцепное
Лебедка
Газовое оборудование
Прочие запчасти
Инструмент и принадлежности
Рукава и РТИ
Крепеж
Подшипники
Запчасти двигателя
Система выпуска газов
Система охлаждения
Система питания
Кабина и оперение
Передок кабины
Оперение кабины
Боковина кабины
Двери кабины
Задок кабины
Основание кабины
Крыша кабины
Сиденья кабины
Вентиляция и отопление кабины
Трансмиссия
Коробка передач
Раздаточная коробка
Карданный вал
Сцепление
Передний мост
Средний мост
Задний мост
Ходовая часть
Рама
Подвеска балансирная
Колеса и ступицы
Механизмы управления
Рулевое управление
Тормозная система
Платформа
Электрооборудование
Приборы
Оборудование и инструменты
Коробка отбора мощности
Лебедка
Устройство седельно-сцепное
Инструменты
Поиск
Графические каталоги
0
Группа компаний A-GROUP
Поиск
0
+7 (3513) 289-777
Обратный звонок
Отправить готовую заявку
Группа компаний A-GROUP
0
Меню
Поиск
Каталог запчастей
Запчасти Камаз
Запчасти Урал
Спецпредложения
О компании
Контакты
Главная
Графические каталоги
КамАЗ
КамАЗ-5350 (6х6)
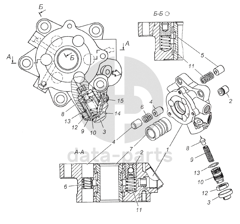
4310-3430012 Клапан управления гидроусилителем руля в сборе
4310-3430012 Клапан управления гидроусилителем руля в сборе КамАЗ-5350 (6х6)
1
2
2
3
3
4
4
5
6
6
7
8
8
9
9
10
10
11
11
12
12
13
13
14
15
100
%
1
4310-3430014
Корпус клапана
Кол-во
1
?
Оставить заявку
2
5320-3430220-01
Клапан обратный в сборе
Кол-во
1
?
Оставить заявку
3
4310-3401780
Колпачок регулировочного винта предохранительного клапана
Кол-во
6
?
Оставить заявку
4
5320-3430041
Плунжер реактивный
Кол-во
2
?
Оставить заявку
5
5320-3430045
Плунжер глухого отверстия
Кол-во
3
?
Оставить заявку
6
5320-3430063
Пружина реактивная малая
Кол-во
1
?
Оставить заявку
7
5320-3430115
Золотник
Кол-во
1
?
Оставить заявку
8
4310-3430174
Клапан предохранительный
Кол-во
1
?
Оставить заявку
9
4310-3430175
Пружина предохранительного клапана
Кол-во
1
?
Оставить заявку
10
4310-3430179
Винт регулировочный
Кол-во
1
?
Оставить заявку
11
5320-3430247
Пружина реактивная большая
Кол-во
3
?
Оставить заявку
12
853566
Контргайка М12х1,5-6Н
Кол-во
1
?
Оставить заявку
13
740.1003439
Кольцо уплотнительное
Кол-во
1
?
Оставить заявку
14
258226
Шплинт
Кол-во
1
?
Оставить заявку
15
379432
Пломба
Кол-во
1
?
Оставить заявку
Нужна помощь в подборе запчастей?
Напишите нам и оставьте ваши контактные данные. Мы перезвоним вам в течение 30 минут или раньше!
Кратвольд Елена
Менеджер по продажам
7 (3513) 289-777
koleso787@bk.ru
Вы должны включить JavaScript чтобы использовать эту форму.
Ваш вопрос
Email
Телефон
Отправляя форму вы подтверждаете согласие с
политикой обработки персональных данных
.
Отправить
Оставьте это поле пустым