Каталог запчастей
Запчасти Камаз
Запчасти Урал
Спецпредложения
О компании
Контакты
7 (3513) 289-777
Отправить готовую заявку
Группа компаний A-GROUP
Каталог
Запчасти УРАЛ
Запчасти КАМАЗ
Двигатель
Система питания
Система выпуска газов
Система охлаждения
Механизмы управления
Рулевое управление
Тормозная система
Кабина и кузов
Кабина
Оперение кабины
Платформа и кузов
Трансмиссия
Коробка передач
Коробка раздаточная
Сцепление
Карданная передача
Мосты
Ходовая часть
Колеса и ступицы
Ось передняя
Подвеска
Рама
Электрооборудование
Приборы
Специальное оборудование
Устройство седельно-сцепное
Лебедка
Газовое оборудование
Прочие запчасти
Инструмент и принадлежности
Рукава и РТИ
Крепеж
Подшипники
Запчасти двигателя
Система выпуска газов
Система охлаждения
Система питания
Кабина и оперение
Передок кабины
Оперение кабины
Боковина кабины
Двери кабины
Задок кабины
Основание кабины
Крыша кабины
Сиденья кабины
Вентиляция и отопление кабины
Трансмиссия
Коробка передач
Раздаточная коробка
Карданный вал
Сцепление
Передний мост
Средний мост
Задний мост
Ходовая часть
Рама
Подвеска балансирная
Колеса и ступицы
Механизмы управления
Рулевое управление
Тормозная система
Платформа
Электрооборудование
Приборы
Оборудование и инструменты
Коробка отбора мощности
Лебедка
Устройство седельно-сцепное
Инструменты
Поиск
Графические каталоги
0
Группа компаний A-GROUP
Поиск
0
+7 (3513) 289-777
Обратный звонок
Отправить готовую заявку
Группа компаний A-GROUP
0
Меню
Поиск
Каталог запчастей
Запчасти Камаз
Запчасти Урал
Спецпредложения
О компании
Контакты
Главная
Графические каталоги
КамАЗ
КамАЗ-53212
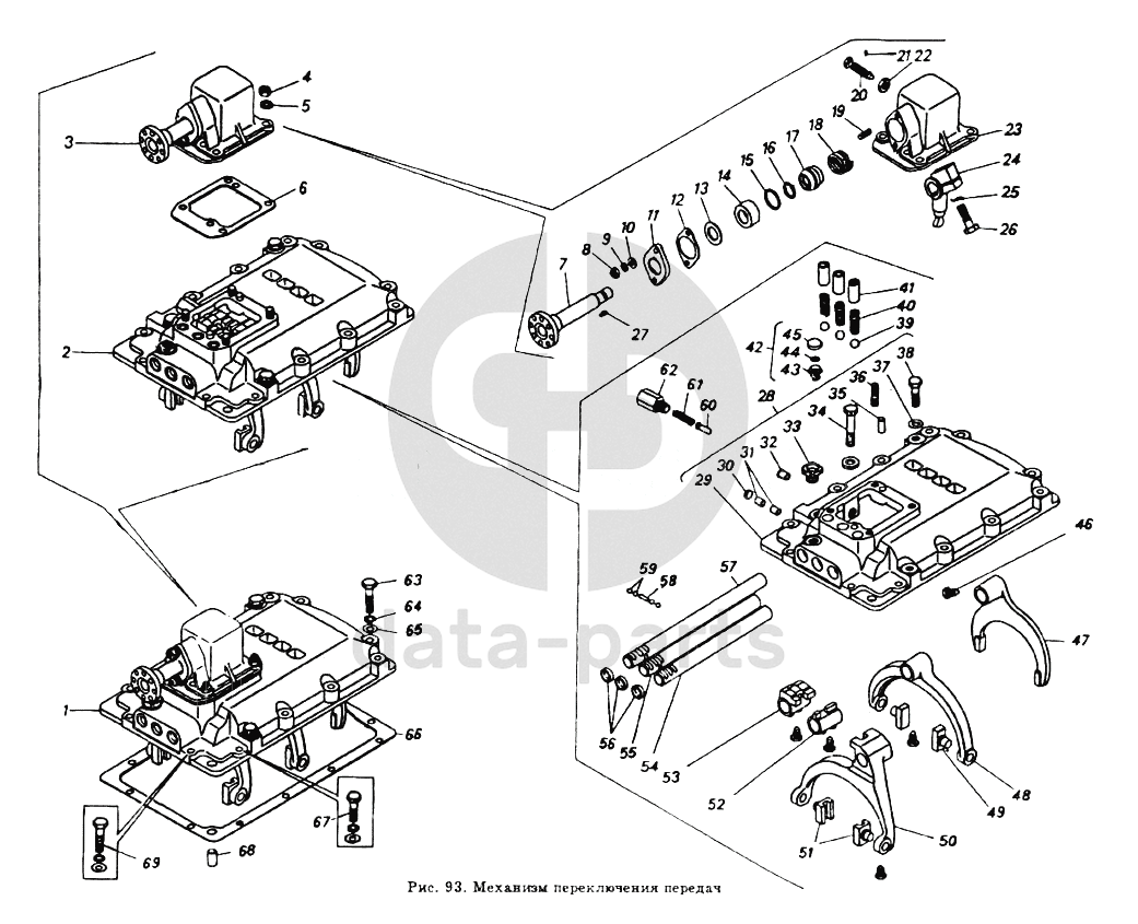
Механизм переключения передач
1
2
3
4
5
6
7
8
9
10
11
12
13
14
15
16
17
18
19
20
21
22
23
24
25
26
27
28
29
30
31
32
33
34
35
36
37
38
39
40
41
42
43
44
45
46
47
48
49
50
51
52
53
54
55
56
57
58
59
60
61
62
63
64
65
66
67
68
69
100
%
1
14.1702005-10
Механизм переключения передач в сборе
Кол-во
0
?
Узнать цену
14.1702005-10
Механизм переключения передач КАМАЗ в сборе с опорой КПП
ПАО КАМАЗ
В наличии 1 шт.
49 784.66 ₽
В корзину
2
14.1702010
Механизм переключения передач в сборе
Кол-во
0
?
Узнать цену
14.1702010
Механизм переключения передач
ПАО КАМАЗ
под заказ
29 316.11 ₽
В корзину
3
14.1702200-10
Опора рычага переключения передач в сборе
Кол-во
0
?
Узнать цену
14.1702200-10
Опора КАМАЗ рычага переключения передач в сборе
ПАО КАМАЗ
В наличии 2 шт.
7 088.57 ₽
В корзину
4
1/21647/21
Гайка М10х1,25-6Н
Кол-во
0
?
Оставить заявку
5
1/05168/73
Шайба 10 пружинная
Кол-во
0
?
Оставить заявку
6
14.1702122
Прокладка фланца верхней крышки
Кол-во
0
?
Оставить заявку
7
14.1702221-10
Шток рычага
Кол-во
0
?
Узнать цену
14.1702221-10
Шток КАМАЗ механизма переключения передач
ПАО КАМАЗ
В наличии 1 шт.
1 006.86 ₽
В корзину
8
1/61008/11
Гайка М8х1,25-6Н
Кол-во
0
?
Оставить заявку
9
1/05166/73
Шайба 8 пружинная
Кол-во
0
?
Оставить заявку
10
1/05196/01
Шайба плоская 8х17
Кол-во
0
?
Узнать цену
1/05196/01
Шайба 8*17 1/05196
ПАО Автодизель (ЯМЗ)
под заказ
19.91 ₽
В корзину
11
14.1702240
Крышка опоры рычага
Кол-во
0
?
Узнать цену
14.1702240
Крышка
ПАО КАМАЗ
под заказ
642.98 ₽
В корзину
12
14.1702238
Прокладка уплотнительная крышки опоры рычага
Кол-во
0
?
Оставить заявку
13
14.1702246
Кольцо защитное
Кол-во
0
?
Оставить заявку
14
14.1702213
Сухарь опоры штока
Кол-во
0
?
Узнать цену
14.1702213
Сухарь КАМАЗ опоры штока рычага переключения передач
ПАО КАМАЗ
под заказ
439.21 ₽
В корзину
15
14.1701234
Кольцо уплотнительное
Кол-во
0
?
Оставить заявку
16
864234
Кольцо уплотнительное
Кол-во
0
?
Оставить заявку
17
14.1702210
Опора штока
Кол-во
0
?
Узнать цену
14.1702210
Опора КАМАЗ штока рычага переключения передач
ПАО КАМАЗ
В наличии 2 шт.
840.97 ₽
В корзину
18
14.1702236
Пружина
Кол-во
0
?
Оставить заявку
19
1/35435/21
Шпилька М8х1,25х16х25
Кол-во
0
?
Оставить заявку
20
870352
Болт установочный М10х1,25-6gх45
Кол-во
0
?
Оставить заявку
21
870764
Штифт 3,6х5
Кол-во
0
?
Оставить заявку
22
1/07910/11
Гайка М10х1,25-6Н
Кол-во
0
?
Оставить заявку
23
14.1702209-10
Опора рычага переключения передач
Кол-во
0
?
Оставить заявку
24
14.1702222-10
Рычаг переключения передач
Кол-во
0
?
Узнать цену
14.1702222-10
Рычаг переключения передач
ПАО КАМАЗ
под заказ
1 945.67 ₽
В корзину
25
870856
Шайба замковая 12,3
Кол-во
0
?
Оставить заявку
26
870026
Болт М12х1,25-6gх45
Кол-во
0
?
Оставить заявку
27
870812
Шпонка сегментная 5х10х25
Кол-во
0
?
Узнать цену
870812
Шпонка КАМАЗ распредвала опоры КПП 5х10х25
ПАО КАМАЗ
под заказ
71.73 ₽
В корзину
28
14.1702013
Крышка коробки передач верхняя в сборе
Кол-во
0
?
Узнать цену
14.1702013
Крышка верхняя в сборе
ПАО КАМАЗ
под заказ
21 778.16 ₽
В корзину
29
14.1702015
Крышка коробки передач верхняя
Кол-во
0
?
Узнать цену
14.1702015
Крышка КПП КАМАЗ верхняя
ПАО КАМАЗ
под заказ
19 741.59 ₽
В корзину
30
1/43285/01
Заглушка чашечная 16
Кол-во
0
?
Узнать цену
1/43285/01
Заглушка
ПАО КАМАЗ
под заказ
39.44 ₽
В корзину
31
14.1702090
Втулка шариков замка штока
Кол-во
0
?
Узнать цену
14.1702090
Втулка шариков
ПАО КАМАЗ
под заказ
71.72 ₽
В корзину
32
14.1702022
Втулка
Кол-во
0
?
Узнать цену
14.1702022
Втулка
ПАО КАМАЗ
под заказ
187.54 ₽
В корзину
33
853889
Пробка транспортная
Кол-во
0
?
Оставить заявку
34
870024
Болт М10х1,25-6gх40
Кол-во
0
?
Оставить заявку
35
1/03389/26
Штифт цилиндрический 10х25
Кол-во
0
?
Оставить заявку
36
1/35465/21
Шпилька М10х1,25х20х30
Кол-во
0
?
Оставить заявку
37
1/26386/01
Шайба плоская 10,6х18х2
Кол-во
0
?
Оставить заявку
38
1/13070/21
Болт М10х1,25-6gх40
Кол-во
0
?
Оставить заявку
39
14.1702100
Шарик
Кол-во
0
?
Оставить заявку
40
14.1702106
Пружина стопорного шарика
Кол-во
0
?
Оставить заявку
41
14.1702088
Стакан стопорного шарика механизма переключения
Кол-во
0
?
Узнать цену
14.1702088
Стакан
ПАО КАМАЗ
под заказ
130.75 ₽
В корзину
42
14.1702170
Сапун коробки передач в сборе
Кол-во
0
?
Узнать цену
14.1702170
Сапун КАМАЗ крышки КПП механизма переключения МиМ
АО АЗ Урал
под заказ
182.58 ₽
В корзину
43
14.1702171
Корпус сапуна
Кол-во
0
?
Оставить заявку
44
14.1702173
Сетка сапуна
Кол-во
0
?
Оставить заявку
45
14.1702172
Колпак
Кол-во
0
?
Оставить заявку
46
14.1702025
Винт установочный
Кол-во
0
?
Узнать цену
14.1702025
Винт
ПАО КАМАЗ
под заказ
94.42 ₽
В корзину
47
14.1702024
Вилка переключения 1-й передачи и передачи заднего хода
Кол-во
0
?
Узнать цену
14.1702024
Вилка КПП КАМАЗ 1-й передачи и заднего хода
ПАО КАМАЗ
В наличии 4 шт.
1 874.71 ₽
В корзину
48
14.1702027
Вилка переключения 2-й и 3-й передач
Кол-во
0
?
Узнать цену
14.1702027
Вилка КПП КАМАЗ 2 3-й передачи
ПАО КАМАЗ
В наличии 5 шт.
2 667.71 ₽
В корзину
49
14.1702029
Сухарь вилки переключения второй и третьей передач
Кол-во
0
?
Узнать цену
14.1702029
Сухарь КАМАЗ вилки 2-3 передачи и делителя
ПАО КАМАЗ
В наличии 12 шт.
415.95 ₽
В корзину
50
14.1702033
Вилка переключения 4-ой и 5-ой передачи
Кол-во
0
?
Узнать цену
14.1702033
Вилка КПП КАМАЗ 4 5-й передачи
ПАО КАМАЗ
В наличии 3 шт.
3 837.83 ₽
В корзину
51
14.1702035
Сухарь вилки переключения 4-й и 5-й передач
Кол-во
0
?
Узнать цену
14.1702035
Сухарь КАМАЗ вилки 4-5 передачи
ПАО КАМАЗ
В наличии 2 шт.
477.12 ₽
В корзину
52
14.1702028
Головка штока вилки переключения второй и третьей передач
Кол-во
0
?
Узнать цену
14.1702028
Головка штока вилки
ПАО КАМАЗ
под заказ
964.01 ₽
В корзину
53
14.1702053
Головка штока вилки переключения первой передачи и заднего хода
Кол-во
0
?
Узнать цену
14.1702053
Головка штока
ПАО КАМАЗ
под заказ
1 461.92 ₽
В корзину
54
14.1702074
Шток вилки переключения четвертой и пятой передач
Кол-во
0
?
Узнать цену
14.1702074
Шток вилки переключения
ПАО КАМАЗ
под заказ
1 075.47 ₽
В корзину
55
14.1702064
Шток вилки переключения второй и третьей передач
Кол-во
0
?
Узнать цену
14.1702064
Шток КАМАЗ вилки переключения 2 3 передачи
ПАО КАМАЗ
под заказ
2 042.51 ₽
В корзину
56
1/43289/01
Заглушка 25
Кол-во
0
?
Узнать цену
1/43289/01
Заглушка
ПАО КАМАЗ
под заказ
39.44 ₽
В корзину
57
14.1702060
Шток вилки переключения первой передачи и заднего хода
Кол-во
0
?
Узнать цену
14.1702060
Шток КАМАЗ вилки переключения 1-й передачи и заднего хода
ПАО КАМАЗ
под заказ
1 279.70 ₽
В корзину
58
870760
Штифт 5х19,5
Кол-во
0
?
Оставить заявку
59
864723
Шарик Б IV 9,525Н
Кол-во
0
?
Оставить заявку
60
14.1702129
Предохранитель включения первой передачи и заднего хода
Кол-во
0
?
Узнать цену
14.1702129
Предохранитель КАМАЗ включения первой передачи и заднего хода
ПАО КАМАЗ
В наличии 8 шт.
59.92 ₽
В корзину
61
14.1702127
Пружина предохранителя включения первой передачи и заднего хода
Кол-во
0
?
Оставить заявку
62
14.1702132
Стакан пружины предохранителя включения первой передачи и заднего хода
Кол-во
0
?
Узнать цену
14.1702132
Стакан
ПАО КАМАЗ
под заказ
180.82 ₽
В корзину
63
1/12880/21
Болт М10х1,25-6gх60
Кол-во
0
?
Оставить заявку
64
1/05168/73
Шайба 10 пружинная
Кол-во
0
?
Оставить заявку
65
1/26386/01
Шайба плоская 10,6х18х2
Кол-во
0
?
Оставить заявку
66
14.1702014
Прокладка верхней крышки коробки передач
Кол-во
0
?
Оставить заявку
67
870024
Болт М10х1,25-6gх40
Кол-во
0
?
Оставить заявку
68
14.1702184
Штифт установочный
Кол-во
0
?
Узнать цену
14.1702184
Штифт установочный
ПАО КАМАЗ
под заказ
80.03 ₽
В корзину
69
1/13070/21
Болт М10х1,25-6gх40
Кол-во
0
?
Оставить заявку
Нужна помощь в подборе запчастей?
Напишите нам и оставьте ваши контактные данные. Мы перезвоним вам в течение 30 минут или раньше!
Кратвольд Елена
Менеджер по продажам
7 (3513) 289-777
koleso787@bk.ru
Вы должны включить JavaScript чтобы использовать эту форму.
Ваш вопрос
Email
Телефон
Отправляя форму вы подтверждаете согласие с
политикой обработки персональных данных
.
Отправить
Оставьте это поле пустым