Каталог запчастей
Запчасти Камаз
Запчасти Урал
Спецпредложения
О компании
Контакты
+7 (3513) 289-777
Отправить готовую заявку
Группа компаний A-GROUP
Каталог
Запчасти УРАЛ
Запчасти КАМАЗ
Двигатель
Система питания
Система выпуска газов
Система охлаждения
Механизмы управления
Рулевое управление
Тормозная система
Кабина и кузов
Кабина
Оперение кабины
Платформа и кузов
Трансмиссия
Коробка передач
Коробка раздаточная
Сцепление
Карданная передача
Мосты
Ходовая часть
Колеса и ступицы
Ось передняя
Подвеска
Рама
Электрооборудование
Приборы
Специальное оборудование
Устройство седельно-сцепное
Лебедка
Газовое оборудование
Прочие запчасти
Инструмент и принадлежности
Рукава и РТИ
Крепеж
Подшипники
Запчасти двигателя
Система выпуска газов
Система охлаждения
Система питания
Кабина и оперение
Передок кабины
Оперение кабины
Боковина кабины
Двери кабины
Задок кабины
Основание кабины
Крыша кабины
Сиденья кабины
Вентиляция и отопление кабины
Трансмиссия
Коробка передач
Раздаточная коробка
Карданный вал
Сцепление
Передний мост
Средний мост
Задний мост
Ходовая часть
Рама
Подвеска балансирная
Колеса и ступицы
Механизмы управления
Рулевое управление
Тормозная система
Платформа
Электрооборудование
Приборы
Оборудование и инструменты
Коробка отбора мощности
Лебедка
Устройство седельно-сцепное
Инструменты
Поиск
Графические каталоги
0
Группа компаний A-GROUP
Поиск
0
+7 (3513) 289-777
Обратный звонок
Отправить готовую заявку
Группа компаний A-GROUP
0
Меню
Поиск
Каталог запчастей
Запчасти Камаз
Запчасти Урал
Спецпредложения
О компании
Контакты
Главная
Графические каталоги
КамАЗ
КамАЗ-53212
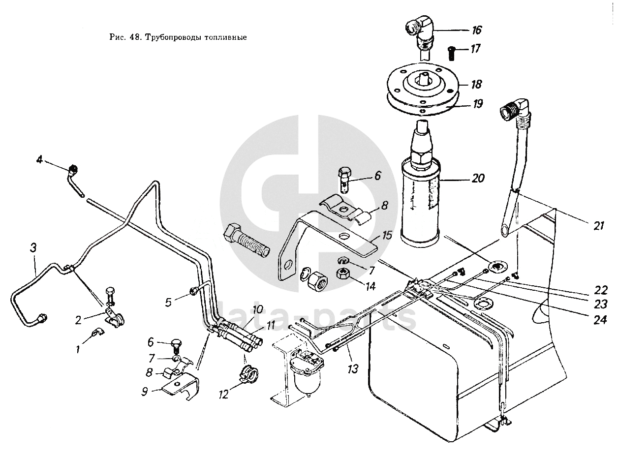
Трубопроводы топливные
Трубопроводы топливные КамАЗ-53212
1
2
3
4
5
6
6
7
7
8
8
9
10
11
12
13
13
14
15
16
17
18
19
20
21
22
23
24
100
%
1
740.3407034
Прокладка
Кол-во
1
?
Оставить заявку
2
1/04184/01
Скоба закрытая 12
Кол-во
1
?
Узнать цену
1/04184/01
Скоба
ПАО КАМАЗ
под заказ
39 ₽
В корзину
3
5320-1104254-01
Трубка в сборе
Кол-во
1
?
Оставить заявку
4
5320-1104146
Трубка слива топлива в бак топливный передняя
Кол-во
1
?
Оставить заявку
5
5320-1104156
Трубка слива топлива от форсунок в сборе
Кол-во
1
?
Узнать цену
5320-1104156
Труба
ПАО КАМАЗ
под заказ
536 ₽
В корзину
6
1/60432/21
Болт М8-6gх16
Кол-во
2
?
Оставить заявку
7
1/05166/77
Шайба 8 пружинная
Кол-во
2
?
Оставить заявку
8
5320-1104119
Скоба крепления топливопроводов
Кол-во
2
?
Узнать цену
5320-1104119
Скоба топливопровода
ПАО КАМАЗ
под заказ
40 ₽
В корзину
9
5320-1104104
Кронштейн в сборе
Кол-во
1
?
Оставить заявку
10
5320-1104102
Рукав соединительный топливопроводов
Кол-во
2
?
Оставить заявку
11
5320-1104159
Шланг соединительный топливных трубопроводов
Кол-во
1
?
Оставить заявку
12
1/01688/90
Хомут 19 в сборе
Кол-во
4
?
Оставить заявку
13
5320-1104260
Трубка от фильтра грубой очистки топлива к насосу низкого давления в сборе
Кол-во
1
?
Узнать цену
5320-1104260
Трубка топливная КАМАЗ от ФГОТ
ПАО КАМАЗ
под заказ
448 ₽
В корзину
13
5410-1104260
Трубка от фильтра грубой . очистки топлива к насосу низкого давления задняя в сборе
Кол-во
0
?
Оставить заявку
14
1/61008/11
Гайка М8х1,25-6Н
Кол-во
1
?
Оставить заявку
15
5320-1104083
Кронштейн крепления топливных трубопроводов
Кол-во
1
?
Узнать цену
5320-1104083
Кронштейн
ПАО КАМАЗ
под заказ
89 ₽
В корзину
16
5320-1104015
Трубка приемная с угольником в сборе
Кол-во
1
?
Узнать цену
5320-1104015
Топливоприемник КАМАЗ с угольником в сборе
ПАО КАМАЗ
под заказ
623 ₽
В корзину
17
1/03892/01
Винт М5-6gх8
Кол-во
5
?
Оставить заявку
18
5320-1104021
Фланец крепления приемной трубки
Кол-во
1
?
Оставить заявку
19
5320-3827013
Прокладка датчика
Кол-во
1
?
Оставить заявку
20
5320-1104023
Фильтр приемной трубки в сборе
Кол-во
1
?
Узнать цену
5320-1104023
Сетка КАМАЗ топливоприемника (летняя)
ПАО КАМАЗ
под заказ
1 163 ₽
В корзину
21
5320-1104136
Трубка слива топлива в бак с угольником в сборе
Кол-во
1
?
Узнать цену
5320-1104136
Трубка топливная КАМАЗ слива топливная в бак в сборе
ПАО КАМАЗ
под заказ
801 ₽
В корзину
22
5320-1104148
Трубка слива топлива от форсунок в топливный бак задняя в сборе
Кол-во
1
?
Узнать цену
5320-1104148
Трубка топливная КАМАЗ обратки
ПАО КАМАЗ
под заказ
853 ₽
В корзину
23
5320-1104025
Трубка от топливного бака к фильтру грубой очистки в сборе
Кол-во
1
?
Узнать цену
5320-1104025
Трубка топливная КАМАЗ от бака к фильтру
ПАО КАМАЗ
под заказ
636 ₽
В корзину
24
5320-1104180
Трубка слива топлива от форсунок в топивный бак задняя в сборе
Кол-во
1
?
Узнать цену
5320-1104180
Трубка топливная КАМАЗ обратки
ПАО КАМАЗ
под заказ
351 ₽
В корзину
Нужна помощь в подборе запчастей?
Напишите нам и оставьте ваши контактные данные. Мы перезвоним вам в течение 30 минут или раньше!
Кратвольд Елена
Менеджер по продажам
7 (3513) 289-777
koleso787@bk.ru
Вы должны включить JavaScript чтобы использовать эту форму.
Ваш вопрос
Email
Телефон
Отправляя форму вы подтверждаете согласие с
политикой обработки персональных данных
.
Отправить
Оставьте это поле пустым