Каталог запчастей
Запчасти Камаз
Запчасти Урал
Спецпредложения
О компании
Контакты
7 (3513) 289-777
Отправить готовую заявку
Группа компаний A-GROUP
Каталог
Запчасти УРАЛ
Запчасти КАМАЗ
Двигатель
Система питания
Система выпуска газов
Система охлаждения
Механизмы управления
Рулевое управление
Тормозная система
Кабина и кузов
Кабина
Оперение кабины
Платформа и кузов
Трансмиссия
Коробка передач
Коробка раздаточная
Сцепление
Карданная передача
Мосты
Ходовая часть
Колеса и ступицы
Ось передняя
Подвеска
Рама
Электрооборудование
Приборы
Специальное оборудование
Устройство седельно-сцепное
Лебедка
Газовое оборудование
Прочие запчасти
Инструмент и принадлежности
Рукава и РТИ
Крепеж
Подшипники
Запчасти двигателя
Система выпуска газов
Система охлаждения
Система питания
Кабина и оперение
Передок кабины
Оперение кабины
Боковина кабины
Двери кабины
Задок кабины
Основание кабины
Крыша кабины
Сиденья кабины
Вентиляция и отопление кабины
Трансмиссия
Коробка передач
Раздаточная коробка
Карданный вал
Сцепление
Передний мост
Средний мост
Задний мост
Ходовая часть
Рама
Подвеска балансирная
Колеса и ступицы
Механизмы управления
Рулевое управление
Тормозная система
Платформа
Электрооборудование
Приборы
Оборудование и инструменты
Коробка отбора мощности
Лебедка
Устройство седельно-сцепное
Инструменты
Поиск
Графические каталоги
0
Группа компаний A-GROUP
Поиск
0
+7 (3513) 289-777
Обратный звонок
Отправить готовую заявку
Группа компаний A-GROUP
0
Меню
Поиск
Каталог запчастей
Запчасти Камаз
Запчасти Урал
Спецпредложения
О компании
Контакты
Главная
Графические каталоги
КамАЗ
КамАЗ-53212
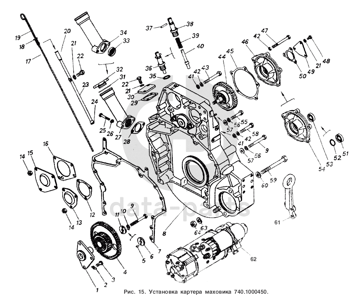
Установка картера маховика
1
2
3
4
5
6
7
8
9
9
10
11
12
13
14
14
15
16
17
18
19
20
21
21
21
22
22
23
24
25
26
27
28
29
30
31
32
33
34
35
36
37
38
39
40
41
41
42
42
42
43
44
45
46
47
48
49
50
51
52
53
54
55
56
56
57
57
58
59
60
61
62
63
64
100
%
1
740.1029128
Ось ведущей шестерни распределительного вала
Кол-во
0
?
Узнать цену
740.1029128
Ось КАМАЗ установочная
ПАО КАМАЗ
под заказ
2 448.24 ₽
В корзину
2
870851
Шайба замковая 10
Кол-во
0
?
Оставить заявку
3
1/59707/31
Болт М10х1,25-6gх25
Кол-во
0
?
Оставить заявку
4
740.1029114
Шестерня ведущая в сборе
Кол-во
0
?
Узнать цену
740.1029114
Шестерня КАМАЗ привода распредвала ведущая с подшипником в сборе (замена 144859)
ПАО КАМАЗ
В наличии 7 шт.
13 961.30 ₽
В корзину
5
870768
Штифт цилиндрический 5х13
Кол-во
0
?
Оставить заявку
6
740.1029142
Шайба упорная
Кол-во
0
?
Оставить заявку
7
740.1002314-10
Прокладка картера маховика
Кол-во
0
?
Оставить заявку
8
740.1002310
Картер маховика в сборе
Кол-во
0
?
Узнать цену
740.1002310
Картер КАМАЗ маховика в сборе
ПАО КАМАЗ
под заказ
64 352.15 ₽
В корзину
9
1/55415/31
Болт М12х1,25-6gх90
Кол-во
0
?
Оставить заявку
10
870852
Шайба замковая 12
Кол-во
0
?
Оставить заявку
11
740.1029140
Шайба упорная в сборе
Кол-во
0
?
Узнать цену
740.1029140
Шайба КАМАЗ упорная
ПАО КАМАЗ
под заказ
502.14 ₽
В корзину
12
740.3407032
Прокладка насоса гидроусилителя руля
Кол-во
0
?
Оставить заявку
13
740.1002522
Заглушка
Кол-во
0
?
Узнать цену
740.1002522
Заглушка
ПАО КАМАЗ
под заказ
177.96 ₽
В корзину
14
1/21647/21
Гайка М10х1,25-6Н
Кол-во
0
?
Оставить заявку
15
740.1002518
Заглушка
Кол-во
0
?
Узнать цену
740.1002518
Заглушка
ПАО КАМАЗ
под заказ
194.29 ₽
В корзину
16
740.3509403-10
Прокладка картера компрессора
Кол-во
0
?
Оставить заявку
17
740.1009050
Указатель уровня масла с уплотнителем в сборе
Кол-во
0
?
Узнать цену
740.1009050
Указатель уровня масла КАМАЗ в сборе
ПАО КАМАЗ
В наличии 4 шт.
593.66 ₽
В корзину
18
740.1009055
Уплотнитель указателя уровня масла
Кол-во
0
?
Оставить заявку
19
740.1009051
Указатель уровня масла в сборе
Кол-во
0
?
Узнать цену
740.1009051
Указатель уровня масла с уплотнителем в сборе
ПАО КАМАЗ
под заказ
296.83 ₽
В корзину
20
740.1009048-20
Трубка указателя уровня в сборе
Кол-во
0
?
Оставить заявку
21
1/05166/73
Шайба 8 пружинная
Кол-во
0
?
Оставить заявку
22
1/60434/21
Болт М8-6gх20
Кол-во
0
?
Оставить заявку
23
740.1009049-20
Трубка указателя уровня
Кол-во
0
?
Оставить заявку
24
15.1772052
Кольцо уплотнительное
Кол-во
0
?
Оставить заявку
25
1/60439/21
Болт М8-6gх35
Кол-во
0
?
Оставить заявку
26
1/26013/73
Шайба 8 волнистая
Кол-во
0
?
Оставить заявку
27
740.1009135
Патрубок маслоналивной в сборе
Кол-во
0
?
Оставить заявку
28
740.1009145-10
Прокладка маслоналивного патрубка
Кол-во
0
?
Оставить заявку
29
740.1014128
Прокладка сапуна
Кол-во
0
?
Оставить заявку
30
740.1014126-20
Фланец
Кол-во
0
?
Узнать цену
740.1014126-20
Фланец КАМАЗ картера маховика
ПАО КАМАЗ
под заказ
408.26 ₽
В корзину
31
5320-1311105
Прокладка крышки
Кол-во
0
?
Оставить заявку
32
5320-1311103-01
Пробка наливной горловины
Кол-во
0
?
Оставить заявку
33
740.1009144
Сетка
Кол-во
0
?
Узнать цену
740.1009144
Сетка маслоналивн.патрубка
ПАО КАМАЗ
под заказ
18.24 ₽
В корзину
34
740.1009138
Патрубок
Кол-во
0
?
Оставить заявку
35
1/02634/60
Прокладка 22х28х1,5
Кол-во
0
?
Оставить заявку
36
740.1005440.10
Фиксатор маховика в сборе
Кол-во
0
?
Узнать цену
740.1005440-10
Фиксатор маховика в сборе
ПАО КАМАЗ
под заказ
1 507.60 ₽
В корзину
37
870758
Штифт 6х36
Кол-во
0
?
Оставить заявку
38
740.1005444
Корпус фиксатора
Кол-во
0
?
Узнать цену
740.1005444
Корпус фиксатора
ПАО КАМАЗ
под заказ
429.79 ₽
В корзину
39
740.1005446
Пружина фиксатора
Кол-во
0
?
Оставить заявку
40
740.1005442-10
Фиксатор
Кол-во
0
?
Узнать цену
740.1005442-10
Фиксатор маховика
ПАО КАМАЗ
под заказ
277.68 ₽
В корзину
41
1/26386/01
Шайба плоская 10,6х18х2
Кол-во
0
?
Оставить заявку
42
1/05168/73
Шайба 10 пружинная
Кол-во
0
?
Оставить заявку
43
1/59716/21
Болт М10х1,25-6gх90
Кол-во
0
?
Оставить заявку
44
740.1029120
Шестерня ведомая в сборе
Кол-во
0
?
Узнать цену
740.1029120
Шестерня КАМАЗ привода насоса топливного ведомая в сборе
ПАО КАМАЗ
под заказ
7 237.47 ₽
В корзину
45
740.1029178
Прокладка корпуса подшипника
Кол-во
0
?
Оставить заявку
46
740.1029175
Корпус заднего подшипника в сборе
Кол-во
0
?
Узнать цену
740.1029175
Корпус заднего подшипника
ПАО КАМАЗ
под заказ
3 743.92 ₽
В корзину
47
1/59718/21
Болт М10х1,25-6gх100
Кол-во
0
?
Оставить заявку
48
1/60432/21
Болт М8-6gх16
Кол-во
0
?
Оставить заявку
49
14.3802072
Заглушка
Кол-во
0
?
Узнать цену
14.3802072
Заглушка
ПАО КАМАЗ
под заказ
79.92 ₽
В корзину
50
740.3813856
Прокладка датчика
Кол-во
0
?
Оставить заявку
51
740.1029244
Манжета
Кол-во
0
?
Оставить заявку
52
740.1029242
Пружина
Кол-во
0
?
Оставить заявку
53
740.1029240
Манжета в сборе
Кол-во
0
?
Узнать цену
740.1029240
Сальник КАМАЗ корпуса привода ТНВД 2.2-20х42х10
ПАО Автодизель (ЯМЗ)
под заказ
331.31 ₽
В корзину
740.1029240
Сальник КАМАЗ корпуса привода ТНВД 2.2-20х42х10
ПАО КАМАЗ
В наличии 2 шт.
314.04 ₽
В корзину
54
740.1029176
Корпус заднего подшипника
Кол-во
0
?
Узнать цену
740.1029176
Корпус КАМАЗ подшипника заднего
ПАО КАМАЗ
В наличии 1 шт.
4 037.91 ₽
В корзину
55
1/55409/21
Болт М12х1,25-6gх55
Кол-во
0
?
Оставить заявку
56
1/05170/73
Шайба 12 пружинная
Кол-во
0
?
Оставить заявку
57
1/05200/01
Шайба плоская 12х22х3
Кол-во
0
?
Оставить заявку
58
1/13437/21
Болт М10х1,25-6gх65
Кол-во
0
?
Оставить заявку
59
1/59821/21
Болт М16х1,5-6gх140
Кол-во
0
?
Оставить заявку
60
1/05202/01
Шайба плоская 16,8х28х3
Кол-во
0
?
Оставить заявку
61
740.1002358
Рым-болт задний
Кол-во
0
?
Узнать цену
740.1002358
Рым-болт задний
ПАО КАМАЗ
под заказ
1 015.50 ₽
В корзину
62
740.3708000
Стартер СТ142Б в сборе
Кол-во
0
?
Оставить заявку
63
1/05172/77
Шайба 16 пружинная
Кол-во
0
?
Оставить заявку
64
1/21641/11
Гайка М16х1,5-6Н
Кол-во
0
?
Оставить заявку
Нужна помощь в подборе запчастей?
Напишите нам и оставьте ваши контактные данные. Мы перезвоним вам в течение 30 минут или раньше!
Кратвольд Елена
Менеджер по продажам
7 (3513) 289-777
koleso787@bk.ru
Вы должны включить JavaScript чтобы использовать эту форму.
Ваш вопрос
Email
Телефон
Отправляя форму вы подтверждаете согласие с
политикой обработки персональных данных
.
Отправить
Оставьте это поле пустым