Каталог запчастей
Запчасти Камаз
Запчасти Урал
Спецпредложения
О компании
Контакты
+7 (3513) 289-777
Отправить готовую заявку
Группа компаний A-GROUP
Каталог
Запчасти УРАЛ
Запчасти КАМАЗ
Двигатель
Система питания
Система выпуска газов
Система охлаждения
Механизмы управления
Рулевое управление
Тормозная система
Кабина и кузов
Кабина
Оперение кабины
Платформа и кузов
Трансмиссия
Коробка передач
Коробка раздаточная
Сцепление
Карданная передача
Мосты
Ходовая часть
Колеса и ступицы
Ось передняя
Подвеска
Рама
Электрооборудование
Приборы
Специальное оборудование
Устройство седельно-сцепное
Лебедка
Газовое оборудование
Прочие запчасти
Инструмент и принадлежности
Рукава и РТИ
Крепеж
Подшипники
Запчасти двигателя
Система выпуска газов
Система охлаждения
Система питания
Кабина и оперение
Передок кабины
Оперение кабины
Боковина кабины
Двери кабины
Задок кабины
Основание кабины
Крыша кабины
Сиденья кабины
Вентиляция и отопление кабины
Трансмиссия
Коробка передач
Раздаточная коробка
Карданный вал
Сцепление
Передний мост
Средний мост
Задний мост
Ходовая часть
Рама
Подвеска балансирная
Колеса и ступицы
Механизмы управления
Рулевое управление
Тормозная система
Платформа
Электрооборудование
Приборы
Оборудование и инструменты
Коробка отбора мощности
Лебедка
Устройство седельно-сцепное
Инструменты
Поиск
Графические каталоги
0
Группа компаний A-GROUP
Поиск
0
+7 (3513) 289-777
Обратный звонок
Отправить готовую заявку
Группа компаний A-GROUP
0
Меню
Поиск
Каталог запчастей
Запчасти Камаз
Запчасти Урал
Спецпредложения
О компании
Контакты
Главная
Графические каталоги
КамАЗ
КамАЗ-53212
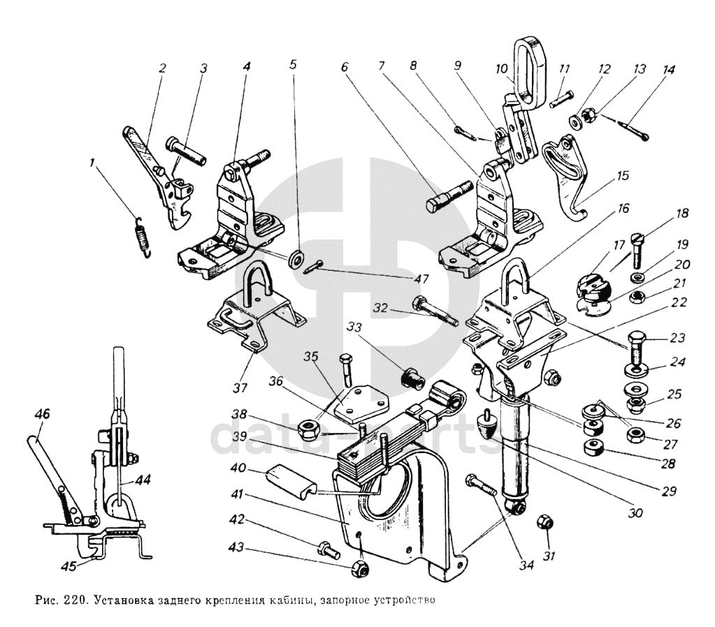
Установка заднего крепления кабины, запорное устройство
Установка заднего крепления кабины, запорное устройство КамАЗ-53212
1
2
3
4
5
6
7
8
9
10
11
12
13
14
15
16
17
18
19
20
21
22
23
24
25
26
27
28
29
30
31
32
33
34
35
36
37
38
39
40
41
42
43
44
100
%
1
5320-5018041
Пружина предохранительного крюка запора кабины
Кол-во
1
?
Оставить заявку
2
5320-5018038
Крюк предохранительный в сборе
Кол-во
1
?
Оставить заявку
3
260038
Палец 8х35
Кол-во
1
?
Оставить заявку
4
5320-5018014
Корпус запора кабины правый в сборе
Кол-во
1
?
Оставить заявку
5
1/05196/01
Шайба плоская 8х17
Кол-во
1
?
Узнать цену
1/05196/01
Шайба 8*17 1/05196
ПАО Автодизель (ЯМЗ)
под заказ
20 ₽
В корзину
6
5320-5018035
Ось крюка запора
Кол-во
2
?
Оставить заявку
7
5320-5018017
Корпус запора левый
Кол-во
1
?
Оставить заявку
8
1/07964/01
Шплинт разводной 3х20
Кол-во
2
?
Оставить заявку
9
5320-5018033
Упор рукоятки левый
Кол-во
1
?
Оставить заявку
10
5320-5018027
Рукоятка запора
Кол-во
2
?
Оставить заявку
11
260062
Палец 10х40
Кол-во
2
?
Оставить заявку
12
1/05201/01
Шайба плоская 14,8х26х3
Кол-во
2
?
Оставить заявку
13
1/07934/11
Гайка М14х1,5-6Н
Кол-во
2
?
Оставить заявку
14
1/07346/01
Шплинт разводной 3х30
Кол-во
2
?
Оставить заявку
15
5320-5018021
Крюк запора
Кол-во
2
?
Оставить заявку
16
5320-5018051
Кронштейн запора левый в сборе
Кол-во
1
?
Узнать цену
5320-5018051
Кронштейн КАМАЗ запора кабины левый
ПАО КАМАЗ
В наличии 1 шт.
803 ₽
В корзину
17
5320-5018063
Подушка опорная
Кол-во
2
?
Оставить заявку
18
1/03761/01
Винт М6-6gх30
Кол-во
2
?
Оставить заявку
19
1/35502/01
Шайба плоская 6х13х1
Кол-во
2
?
Оставить заявку
20
5320-5018065
Прокладка
Кол-во
2
?
Узнать цену
5320-5018065
Прокладка
ПАО КАМАЗ
под заказ
170 ₽
В корзину
21
1/58962/11
Гайка ЕМ6-6Н
Кол-во
2
?
Узнать цену
1/58962/11
Гайка М6Х1 Камаз
ПАО Автодизель (ЯМЗ)
под заказ
15 ₽
В корзину
22
5320-5001100
Обойма рессоры в сборе
Кол-во
2
?
Узнать цену
5320-5001100
Обойма КАМАЗ рессоры в сборе
ПАО КАМАЗ
под заказ
926 ₽
В корзину
23
1/60436/21
Болт М8-6gх25
Кол-во
0
?
Оставить заявку
24
1/26467/01
Шайба плоская 8х20х2
Кол-во
8
?
Оставить заявку
25
251645
Гайка М8-6Н ОСТ 37.001.197-75
Кол-во
0
?
Оставить заявку
26
5320-5001079
Шайба опорная
Кол-во
2
?
Узнать цену
5320-5001079
Шайба
ПАО КАМАЗ
под заказ
46 ₽
В корзину
27
251645
Гайка М8-6Н ОСТ 37.001.197-75
Кол-во
0
?
Оставить заявку
28
5320-5001078
Подушка амортизатора
Кол-во
4
?
Оставить заявку
29
5320-5001076
Амортизатор в сборе
Кол-во
2
?
Оставить заявку
30
5320-5001106
Буфер рессоры задней подвески кабины в сборе
Кол-во
2
?
Оставить заявку
31
251646
Гайка М10х1,25-6Н ОСТ 37.001.197-75
Кол-во
6
?
Оставить заявку
32
5320-5001103
Ось ушка рессоры
Кол-во
2
?
Оставить заявку
33
5320-5001099
Втулка рессоры
Кол-во
4
?
Оставить заявку
34
1/58887/21
Болт М10х1,25-6gх55
Кол-во
2
?
Оставить заявку
35
5320-5001097
Прокладка рессоры
Кол-во
2
?
Оставить заявку
36
5320-5001058
Стремянка
Кол-во
2
?
Узнать цену
5320-5001058
Стремянка КАМАЗ рессоры кабины
ПАО КАМАЗ
В наличии 19 шт.
128 ₽
В корзину
37
5320-5018050
Кронштейн запора правый
Кол-во
1
?
Узнать цену
5320-5018050
Кронштейн КАМАЗ запора кабины правый
ПАО КАМАЗ
В наличии 6 шт.
803 ₽
В корзину
38
251646
Гайка М10х1,25-6Н ОСТ 37.001.197-75
Кол-во
0
?
Оставить заявку
39
5320-5001080
Рессора в сборе
Кол-во
2
?
Оставить заявку
40
5320-5001062
Подкладка стремянки
Кол-во
2
?
Оставить заявку
41
5320-5001061
Кронштейн заднего креп-ления кабины левый в сборе
Кол-во
1
?
Узнать цену
5320-5001061
Кронштейн КАМАЗ кабины задний левый
ПАО КАМАЗ
В наличии 2 шт.
4 078 ₽
В корзину
42
1/55404/21
Болт М12х1,25-6gх30
Кол-во
6
?
Оставить заявку
43
251647
Гайка М12х1,25-6Н ОСТ 37.001.197-97
Кол-во
0
?
Оставить заявку
44
1/07342/01
Шплинт разводной 2х15
Кол-во
1
?
Оставить заявку
Нужна помощь в подборе запчастей?
Напишите нам и оставьте ваши контактные данные. Мы перезвоним вам в течение 30 минут или раньше!
Кратвольд Елена
Менеджер по продажам
7 (3513) 289-777
koleso787@bk.ru
Вы должны включить JavaScript чтобы использовать эту форму.
Ваш вопрос
Email
Телефон
Отправляя форму вы подтверждаете согласие с
политикой обработки персональных данных
.
Отправить
Оставьте это поле пустым