Каталог запчастей
Запчасти Камаз
Запчасти Урал
Спецпредложения
О компании
Контакты
+7 (3513) 289-777
Отправить готовую заявку
Группа компаний A-GROUP
Каталог
Запчасти УРАЛ
Запчасти КАМАЗ
Двигатель
Система питания
Система выпуска газов
Система охлаждения
Механизмы управления
Рулевое управление
Тормозная система
Кабина и кузов
Кабина
Оперение кабины
Платформа и кузов
Трансмиссия
Коробка передач
Коробка раздаточная
Сцепление
Карданная передача
Мосты
Ходовая часть
Колеса и ступицы
Ось передняя
Подвеска
Рама
Электрооборудование
Приборы
Специальное оборудование
Устройство седельно-сцепное
Лебедка
Газовое оборудование
Прочие запчасти
Инструмент и принадлежности
Рукава и РТИ
Крепеж
Подшипники
Запчасти двигателя
Система выпуска газов
Система охлаждения
Система питания
Кабина и оперение
Передок кабины
Оперение кабины
Боковина кабины
Двери кабины
Задок кабины
Основание кабины
Крыша кабины
Сиденья кабины
Вентиляция и отопление кабины
Трансмиссия
Коробка передач
Раздаточная коробка
Карданный вал
Сцепление
Передний мост
Средний мост
Задний мост
Ходовая часть
Рама
Подвеска балансирная
Колеса и ступицы
Механизмы управления
Рулевое управление
Тормозная система
Платформа
Электрооборудование
Приборы
Оборудование и инструменты
Коробка отбора мощности
Лебедка
Устройство седельно-сцепное
Инструменты
Поиск
Графические каталоги
0
Группа компаний A-GROUP
Поиск
0
+7 (3513) 289-777
Обратный звонок
Отправить готовую заявку
Группа компаний A-GROUP
0
Меню
Поиск
Каталог запчастей
Запчасти Камаз
Запчасти Урал
Спецпредложения
О компании
Контакты
Главная
Графические каталоги
КамАЗ
КамАЗ-5320
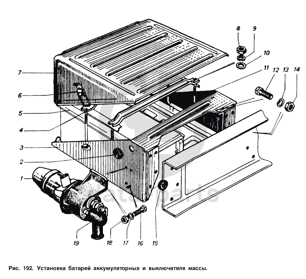
Установка батарей аккумуляторных
Установка батарей аккумуляторных КамАЗ-5320
1
1
2
3
4
5
6
7
8
9
10
11
12
13
14
15
16
17
18
19
100
%
1
5320-3737010-10
Выключатель «массы»
Кол-во
1
?
Оставить заявку
1
ВК860-В
Выключатель массы
Кол-во
1
?
Оставить заявку
2
5320-3703301
Втулка проходная
Кол-во
2
?
Узнать цену
5320-3703301
Втулка КАМАЗ жгутов электропроводки проходная d=26/28мм h=8мм H=17.5мм
АО АЗ Урал
под заказ
35 ₽
В корзину
3
5320-3703058
Гнездо аккумуляторных батарей
Кол-во
1
?
Узнать цену
5320-3703058
Ящик КАМАЗ АКБ
ПАО КАМАЗ
под заказ
11 386 ₽
В корзину
4
5320-3703084
Рамка крепления аккумуляторных батарей в сборе
Кол-во
1
?
Узнать цену
5320-3703084
Рамка КАМАЗ крепления АКБ
ПАО КАМАЗ
под заказ
668 ₽
В корзину
5
5320-3703010
Батарея аккумуляторная
Кол-во
2
?
Оставить заявку
6
5320-3703242
Застежка гнезда в сборе
Кол-во
2
?
Узнать цену
5320-3703242
Застежка гнезда
ПАО КАМАЗ
под заказ
166 ₽
В корзину
7
5320-3703158
Крышка гнезда
Кол-во
1
?
Узнать цену
5320-3703158
Крышка АКБ КАМАЗ-5320
ПАО КАМАЗ
В наличии 1 шт.
4 261 ₽
В корзину
8
1/21647/11
Гайка М10х1,25-6Н
Кол-во
4
?
Оставить заявку
9
1/05168/77
Шайба 10 пружинная
Кол-во
4
?
Оставить заявку
10
1/26386/01
Шайба плоская 10,6х18х2
Кол-во
4
?
Оставить заявку
11
5320-3703180
Стяжка
Кол-во
2
?
Оставить заявку
12
1/55404/33
Болт М12х1,25-6gх30
Кол-во
8
?
Оставить заявку
13
1/05170/77
Шайба 12 пружинная
Кол-во
8
?
Оставить заявку
14
1/61015/11
Гайка М12х1,25-6Н
Кол-во
8
?
Оставить заявку
15
5320-3703301
Втулка проходная
Кол-во
0
?
Узнать цену
5320-3703301
Втулка КАМАЗ жгутов электропроводки проходная d=26/28мм h=8мм H=17.5мм
АО АЗ Урал
под заказ
35 ₽
В корзину
16
1/09024/21
Болт М6-6gх20
Кол-во
4
?
Оставить заявку
17
1/05164/77
Шайба 6 пружинная
Кол-во
4
?
Оставить заявку
18
1/58962/11
Гайка ЕМ6-6Н
Кол-во
4
?
Узнать цену
1/58962/11
Гайка М6Х1 Камаз
ПАО Автодизель (ЯМЗ)
под заказ
15 ₽
В корзину
19
5320-3724055
Колпачок защитный наконечника проводов
Кол-во
2
?
Оставить заявку
Нужна помощь в подборе запчастей?
Напишите нам и оставьте ваши контактные данные. Мы перезвоним вам в течение 30 минут или раньше!
Кратвольд Елена
Менеджер по продажам
7 (3513) 289-777
koleso787@bk.ru
Вы должны включить JavaScript чтобы использовать эту форму.
Ваш вопрос
Email
Телефон
Отправляя форму вы подтверждаете согласие с
политикой обработки персональных данных
.
Отправить
Оставьте это поле пустым