Каталог запчастей
Запчасти Камаз
Запчасти Урал
Спецпредложения
О компании
Контакты
+7 (3513) 289-777
Отправить готовую заявку
Группа компаний A-GROUP
Каталог
Запчасти УРАЛ
Запчасти КАМАЗ
Двигатель
Система питания
Система выпуска газов
Система охлаждения
Механизмы управления
Рулевое управление
Тормозная система
Кабина и кузов
Кабина
Оперение кабины
Платформа и кузов
Трансмиссия
Коробка передач
Коробка раздаточная
Сцепление
Карданная передача
Мосты
Ходовая часть
Колеса и ступицы
Ось передняя
Подвеска
Рама
Электрооборудование
Приборы
Специальное оборудование
Устройство седельно-сцепное
Лебедка
Газовое оборудование
Прочие запчасти
Инструмент и принадлежности
Рукава и РТИ
Крепеж
Подшипники
Запчасти двигателя
Система выпуска газов
Система охлаждения
Система питания
Кабина и оперение
Передок кабины
Оперение кабины
Боковина кабины
Двери кабины
Задок кабины
Основание кабины
Крыша кабины
Сиденья кабины
Вентиляция и отопление кабины
Трансмиссия
Коробка передач
Раздаточная коробка
Карданный вал
Сцепление
Передний мост
Средний мост
Задний мост
Ходовая часть
Рама
Подвеска балансирная
Колеса и ступицы
Механизмы управления
Рулевое управление
Тормозная система
Платформа
Электрооборудование
Приборы
Оборудование и инструменты
Коробка отбора мощности
Лебедка
Устройство седельно-сцепное
Инструменты
Поиск
Графические каталоги
0
Группа компаний A-GROUP
Поиск
0
+7 (3513) 289-777
Обратный звонок
Отправить готовую заявку
Группа компаний A-GROUP
0
Меню
Поиск
Каталог запчастей
Запчасти Камаз
Запчасти Урал
Спецпредложения
О компании
Контакты
Главная
Графические каталоги
КамАЗ
КамАЗ-5320
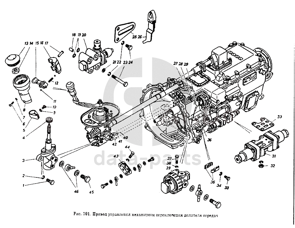
Привод управления механизмом переключения делителя передач
Привод управления механизмом переключения делителя передач КамАЗ-5320
1
2
3
4
5
6
7
8
9
10
11
12
13
14
15
16
17
18
19
20
21
22
23
24
25
26
27
28
29
30
31
32
33
34
35
36
37
38
39
40
41
42
43
44
45
46
100
%
1
1/60436/21
Болт М8-6gх25
Кол-во
0
?
Оставить заявку
2
1/05166/73
Шайба 8 пружинная
Кол-во
0
?
Оставить заявку
3
15.1772132
Кран управления делителем передач с тросом в сборе
Кол-во
0
?
Оставить заявку
4
15.1772181
Втулка предохранительной трубки
Кол-во
0
?
Оставить заявку
5
15.1772224
Хомут крепления троса
Кол-во
0
?
Оставить заявку
6
1/32694/01
Винт М4-6gх18
Кол-во
0
?
Оставить заявку
7
1/26010/73
Шайба волнистая 4
Кол-во
0
?
Оставить заявку
8
15.1772190
Корпус переключения крана управления в сборе
Кол-во
0
?
Оставить заявку
9
1/26052/73
Шайба зубчатая 5
Кол-во
0
?
Оставить заявку
10
1/32740/01
Винт М5-6gх12
Кол-во
0
?
Оставить заявку
11
864736
Шарик Б5
Кол-во
0
?
Оставить заявку
12
15.1772206
Пружина фиксатора переключателя
Кол-во
0
?
Оставить заявку
13
15.1772218
Крышка корпуса переключателя верхняя
Кол-во
0
?
Оставить заявку
14
870614
Шайба 17
Кол-во
0
?
Оставить заявку
15
15.1772202
Переключатель крана управления делителем
Кол-во
0
?
Оставить заявку
16
15.1772212
Крышка корпуса переключателя боковая в сборе
Кол-во
0
?
Оставить заявку
17
15.1772214
Винт установочный корпуса переключателя
Кол-во
0
?
Узнать цену
15.1772214
Винт
ПАО КАМАЗ
под заказ
193 ₽
В корзину
18
870771
Штифт цилиндрический 8х16
Кол-во
0
?
Оставить заявку
19
15.1772052
Кольцо уплотнительное
Кол-во
0
?
Оставить заявку
20
15-1772040
Клапан включения делителя передач в сборе
Кол-во
0
?
Оставить заявку
21
1/05196/01
Шайба плоская 8х17
Кол-во
0
?
Узнать цену
1/05196/01
Шайба 8*17 1/05196
ПАО Автодизель (ЯМЗ)
под заказ
20 ₽
В корзину
22
1/05166/73
Шайба 8 пружинная
Кол-во
0
?
Оставить заявку
23
1/60444/21
Болт М8-6gх60
Кол-во
0
?
Оставить заявку
24
1/60432/21
Болт М8-6gх16
Кол-во
0
?
Оставить заявку
25
15.1772072
Направляющая упора клапана
Кол-во
0
?
Узнать цену
15.1772072
Направляющая
ПАО КАМАЗ
под заказ
275 ₽
В корзину
26
15.1772080
Упор клапана включения делителя передач в сборе
Кол-во
0
?
Узнать цену
15.1772080
Упор КАМАЗ ПГУ механизма переключения делителя
ПАО КАМАЗ
В наличии 9 шт.
278 ₽
В корзину
27
15.1772320
Воздухопровод заднего цилиндра воздухораспределителя
Кол-во
0
?
Узнать цену
15.1772320
Воздухопровод КАМАЗ в сборе
ПАО КАМАЗ
под заказ
1 437 ₽
В корзину
28
15.1772270
Воздухопровод от редукционного клапана к крану управления и клапану включения делителя
Кол-во
0
?
Узнать цену
15.1772270
Воздухопровод КАМАЗ в сборе
ПАО КАМАЗ
под заказ
1 722 ₽
В корзину
29
15.1772300
Воздухопровод переднего цилиндра воздухораспределителя
Кол-во
0
?
Узнать цену
15.1772300
Воздухопровод КАМАЗ в сборе
ПАО КАМАЗ
под заказ
1 326 ₽
В корзину
30
15.1772026
Прокладка корпуса воздухораспределителя
Кол-во
0
?
Оставить заявку
31
15.1772010
Воздухораспределитель механизма переключения в сборе
Кол-во
0
?
Оставить заявку
32
1/61008/11
Гайка М8х1,25-6Н
Кол-во
0
?
Оставить заявку
33
1/60436/21
Болт М8-6gх25
Кол-во
0
?
Оставить заявку
34
1/05166/73
Шайба 8 пружинная
Кол-во
0
?
Оставить заявку
35
15.1772336
Скоба крепления воздухопроводов
Кол-во
0
?
Узнать цену
15.1772336
Скоба
ПАО КАМАЗ
под заказ
199 ₽
В корзину
36
15.1772290
Воздухопровод от клапана включения к воздухораспределителю
Кол-во
0
?
Узнать цену
15.1772290
Воздухопровод КАМАЗ в сборе
ПАО КАМАЗ
под заказ
1 265 ₽
В корзину
37
1/09026/21
Болт М6-6gх25
Кол-во
0
?
Оставить заявку
38
1/05164/73
Шайба 6 пружинная
Кол-во
0
?
Оставить заявку
39
15.1772100
Клапан редукционный управления механизмом в сборе
Кол-во
0
?
Узнать цену
15.1772100
Клапан КАМАЗ редукционный
ПАО КАМАЗ
В наличии 13 шт.
4 188 ₽
В корзину
40
15.1772356
Воздухопровод в сборе
Кол-во
0
?
Узнать цену
15.1772356
Воздухопровод КАМАЗ в сборе
ПАО КАМАЗ
под заказ
1 731 ₽
В корзину
41
15.1772360
Воздухопровод в сборе
Кол-во
0
?
Узнать цену
15.1772360
Воздухопровод КАМАЗ в сборе
ПАО КАМАЗ
под заказ
1 725 ₽
В корзину
42
15.1772350
Воздухопровод в сборе
Кол-во
0
?
Узнать цену
15.1772350
Воздухопровод КАМАЗ в сборе
ПАО КАМАЗ
под заказ
1 713 ₽
В корзину
43
15.1772326
Колодка крепления наконечников воздухопроводов
Кол-во
0
?
Оставить заявку
44
1/60440/21
Болт М8-6gх40
Кол-во
0
?
Оставить заявку
45
870007
Болт М10х1,25-6gх23
Кол-во
0
?
Оставить заявку
46
1/02844/60
Прокладка уплотнительная 10х16х1,5
Кол-во
0
?
Оставить заявку
Нужна помощь в подборе запчастей?
Напишите нам и оставьте ваши контактные данные. Мы перезвоним вам в течение 30 минут или раньше!
Кратвольд Елена
Менеджер по продажам
7 (3513) 289-777
koleso787@bk.ru
Вы должны включить JavaScript чтобы использовать эту форму.
Ваш вопрос
Email
Телефон
Отправляя форму вы подтверждаете согласие с
политикой обработки персональных данных
.
Отправить
Оставьте это поле пустым