Каталог запчастей
Запчасти Камаз
Запчасти Урал
Спецпредложения
О компании
Контакты
+7 (3513) 289-777
Отправить готовую заявку
Группа компаний A-GROUP
Каталог
Запчасти УРАЛ
Запчасти КАМАЗ
Двигатель
Система питания
Система выпуска газов
Система охлаждения
Механизмы управления
Рулевое управление
Тормозная система
Кабина и кузов
Кабина
Оперение кабины
Платформа и кузов
Трансмиссия
Коробка передач
Коробка раздаточная
Сцепление
Карданная передача
Мосты
Ходовая часть
Колеса и ступицы
Ось передняя
Подвеска
Рама
Электрооборудование
Приборы
Специальное оборудование
Устройство седельно-сцепное
Лебедка
Газовое оборудование
Прочие запчасти
Инструмент и принадлежности
Рукава и РТИ
Крепеж
Подшипники
Запчасти двигателя
Система выпуска газов
Система охлаждения
Система питания
Кабина и оперение
Передок кабины
Оперение кабины
Боковина кабины
Двери кабины
Задок кабины
Основание кабины
Крыша кабины
Сиденья кабины
Вентиляция и отопление кабины
Трансмиссия
Коробка передач
Раздаточная коробка
Карданный вал
Сцепление
Передний мост
Средний мост
Задний мост
Ходовая часть
Рама
Подвеска балансирная
Колеса и ступицы
Механизмы управления
Рулевое управление
Тормозная система
Платформа
Электрооборудование
Приборы
Оборудование и инструменты
Коробка отбора мощности
Лебедка
Устройство седельно-сцепное
Инструменты
Поиск
Графические каталоги
0
Группа компаний A-GROUP
Поиск
0
+7 (3513) 289-777
Обратный звонок
Отправить готовую заявку
Группа компаний A-GROUP
0
Меню
Поиск
Каталог запчастей
Запчасти Камаз
Запчасти Урал
Спецпредложения
О компании
Контакты
Главная
Графические каталоги
КамАЗ
КамАЗ-6460 (Евро 4)
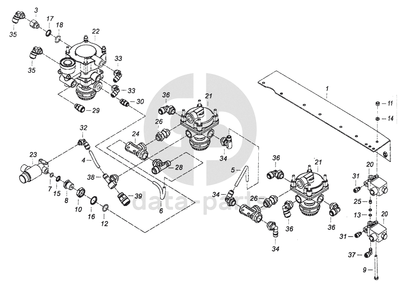
6460-3518010-04 Блок управления тормозами задней тележки
6460-3518010-04 Блок управления тормозами задней тележки КамАЗ-6460 (Евро 4)
1
3
4
5
6
7
8
9
10
11
12
13
14
15
16
17
18
20
20
21
21
22
23
24
25
26
26
28
29
30
31
31
32
33
33
34
34
34
35
35
36
36
36
36
37
38
39
100
%
1
6460-3518020-04
Кронштейн
Кол-во
1
?
Оставить заявку
3
6520-3506425
Переходник
Кол-во
1
?
Узнать цену
6520-3506425
Переходник
ПАО КАМАЗ
под заказ
777 ₽
В корзину
4
53205-3506011
Труба
Кол-во
1
?
Узнать цену
53205-3506011
ТРУБКА полиамидная
ПАО КАМАЗ
под заказ
145 ₽
В корзину
5
53205-3506021
Труба
Кол-во
1
?
Узнать цену
53205-3506021
Трубка полиамидная
ПАО КАМАЗ
под заказ
72 ₽
В корзину
6
53205-3506041
Трубка
Кол-во
1
?
Узнать цену
53205-3506041
Трубка КАМАЗ привода выключения сцепления короткая
ПАО КАМАЗ
под заказ
105 ₽
В корзину
7
740.10003439
Кольцо уплотнительное
Кол-во
1
?
Оставить заявку
8
5297-3514140-16
Штуцер ввертной
Кол-во
1
?
Оставить заявку
9
1/60450/21
Болт М8-6gх90
Кол-во
2
?
Оставить заявку
10
861021
Гайка М22х1,5-6Н
Кол-во
1
?
Узнать цену
861021
Гайка М22х1.5 клапана контрольного крана тормозного
ПАО КАМАЗ
В наличии 97 шт.
135 ₽
В корзину
11
1/61008/11
Гайка М8х1,25-6Н
Кол-во
4
?
Оставить заявку
12
864204
Кольцо уплотнительное
Кол-во
1
?
Оставить заявку
13
45104999102200
Кольцо 007-010-19-2-2
Кол-во
2
?
Оставить заявку
14
1/05166/77
Шайба 8 пружинная
Кол-во
4
?
Оставить заявку
15
861022
Шайба 10
Кол-во
1
?
Узнать цену
861022
Шайба
ПАО КАМАЗ
под заказ
45 ₽
В корзину
16
861024
Шайба
Кол-во
1
?
Узнать цену
861024
Шайба
ПАО КАМАЗ
В наличии 100 шт.
15 ₽
В корзину
17
861023
Шайба
Кол-во
1
?
Узнать цену
861023
Шайба
ПАО КАМАЗ
под заказ
15 ₽
В корзину
18
864236
Кольцо уплотнительное
Кол-во
1
?
Оставить заявку
20
4573765244
Клапан электромагнитный КЭМ 10-11
Кол-во
2
?
Оставить заявку
21
2233-3518010-20
Клапан ускорительный с глушителем
Кол-во
2
?
Оставить заявку
22
2233-3522010-10
Клапан управления тормозами прицепа с двухпроводным приводом с клапаном обрыва
Кол-во
1
?
Оставить заявку
23
45104350600290
Дифференциальный клапан
Кол-во
1
?
Оставить заявку
24
45104356201000
Клапан двухмагистральный
Кол-во
2
?
Оставить заявку
25
45104312500200
Трубка соединительная
Кол-во
1
?
Оставить заявку
26
45104350601100
Переходник
Кол-во
2
?
Оставить заявку
28
45104350603600
Тройник горизонтальный
Кол-во
1
?
Оставить заявку
29
45104350604990
Фитинг прямой
Кол-во
1
?
Оставить заявку
30
45104350605190
Фитинг прямой
Кол-во
1
?
Оставить заявку
31
45104350604000
Фитинг прямой
Кол-во
2
?
Оставить заявку
32
45104350604490
Фитинг угловой
Кол-во
1
?
Оставить заявку
33
45104350604190
Фитинг угловой
Кол-во
2
?
Оставить заявку
34
45104350604290
Фитинг угловой
Кол-во
0
?
Оставить заявку
35
45104350605090
Фитинг угловой
Кол-во
2
?
Оставить заявку
36
45104350604390
Фитинг угловой
Кол-во
4
?
Оставить заявку
37
45104177201290
Фитинг угловой
Кол-во
1
?
Оставить заявку
38
45104350603000
Тройник горизонтальный
Кол-во
1
?
Оставить заявку
39
45104350600800
Фитинг прямой
Кол-во
1
?
Оставить заявку
Нужна помощь в подборе запчастей?
Напишите нам и оставьте ваши контактные данные. Мы перезвоним вам в течение 30 минут или раньше!
Кратвольд Елена
Менеджер по продажам
7 (3513) 289-777
koleso787@bk.ru
Вы должны включить JavaScript чтобы использовать эту форму.
Ваш вопрос
Email
Телефон
Отправляя форму вы подтверждаете согласие с
политикой обработки персональных данных
.
Отправить
Оставьте это поле пустым