Каталог запчастей
Запчасти Камаз
Запчасти Урал
Спецпредложения
О компании
Контакты
7 (3513) 289-777
Отправить готовую заявку
Группа компаний A-GROUP
Каталог
Запчасти УРАЛ
Запчасти КАМАЗ
Двигатель
Система питания
Система выпуска газов
Система охлаждения
Механизмы управления
Рулевое управление
Тормозная система
Кабина и кузов
Кабина
Оперение кабины
Платформа и кузов
Трансмиссия
Коробка передач
Коробка раздаточная
Сцепление
Карданная передача
Мосты
Ходовая часть
Колеса и ступицы
Ось передняя
Подвеска
Рама
Электрооборудование
Приборы
Специальное оборудование
Устройство седельно-сцепное
Лебедка
Газовое оборудование
Прочие запчасти
Инструмент и принадлежности
Рукава и РТИ
Крепеж
Подшипники
Запчасти двигателя
Система выпуска газов
Система охлаждения
Система питания
Кабина и оперение
Передок кабины
Оперение кабины
Боковина кабины
Двери кабины
Задок кабины
Основание кабины
Крыша кабины
Сиденья кабины
Вентиляция и отопление кабины
Трансмиссия
Коробка передач
Раздаточная коробка
Карданный вал
Сцепление
Передний мост
Средний мост
Задний мост
Ходовая часть
Рама
Подвеска балансирная
Колеса и ступицы
Механизмы управления
Рулевое управление
Тормозная система
Платформа
Электрооборудование
Приборы
Оборудование и инструменты
Коробка отбора мощности
Лебедка
Устройство седельно-сцепное
Инструменты
Поиск
Графические каталоги
0
Группа компаний A-GROUP
Поиск
0
+7 (3513) 289-777
Обратный звонок
Отправить готовую заявку
Группа компаний A-GROUP
0
Меню
Поиск
Каталог запчастей
Запчасти Камаз
Запчасти Урал
Спецпредложения
О компании
Контакты
Главная
Графические каталоги
КамАЗ
КамАЗ-65115 (Евро-3)
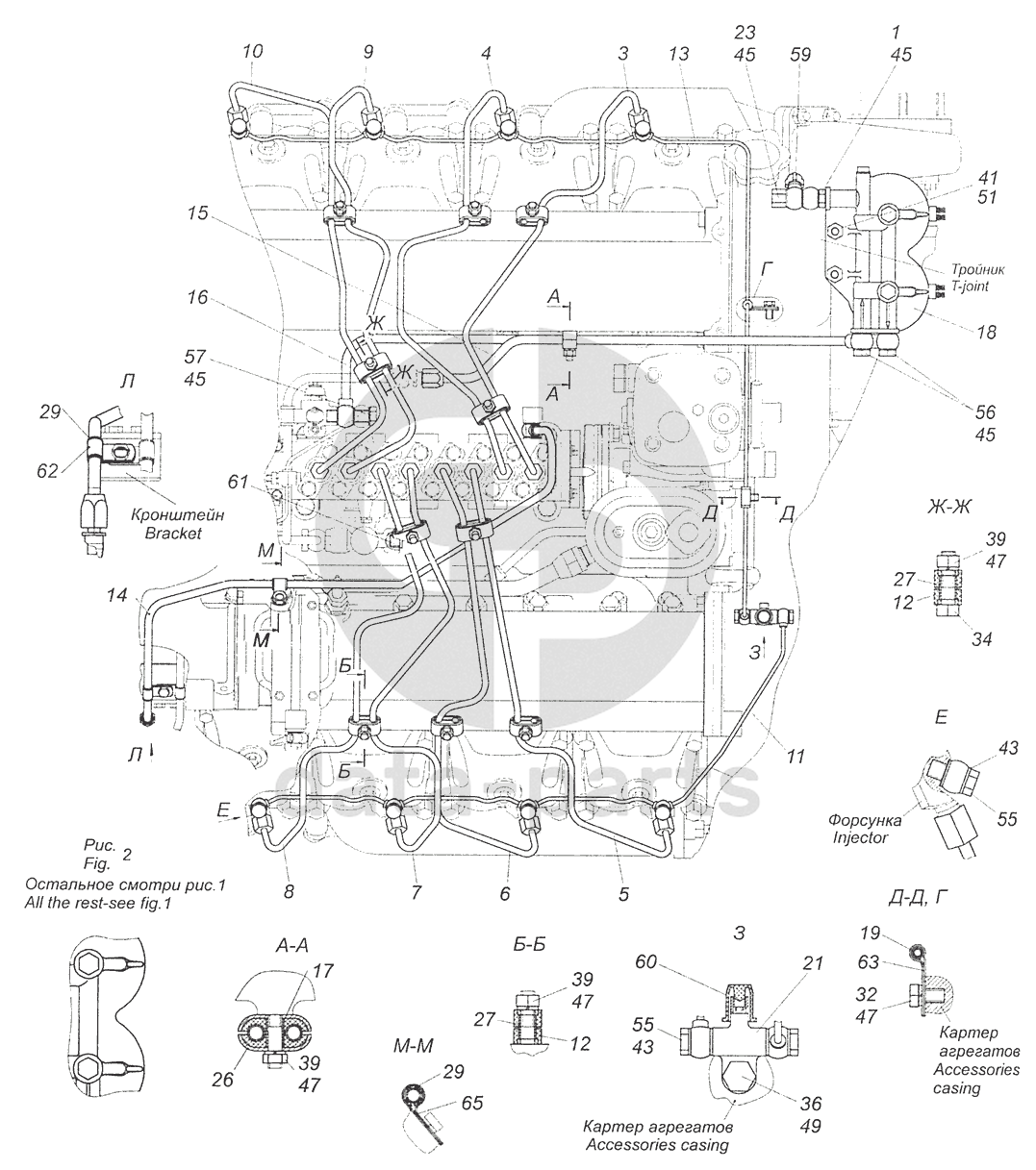
740.63-1104000-91 Установка топливопроводов
1
3
4
5
6
7
8
9
10
11
12
12
13
14
15
16
17
18
18
19
21
23
26
27
27
29
29
32
34
36
39
39
39
41
43
43
45
45
45
45
47
47
47
47
49
51
55
55
56
57
59
60
61
62
63
65
100
%
1
740.51-1104020
Клапан
Кол-во
1
?
Узнать цену
740.51-1104020
Клапан КАМАЗ-ЕВРО-2 3 топливный
ПАО КАМАЗ
В наличии 29 шт.
2 097.22 ₽
В корзину
3
740.50-1104310-90
Трубка топливная первой секции насоса высокого давления
Кол-во
1
?
Узнать цену
740.50-1104310-90
Трубка топливная КАМАЗ-ЕВРО-2 ТНВД BOSCH 1-й секции
ПАО КАМАЗ
под заказ
1 669.64 ₽
В корзину
4
740.50-1104312-90
Трубка топливная второй секции насоса высокого давления
Кол-во
1
?
Узнать цену
740.50-1104312-90
Трубка топливная КАМАЗ-ЕВРО-2 ТНВД BOSCH 2-й секции
ПАО КАМАЗ
под заказ
1 669.64 ₽
В корзину
5
740.50-1104314-90
Трубка топливная третьей секции насоса высокого давления
Кол-во
1
?
Узнать цену
740.50-1104314-90
Трубка топливная КАМАЗ-ЕВРО-2 ТНВД BOSCH 3-й секции
ПАО КАМАЗ
под заказ
2 697.00 ₽
В корзину
6
740.50-1104316-90
Трубка топливная четвертой секции насоса высокого давления
Кол-во
1
?
Узнать цену
740.50-1104316-90
Трубка топливная КАМАЗ-ЕВРО-2 ТНВД BOSCH 4-й секции
ПАО КАМАЗ
под заказ
1 669.64 ₽
В корзину
7
740.50-1104318-90
Трубка топливная пятой секции насоса высокого давления
Кол-во
1
?
Узнать цену
740.50-1104318-90
Трубка топливная КАМАЗ-ЕВРО-2 ТНВД BOSCH 5-й секции
ПАО КАМАЗ
под заказ
4 831.50 ₽
В корзину
8
740.50-1104320-90
Трубка топливная шестой секции насоса высокого давления
Кол-во
1
?
Узнать цену
740.50-1104320-90
Трубка топливная КАМАЗ-ЕВРО-2 ТНВД BOSCH 6-й секции
ПАО КАМАЗ
под заказ
1 669.64 ₽
В корзину
9
740.50-1104322-90
Трубка топливная седьмой секции насоса высокого давления
Кол-во
1
?
Узнать цену
740.50-1104322-90
Трубка топливная КАМАЗ-ЕВРО-2 ТНВД BOSCH 7-й секции
ПАО КАМАЗ
В наличии 1 шт.
1 669.64 ₽
В корзину
10
740.50-1104324-90
Трубка топливная восьмой секции насоса высокого давления
Кол-во
1
?
Узнать цену
740.50-1104324-90
Трубка топливная КАМАЗ-ЕВРО-2 ТНВД BOSCH 8-й секции
ПАО КАМАЗ
под заказ
1 669.64 ₽
В корзину
11
740.50-1104346-90
Трубка топливная дренажная форсунок левых головок
Кол-во
1
?
Узнать цену
740.50-1104346-90
Трубка топливная КАМАЗ-ЕВРО дренажная форсунок левая
ПАО КАМАЗ
В наличии 5 шт.
2 387.81 ₽
В корзину
12
740.1104358
Скоба крепления топливных трубок
Кол-во
20
?
Оставить заявку
13
740.50-1104370-90
Трубка топливная дренажная форсунок правых головок
Кол-во
1
?
Узнать цену
740.50-1104370-90
Трубка топливная КАМАЗ-ЕВРО дренажная форсунок правая
ПАО КАМАЗ
В наличии 3 шт.
2 772.22 ₽
В корзину
14
740.51-1104384-90
Трубка топливная отводящая ТНВД
Кол-во
1
?
Узнать цену
740.51-1104384-90
Трубка топливная КАМАЗ-ЕВРО-3 низкого давления отводящая ТНВД
ПАО КАМАЗ
под заказ
1 537.69 ₽
В корзину
15
740.63-1104424-90
Трубка топливная отводящая
Кол-во
1
?
Узнать цену
740.63-1104424-90
Трубка топливная КАМАЗ-ЕВРО-3 низкого давления отводящая ТНВД
ПАО КАМАЗ
под заказ
1 434.76 ₽
В корзину
16
740.63-1104426-90
Трубка отводящая топливного насоса
Кол-во
1
?
Узнать цену
740.63-1104426-90
Трубка топливная КАМАЗ-ЕВРО-3 низкого давления подводящая ТНВД
ПАО КАМАЗ
под заказ
1 513.87 ₽
В корзину
17
740.1104440
Скоба
Кол-во
2
?
Оставить заявку
18
740.21-1117010
Фильтр тонкой очистки топлива
Кол-во
1
?
Оставить заявку
18
740.51-1117010
Фильтр тонкой очистки топлива
Кол-во
1
?
Оставить заявку
19
740.1104336
Прокладка
Кол-во
2
?
Оставить заявку
21
740.1104353
Тройник крепления топливных трубок
Кол-во
1
?
Узнать цену
740.1104353
Тройник топливных трубок
ПАО КАМАЗ
под заказ
542.14 ₽
В корзину
23
740.1104429
Наконечник
Кол-во
1
?
Узнать цену
740.1104429
Наконечник КАМАЗ системы питания
ПАО КАМАЗ
В наличии 10 шт.
476.82 ₽
В корзину
26
740.1104460-10
Втулка
Кол-во
1
?
Узнать цену
740.1104460-10
Втулка
ПАО КАМАЗ
В наличии 11 шт.
94.73 ₽
В корзину
27
740.1104473-10
Втулка
Кол-во
10
?
Узнать цену
740.1104473-10
Втулка КАМАЗ-6460
ПАО КАМАЗ
В наличии 12 шт.
28.38 ₽
В корзину
29
740.3407034
Прокладка
Кол-во
3
?
Оставить заявку
32
1/60432/21
Болт М8-6gх16
Кол-во
2
?
Оставить заявку
34
1/60439/21
Болт М8-6gх35
Кол-во
4
?
Оставить заявку
36
1/59707/21
Болт М10х1,25-6gх25
Кол-во
1
?
Оставить заявку
39
1/61008/11
Гайка М8х1,25-6Н
Кол-во
11
?
Оставить заявку
41
1/21647/21
Гайка М10х1,25-6Н
Кол-во
2
?
Оставить заявку
43
1/02844/60
Прокладка уплотнительная 10х16х1,5
Кол-во
20
?
Оставить заявку
45
1/02800/60
Прокладка уплотнительная 14х20х1,5
Кол-во
13
?
Узнать цену
1/02800/60
ПРОКЛАДКА 14Х20Х1.5,
АО АЗ Урал
под заказ
24.02 ₽
В корзину
47
1/05166/73
Шайба 8 пружинная
Кол-во
13
?
Оставить заявку
49
1/05168/73
Шайба 10 пружинная
Кол-во
1
?
Оставить заявку
51
1/26014/73
Шайба 10 волнистая
Кол-во
2
?
Оставить заявку
55
870007
Болт М10х1,25-6gх23
Кол-во
10
?
Оставить заявку
56
870022
Болт М14х1,5-6gх48
Кол-во
2
?
Оставить заявку
57
870031
Болт М14х1,5-6gх50
Кол-во
1
?
Оставить заявку
59
870825-01
Пробка транспортная М16х1,5-6Н
Кол-во
1
?
Оставить заявку
60
870830
Заглушка
Кол-во
1
?
Оставить заявку
61
870885
Пробка М14х1,5-6g
Кол-во
1
?
Оставить заявку
62
870920
Кляммер 13
Кол-во
1
?
Узнать цену
870920
Кляммеp
ПАО КАМАЗ
под заказ
51.29 ₽
В корзину
63
870931
Кляммер
Кол-во
2
?
Узнать цену
870931
Кляммеp
ПАО КАМАЗ
В наличии 10 шт.
53.86 ₽
В корзину
65
870935
Кляммер
Кол-во
2
?
Узнать цену
870935
Кляммер КАМАЗ (двигатель 820.60-73 газ)
ПАО КАМАЗ
под заказ
14.70 ₽
В корзину
Нужна помощь в подборе запчастей?
Напишите нам и оставьте ваши контактные данные. Мы перезвоним вам в течение 30 минут или раньше!
Кратвольд Елена
Менеджер по продажам
7 (3513) 289-777
koleso787@bk.ru
Вы должны включить JavaScript чтобы использовать эту форму.
Ваш вопрос
Email
Телефон
Отправляя форму вы подтверждаете согласие с
политикой обработки персональных данных
.
Отправить
Оставьте это поле пустым