Каталог запчастей
Запчасти Камаз
Запчасти Урал
Спецпредложения
О компании
Контакты
+7 (3513) 289-777
Отправить готовую заявку
Группа компаний A-GROUP
Каталог
Запчасти УРАЛ
Запчасти КАМАЗ
Двигатель
Система питания
Система выпуска газов
Система охлаждения
Механизмы управления
Рулевое управление
Тормозная система
Кабина и кузов
Кабина
Оперение кабины
Платформа и кузов
Трансмиссия
Коробка передач
Коробка раздаточная
Сцепление
Карданная передача
Мосты
Ходовая часть
Колеса и ступицы
Ось передняя
Подвеска
Рама
Электрооборудование
Приборы
Специальное оборудование
Устройство седельно-сцепное
Лебедка
Газовое оборудование
Прочие запчасти
Инструмент и принадлежности
Рукава и РТИ
Крепеж
Подшипники
Запчасти двигателя
Система выпуска газов
Система охлаждения
Система питания
Кабина и оперение
Передок кабины
Оперение кабины
Боковина кабины
Двери кабины
Задок кабины
Основание кабины
Крыша кабины
Сиденья кабины
Вентиляция и отопление кабины
Трансмиссия
Коробка передач
Раздаточная коробка
Карданный вал
Сцепление
Передний мост
Средний мост
Задний мост
Ходовая часть
Рама
Подвеска балансирная
Колеса и ступицы
Механизмы управления
Рулевое управление
Тормозная система
Платформа
Электрооборудование
Приборы
Оборудование и инструменты
Коробка отбора мощности
Лебедка
Устройство седельно-сцепное
Инструменты
Поиск
Графические каталоги
0
Группа компаний A-GROUP
Поиск
0
+7 (3513) 289-777
Обратный звонок
Отправить готовую заявку
Группа компаний A-GROUP
0
Меню
Поиск
Каталог запчастей
Запчасти Камаз
Запчасти Урал
Спецпредложения
О компании
Контакты
Главная
Графические каталоги
КамАЗ
КамАЗ-53229 (Евро 2)
65115-2400022-10 Мост задний
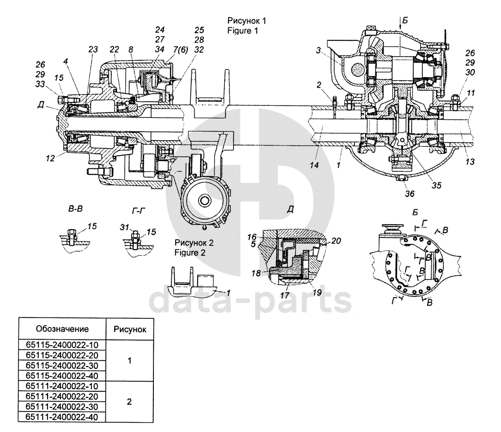
65115-2400022-10 Мост задний КамАЗ-53229 (Евро 2)
65115-2400022-10
65115-2400022-20
65115-2400022-30
65115-2400022-40
65111-2400022-10
65111-2400022-20
65111-2400022-30
65111-2400022-40
1
1
1
2
3
3
3
3
4
5
6
7
8
11
12
13
14
15
15
15
16
17
18
19
20
22
23
24
25
26
26
27
28
29
29
30
31
32
33
34
35
36
100
%
1
53229-2401010
Картер заднего моста
Кол-во
1
?
Узнать цену
53229-2401010
Картер заднего моста
ПАО КАМАЗ
под заказ
117 909 ₽
В корзину
1
53228-2401010
Картер заднего моста
Кол-во
1
?
Оставить заявку
2
5320-2401114
Клапан со штуцером в сборе
Кол-во
1
?
Узнать цену
5320-2401114
Клапан со штуцером
ПАО КАМАЗ
В наличии 1 шт.
435 ₽
В корзину
3
53205-2402010-10
Передача главная заднего моста
Кол-во
1
?
Узнать цену
53205-2402010-10
Редуктор заднего моста КАМАЗ 49/13 (6.53)
ПАО КАМАЗ
под заказ
218 126 ₽
В корзину
3
53205-2402010-30
Передача главная заднего моста
Кол-во
1
?
Узнать цену
53205-2402010-30
Редуктор заднего моста КАМАЗ 48/14 (5.94)
ПАО КАМАЗ
под заказ
218 998 ₽
В корзину
3
53205-2402010-20
Передача главная заднего моста
Кол-во
1
?
Узнать цену
53205-2402010-20
Редуктор заднего моста КАМАЗ 50/12 (7.22)
ПАО КАМАЗ
под заказ
218 998 ₽
В корзину
3
53205-2402010-40
Передача главная заднего моста
Кол-во
1
?
Узнать цену
53205-2402010-40
Редуктор заднего моста КАМАЗ 47/15 (5.43)
ПАО КАМАЗ
под заказ
218 998 ₽
В корзину
4
65115-3104010-02
Ступица с тормозным барабаном
Кол-во
2
?
Узнать цену
65115-3104010-02
Ступица с тормозным барабаном
ПАО КАМАЗ
под заказ
71 279 ₽
В корзину
5
53205-3104040-10
Манжета с пружиной в сборе
Кол-во
2
?
Оставить заявку
6
6540-3502010-12
Тормоз задний правый
Кол-во
1
?
Оставить заявку
7
6540-3502011-12
Тормоз задний левый
Кол-во
1
?
Оставить заявку
8
53205-3541110
Датчик скорости с кронштейном
Кол-во
2
?
Узнать цену
53205-3541110
Датчик скорости КАМАЗ-53205
ПАО КАМАЗ
В наличии 4 шт.
2 330 ₽
В корзину
11
5320-2402034
Прокладка картера редуктора
Кол-во
1
?
Оставить заявку
12
5320-2403048
Прокладка полуоси
Кол-во
2
?
Оставить заявку
13
53229-2403070
Полуось правая
Кол-во
1
?
Узнать цену
53229-2403070
Полуось КАМАЗ-ЕВРО правая короткая 20 шлицев
ПАО КАМАЗ
В наличии 5 шт.
21 827 ₽
В корзину
14
53229-2403071
Полуось левая
Кол-во
1
?
Узнать цену
53229-2403071
Полуось КАМАЗ-ЕВРО левая 20 шлицев (без блокировки)
ПАО КАМАЗ
под заказ
24 526 ₽
В корзину
15
5320-2403072
Втулка разжимная шпильки полуоси
Кол-во
20
?
Узнать цену
5320-2403072
Втулка КАМАЗ разжимная шпильки полуоси d=16мм
ПАО КАМАЗ
В наличии 86 шт.
47 ₽
В корзину
16
53205-3104044
Кольцо проставочное
Кол-во
2
?
Оставить заявку
17
53205-3104045
Пробка
Кол-во
2
?
Оставить заявку
18
53205-3104077
Гайка подшипника
Кол-во
2
?
Оставить заявку
19
55111-3104079
Шайба замковая
Кол-во
2
?
Узнать цену
55111-3104079
Шайба КАМАЗ ступицы задней замковая
ПАО КАМАЗ
под заказ
776 ₽
В корзину
20
55111-3104082
Шайба замковая
Кол-во
2
?
Узнать цену
55111-3104082
Шайба КАМАЗ ступицы задней
ПАО КАМАЗ
под заказ
106 ₽
В корзину
22
7517А
Подшипник роликовый конический однорядный ГОСТ 520-89
Кол-во
2
?
Оставить заявку
23
6-7815А
Подшипник роликовый конический однорядный ГОСТ 520-89
Кол-во
2
?
Оставить заявку
24
1/60434/21
Болт М8-6gх20
Кол-во
2
?
Оставить заявку
25
1/21640/11
Гайка М14х1,5-6Н
Кол-во
24
?
Оставить заявку
26
1/21641/21
Гайка М16х1,5-6Н
Кол-во
41
?
Оставить заявку
27
1/05166/77
Шайба 8 пружинная
Кол-во
2
?
Оставить заявку
28
1/05171/77
Шайба 14 пружинная
Кол-во
24
?
Оставить заявку
29
1/05172/77
Шайба 16 пружинная
Кол-во
41
?
Оставить заявку
30
1/18004/31
Шпилька М16х1,5х22х35
Кол-во
15
?
Оставить заявку
31
1/18006/31
Шпилька картера М16х1,5х22х45
Кол-во
2
?
Оставить заявку
32
853063
Болт фланцевый М14х1,5-6gх40
Кол-во
24
?
Оставить заявку
33
853303
Шпилька М16х1,5х22х35
Кол-во
24
?
Оставить заявку
34
853931
Скоба
Кол-во
2
?
Узнать цену
853931
Скоба
ПАО КАМАЗ
под заказ
22 ₽
В корзину
35
864341
Пробка КГ 1/8"
Кол-во
1
?
Оставить заявку
36
2101-2401046
Пробка магнитная в сборе
Кол-во
1
?
Оставить заявку
None
65115-2400022-20
Мост задний
Кол-во
0
?
Оставить заявку
None
65115-2400022-30
Мост задний
Кол-во
0
?
Оставить заявку
None
65115-2400022-40
Мост задний
Кол-во
0
?
Оставить заявку
None
65111-2400022-10
Мост задний
Кол-во
0
?
Оставить заявку
None
65111-2400022-20
Мост задний
Кол-во
0
?
Оставить заявку
None
65111-2400022-30
Мост задний
Кол-во
0
?
Оставить заявку
None
65111-2400022-40
Мост задний
Кол-во
0
?
Оставить заявку
None
65115-2400022-10
Мост задний
Кол-во
0
?
Оставить заявку
Нужна помощь в подборе запчастей?
Напишите нам и оставьте ваши контактные данные. Мы перезвоним вам в течение 30 минут или раньше!
Кратвольд Елена
Менеджер по продажам
7 (3513) 289-777
koleso787@bk.ru
Вы должны включить JavaScript чтобы использовать эту форму.
Ваш вопрос
Email
Телефон
Отправляя форму вы подтверждаете согласие с
политикой обработки персональных данных
.
Отправить
Оставьте это поле пустым