Каталог запчастей
Запчасти Камаз
Запчасти Урал
Спецпредложения
О компании
Контакты
+7 (3513) 289-777
Отправить готовую заявку
Группа компаний A-GROUP
Каталог
Запчасти УРАЛ
Запчасти КАМАЗ
Двигатель
Система питания
Система выпуска газов
Система охлаждения
Механизмы управления
Рулевое управление
Тормозная система
Кабина и кузов
Кабина
Оперение кабины
Платформа и кузов
Трансмиссия
Коробка передач
Коробка раздаточная
Сцепление
Карданная передача
Мосты
Ходовая часть
Колеса и ступицы
Ось передняя
Подвеска
Рама
Электрооборудование
Приборы
Специальное оборудование
Устройство седельно-сцепное
Лебедка
Газовое оборудование
Прочие запчасти
Инструмент и принадлежности
Рукава и РТИ
Крепеж
Подшипники
Запчасти двигателя
Система выпуска газов
Система охлаждения
Система питания
Кабина и оперение
Передок кабины
Оперение кабины
Боковина кабины
Двери кабины
Задок кабины
Основание кабины
Крыша кабины
Сиденья кабины
Вентиляция и отопление кабины
Трансмиссия
Коробка передач
Раздаточная коробка
Карданный вал
Сцепление
Передний мост
Средний мост
Задний мост
Ходовая часть
Рама
Подвеска балансирная
Колеса и ступицы
Механизмы управления
Рулевое управление
Тормозная система
Платформа
Электрооборудование
Приборы
Оборудование и инструменты
Коробка отбора мощности
Лебедка
Устройство седельно-сцепное
Инструменты
Поиск
Графические каталоги
0
Группа компаний A-GROUP
Поиск
0
+7 (3513) 289-777
Обратный звонок
Отправить готовую заявку
Группа компаний A-GROUP
0
Меню
Поиск
Каталог запчастей
Запчасти Камаз
Запчасти Урал
Спецпредложения
О компании
Контакты
Главная
Графические каталоги
КамАЗ
КамАЗ-53229 (Евро 2)
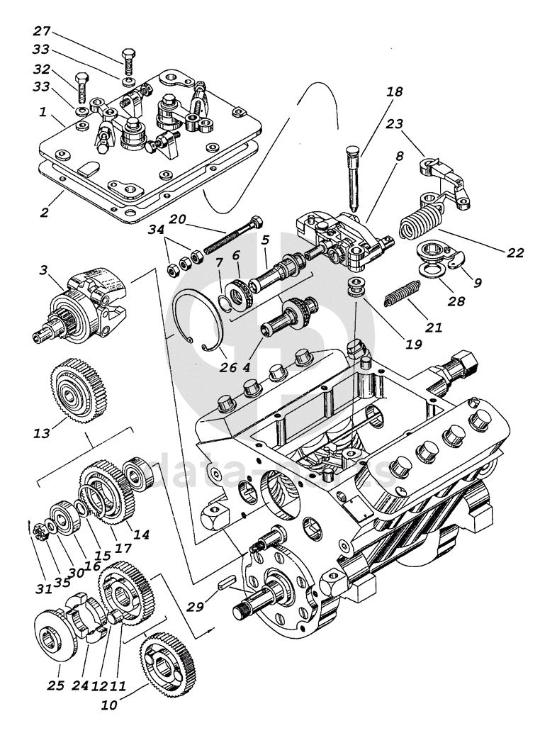
332.1110-40 Регулятор частоты вращения
332.1110-40 Регулятор частоты вращения КамАЗ-53229 (Евро 2)
1
2
3
4
5
6
7
8
9
10
11
12
13
14
15
16
17
18
19
20
21
22
23
24
25
26
27
28
29
30
31
32
33
33
34
35
100
%
1
33.1110024
Крышка регулятора верхняя в сборе
Кол-во
1
?
Узнать цену
33.1110024
Крышка регулятора Камаз верхняя в сборе
ПАО Автодизель (ЯМЗ)
под заказ
4 143 ₽
В корзину
2
33.1110026
Прокладка верхней крышки регулятора
Кол-во
1
?
Узнать цену
33.1110026
Прокладка КАМАЗ крышки верхней ТНВД
ПАО Автодизель (ЯМЗ)
под заказ
278 ₽
В корзину
3
333.1110040
Державка грузов регулятора в сборе
Кол-во
1
?
Оставить заявку
4
33.1110060
Муфта регулятора
Кол-во
1
?
Узнать цену
33.1110060
Муфта регулятора ТНВД Камаз
ПАО Автодизель (ЯМЗ)
под заказ
601 ₽
В корзину
5
33.1110062
Муфта регулятора
Кол-во
1
?
Оставить заявку
6
33.1110618
Подшипник 8103
Кол-во
1
?
Оставить заявку
7
1/34008/73
Кольцо 16 стопорное
Кол-во
1
?
Оставить заявку
8
332.1110160-50
Рычаги с корректорами
Кол-во
1
?
Оставить заявку
9
33.1110505
Рычаг стартовой пружины
Кол-во
1
?
Узнать цену
33.1110505
Рычаг стартовой пружины Камаз
ПАО Автодизель (ЯМЗ)
под заказ
232 ₽
В корзину
10
33.1110515-10
Шестерня регулятора ведущая
Кол-во
1
?
Узнать цену
33.1110515-10
Шестерня ведущая
ПАО Автодизель (ЯМЗ)
под заказ
1 289 ₽
В корзину
11
33.1110516
Шестерня
Кол-во
1
?
Оставить заявку
12
33.1110519-10
Вставка
Кол-во
2
?
Оставить заявку
13
33.1110670
Шестерня промежуточная в сборе
Кол-во
1
?
Узнать цену
33.1110670
Шестерня промежуточная
ПАО Автодизель (ЯМЗ)
под заказ
1 273 ₽
В корзину
14
33.1110672
Шестерня
Кол-во
1
?
Оставить заявку
15
870627
Шайба 12
Кол-во
1
?
Оставить заявку
16
33.1110624
Подшипник 201
Кол-во
2
?
Оставить заявку
17
33.1110682
Кольцо пружинное упорное
Кол-во
1
?
Оставить заявку
18
33.1110088
Ось рычага регулятора
Кол-во
1
?
Оставить заявку
19
33.1110089
Втулка дистанционная
Кол-во
1
?
Оставить заявку
20
33.1110429
Болт регулировочный
Кол-во
1
?
Оставить заявку
21
332.1110448
Пружина рычага реек
Кол-во
1
?
Узнать цену
332.1110448
Пружина рычага реек РЧВ
ПАО Автодизель (ЯМЗ)
под заказ
157 ₽
В корзину
22
33.1110462-10
Пружина регулятора
Кол-во
1
?
Узнать цену
33.1110462-10
Пружина КАМАЗ регулятора ТНВД
ПАО Автодизель (ЯМЗ)
под заказ
244 ₽
В корзину
23
33.1110466
Рычаг пружины
Кол-во
1
?
Узнать цену
33.1110466
Рычаг пружины регулятора ТНВД Камаз
ПАО Автодизель (ЯМЗ)
под заказ
1 191 ₽
В корзину
24
33.1110517-10
Сухарь ведущей шестерни
Кол-во
4
?
Узнать цену
33.1110517-10
Сухарь КАМАЗ демфера
ПАО Автодизель (ЯМЗ)
под заказ
119 ₽
В корзину
25
33.1110521
Фланец ведущей шестерни
Кол-во
1
?
Оставить заявку
26
33.1110684
Кольцо пружинное упорное
Кол-во
1
?
Оставить заявку
27
870003
Болт М6-6gх20
Кол-во
2
?
Оставить заявку
28
870456
Шайба 16
Кол-во
1
?
Оставить заявку
29
870800
Шпонка 5х5х22
Кол-во
1
?
Оставить заявку
30
1/05196/01
Шайба плоская 8х17
Кол-во
1
?
Узнать цену
1/05196/01
Шайба 8*17 1/05196
ПАО Автодизель (ЯМЗ)
под заказ
20 ₽
В корзину
31
1/07344/01
Шплинт разводной 2х25
Кол-во
1
?
Оставить заявку
32
1/09026/21
Болт М6-6gх25
Кол-во
6
?
Оставить заявку
33
1/11977/71
Шайба коническая пружинная 6х12
Кол-во
6
?
Оставить заявку
34
1/58962/11
Гайка ЕМ6-6Н
Кол-во
3
?
Узнать цену
1/58962/11
Гайка М6Х1 Камаз
ПАО Автодизель (ЯМЗ)
под заказ
15 ₽
В корзину
35
1/61056/11
Гайка М8-6Н
Кол-во
1
?
Оставить заявку
Нужна помощь в подборе запчастей?
Напишите нам и оставьте ваши контактные данные. Мы перезвоним вам в течение 30 минут или раньше!
Кратвольд Елена
Менеджер по продажам
7 (3513) 289-777
koleso787@bk.ru
Вы должны включить JavaScript чтобы использовать эту форму.
Ваш вопрос
Email
Телефон
Отправляя форму вы подтверждаете согласие с
политикой обработки персональных данных
.
Отправить
Оставьте это поле пустым