Каталог запчастей
Запчасти Камаз
Запчасти Урал
Спецпредложения
О компании
Контакты
+7 (3513) 289-777
Отправить готовую заявку
Группа компаний A-GROUP
Каталог
Запчасти УРАЛ
Запчасти КАМАЗ
Двигатель
Система питания
Система выпуска газов
Система охлаждения
Механизмы управления
Рулевое управление
Тормозная система
Кабина и кузов
Кабина
Оперение кабины
Платформа и кузов
Трансмиссия
Коробка передач
Коробка раздаточная
Сцепление
Карданная передача
Мосты
Ходовая часть
Колеса и ступицы
Ось передняя
Подвеска
Рама
Электрооборудование
Приборы
Специальное оборудование
Устройство седельно-сцепное
Лебедка
Газовое оборудование
Прочие запчасти
Инструмент и принадлежности
Рукава и РТИ
Крепеж
Подшипники
Запчасти двигателя
Система выпуска газов
Система охлаждения
Система питания
Кабина и оперение
Передок кабины
Оперение кабины
Боковина кабины
Двери кабины
Задок кабины
Основание кабины
Крыша кабины
Сиденья кабины
Вентиляция и отопление кабины
Трансмиссия
Коробка передач
Раздаточная коробка
Карданный вал
Сцепление
Передний мост
Средний мост
Задний мост
Ходовая часть
Рама
Подвеска балансирная
Колеса и ступицы
Механизмы управления
Рулевое управление
Тормозная система
Платформа
Электрооборудование
Приборы
Оборудование и инструменты
Коробка отбора мощности
Лебедка
Устройство седельно-сцепное
Инструменты
Поиск
Графические каталоги
0
Группа компаний A-GROUP
Поиск
0
+7 (3513) 289-777
Обратный звонок
Отправить готовую заявку
Группа компаний A-GROUP
0
Меню
Поиск
Каталог запчастей
Запчасти Камаз
Запчасти Урал
Спецпредложения
О компании
Контакты
Главная
Графические каталоги
КамАЗ
КамАЗ-4308 (Евро 3)
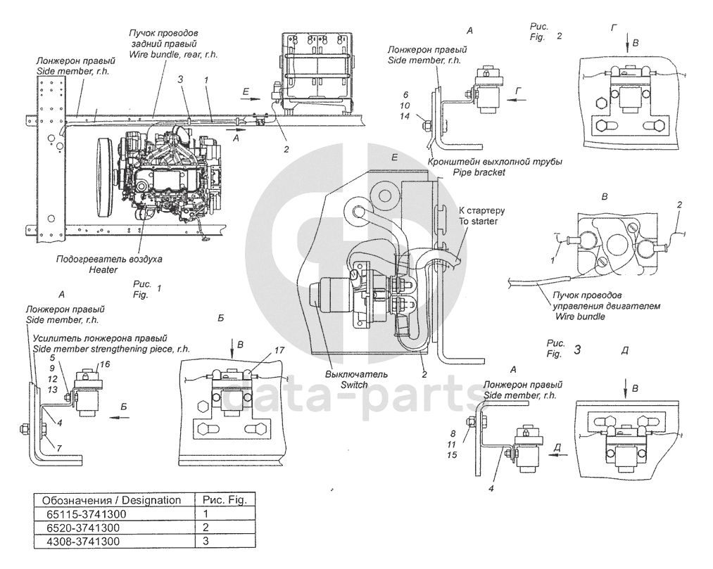
65115-3741300 Установка контактора подогревателя воздуха
65115-3741300 Установка контактора подогревателя воздуха КамАЗ-4308 (Евро 3)
65115-3741300
6520-3741300
4308-3741300
1
1
2
2
2
2
3
4
4
5
6
7
8
9
10
11
12
13
14
15
16
17
100
%
1
4308-3741213
Провод контактор - нагреватель
Кол-во
1
?
Оставить заявку
2
4308-3741214
Провод контактор - выключатель массы
Кол-во
1
?
Оставить заявку
3
5320-3724680
Хомут крепления провода
Кол-во
5
?
Узнать цену
5320-3724680
Хомут
ПАО КАМАЗ
под заказ
51 ₽
В корзину
4
65115-3741310
Кронштейн крепления контактора
Кол-во
1
?
Оставить заявку
5
1/09022/21
Болт ТЕМ6-6gх16
Кол-во
2
?
Оставить заявку
6
1/13069/21
Болт М10х1,25-6gх30
Кол-во
2
?
Оставить заявку
7
1/59709/31
Болт М10х1,25-6gх35
Кол-во
2
?
Оставить заявку
8
1/55403/21
Болт М12х1,25-6gх25
Кол-во
2
?
Оставить заявку
9
1/58962/11
Гайка ЕМ6-6Н
Кол-во
2
?
Узнать цену
1/58962/11
Гайка М6Х1 Камаз
ПАО Автодизель (ЯМЗ)
под заказ
15 ₽
В корзину
10
1/21647/11
Гайка М10х1,25-6Н
Кол-во
2
?
Оставить заявку
11
1/61036/11
Гайка М12х1,25-6Н
Кол-во
2
?
Оставить заявку
12
1/05194/01
Шайба плоская 6х12х1,5
Кол-во
2
?
Оставить заявку
13
1/05164/77
Шайба 6 пружинная
Кол-во
2
?
Оставить заявку
14
1/05168/77
Шайба 10 пружинная
Кол-во
2
?
Оставить заявку
15
1/05170/77
Шайба 12 пружинная
Кол-во
2
?
Оставить заявку
16
4573632237
Контактор 24КС101
Кол-во
1
?
Оставить заявку
17
2101-3724177
Колпачек защитный клеммы генератора
Кол-во
2
?
Оставить заявку
None
4308-3741300
Установка контактора подогревателя воздуха
Кол-во
1
?
Оставить заявку
None
6520-3741300
Установка контактора подогревателя воздуха
Кол-во
1
?
Оставить заявку
None
65115-3741300
Установка контактора подогревателя воздуха
Кол-во
1
?
Оставить заявку
Нужна помощь в подборе запчастей?
Напишите нам и оставьте ваши контактные данные. Мы перезвоним вам в течение 30 минут или раньше!
Кратвольд Елена
Менеджер по продажам
7 (3513) 289-777
koleso787@bk.ru
Вы должны включить JavaScript чтобы использовать эту форму.
Ваш вопрос
Email
Телефон
Отправляя форму вы подтверждаете согласие с
политикой обработки персональных данных
.
Отправить
Оставьте это поле пустым