Каталог запчастей
Запчасти Камаз
Запчасти Урал
Спецпредложения
О компании
Контакты
7 (3513) 289-777
Отправить готовую заявку
Группа компаний A-GROUP
Каталог
Запчасти УРАЛ
Запчасти КАМАЗ
Двигатель
Система питания
Система выпуска газов
Система охлаждения
Механизмы управления
Рулевое управление
Тормозная система
Кабина и кузов
Кабина
Оперение кабины
Платформа и кузов
Трансмиссия
Коробка передач
Коробка раздаточная
Сцепление
Карданная передача
Мосты
Ходовая часть
Колеса и ступицы
Ось передняя
Подвеска
Рама
Электрооборудование
Приборы
Специальное оборудование
Устройство седельно-сцепное
Лебедка
Газовое оборудование
Прочие запчасти
Инструмент и принадлежности
Рукава и РТИ
Крепеж
Подшипники
Запчасти двигателя
Система выпуска газов
Система охлаждения
Система питания
Кабина и оперение
Передок кабины
Оперение кабины
Боковина кабины
Двери кабины
Задок кабины
Основание кабины
Крыша кабины
Сиденья кабины
Вентиляция и отопление кабины
Трансмиссия
Коробка передач
Раздаточная коробка
Карданный вал
Сцепление
Передний мост
Средний мост
Задний мост
Ходовая часть
Рама
Подвеска балансирная
Колеса и ступицы
Механизмы управления
Рулевое управление
Тормозная система
Платформа
Электрооборудование
Приборы
Оборудование и инструменты
Коробка отбора мощности
Лебедка
Устройство седельно-сцепное
Инструменты
Поиск
Графические каталоги
0
Группа компаний A-GROUP
Поиск
0
+7 (3513) 289-777
Обратный звонок
Отправить готовую заявку
Группа компаний A-GROUP
0
Меню
Поиск
Каталог запчастей
Запчасти Камаз
Запчасти Урал
Спецпредложения
О компании
Контакты
Главная
Графические каталоги
КамАЗ
КамАЗ-65201 Евро 2-3
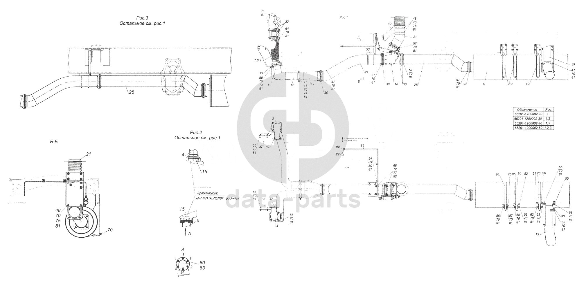
65201-1200002-20 Установка системы выпуска
65201-1200002-20 Установка системы выпуска КамАЗ-65201 Евро 2-3
65201-1200002-20
65201-1200002-30
65201-1200002-40
65201-1200002-50
1
2
3
4
5
7
8
9
11
12
13
15
15
17
18
19
19
20
20
20
21
21
22
23
24
25
25
26
30
30
30
30
30
32
32
33
33
36
37
39
45
46
47
48
48
49
50
51
52
53
54
55
55
55
55
55
57
57
57
57
57
57
57
58
58
58
59
62
63
64
68
69
70
70
70
70
70
70
70
70
70
70
70
70
70
70
70
70
70
70
70
70
70
70
70
70
71
72
74
74
75
75
76
77
80
80
81
81
81
81
81
81
81
81
81
81
81
81
81
81
81
81
81
81
81
81
81
81
81
81
82
83
85
100
%
1
6520-1201010-03
Глушитель выпуска
Кол-во
1
?
Оставить заявку
2
54115-1203010-10
Патрубок приемный (сварка)
Кол-во
1
?
Узнать цену
54115-1203010-10
Патрубок КАМАЗ-ЕВРО приемный короткий (под 8 шпилек) нержавейка
ПАО КАМАЗ
В наличии 13 шт.
4 826 ₽
В корзину
3
65201-1203010-01
Патрубок приемный
Кол-во
1
?
Оставить заявку
4
54115-1203011-10
Патрубок приемный
Кол-во
1
?
Узнать цену
54115-1203011-10
Патрубок КАМАЗ-ЕВРО приемный нержавейка
ПАО КАМАЗ
В наличии 4 шт.
5 667 ₽
В корзину
5
65201-1203011-01
Патрубок приемный
Кол-во
1
?
Оставить заявку
7
54115-1203012-01
Металлорукав
Кол-во
1
?
Оставить заявку
8
54115-1203012-02
Металлорукав
Кол-во
1
?
Оставить заявку
9
54115-1203012-03
Металлорукав
Кол-во
1
?
Оставить заявку
11
65201-1203013
Труба правая
Кол-во
1
?
Узнать цену
65201-1203013
Труба приемная глушителя КАМАЗ-65201 правая
ПАО КАМАЗ
под заказ
6 906 ₽
В корзину
12
65201-1203014
Труба левая
Кол-во
1
?
Узнать цену
65201-1203014
Труба левая
ПАО КАМАЗ
под заказ
5 786 ₽
В корзину
13
6520-1203015
Труба выпускная
Кол-во
1
?
Узнать цену
6520-1203015
Труба выхлопная глушителя КАМАЗ-ЕВРО в сборе
ПАО КАМАЗ
под заказ
6 184 ₽
В корзину
15
54115-1203023-20
Прокладка
Кол-во
2
?
Оставить заявку
17
6520-1203035
Тройник
Кол-во
1
?
Узнать цену
6520-1203035
Тройник КАМАЗ-6520 системы выпуска газов
ПАО КАМАЗ
под заказ
8 835 ₽
В корзину
18
6540-1203035-01
Коробка переключения газов
Кол-во
1
?
Оставить заявку
19
6520-1203041
Кронштейн глушителя
Кол-во
3
?
Оставить заявку
20
6520-1203047
Хомут
Кол-во
3
?
Узнать цену
6520-1203047
Хомут
ПАО КАМАЗ
под заказ
446 ₽
В корзину
21
65201-1203048
Труба обогрева платформы
Кол-во
1
?
Оставить заявку
22
65115-1203201
Трубка
Кол-во
1
?
Узнать цену
65115-1203201
Трубка КАМАЗ-65115 коробки переключения газов
ПАО КАМАЗ
под заказ
299 ₽
В корзину
23
65201-1203202
Трубка
Кол-во
1
?
Оставить заявку
24
65201-1203220-01
Труба
Кол-во
1
?
Узнать цену
65201-1203220-01
Трубка КАМАЗ глушителя
ПАО КАМАЗ
под заказ
10 688 ₽
В корзину
25
65201-1203230-20
Труба
Кол-во
1
?
Оставить заявку
25
65201-1203230-21
Труба
Кол-во
1
?
Оставить заявку
26
55105-1101119
Проставка
Кол-во
1
?
Оставить заявку
30
54115-1203020
Прокладка
Кол-во
6
?
Узнать цену
54115-1203020
Прокладка КАМАЗ-ЕВРО трубы приемной ФРИТЕКС
АО АЗ Урал
под заказ
35 ₽
В корзину
32
53215-1203023
Прокладка
Кол-во
2
?
Оставить заявку
33
54115-1203023
Прокладка
Кол-во
10
?
Оставить заявку
36
65201-1203030
Кронштейн левой трубы
Кол-во
1
?
Оставить заявку
37
54115-1203031-40
Кронштейн правой трубы
Кол-во
1
?
Узнать цену
54115-1203031-40
Кронштейн КАМАЗ-ЕВРО трубы приемной правый
ПАО КАМАЗ
под заказ
793 ₽
В корзину
39
6520-1203033
Кронштейн выпускной трубы
Кол-во
1
?
Узнать цену
6520-1203033
Кронштейн
ПАО КАМАЗ
под заказ
662 ₽
В корзину
45
54115-1203060
Хомут
Кол-во
2
?
Узнать цену
54115-1203060
Хомут КАМАЗ-ЕВРО глушителя
ПАО КАМАЗ
под заказ
207 ₽
В корзину
46
54115-1203061
Стремянка
Кол-во
2
?
Узнать цену
54115-1203061
Стремянка КАМАЗ на патрубок выпускной глушителя
ПАО КАМАЗ
под заказ
301 ₽
В корзину
47
6520-1203061
Стремянка
Кол-во
1
?
Узнать цену
6520-1203061
Стремянка КАМАЗ-6520 патрубка выпускного глушителя
ПАО КАМАЗ
под заказ
240 ₽
В корзину
48
6540-1203065
Стремянка
Кол-во
4
?
Узнать цену
6540-1203065
Стремянка КАМАЗ глушителя
ПАО КАМАЗ
под заказ
266 ₽
В корзину
49
65201-1203069
Кронштейн
Кол-во
1
?
Оставить заявку
50
53215-1203080
Пластина
Кол-во
2
?
Узнать цену
53215-1203080
Пластина
ПАО КАМАЗ
под заказ
83 ₽
В корзину
51
5360-1203080-20
Проставка
Кол-во
2
?
Оставить заявку
52
54115-1203083
Проставка
Кол-во
1
?
Узнать цену
54115-1203083
Проставка КАМАЗ-54115 выхлопной трубы
ПАО КАМАЗ
под заказ
266 ₽
В корзину
53
65201-1203183
Кронштейн
Кол-во
1
?
Оставить заявку
54
1/60434/21
Болт М8-6gх20
Кол-во
2
?
Оставить заявку
55
1/59709/21
Болт М10х1,25-6gх35
Кол-во
13
?
Оставить заявку
57
1/13070/21
Болт М10х1,25-6gх40
Кол-во
25
?
Оставить заявку
58
1/12347/21
Болт М10х1,25-6gх45
Кол-во
8
?
Оставить заявку
59
1/13438/31
Болт М10х1,25-6gх50
Кол-во
1
?
Оставить заявку
62
1/12880/21
Болт М10х1,25-6gх60
Кол-во
2
?
Оставить заявку
63
1/13437/21
Болт М10х1,25-6gх65
Кол-во
1
?
Оставить заявку
64
1/59724/31
Болт М10х1,25-6gх130
Кол-во
8
?
Оставить заявку
68
1/55405/21
Болт М12х1,25-6gх35
Кол-во
6
?
Оставить заявку
69
1/61008/11
Гайка М8х1,25-6Н
Кол-во
2
?
Оставить заявку
70
1/21647/11
Гайка М10х1,25-6Н
Кол-во
69
?
Оставить заявку
71
1/21647/40
Гайка М10х1,25-6Н
Кол-во
8
?
Оставить заявку
72
1/61036/11
Гайка М12х1,25-6Н
Кол-во
6
?
Оставить заявку
74
1/26386/01
Шайба плоская 10,6х18х2
Кол-во
8
?
Оставить заявку
75
1/26468/01
Шайба плоская 10,2х25х2
Кол-во
8
?
Оставить заявку
76
1/26443/01
Шайба плоская 10х35х3
Кол-во
1
?
Оставить заявку
77
1/26469/01
Шайба плоская 12,6х28х3
Кол-во
6
?
Оставить заявку
80
1/05166/77
Шайба 8 пружинная
Кол-во
12
?
Оставить заявку
81
1/05168/77
Шайба 10 пружинная
Кол-во
73
?
Оставить заявку
82
1/05170/77
Шайба 12 пружинная
Кол-во
6
?
Оставить заявку
83
853578
Гайка М8-6Н
Кол-во
12
?
Оставить заявку
85
853614
Шайба плоская 16,4х35х8
Кол-во
2
?
Оставить заявку
None
65201-1200002-50
Установка системы выпуска
Кол-во
0
?
Оставить заявку
None
65201-1200002-40
Установка системы выпуска
Кол-во
0
?
Оставить заявку
None
65201-1200002-30
Установка системы выпуска
Кол-во
0
?
Оставить заявку
None
65201-1200002-20
Установка системы выпуска
Кол-во
0
?
Оставить заявку
Нужна помощь в подборе запчастей?
Напишите нам и оставьте ваши контактные данные. Мы перезвоним вам в течение 30 минут или раньше!
Кратвольд Елена
Менеджер по продажам
7 (3513) 289-777
koleso787@bk.ru
Вы должны включить JavaScript чтобы использовать эту форму.
Ваш вопрос
Email
Телефон
Отправляя форму вы подтверждаете согласие с
политикой обработки персональных данных
.
Отправить
Оставьте это поле пустым