Каталог запчастей
Запчасти Камаз
Запчасти Урал
Спецпредложения
О компании
Контакты
+7 (3513) 289-777
Отправить готовую заявку
Группа компаний A-GROUP
Каталог
Запчасти УРАЛ
Запчасти КАМАЗ
Двигатель
Система питания
Система выпуска газов
Система охлаждения
Механизмы управления
Рулевое управление
Тормозная система
Кабина и кузов
Кабина
Оперение кабины
Платформа и кузов
Трансмиссия
Коробка передач
Коробка раздаточная
Сцепление
Карданная передача
Мосты
Ходовая часть
Колеса и ступицы
Ось передняя
Подвеска
Рама
Электрооборудование
Приборы
Специальное оборудование
Устройство седельно-сцепное
Лебедка
Газовое оборудование
Прочие запчасти
Инструмент и принадлежности
Рукава и РТИ
Крепеж
Подшипники
Запчасти двигателя
Система выпуска газов
Система охлаждения
Система питания
Кабина и оперение
Передок кабины
Оперение кабины
Боковина кабины
Двери кабины
Задок кабины
Основание кабины
Крыша кабины
Сиденья кабины
Вентиляция и отопление кабины
Трансмиссия
Коробка передач
Раздаточная коробка
Карданный вал
Сцепление
Передний мост
Средний мост
Задний мост
Ходовая часть
Рама
Подвеска балансирная
Колеса и ступицы
Механизмы управления
Рулевое управление
Тормозная система
Платформа
Электрооборудование
Приборы
Оборудование и инструменты
Коробка отбора мощности
Лебедка
Устройство седельно-сцепное
Инструменты
Поиск
Графические каталоги
0
Группа компаний A-GROUP
Поиск
0
+7 (3513) 289-777
Обратный звонок
Отправить готовую заявку
Группа компаний A-GROUP
0
Меню
Поиск
Каталог запчастей
Запчасти Камаз
Запчасти Урал
Спецпредложения
О компании
Контакты
Главная
Графические каталоги
КамАЗ
КамАЗ-6520 (Euro-4)
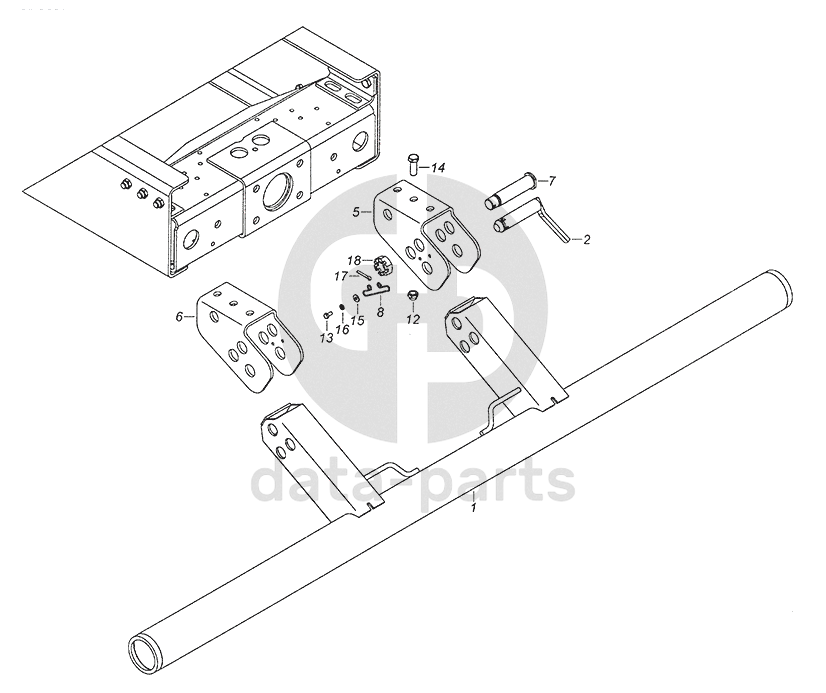
6520-2804003-30 Установка заднего буфера
6520-2804003-30 Установка заднего буфера КамАЗ-6520 (Euro-4)
1
2
5
6
7
8
12
13
14
15
16
17
18
100
%
1
6520-2804005-40
Буфер задний с кронштейнами
Кол-во
1
?
Оставить заявку
2
6520-2804117
Палец заднего буфера
Кол-во
2
?
Узнать цену
6520-2804117
Палец КАМАЗ буфера заднего
ПАО КАМАЗ
под заказ
2 081 ₽
В корзину
5
6520-2804020-30
Кронштейн опорный правый
Кол-во
1
?
Узнать цену
6520-2804020-30
Кронштейн бампера КАМАЗ-6520 заднего правый
ПАО КАМАЗ
под заказ
7 623 ₽
В корзину
6
6520-2804021-30
Кронштейн опорный левый
Кол-во
1
?
Узнать цену
6520-2804021-30
Кронштейн бампера КАМАЗ-6520 заднего левый
ПАО КАМАЗ
под заказ
7 482 ₽
В корзину
7
6520-2804031
Ось
Кол-во
2
?
Узнать цену
6520-2804031
Ось КАМАЗ буфера заднего
ПАО КАМАЗ
под заказ
1 595 ₽
В корзину
8
53205-2806128
Пружина
Кол-во
2
?
Узнать цену
53205-2806128
Пружина КАМАЗ буксирной поперечины
ПАО КАМАЗ
под заказ
87 ₽
В корзину
12
251649
Гайка М16х1,5-6Н ОСТ 37.001.197-97
Кол-во
6
?
Оставить заявку
13
1/60432/21
Болт М8-6gх16
Кол-во
4
?
Оставить заявку
14
1/13915/21
Болт М16х1,5-6gх45
Кол-во
4
?
Оставить заявку
15
1/26467/01
Шайба плоская 8х20
Кол-во
4
?
Оставить заявку
16
1/05166/77
Шайба 8 пружинная
Кол-во
4
?
Оставить заявку
17
1/07985/01
Шплинт 5,7х50
Кол-во
2
?
Оставить заявку
18
853515
Гайка М30х1,5-6Н
Кол-во
2
?
Узнать цену
853515
Шланг тормозной KIA Spectra Cerato передний правый
ПАО КАМАЗ
В наличии 21 шт.
453 ₽
В корзину
Нужна помощь в подборе запчастей?
Напишите нам и оставьте ваши контактные данные. Мы перезвоним вам в течение 30 минут или раньше!
Кратвольд Елена
Менеджер по продажам
7 (3513) 289-777
koleso787@bk.ru
Вы должны включить JavaScript чтобы использовать эту форму.
Ваш вопрос
Email
Телефон
Отправляя форму вы подтверждаете согласие с
политикой обработки персональных данных
.
Отправить
Оставьте это поле пустым