Каталог запчастей
Запчасти Камаз
Запчасти Урал
Спецпредложения
О компании
Контакты
+7 (3513) 289-777
Отправить готовую заявку
Группа компаний A-GROUP
Каталог
Запчасти УРАЛ
Запчасти КАМАЗ
Двигатель
Система питания
Система выпуска газов
Система охлаждения
Механизмы управления
Рулевое управление
Тормозная система
Кабина и кузов
Кабина
Оперение кабины
Платформа и кузов
Трансмиссия
Коробка передач
Коробка раздаточная
Сцепление
Карданная передача
Мосты
Ходовая часть
Колеса и ступицы
Ось передняя
Подвеска
Рама
Электрооборудование
Приборы
Специальное оборудование
Устройство седельно-сцепное
Лебедка
Газовое оборудование
Прочие запчасти
Инструмент и принадлежности
Рукава и РТИ
Крепеж
Подшипники
Запчасти двигателя
Система выпуска газов
Система охлаждения
Система питания
Кабина и оперение
Передок кабины
Оперение кабины
Боковина кабины
Двери кабины
Задок кабины
Основание кабины
Крыша кабины
Сиденья кабины
Вентиляция и отопление кабины
Трансмиссия
Коробка передач
Раздаточная коробка
Карданный вал
Сцепление
Передний мост
Средний мост
Задний мост
Ходовая часть
Рама
Подвеска балансирная
Колеса и ступицы
Механизмы управления
Рулевое управление
Тормозная система
Платформа
Электрооборудование
Приборы
Оборудование и инструменты
Коробка отбора мощности
Лебедка
Устройство седельно-сцепное
Инструменты
Поиск
Графические каталоги
0
Группа компаний A-GROUP
Поиск
0
+7 (3513) 289-777
Обратный звонок
Отправить готовую заявку
Группа компаний A-GROUP
0
Меню
Поиск
Каталог запчастей
Запчасти Камаз
Запчасти Урал
Спецпредложения
О компании
Контакты
Главная
Графические каталоги
КамАЗ
КамАЗ-43501 (4х4)
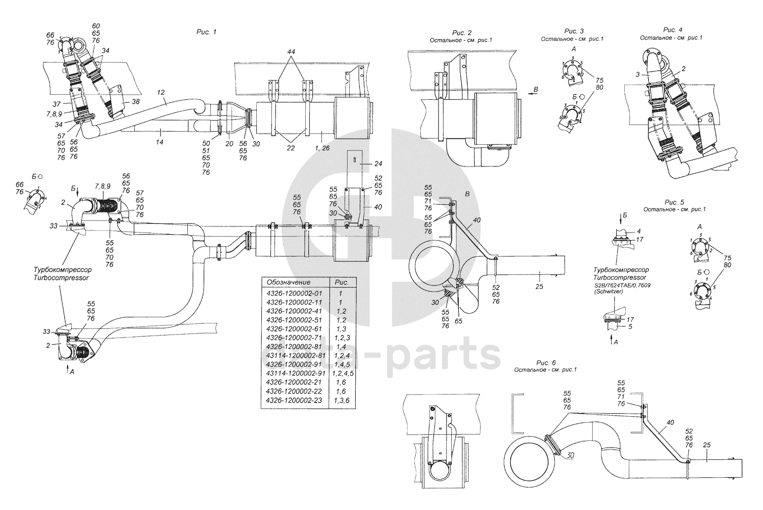
4326-1200002-01 Установка системы выпуска
4326-1200002-01 Установка системы выпуска КамАЗ-43501 (4х4)
4326-1200002-01
4326-1200002-11
4326-1200002-41
4326-1200002-51
4326-1200002-61
4326-1200002-71
4326-1200002-81
43114-1200002-81
4326-1200002-91
43114-1200002-91
1
2
2
2
2
3
4
5
7
7
8
8
9
9
12
14
17
17
20
22
24
25
25
26
30
30
30
30
33
33
34
34
37
38
40
40
40
44
50
51
52
52
52
55
55
55
55
55
55
55
55
55
56
56
56
57
57
60
65
65
65
65
65
65
65
65
65
65
65
65
65
65
65
65
65
65
65
65
66
66
70
70
70
70
71
71
75
75
76
76
76
76
76
76
76
76
76
76
76
76
76
76
76
76
76
76
76
76
76
80
80
4326-1200002-23
4326-1200002-22
4326-1200002-21
100
%
1
6520-1201010
Глушитель выпуска
Кол-во
1
?
Оставить заявку
2
54115-1203010-50
Патрубок приемный
Кол-во
2
?
Узнать цену
54115-1203010-50
Патрубок КАМАЗ-ЕВРО приемный короткий нержавейка
ПАО КАМАЗ
В наличии 17 шт.
5 137 ₽
В корзину
2
54115-1203010-40
Патрубок приемный
Кол-во
2
?
Узнать цену
54115-1203010-40
Патрубок КАМАЗ-ЕВРО приемный нержавейка
ПАО КАМАЗ
под заказ
6 225 ₽
В корзину
3
54115-1203010-60
Патрубок приемный
Кол-во
1
?
Узнать цену
54115-1203010-60
Патрубок КАМАЗ-ЕВРО приемный нержавейка
ПАО КАМАЗ
В наличии 6 шт.
4 752 ₽
В корзину
4
54115-1203011-30
Патрубок приемный
Кол-во
1
?
Узнать цену
54115-1203011-30
Патрубок КАМАЗ-ЕВРО приемный левый (под 6 шпилек) нержавейка
ПАО КАМАЗ
В наличии 7 шт.
6 276 ₽
В корзину
5
54115-1203011-40
Патрубок приемный
Кол-во
1
?
Узнать цену
54115-1203011-40
Патрубок КАМАЗ-ЕВРО приемный длинный (под 6 шпилек) нержавейка
ПАО КАМАЗ
В наличии 4 шт.
5 572 ₽
В корзину
7
54115-1203012-01
Металлорукав
Кол-во
2
?
Оставить заявку
8
54115-1203012-02
Металлорукав
Кол-во
2
?
Оставить заявку
9
54115-1203012-03
Металлорукав
Кол-во
2
?
Оставить заявку
12
4326-1203014-22
Труба левая
Кол-во
1
?
Узнать цену
4326-1203014-22
Труба приемная глушителя КАМАЗ-65111 левая
ПАО КАМАЗ
под заказ
6 635 ₽
В корзину
14
4326-1203015-21
Труба правая
Кол-во
1
?
Узнать цену
4326-1203015-21
Труба приемная глушителя КАМАЗ-65111 правая
ПАО КАМАЗ
под заказ
7 218 ₽
В корзину
17
54115-1203023-20
Прокладка
Кол-во
2
?
Оставить заявку
20
54115-1203035
Тройник
Кол-во
1
?
Узнать цену
54115-1203035
Тройник КАМАЗ системы выпуска газов
ПАО КАМАЗ
В наличии 10 шт.
3 612 ₽
В корзину
22
54115-1203047
Хомут
Кол-во
2
?
Узнать цену
54115-1203047
Хомут КАМАЗ глушителя в сборе
ПАО КАМАЗ
под заказ
626 ₽
В корзину
24
6350-1203048
Труба выпускная
Кол-во
1
?
Узнать цену
6350-1203048
Труба выхлопная глушителя КАМАЗ-5350
ПАО КАМАЗ
под заказ
5 877 ₽
В корзину
25
43114-1203048-31
Труба выпускная
Кол-во
1
?
Узнать цену
43114-1203048-31
Труба выпускная КАМАЗ-43114
ПАО КАМАЗ
под заказ
19 272 ₽
В корзину
26
6520-1201010-01
Глушитель выпуска
Кол-во
1
?
Оставить заявку
30
54115-1203020
Прокладка
Кол-во
2
?
Узнать цену
54115-1203020
Прокладка КАМАЗ-ЕВРО трубы приемной ФРИТЕКС
АО АЗ Урал
под заказ
35 ₽
В корзину
33
53215-1203023
Прокладка
Кол-во
2
?
Оставить заявку
34
54115-1203023
Прокладка
Кол-во
10
?
Оставить заявку
37
43114-1203030-31
Кронштейн левой трубы
Кол-во
1
?
Узнать цену
43114-1203030-31
Кронштейн КАМАЗ трубы глушителя левый
ПАО КАМАЗ
под заказ
1 072 ₽
В корзину
38
4326-1203031-10
Кронштейн правой трубы
Кол-во
1
?
Узнать цену
4326-1203031-10
Кронштейн КАМАЗ трубы глушителя правый
ПАО КАМАЗ
под заказ
1 199 ₽
В корзину
40
4326-1203033-01
Кронштейн выпускной трубы
Кол-во
1
?
Узнать цену
4326-1203033-01
Кронштейн КАМАЗ трубы выпускной
ПАО КАМАЗ
под заказ
3 675 ₽
В корзину
44
54115-1203041
Кронштейн
Кол-во
2
?
Узнать цену
54115-1203041
Кронштейн КАМАЗ-6520 65115 крепления глушителя
ПАО КАМАЗ
В наличии 3 шт.
679 ₽
В корзину
50
54115-1203060
Хомут
Кол-во
2
?
Узнать цену
54115-1203060
Хомут КАМАЗ-ЕВРО глушителя
ПАО КАМАЗ
под заказ
207 ₽
В корзину
51
54115-1203061
Стремянка
Кол-во
2
?
Узнать цену
54115-1203061
Стремянка КАМАЗ на патрубок выпускной глушителя
ПАО КАМАЗ
под заказ
301 ₽
В корзину
52
6520-1203061
Стремянка
Кол-во
1
?
Узнать цену
6520-1203061
Стремянка КАМАЗ-6520 патрубка выпускного глушителя
ПАО КАМАЗ
под заказ
240 ₽
В корзину
55
1/59709/21
Болт М10х1,25-6gх35
Кол-во
16
?
Оставить заявку
56
1/13070/21
Болт М10х1,25-6gх40
Кол-во
8
?
Оставить заявку
57
1/12347/21
Болт М10х1,25-6gх45
Кол-во
4
?
Оставить заявку
60
1/59724/31
Болт М10х1,25-6gх130
Кол-во
8
?
Оставить заявку
65
1/21647/11
Гайка М10х1,25-6Н
Кол-во
46
?
Оставить заявку
66
1/21647/40
Гайка М10х1,25-6Н
Кол-во
8
?
Оставить заявку
70
1/26386/01
Шайба плоская 10,6х18х2
Кол-во
10
?
Оставить заявку
71
1/26468/01
Шайба плоская 10,2х25х2
Кол-во
2
?
Оставить заявку
75
1/05166/77
Шайба 8 пружинная
Кол-во
12
?
Оставить заявку
76
1/05168/77
Шайба 10 пружинная
Кол-во
50
?
Оставить заявку
80
853578
Гайка М8-6Н
Кол-во
12
?
Оставить заявку
None
4326-1200002-71
Установка системы выпуска
Кол-во
0
?
Оставить заявку
None
4326-1200002-61
Установка системы выпуска
Кол-во
0
?
Оставить заявку
None
4326-1200002-51
Установка системы выпуска
Кол-во
0
?
Оставить заявку
None
4326-1200002-41
Установка системы выпуска
Кол-во
0
?
Оставить заявку
None
4326-1200002-11
Установка системы выпуска
Кол-во
0
?
Оставить заявку
None
43114-1200002-81
Установка системы выпуска
Кол-во
0
?
Оставить заявку
None
4326-1200002-91
Установка системы выпуска
Кол-во
0
?
Оставить заявку
None
43114-1200002-91
Установка системы выпуска
Кол-во
0
?
Оставить заявку
None
4326-1200002-23
Установка системы выпуска
Кол-во
0
?
Оставить заявку
None
4326-1200002-22
Установка системы выпуска
Кол-во
0
?
Оставить заявку
None
4326-1200002-21
Установка системы выпуска
Кол-во
0
?
Оставить заявку
None
4326-1200002-81
Установка системы выпуска
Кол-во
0
?
Оставить заявку
None
4326-1200002-01
Установка системы выпуска
Кол-во
0
?
Оставить заявку
Нужна помощь в подборе запчастей?
Напишите нам и оставьте ваши контактные данные. Мы перезвоним вам в течение 30 минут или раньше!
Кратвольд Елена
Менеджер по продажам
7 (3513) 289-777
koleso787@bk.ru
Вы должны включить JavaScript чтобы использовать эту форму.
Ваш вопрос
Email
Телефон
Отправляя форму вы подтверждаете согласие с
политикой обработки персональных данных
.
Отправить
Оставьте это поле пустым