Каталог запчастей
Запчасти Камаз
Запчасти Урал
Спецпредложения
О компании
Контакты
+7 (3513) 289-777
Отправить готовую заявку
Группа компаний A-GROUP
Каталог
Запчасти УРАЛ
Запчасти КАМАЗ
Двигатель
Система питания
Система выпуска газов
Система охлаждения
Механизмы управления
Рулевое управление
Тормозная система
Кабина и кузов
Кабина
Оперение кабины
Платформа и кузов
Трансмиссия
Коробка передач
Коробка раздаточная
Сцепление
Карданная передача
Мосты
Ходовая часть
Колеса и ступицы
Ось передняя
Подвеска
Рама
Электрооборудование
Приборы
Специальное оборудование
Устройство седельно-сцепное
Лебедка
Газовое оборудование
Прочие запчасти
Инструмент и принадлежности
Рукава и РТИ
Крепеж
Подшипники
Запчасти двигателя
Система выпуска газов
Система охлаждения
Система питания
Кабина и оперение
Передок кабины
Оперение кабины
Боковина кабины
Двери кабины
Задок кабины
Основание кабины
Крыша кабины
Сиденья кабины
Вентиляция и отопление кабины
Трансмиссия
Коробка передач
Раздаточная коробка
Карданный вал
Сцепление
Передний мост
Средний мост
Задний мост
Ходовая часть
Рама
Подвеска балансирная
Колеса и ступицы
Механизмы управления
Рулевое управление
Тормозная система
Платформа
Электрооборудование
Приборы
Оборудование и инструменты
Коробка отбора мощности
Лебедка
Устройство седельно-сцепное
Инструменты
Поиск
Графические каталоги
0
Группа компаний A-GROUP
Поиск
0
+7 (3513) 289-777
Обратный звонок
Отправить готовую заявку
Группа компаний A-GROUP
0
Меню
Поиск
Каталог запчастей
Запчасти Камаз
Запчасти Урал
Спецпредложения
О компании
Контакты
Главная
Графические каталоги
КамАЗ
КамАЗ-43261 (Евро-1, 2)
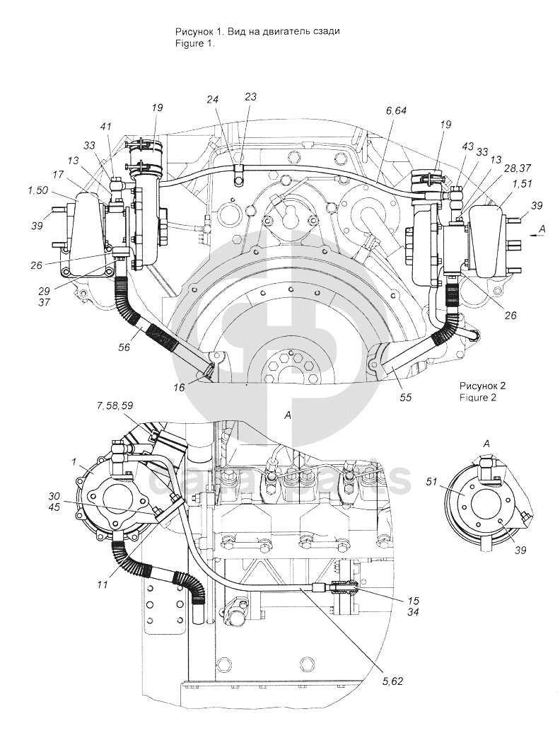
740.30-1118000 Установка турбокомпрессора
740.30-1118000 Установка турбокомпрессора КамАЗ-43261 (Евро-1, 2)
740.30-1118000
740.30-1118000-01
1
1
1
5
6
7
11
13
13
15
16
17
19
19
23
24
26
26
28
29
30
33
33
34
37
37
39
39
39
39
41
43
45
50
51
51
55
56
58
59
62
64
100
%
1
7406.1118010
Турбокомпрессор ТКР 7С-6
Кол-во
2
?
Узнать цену
7406.1118010
ТКР 7С-6
ПАО КАМАЗ
под заказ
24 968 ₽
В корзину
5
740.21-1118290-10
Трубка подвода масла
Кол-во
1
?
Узнать цену
740.21-1118290-10
Трубка КАМАЗ-ЕВРО ТКР подвода масла
ПАО КАМАЗ
В наличии 5 шт.
2 711 ₽
В корзину
6
740.21-1118310-10
Трубка соединительная подвода масла
Кол-во
1
?
Оставить заявку
7
5320-1303033
Хомут 63 в сборе
Кол-во
4
?
Оставить заявку
11
7403-1118189
Прокладка турбины
Кол-во
2
?
Узнать цену
7403.1118189
Прокладка КАМАЗ-ЕВРО турбокомпрессора
ПАО КАМАЗ
В наличии 24 шт.
193 ₽
В корзину
13
7405.1118200
Переходник
Кол-во
2
?
Узнать цену
7405.1118200
Переходник КАМАЗ на ТКР
ПАО КАМАЗ
В наличии 3 шт.
435 ₽
В корзину
15
7405.1118204
Штуцер
Кол-во
1
?
Узнать цену
7405.1118204
Штуцер
ПАО КАМАЗ
под заказ
172 ₽
В корзину
16
740.13-1118237
Кольцо уплотнительное
Кол-во
4
?
Оставить заявку
17
7405.1118245
Прокладка
Кол-во
2
?
Оставить заявку
19
7406.1118276
Рукав 50х61-0,29
Кол-во
2
?
Оставить заявку
23
7405.1118322
Кляммер
Кол-во
1
?
Узнать цену
7405.1118322
Клямер
ПАО КАМАЗ
под заказ
31 ₽
В корзину
24
7405.1118325
Прокладка
Кол-во
1
?
Оставить заявку
26
7405.1118335
Прокладка
Кол-во
2
?
Оставить заявку
28
1/60434/21
Болт М8-6gх20
Кол-во
4
?
Оставить заявку
29
870353-20
Винт М8-6gх25
Кол-во
4
?
Оставить заявку
30
1/21647/27
Гайка М10х1,25-6Н
Кол-во
8
?
Оставить заявку
33
1/02800/60
Прокладка уплотнительная 14х20х1,5
Кол-во
5
?
Узнать цену
1/02800/60
ПРОКЛАДКА 14Х20Х1.5,
АО АЗ Урал
под заказ
25 ₽
В корзину
34
1/02599/60
Прокладка 18х24х1,5
Кол-во
1
?
Оставить заявку
37
1/05166/73
Шайба 8 пружинная
Кол-во
4
?
Оставить заявку
39
1/35435/33
Шпилька М8х1,25-6gх16х25
Кол-во
12
?
Оставить заявку
39
1/34495/33
Шпилька М10х1,25х15х25
Кол-во
8
?
Оставить заявку
41
870 005
Болт М14х1,5-6gх30
Кол-во
1
?
Оставить заявку
43
870 031
Болт М14х1,5-6gх50
Кол-во
1
?
Оставить заявку
45
870 860
Шайба тарельчатая 11х21,5х4
Кол-во
8
?
Оставить заявку
50
45104111800391
Турбокомпрессор S2В/7624 ТАЕ/0,76D9 левый 314448
Кол-во
1
?
Оставить заявку
51
45104111800392
Турбокомпрессор S2В/7624 ТАЕ/0,76D9 правый 314450
Кол-во
1
?
Оставить заявку
55
45104111840000
Трубка слива масла, ТСМ29.2.400.00
Кол-во
1
?
Оставить заявку
56
45104111843000
Трубка слива масла, ТСМ29.2.430.00
Кол-во
1
?
Оставить заявку
58
45104998010490
Хомут ТОRRО 50-70/12С7-W1
Кол-во
4
?
Оставить заявку
59
45104998010410
Хомут стяжной (50-70)х13
Кол-во
4
?
Оставить заявку
62
451041118290010
Трубка подвода масла, ЕАЛР. 302 646.001-01
Кол-во
1
?
Оставить заявку
64
45104111831010
Трубка подвода масла, ЕАЛР. 302 646.004
Кол-во
1
?
Оставить заявку
None
740.30-1118000-01
Установка турбокомпрессора
Кол-во
0
?
Оставить заявку
None
740.30-1118000
Установка турбокомпрессора
Кол-во
0
?
Оставить заявку
Нужна помощь в подборе запчастей?
Напишите нам и оставьте ваши контактные данные. Мы перезвоним вам в течение 30 минут или раньше!
Кратвольд Елена
Менеджер по продажам
7 (3513) 289-777
koleso787@bk.ru
Вы должны включить JavaScript чтобы использовать эту форму.
Ваш вопрос
Email
Телефон
Отправляя форму вы подтверждаете согласие с
политикой обработки персональных данных
.
Отправить
Оставьте это поле пустым