Каталог запчастей
Запчасти Камаз
Запчасти Урал
Спецпредложения
О компании
Контакты
7 (3513) 289-777
Отправить готовую заявку
Группа компаний A-GROUP
Каталог
Запчасти УРАЛ
Запчасти КАМАЗ
Двигатель
Система питания
Система выпуска газов
Система охлаждения
Механизмы управления
Рулевое управление
Тормозная система
Кабина и кузов
Кабина
Оперение кабины
Платформа и кузов
Трансмиссия
Коробка передач
Коробка раздаточная
Сцепление
Карданная передача
Мосты
Ходовая часть
Колеса и ступицы
Ось передняя
Подвеска
Рама
Электрооборудование
Приборы
Специальное оборудование
Устройство седельно-сцепное
Лебедка
Газовое оборудование
Прочие запчасти
Инструмент и принадлежности
Рукава и РТИ
Крепеж
Подшипники
Запчасти двигателя
Система выпуска газов
Система охлаждения
Система питания
Кабина и оперение
Передок кабины
Оперение кабины
Боковина кабины
Двери кабины
Задок кабины
Основание кабины
Крыша кабины
Сиденья кабины
Вентиляция и отопление кабины
Трансмиссия
Коробка передач
Раздаточная коробка
Карданный вал
Сцепление
Передний мост
Средний мост
Задний мост
Ходовая часть
Рама
Подвеска балансирная
Колеса и ступицы
Механизмы управления
Рулевое управление
Тормозная система
Платформа
Электрооборудование
Приборы
Оборудование и инструменты
Коробка отбора мощности
Лебедка
Устройство седельно-сцепное
Инструменты
Поиск
Графические каталоги
0
Группа компаний A-GROUP
Поиск
0
+7 (3513) 289-777
Обратный звонок
Отправить готовую заявку
Группа компаний A-GROUP
0
Меню
Поиск
Каталог запчастей
Запчасти Камаз
Запчасти Урал
Спецпредложения
О компании
Контакты
Главная
Графические каталоги
КамАЗ
КамАЗ-4326
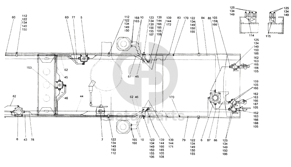
Установка пневмотормозов
5
6
6
7
10
10
43
44
45
45
46
46
60
60
61
62
62
77
78
79
82
83
84
85
86
87
105
105
105
105
105
105
105
106
107
108
108
112
112
112
114
115
122
122
122
122
122
123
123
125
125
125
125
134
134
134
134
134
134
134
134
134
134
134
139
139
139
139
139
144
144
144
144
149
149
149
149
149
149
149
149
149
149
150
150
150
150
150
150
150
150
150
153
155
155
155
155
159
159
162
162
162
163
163
163
165
165
166
166
166
166
166
166
166
168
168
170
170
171
172
185
185
186
186
187
188
188
100
%
1
5320-3500011-10
Установка блока подготовки воздуха
Кол-во
1
?
Оставить заявку
2
4310-3500013-10
Установка воздушных ресиверов
Кол-во
1
?
Оставить заявку
3
43114-3500014
Установка тормозного крана
Кол-во
1
?
Оставить заявку
4
4310-3500015-10
Установка четырехконтурного защитного клапана
Кол-во
1
?
Оставить заявку
5
4326-3500018
Установка ускорительных клапанов
Кол-во
1
?
Оставить заявку
6
4310-3500022-10
Установка клапанов управления тормозами прицепа
Кол-во
1
?
Оставить заявку
7
4925-3500033
Установка регулятора тормозных сил
Кол-во
1
?
Оставить заявку
8
4310-3500062-10
Установка двухмагистрального клапана
Кол-во
1
?
Оставить заявку
10
4310-3506060-10
Шланг гибкий тормозных механизмов
Кол-во
6
?
Оставить заявку
11
5425-3506060
Шланг гибкий к двухсекционному крану
Кол-во
2
?
Оставить заявку
12
54112-3506060
Шланг гибкий
Кол-во
2
?
Оставить заявку
15
53205-3506180
Трубка
Кол-во
1
?
Оставить заявку
16
53205-3506192-10
Трубка
Кол-во
1
?
Узнать цену
53205-3506192-10
Трубка КАМАЗ пневмопривода тормозов
ПАО КАМАЗ
под заказ
4 304.79 ₽
В корзину
20
4310-3506204-10
Трубка
Кол-во
1
?
Оставить заявку
21
4310-3506206-10
Трубка
Кол-во
1
?
Оставить заявку
22
4310-3506208-10
Трубка
Кол-во
1
?
Оставить заявку
25
4310-3506232-10
Трубка
Кол-во
1
?
Оставить заявку
26
4310-3506234-10
Трубка
Кол-во
1
?
Оставить заявку
28
4310-3506238-10
Трубка
Кол-во
1
?
Оставить заявку
29
4310-3506240-10
Трубка
Кол-во
1
?
Оставить заявку
30
4310-3506242-10
Трубка
Кол-во
1
?
Оставить заявку
37
4310-3506252-10
Трубка
Кол-во
1
?
Оставить заявку
39
4310-3506256-10
Трубка
Кол-во
1
?
Оставить заявку
40
4310-3506258-10
Трубка
Кол-во
1
?
Оставить заявку
41
4310-3506260-10
Трубка
Кол-во
1
?
Оставить заявку
42
4310-3506262-10
Трубка
Кол-во
1
?
Оставить заявку
43
4326-3506264
Трубка
Кол-во
1
?
Оставить заявку
44
4326-3506266
Трубка
Кол-во
1
?
Оставить заявку
45
4326-3506268
Трубка
Кол-во
1
?
Оставить заявку
46
4326-3506270
Трубка
Кол-во
1
?
Оставить заявку
50
4326-3506278
Трубка
Кол-во
1
?
Оставить заявку
55
4310-3506290-10
Трубка
Кол-во
2
?
Оставить заявку
56
4310-3506292-10
Трубка
Кол-во
1
?
Оставить заявку
59
4310-3506296-10
Трубка
Кол-во
1
?
Оставить заявку
60
4326-3506298
Трубка
Кол-во
1
?
Оставить заявку
61
4326-3506304
Трубка
Кол-во
1
?
Оставить заявку
62
4326-3506306
Трубка
Кол-во
1
?
Оставить заявку
67
4310-3506316-10
Трубка
Кол-во
1
?
Оставить заявку
68
4310-3506318-10
Трубка
Кол-во
1
?
Оставить заявку
70
4310-3506322
Трубка от ресивера стояночной тормозной системы к крану управления стояночной тормозной системой четвертая
Кол-во
1
?
Оставить заявку
71
4310-3506324
Трубка выпуска воздуха из крана управления стояночной тормозной системой
Кол-во
1
?
Оставить заявку
72
4310-3506326
Трубка от крана управления стояночной тормозной системой к ускорительному клапану первая
Кол-во
1
?
Оставить заявку
74
4310-3506330-10
Трубка
Кол-во
1
?
Оставить заявку
75
4310-3506332
Трубка от крана управления стояночной тормозной системой к ускорительному клапану четвертая
Кол-во
1
?
Оставить заявку
76
43114-3506334
Трубка
Кол-во
1
?
Оставить заявку
77
4326-3506336
Трубка
Кол-во
1
?
Оставить заявку
78
4310-3506338-10
Трубка
Кол-во
1
?
Оставить заявку
79
4310-3506340-10
Трубка
Кол-во
1
?
Оставить заявку
82
4310-3506346-10
Трубка
Кол-во
1
?
Оставить заявку
83
4310-3506348-10
Трубка
Кол-во
1
?
Оставить заявку
84
4310-3506350-10
Трубка
Кол-во
1
?
Оставить заявку
85
4310-3506352-10
Трубка
Кол-во
1
?
Оставить заявку
86
4310-3506354-10
Трубка
Кол-во
1
?
Оставить заявку
87
4310-3506356-10
Трубка
Кол-во
1
?
Оставить заявку
88
5320-3506368
Шланг гибкий соединительный
Кол-во
2
?
Узнать цену
5320-3506368
Шланг тормозной КАМАЗ подкабинный
ПАО КАМАЗ
под заказ
524.61 ₽
В корзину
92
4310-3506390-10
Трубка
Кол-во
1
?
Узнать цену
4310-3506390-10
Трубка
ПАО КАМАЗ
под заказ
1 128.80 ₽
В корзину
105
740.1003439
Кольцо уплотнительное
Кол-во
12
?
Оставить заявку
106
4326-3506088
Кронштейн крепления шлангов
Кол-во
1
?
Оставить заявку
107
4326-3506089
Кронштейн крепления шлангов
Кол-во
1
?
Оставить заявку
108
5320-3506091
Тройник фланцевый проходной
Кол-во
3
?
Узнать цену
5320-3506091
Тройник фланцевый
ПАО КАМАЗ
под заказ
897.79 ₽
В корзину
109
4310-3506097-10
Кронштейн
Кол-во
1
?
Оставить заявку
110
740.3509301
Прокладка
Кол-во
1
?
Узнать цену
740.3509301
Прокладка
ПАО КАМАЗ
под заказ
80.03 ₽
В корзину
111
53205-3509420
Штуцер ввертный
Кол-во
1
?
Узнать цену
53205-3509420
Штуцер
ПАО КАМАЗ
В наличии 1 шт.
406.60 ₽
В корзину
112
5320-3506432
Скоба
Кол-во
10
?
Узнать цену
5320-3506432
Скоба
ПАО КАМАЗ
под заказ
95.80 ₽
В корзину
114
4310-3520030
Кронштейн крепления разобщительного крана тормозной магистрали левый
Кол-во
1
?
Оставить заявку
115
4310-3520032
Кронштейн крепления разобщительного крана тормозной магистрали правый
Кол-во
1
?
Оставить заявку
116
5320-3703301
Втулка проходная
Кол-во
2
?
Узнать цену
5320-3703301
Втулка КАМАЗ жгутов электропроводки проходная d=26/28мм h=8мм H=17.5мм
АО АЗ Урал
под заказ
34.33 ₽
В корзину
117
53205-3506430
Втулка трубки
Кол-во
1
?
Оставить заявку
118
53205-3506452
Штуцер проходной
Кол-во
1
?
Узнать цену
53205-3506452
Штуцер КАМАЗ проходной М22х22
ПАО КАМАЗ
под заказ
224.31 ₽
В корзину
120
4310-3125111
Тройник
Кол-во
1
?
Узнать цену
4310-3125111
Тройник КАМАЗ подвода воздуха к передним шинам М18х14х18
ПАО КАМАЗ
В наличии 8 шт.
357.79 ₽
В корзину
121
1/60434/21
Болт М8-6gх20
Кол-во
6
?
Оставить заявку
122
1/60436/21
Болт М8-6gх25
Кол-во
11
?
Оставить заявку
123
1/60438/21
Болт М8-6gх30
Кол-во
2
?
Оставить заявку
124
1/60440/21
Болт М8-6gх40
Кол-во
1
?
Оставить заявку
125
1/60447/21
Болт М8-6gх75
Кол-во
6
?
Оставить заявку
129
1/33013/01
Винт М6-6gх16
Кол-во
2
?
Оставить заявку
133
1/58962/11
Гайка ЕМ6-6Н
Кол-во
2
?
Узнать цену
1/58962/11
Гайка М6Х1 Камаз
ПАО Автодизель (ЯМЗ)
под заказ
14.22 ₽
В корзину
134
1/61008/11
Гайка М8х1,25-6Н
Кол-во
26
?
Оставить заявку
135
1/16913/11
Гайка М10х1-6Н низкая
Кол-во
4
?
Оставить заявку
138
1/07266/11
Гайка низкая М18х1,5-6Н
Кол-во
5
?
Оставить заявку
139
1/07267/11
Гайка низкая М20х1,5-6Н
Кол-во
6
?
Узнать цену
1/07267/11
Гайка
ПАО КАМАЗ
под заказ
159.54 ₽
В корзину
144
1/02984/60
Прокладка 12,2х18х1,5
Кол-во
14
?
Оставить заявку
145
1/02800/60
Прокладка уплотнительная 14х20х1,5
Кол-во
3
?
Узнать цену
1/02800/60
ПРОКЛАДКА 14Х20Х1.5,
АО АЗ Урал
под заказ
24.02 ₽
В корзину
148
1/05164/77
Шайба 6 пружинная
Кол-во
2
?
Оставить заявку
149
1/05166/77
Шайба 8 пружинная
Кол-во
26
?
Оставить заявку
150
1/05196/01
Шайба плоская 8х17
Кол-во
22
?
Узнать цену
1/05196/01
Шайба 8*17 1/05196
ПАО Автодизель (ЯМЗ)
под заказ
19.91 ₽
В корзину
153
853921
Скоба
Кол-во
1
?
Оставить заявку
154
853922
Скоба
Кол-во
2
?
Узнать цену
853922
Скоба КАМАЗ привода вспомогательного тормоза
ПАО КАМАЗ
под заказ
35.01 ₽
В корзину
155
853938
Скоба
Кол-во
5
?
Узнать цену
853938
Скоба
ПАО КАМАЗ
под заказ
16.51 ₽
В корзину
157
853974
Штуцер ввертный
Кол-во
1
?
Узнать цену
853974
Штуцер КАМАЗ переходной М22х14х1.5
ПАО КАМАЗ
под заказ
282.40 ₽
В корзину
158
853975
Штуцер 8 проходной
Кол-во
2
?
Оставить заявку
159
853977
Штуцер 12 ввертный
Кол-во
3
?
Узнать цену
853977
Штуцер КАМАЗ ввертный М22х18 (43118)
ПАО КАМАЗ
В наличии 53 шт.
345.33 ₽
В корзину
160
853978
Штуцер ввертный
Кол-во
3
?
Узнать цену
853978
Штуцер КАМАЗ ввертный М14х14
ПАО КАМАЗ
под заказ
154.60 ₽
В корзину
161
861000-10
Угольник
Кол-во
2
?
Узнать цену
861000-10
Угольник КАМАЗ М10х14 крана включения блокировки
ПАО КАМАЗ
под заказ
245.96 ₽
В корзину
162
861017
Штуцер проходной
Кол-во
3
?
Оставить заявку
163
861021
Гайка М22х1,5-6Н
Кол-во
3
?
Узнать цену
861021
Гайка М22х1.5 клапана контрольного крана тормозного
ПАО КАМАЗ
В наличии 97 шт.
134.55 ₽
В корзину
165
861023
Шайба
Кол-во
10
?
Узнать цену
861023
Шайба
ПАО КАМАЗ
под заказ
14.84 ₽
В корзину
166
861024
Шайба
Кол-во
12
?
Узнать цену
861024
Шайба
ПАО КАМАЗ
В наличии 100 шт.
14.84 ₽
В корзину
168
864236
Кольцо уплотнительное
Кол-во
6
?
Оставить заявку
169
864411-01
Хомут
Кол-во
1
?
Узнать цену
864411-01
Хомут
ПАО КАМАЗ
под заказ
122.80 ₽
В корзину
170
864814
Штуцер 12 проходной
Кол-во
3
?
Оставить заявку
171
864825
Угольник фланцевый проходной
Кол-во
2
?
Узнать цену
864825
Угольник фланцевый
ПАО КАМАЗ
под заказ
475.37 ₽
В корзину
172
864863
Тройник фланцевый проходной
Кол-во
1
?
Узнать цену
864863
Тройник КАМАЗ М20х18х12
ПАО КАМАЗ
под заказ
503.57 ₽
В корзину
173
864866
Штуцер фланцевый проходной
Кол-во
2
?
Оставить заявку
174
864880
Штуцер фланцевый проходной
Кол-во
5
?
Узнать цену
864880
Штуцер
ПАО КАМАЗ
под заказ
247.54 ₽
В корзину
176
864919
Тройник проходной
Кол-во
1
?
Узнать цену
864919
Тройник
ПАО КАМАЗ
под заказ
306.75 ₽
В корзину
177
864921
Тройник 12 проходной
Кол-во
1
?
Узнать цену
864921
Тройник КАМАЗ М18х1.5
ПАО КАМАЗ
В наличии 12 шт.
439.01 ₽
В корзину
185
100-3515310
Клапан контрольного вывода в сборе
Кол-во
2
?
Оставить заявку
186
100-3520010
Кран разобщительный в сборе
Кол-во
3
?
Оставить заявку
187
100-3521010
Головка соединительная типа «А» в сборе
Кол-во
1
?
Узнать цену
100-3521010
Головка соединительная тормозной системы прицепа 16мм
АО АЗ Урал
под заказ
661.20 ₽
В корзину
188
100-3521110
Головка соединительная типа «Палм» в сборе
Кол-во
0
?
Оставить заявку
188
100-3521110
Головка соединительная типа «ПАЛМ» в сборе
Кол-во
0
?
Оставить заявку
189
100-3537010
Кран стояночного тормоза с ручным управлением
Кол-во
1
?
Узнать цену
100-3537010
Кран ЗИЛ КАМАЗ МАЗ стояночного тормоза 3-х выводной
АО АЗ Урал
под заказ
4 276.64 ₽
В корзину
Нужна помощь в подборе запчастей?
Напишите нам и оставьте ваши контактные данные. Мы перезвоним вам в течение 30 минут или раньше!
Кратвольд Елена
Менеджер по продажам
7 (3513) 289-777
koleso787@bk.ru
Вы должны включить JavaScript чтобы использовать эту форму.
Ваш вопрос
Email
Телефон
Отправляя форму вы подтверждаете согласие с
политикой обработки персональных данных
.
Отправить
Оставьте это поле пустым