Каталог запчастей
Запчасти Камаз
Запчасти Урал
Спецпредложения
О компании
Контакты
+7 (3513) 289-777
Отправить готовую заявку
Группа компаний A-GROUP
Каталог
Запчасти УРАЛ
Запчасти КАМАЗ
Двигатель
Система питания
Система выпуска газов
Система охлаждения
Механизмы управления
Рулевое управление
Тормозная система
Кабина и кузов
Кабина
Оперение кабины
Платформа и кузов
Трансмиссия
Коробка передач
Коробка раздаточная
Сцепление
Карданная передача
Мосты
Ходовая часть
Колеса и ступицы
Ось передняя
Подвеска
Рама
Электрооборудование
Приборы
Специальное оборудование
Устройство седельно-сцепное
Лебедка
Газовое оборудование
Прочие запчасти
Инструмент и принадлежности
Рукава и РТИ
Крепеж
Подшипники
Запчасти двигателя
Система выпуска газов
Система охлаждения
Система питания
Кабина и оперение
Передок кабины
Оперение кабины
Боковина кабины
Двери кабины
Задок кабины
Основание кабины
Крыша кабины
Сиденья кабины
Вентиляция и отопление кабины
Трансмиссия
Коробка передач
Раздаточная коробка
Карданный вал
Сцепление
Передний мост
Средний мост
Задний мост
Ходовая часть
Рама
Подвеска балансирная
Колеса и ступицы
Механизмы управления
Рулевое управление
Тормозная система
Платформа
Электрооборудование
Приборы
Оборудование и инструменты
Коробка отбора мощности
Лебедка
Устройство седельно-сцепное
Инструменты
Поиск
Графические каталоги
0
Группа компаний A-GROUP
Поиск
0
+7 (3513) 289-777
Обратный звонок
Отправить готовую заявку
Группа компаний A-GROUP
0
Меню
Поиск
Каталог запчастей
Запчасти Камаз
Запчасти Урал
Спецпредложения
О компании
Контакты
Главная
Графические каталоги
КамАЗ
КамАЗ-4326
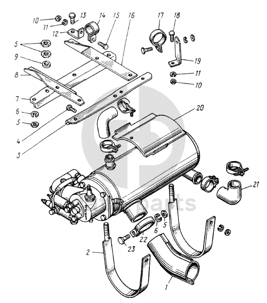
Крепление котла подогревателя
Крепление котла подогревателя КамАЗ-4326
1
2
3
4
5
5
5
6
6
7
8
9
10
10
11
11
12
13
14
15
16
17
18
19
20
21
22
23
100
%
1
5320-1015306
Патрубок в сборе
Кол-во
1
?
Узнать цену
5320-1015306
Патрубок
ПАО КАМАЗ
под заказ
413 ₽
В корзину
2
5320-1015022
Лента в сборе
Кол-во
2
?
Узнать цену
5320-1015022
Лента крепления
ПАО КАМАЗ
под заказ
311 ₽
В корзину
3
5320-1015069
Угольник левый
Кол-во
1
?
Узнать цену
5320-1015069
Угольник
ПАО КАМАЗ
под заказ
248 ₽
В корзину
4
1/60434/21
Болт М8-6gх20
Кол-во
2
?
Оставить заявку
5
1/21647/11
Гайка М10х1,25-6Н
Кол-во
16
?
Оставить заявку
6
1/05168/77
Шайба 10 пружинная
Кол-во
18
?
Оставить заявку
7
5320-1015068
Угольник правый
Кол-во
1
?
Узнать цену
5320-1015068
Угольник
ПАО КАМАЗ
под заказ
248 ₽
В корзину
8
5320-1015072
Кронштейн передний
Кол-во
1
?
Узнать цену
5320-1015072
Кронштейн
ПАО КАМАЗ
под заказ
290 ₽
В корзину
9
1/26386/01
Шайба плоская 10,6х18х2
Кол-во
9
?
Оставить заявку
10
1/61008/11
Гайка М8х1,25-6Н
Кол-во
5
?
Оставить заявку
11
1/05166/77
Шайба 8 пружинная
Кол-во
5
?
Оставить заявку
12
5320-1015092
Кронштейн
Кол-во
1
?
Узнать цену
5320-1015092
Кронштейн
ПАО КАМАЗ
под заказ
117 ₽
В корзину
13
1/59707/21
Болт М10х1,25-6gх25
Кол-во
6
?
Оставить заявку
14
864408
Хомут 37
Кол-во
2
?
Узнать цену
864408
Хомут КАМАЗ бачка расширительного
ПАО КАМАЗ
под заказ
246 ₽
В корзину
15
1/60438/21
Болт М8-6gх30
Кол-во
2
?
Оставить заявку
16
5320-1015074
Кронштейн задний
Кол-во
1
?
Узнать цену
5320-1015074
Кронштейн
ПАО КАМАЗ
под заказ
412 ₽
В корзину
17
864413
Хомут 45
Кол-во
1
?
Узнать цену
864413
Хомут КАМАЗ ПЖД
ПАО КАМАЗ
под заказ
150 ₽
В корзину
18
1/60436/21
Болт М8-6gх25
Кол-во
1
?
Оставить заявку
19
5320-1015198
Кронштейн правый
Кол-во
1
?
Узнать цену
5320-1015198
Кронштейн
ПАО КАМАЗ
под заказ
90 ₽
В корзину
20
5320-1015115
Опора котла
Кол-во
1
?
Узнать цену
5320-1015115
Опора
ПАО КАМАЗ
под заказ
438 ₽
В корзину
21
5320-1311049
Рукав
Кол-во
1
?
Оставить заявку
22
864404
Хомут 63,5
Кол-во
1
?
Узнать цену
864404
Хомут
ПАО КАМАЗ
под заказ
467 ₽
В корзину
23
1/59709/21
Болт М10х1,25-6gх35
Кол-во
1
?
Оставить заявку
Нужна помощь в подборе запчастей?
Напишите нам и оставьте ваши контактные данные. Мы перезвоним вам в течение 30 минут или раньше!
Кратвольд Елена
Менеджер по продажам
7 (3513) 289-777
koleso787@bk.ru
Вы должны включить JavaScript чтобы использовать эту форму.
Ваш вопрос
Email
Телефон
Отправляя форму вы подтверждаете согласие с
политикой обработки персональных данных
.
Отправить
Оставьте это поле пустым