Каталог запчастей
Запчасти Камаз
Запчасти Урал
Спецпредложения
О компании
Контакты
+7 (3513) 289-777
Отправить готовую заявку
Группа компаний A-GROUP
Каталог
Запчасти УРАЛ
Запчасти КАМАЗ
Двигатель
Система питания
Система выпуска газов
Система охлаждения
Механизмы управления
Рулевое управление
Тормозная система
Кабина и кузов
Кабина
Оперение кабины
Платформа и кузов
Трансмиссия
Коробка передач
Коробка раздаточная
Сцепление
Карданная передача
Мосты
Ходовая часть
Колеса и ступицы
Ось передняя
Подвеска
Рама
Электрооборудование
Приборы
Специальное оборудование
Устройство седельно-сцепное
Лебедка
Газовое оборудование
Прочие запчасти
Инструмент и принадлежности
Рукава и РТИ
Крепеж
Подшипники
Запчасти двигателя
Система выпуска газов
Система охлаждения
Система питания
Кабина и оперение
Передок кабины
Оперение кабины
Боковина кабины
Двери кабины
Задок кабины
Основание кабины
Крыша кабины
Сиденья кабины
Вентиляция и отопление кабины
Трансмиссия
Коробка передач
Раздаточная коробка
Карданный вал
Сцепление
Передний мост
Средний мост
Задний мост
Ходовая часть
Рама
Подвеска балансирная
Колеса и ступицы
Механизмы управления
Рулевое управление
Тормозная система
Платформа
Электрооборудование
Приборы
Оборудование и инструменты
Коробка отбора мощности
Лебедка
Устройство седельно-сцепное
Инструменты
Поиск
Графические каталоги
0
Группа компаний A-GROUP
Поиск
0
+7 (3513) 289-777
Обратный звонок
Отправить готовую заявку
Группа компаний A-GROUP
0
Меню
Поиск
Каталог запчастей
Запчасти Камаз
Запчасти Урал
Спецпредложения
О компании
Контакты
Главная
Графические каталоги
КамАЗ
КамАЗ-4326
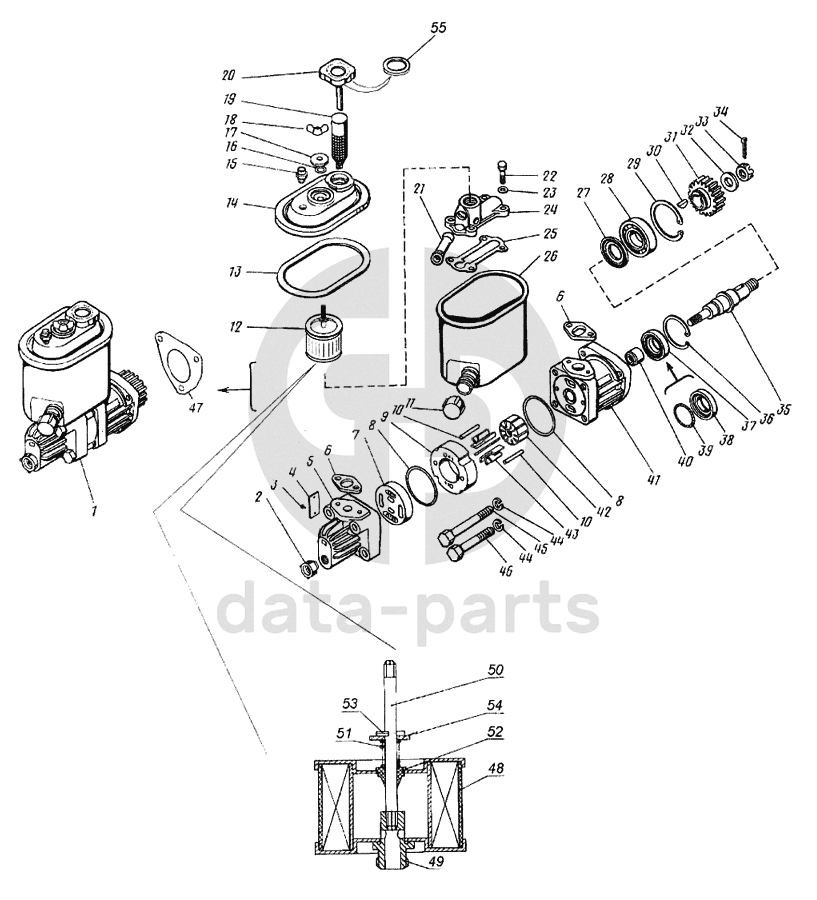
Насос гидроусилителя руля левого вращения
Насос гидроусилителя руля левого вращения КамАЗ-4326
1
2
3
4
5
6
6
7
8
8
9
10
10
11
12
13
14
15
16
17
18
19
20
21
22
23
24
25
26
27
28
29
30
31
32
33
34
35
36
37
38
39
40
41
42
43
44
44
45
46
47
48
49
50
51
52
53
54
55
100
%
1
4310-3407200-01
Насос в сборе
Кол-во
1
?
Оставить заявку
2
853889
Пробка транспортная
Кол-во
1
?
Оставить заявку
3
Заклепка 2х6,37
Заклепка 2х6,37
Кол-во
2
?
Оставить заявку
4
130-3903183-04
Табличка 40х20
Кол-во
1
?
Оставить заявку
5
53212-3407212
Крышка в сборе
Кол-во
1
?
Оставить заявку
6
5320-3407437-01
Прокладка уплотнительная
Кол-во
2
?
Оставить заявку
7
5320-3407255
Диск распределительный
Кол-во
1
?
Оставить заявку
8
864217
Кольцо уплотнительное
Кол-во
2
?
Узнать цену
864217
Манжета
АО АЗ Урал
под заказ
11 ₽
В корзину
9
5320-3407253
Статор насоса
Кол-во
1
?
Оставить заявку
10
853757
Штифт 5х43
Кол-во
2
?
Оставить заявку
11
853883-01
Пробка транспортная
Кол-во
1
?
Оставить заявку
12
4310-3407338-10
Фильтр в сборе
Кол-во
1
?
Оставить заявку
13
5320-3407413
Прокладка уплотнительная крышки бачка
Кол-во
1
?
Оставить заявку
14
53212-3407400
Крышка бачка в сборе
Кол-во
1
?
Оставить заявку
15
864000
Клапан предохранительный на давление 0,12-0,24 кг/см2
Кол-во
1
?
Узнать цену
864000
Клапан предохранительный
ПАО КАМАЗ
под заказ
147 ₽
В корзину
16
864218
Кольцо уплотнительное
Кол-во
1
?
Оставить заявку
17
1/26470/01
Шайба плоская 8,45х25х2,5
Кол-во
1
?
Оставить заявку
18
1/01020/01
Гайка-барашек
Кол-во
1
?
Оставить заявку
19
5320-3407328
Фильтр заливной в сборе
Кол-во
1
?
Оставить заявку
20
5320-3407350
Пробка заливной горловины бачка в сборе
Кол-во
1
?
Оставить заявку
21
5320-3407441
Трубка бачка
Кол-во
1
?
Оставить заявку
22
1/09026/21
Болт М6-6gх25
Кол-во
4
?
Оставить заявку
23
1/05194/01
Шайба плоская 6х12х1,5
Кол-во
4
?
Оставить заявку
24
5320-3407435
Коллектор насоса
Кол-во
1
?
Оставить заявку
25
5320-3407439
Прокладка коллектора насоса
Кол-во
1
?
Оставить заявку
26
5320-3407300-01
Бачок насоса в сборе
Кол-во
1
?
Оставить заявку
27
5320-3407220
Кольцо маслоотгонное
Кол-во
1
?
Оставить заявку
28
305А
Подшипник 305А
Кол-во
1
?
Оставить заявку
29
862806
Кольцо Б 62 ГОСТ 13943-68
Кол-во
1
?
Оставить заявку
30
853803
Шпонка сегментная 5х7,5х19
Кол-во
1
?
Оставить заявку
31
5320-3407240
Шестерня привода насоса гидроусилителя руля
Кол-во
1
?
Оставить заявку
32
1/35507/01
Шайба плоская 16х30
Кол-во
1
?
Оставить заявку
33
853536
Гайка М16х1,5-6Н
Кол-во
1
?
Оставить заявку
34
1/07970/01
Шплинт 4х30
Кол-во
1
?
Оставить заявку
35
5320-3407217
Валик насоса
Кол-во
1
?
Оставить заявку
36
740.1308131
Кольцо Б47
Кол-во
1
?
Оставить заявку
37
864121
Манжета 24х46 в сборе
Кол-во
1
?
Оставить заявку
38
864122
Корпус манжеты
Кол-во
1
?
Оставить заявку
39
864424
Пружина
Кол-во
1
?
Оставить заявку
40
154901Е
Подшипник игольчатый
Кол-во
1
?
Оставить заявку
41
5320-3407211
Корпус насоса
Кол-во
1
?
Оставить заявку
42
5320-3407248
Ротор насоса
Кол-во
1
?
Оставить заявку
43
5320-3407251
Лопасть насоса
Кол-во
10
?
Оставить заявку
44
1/05168/77
Шайба 10 пружинная
Кол-во
4
?
Оставить заявку
45
853043
Болт М10х1,25-6gх90
Кол-во
2
?
Оставить заявку
46
853041
Болт М10х1,25-6gх70
Кол-во
2
?
Оставить заявку
47
740-3407032
Прокладка насоса
Кол-во
1
?
Оставить заявку
48
4310-3407359-10
Элемент фильтрующий
Кол-во
1
?
Оставить заявку
49
4310-3407361
Труба
Кол-во
1
?
Оставить заявку
50
4310-3407362
Шпилька
Кол-во
1
?
Оставить заявку
51
4310-3407363
Пружина
Кол-во
1
?
Оставить заявку
52
4310-3407763
Шайба
Кол-во
1
?
Оставить заявку
53
258012
Шплинт
Кол-во
1
?
Оставить заявку
54
1/26470/01
Шайба плоская 8,45х25х2,5
Кол-во
1
?
Оставить заявку
55
5320-3407358
Прокладка пробки
Кол-во
1
?
Оставить заявку
Нужна помощь в подборе запчастей?
Напишите нам и оставьте ваши контактные данные. Мы перезвоним вам в течение 30 минут или раньше!
Кратвольд Елена
Менеджер по продажам
7 (3513) 289-777
koleso787@bk.ru
Вы должны включить JavaScript чтобы использовать эту форму.
Ваш вопрос
Email
Телефон
Отправляя форму вы подтверждаете согласие с
политикой обработки персональных данных
.
Отправить
Оставьте это поле пустым