Каталог запчастей
Запчасти Камаз
Запчасти Урал
Спецпредложения
О компании
Контакты
7 (3513) 289-777
Отправить готовую заявку
Группа компаний A-GROUP
Каталог
Запчасти УРАЛ
Запчасти КАМАЗ
Двигатель
Система питания
Система выпуска газов
Система охлаждения
Механизмы управления
Рулевое управление
Тормозная система
Кабина и кузов
Кабина
Оперение кабины
Платформа и кузов
Трансмиссия
Коробка передач
Коробка раздаточная
Сцепление
Карданная передача
Мосты
Ходовая часть
Колеса и ступицы
Ось передняя
Подвеска
Рама
Электрооборудование
Приборы
Специальное оборудование
Устройство седельно-сцепное
Лебедка
Газовое оборудование
Прочие запчасти
Инструмент и принадлежности
Рукава и РТИ
Крепеж
Подшипники
Запчасти двигателя
Система выпуска газов
Система охлаждения
Система питания
Кабина и оперение
Передок кабины
Оперение кабины
Боковина кабины
Двери кабины
Задок кабины
Основание кабины
Крыша кабины
Сиденья кабины
Вентиляция и отопление кабины
Трансмиссия
Коробка передач
Раздаточная коробка
Карданный вал
Сцепление
Передний мост
Средний мост
Задний мост
Ходовая часть
Рама
Подвеска балансирная
Колеса и ступицы
Механизмы управления
Рулевое управление
Тормозная система
Платформа
Электрооборудование
Приборы
Оборудование и инструменты
Коробка отбора мощности
Лебедка
Устройство седельно-сцепное
Инструменты
Поиск
Графические каталоги
0
Группа компаний A-GROUP
Поиск
0
+7 (3513) 289-777
Обратный звонок
Отправить готовую заявку
Группа компаний A-GROUP
0
Меню
Поиск
Каталог запчастей
Запчасти Камаз
Запчасти Урал
Спецпредложения
О компании
Контакты
Главная
Графические каталоги
КамАЗ
КамАЗ-4326
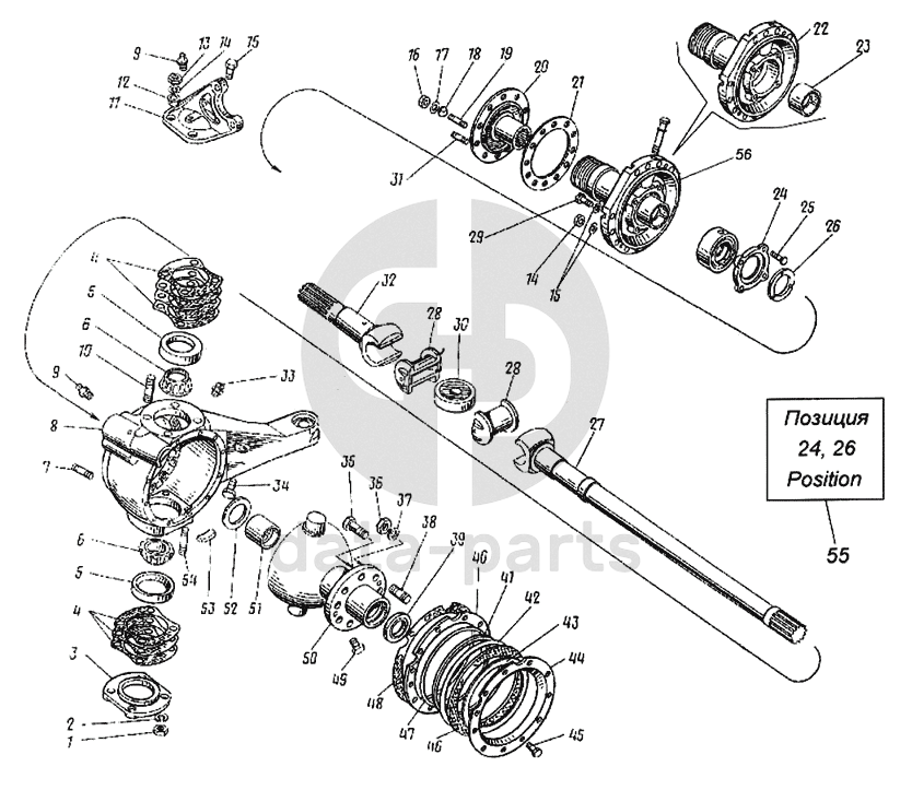
Кулак поворотный правый моста переднего
1
2
3
4
4
5
5
6
6
7
8
9
9
10
11
12
13
14
14
15
15
16
17
18
19
20
21
22
23
24
24
25
26
26
27
28
28
29
30
31
32
33
34
35
36
37
38
39
40
41
42
43
44
45
46
47
48
49
50
51
52
53
54
55
56
100
%
1
1/21641/11
Гайка М16х1,5-6Н
Кол-во
4
?
Оставить заявку
2
1/05172/77
Шайба 16 пружинная
Кол-во
4
?
Оставить заявку
3
4310-2304038
Накладка поворотного кулака нижняя
Кол-во
1
?
Узнать цену
4310-2304038
Накладка корпуса нижняя
ПАО КАМАЗ
под заказ
1 574.28 ₽
В корзину
4
4310-2304074
Прокладка регулировочная
Кол-во
0
?
Узнать цену
4310-2304074
Прокладка КАМАЗ-43118 регулировочная
ПАО КАМАЗ
В наличии 90 шт.
52.74 ₽
В корзину
5
864755
Кольцо подшипника наружное
Кол-во
2
?
Оставить заявку
6
864756
Кольцо внутреннее с сепаратором и роликами в сборе
Кол-во
2
?
Оставить заявку
7
1/35305/31
Шпилька (45993459)
Кол-во
12
?
Оставить заявку
8
4310-2304028
Корпус поворотного кулака правый в сборе
Кол-во
1
?
Узнать цену
4310-2304028
Корпус КАМАЗ-4310 кулака поворотного правый
ПАО КАМАЗ
под заказ
30 905.06 ₽
В корзину
9
864006
Масленка 1.3.Ц6хр.ГОСТ 19853-74
Кол-во
2
?
Оставить заявку
10
1/18005/31
Шпилька М16х1,5-6gх22х40
Кол-во
3
?
Оставить заявку
11
4310-2304037
Накладка поворотного кулака верхняя
Кол-во
1
?
Оставить заявку
12
5320-2403072
Втулка разжимная шпильки полуоси
Кол-во
3
?
Узнать цену
5320-2403072
Втулка КАМАЗ разжимная шпильки полуоси d=16мм
ПАО КАМАЗ
В наличии 90 шт.
46.45 ₽
В корзину
13
1/21641/11
Гайка М16х1,5-6Н
Кол-во
0
?
Оставить заявку
14
1/05172/77
Шайба 16 пружинная
Кол-во
0
?
Оставить заявку
15
1/42577/21
Болт самоконтрящийся
Кол-во
1
?
Оставить заявку
16
1/61015/21
Гайка М12х1,25-6Н
Кол-во
24
?
Оставить заявку
17
1/05170/77
Шайба 12 пружинная
Кол-во
26
?
Оставить заявку
18
4310-2403072
Втулка разжимная шпильки полуоси заднего моста
Кол-во
12
?
Узнать цену
4310-2403072
Втулка КАМАЗ разжимная шпильки полуоси d=12мм
ПАО КАМАЗ
В наличии 107 шт.
34.62 ₽
В корзину
19
853312
Шпилька
Кол-во
2
?
Оставить заявку
20
4310-2304090
Фланец ведущий ступицы переднею колеса
Кол-во
1
?
Узнать цену
4310-2304090
Фланец КАМАЗ-4310 ступицы передней
ПАО КАМАЗ
В наличии 20 шт.
3 791.46 ₽
В корзину
21
4310-2403091
Прокладка
Кол-во
1
?
Оставить заявку
22
4310-2304084
Цапфа правая
Кол-во
1
?
Узнать цену
4310-2304084
Цапфа КАМАЗ кулака поворотного правая
ПАО КАМАЗ
В наличии 14 шт.
16 794.52 ₽
В корзину
23
4310-2304083
Втулка
Кол-во
1
?
Оставить заявку
24
4310-2304129
Кольцо упорное
Кол-во
1
?
Узнать цену
4310-2304129
Кольцо КАМАЗ-4310 упорное цапфы
ПАО КАМАЗ
под заказ
1 007.01 ₽
В корзину
25
1/42381/21
Болт самоконтрящийся
Кол-во
4
?
Оставить заявку
26
4310-2304068
Шайба упорная
Кол-во
1
?
Узнать цену
4310-2304068
Шайба КАМАЗ упорная кольца цапфы
ПАО КАМАЗ
под заказ
1 152.69 ₽
В корзину
27
4310-2304064
Кулак шарнира внутренний правый
Кол-во
1
?
Узнать цену
4310-2304064
Кулак КАМАЗ-4310 шарнира внутренний правый 16 шл.
ПАО КАМАЗ
под заказ
19 114.65 ₽
В корзину
28
4310-2304066
Вкладыш кулака шарнира
Кол-во
2
?
Узнать цену
4310-2304066
Вкладыш КАМАЗ-4310 кулака шарнира
ПАО КАМАЗ
под заказ
2 460.76 ₽
В корзину
29
1/55404/21
Болт М12х1,25-6gх30
Кол-во
2
?
Оставить заявку
30
4310-2304067
Диск шарнира
Кол-во
1
?
Узнать цену
4310-2304067
Диск КАМАЗ шарнира привода колеса переднего
ПАО КАМАЗ
под заказ
2 429.77 ₽
В корзину
31
1/35302/31
Шпилька
Кол-во
10
?
Оставить заявку
32
4310-2304062
Кулак шарнира переднего моста наружный
Кол-во
1
?
Узнать цену
4310-2304062
Кулак КАМАЗ-4310 шарнира переднего моста наружный
ПАО КАМАЗ
В наличии 3 шт.
13 419.07 ₽
В корзину
33
864000-10
Клапан предохранительный крышки в сборе
Кол-во
1
?
Узнать цену
864000-10
Клапан КАМАЗ-ЕВРО предохранительный (сапун)
ПАО КАМАЗ
В наличии 37 шт.
208.79 ₽
В корзину
34
1/59805/21
Болт ограничивающий поворот колес
Кол-во
1
?
Оставить заявку
35
1/42717/21
Болт самоконтрящийся
Кол-во
1
?
Оставить заявку
36
1/21642/11
Гайка
Кол-во
8
?
Оставить заявку
37
1/05173/77
Шайба пружинная
Кол-во
8
?
Оставить заявку
38
1/36647/31
Шпилька
Кол-во
8
?
Оставить заявку
39
864169
Сальник шаровой опоры в сборе
Кол-во
1
?
Узнать цену
864169
Сальник КАМАЗ-4310 опоры шаровой 55х75х10
ПАО КАМАЗ
В наличии 10 шт.
326.04 ₽
В корзину
40
4310-2304092
Обойма сальника
Кол-во
1
?
Узнать цену
4310-2304092
Обойма КАМАЗ-4310 сальника
ПАО КАМАЗ
В наличии 14 шт.
606.37 ₽
В корзину
41
4310-2304093
Манжета сальника
Кол-во
1
?
Оставить заявку
42
4310-2304095
Кольцо распорное
Кол-во
1
?
Узнать цену
4310-2304095
Кольцо КАМАЗ-4310 сальника распорное
ПАО КАМАЗ
В наличии 3 шт.
306.75 ₽
В корзину
43
4310-2304099
Кольцо уплотнительное внутреннее
Кол-во
1
?
Оставить заявку
44
4310-2304097
Крышка сальника
Кол-во
1
?
Узнать цену
4310-2304097
Крышка КАМАЗ-4310 сальника
ПАО КАМАЗ
В наличии 44 шт.
925.28 ₽
В корзину
45
1/38255/11
Болт с пружинной шайбой в сборе
Кол-во
12
?
Оставить заявку
46
4310-2304089
Кольцо уплотнительное наружное
Кол-во
1
?
Оставить заявку
47
4310-2304094
Пружина сальника
Кол-во
1
?
Оставить заявку
48
4310-2304098
Прокладка
Кол-во
1
?
Оставить заявку
49
864341
Пробка КГ 1/8"
Кол-во
1
?
Оставить заявку
50
4310-2304014
Опора шаровая
Кол-во
1
?
Оставить заявку
51
4310-2304035
Втулка шаровой опоры
Кол-во
1
?
Узнать цену
4310-2304035
Втулка шаровой опоры
ПАО КАМАЗ
под заказ
752.87 ₽
В корзину
52
4310-2304068
Шайба упорная
Кол-во
0
?
Узнать цену
4310-2304068
Шайба КАМАЗ упорная кольца цапфы
ПАО КАМАЗ
под заказ
1 152.69 ₽
В корзину
53
4310-2304049
Заглушка корпуса
Кол-во
1
?
Оставить заявку
54
1/18005/31
Шпилька М16х1,5-6gх22х40
Кол-во
0
?
Оставить заявку
55
4310-2304128
Кольцо упорное кулака шарнира в сборе
Кол-во
4
?
Оставить заявку
56
4310-2304078
Цапфа поворотного кулака правая со втулкой в сборе
Кол-во
1
?
Оставить заявку
Нужна помощь в подборе запчастей?
Напишите нам и оставьте ваши контактные данные. Мы перезвоним вам в течение 30 минут или раньше!
Кратвольд Елена
Менеджер по продажам
7 (3513) 289-777
koleso787@bk.ru
Вы должны включить JavaScript чтобы использовать эту форму.
Ваш вопрос
Email
Телефон
Отправляя форму вы подтверждаете согласие с
политикой обработки персональных данных
.
Отправить
Оставьте это поле пустым